
Computer Architecture
Chapter 8
Multiprocessors
Shared Memory Architectures
Prof. Jerry Breecher
CSCI 240
Fall 2003

Chap. 8 - Multiprocessors 2
Chapter Overview
We’re going to do only one section from this chapter, that part related
to how caches from multiple processors interact with each other.
8.1 Introduction – the big picture
8.3 Centralized Shared Memory Architectures

Chap. 8 - Multiprocessors 3
Introduction
8.1 Introduction
8.3 Centralized Shared
Memory Architectures
The Big Picture: Where are
We Now?
The major issue is this:
We’ve taken copies of the contents of main
memory and put them in caches closer to the
processors. But what happens to those
copies if someone else wants to use the main
memory data?
How do we keep all copies of the data in synch
with each other?

Chap. 8 - Multiprocessors 4
The Multiprocessor Picture
Processor/Memory
Bus
PCI Bus
I/O Busses
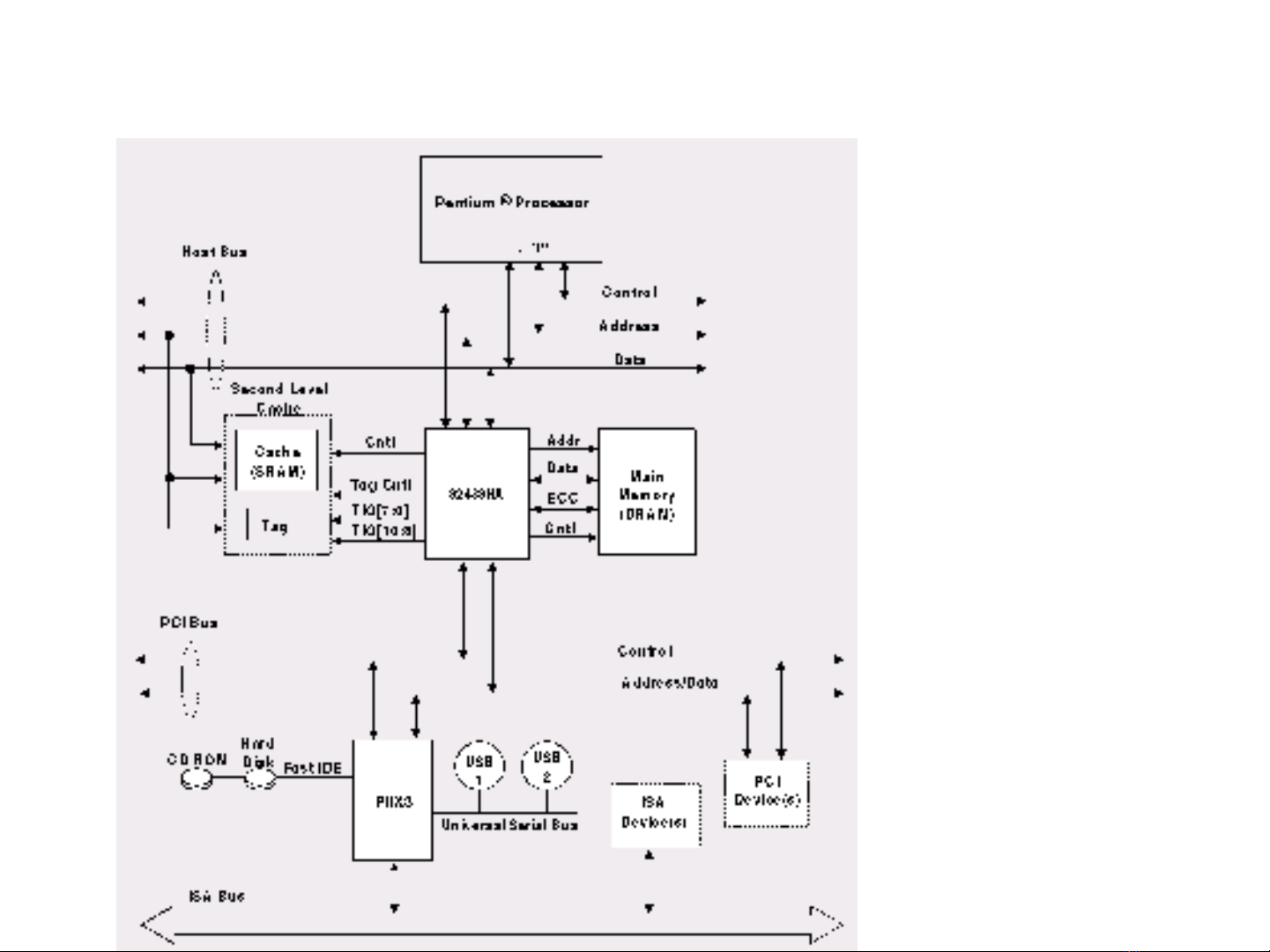
Example:
Pentium System
Organization

Chap. 8 - Multiprocessors 5
Memory
Disk & other IO
Shared Memory Multiprocessor
Registers
Caches
Processor
Registers
Caches
Processor
Registers
Caches
Processor
Registers
Caches
Processor
Chipset •Memory: centralized with
Uniform Memory Access
time (“uma”) and bus
interconnect, I/O
•Examples: Sun Enterprise
6000, SGI Challenge, Intel
SystemPro

