
BÀI GI NGẢ
CHƯƠNG IV:
B O V SO L CH Ả Ệ Ệ
DÒNG_BVRSL
(DIFFENRENTICAL
PROTECTION)

CHƯƠNG IV: B O V SO L CH Ả Ệ Ệ
DÒNG_BVRSL (DIFFENRENTICAL
PROTECTION)
•NGUYÊN T C LÀM VI C _ SẮ Ệ Ơ Đ NGUYÊN LÝỒ
•DÒNG KHÔNG CÂN B NGẰ
•TÍNH TOÁN THÔNG S BVSLỐ
•CÁC BI N PHÁP NÂNG CAO Đ NH YỆ Ộ Ạ
•B O V SO L CH NGANGẢ Ệ Ệ
•ĐÁNH GIÁ

R
RƠ
ƠLE B O V SO L CHẢ Ệ Ệ
LE B O V SO L CHẢ Ệ Ệ
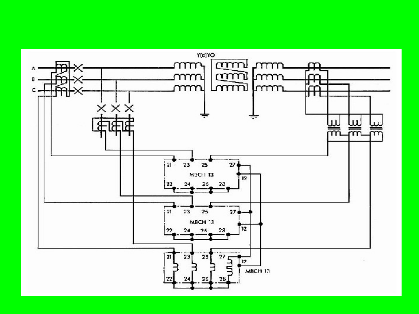
Rơle b o v so l ch MBCH - 13ả ệ ệ

SƠ Đ NGUYÊN LÝ RỒ ƠLE SO L CH MBCH - Ệ
13

4.1 NGUYÊN T C LÀM VI C_SẮ Ệ Ơ Đ Ồ
NGUYÊN LÝ
•b o v ho t ả ệ ạ đ ng theo nguyên t c so sánh ộ ắ
t ng dòng ổđ u vào và ầđ u ra c a thi t b ầ ủ ế ị
đưc b o vợ ả ệ
∑ IV
ISL
∑ IR
THI T B Ế Ị
ĐƯC Ợ
BV
)( **
rvsl III +∑=
**
RVSL III ∑−∑=

