
1
HTHNG THÔNG TIN
VTINH
Bmôn Thông tin vô tuyn
ði hc công ngh-ðHQGHN
Ging viên Thm ðc Phương
Tel. 0903 229 117
E- Mail: phuongthamduc@yahoo.com
1. Tín hiu analog
2. Tín hiu sbănggc
3.ðiu chsFSK, PSK,ñiu chlai
4. Các phương pháp ña truy cp FDMA,
TDMA, CDMA
Chương 7 –ðiu chvàñatruycp

2
Tín hiu Analog
Tín hiu Analog

3
Tín hiu Analog
Tín hiu sbănggc

4
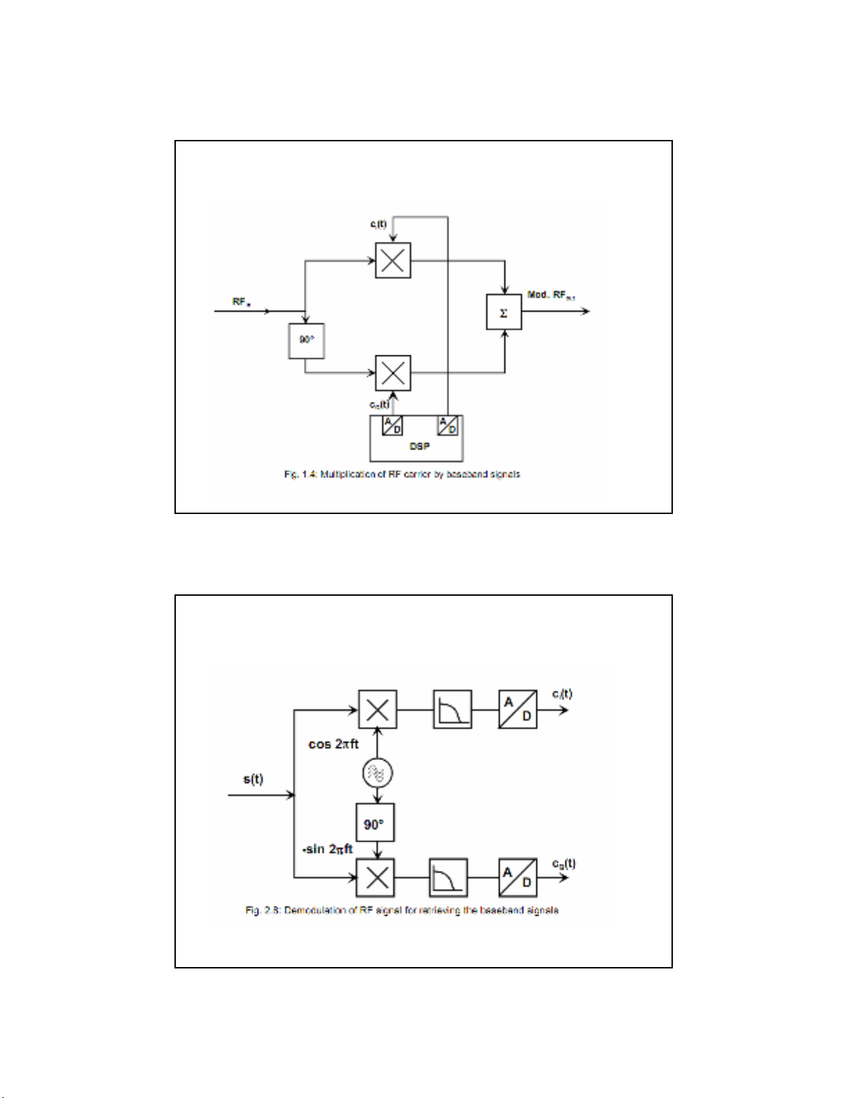
Tín hiu sbănggc - Modulation
Tín hiu sbănggc - Demodulation

5
ðiu chs
Khái nim: tín hiu băng tn gcñưc bin ñi thành mt tín
hiu thích ng vi ñưng truyn ñ có thddàng ghép kênh
và phát truyn qua vtinh. Quá trình xlý bin ñi tín hiu bên
phát gi là “ñiu ch”. Ti ñu thu, bbin ñi sbin ñi tín
hiu thu thành tín hiu ban ñu (gi i ñiu ch), vàsauñó
truyn ñn nơi nhn. Thông thưng, tp âm gây ra do ñưng
truyn d$n, máy phát, máy thu và bbin ñi làm cho ch%t
lưng c&a tín hiu thu ñưc th%p hơn tín hiu ñã truyn ñi.
Các dng ñiu ch:
Ch%t lưng ñiu ch
Mt hthông tin liên lc cn ph iñưc thit k ñ ñtñưc
ch%t lưng yêu cu vi s'gii hn c&a công su%t phát và ñ
rng băng tn công tác. Khi ñó hiu su%tñiu chlà quan
trng.
Tiêu chu(n quan trng nh%tñánh giá ch%t lưng ñiu chlà t)
stín hiu/tp âm (S/N ñi vitín hiu tương t'và BER ñi vi
tín hiu s) trong kênh thông tin
S/N (ho*c BER) ph+thuc vào mt só yu t, quan trng hơn
c là:
– T)ssóng mang/tp âm C/N c&a kênh thông tin RF ho*c
c&a tín hiu trung tn IF trong máy thu.
– Dng ñiu chtín hiu

