
Hình 2.42: Kiểu điện trở
Hệ thống điều hòa không khí ô tô dùng loại nhiệt điện trở còn có một biến trở gắn
trên bảng điều khiển. biến trở này dùng để điều chỉnh nhiệt độ trong xe. Tín hiệu điều
khiển nhiệt độ được lấy từ cần phân áp gồm giá trị điện trở của biến trở và giá trị nhiệt
điện trở.
Hình 2.43: Kiểu nhiệt điện trở
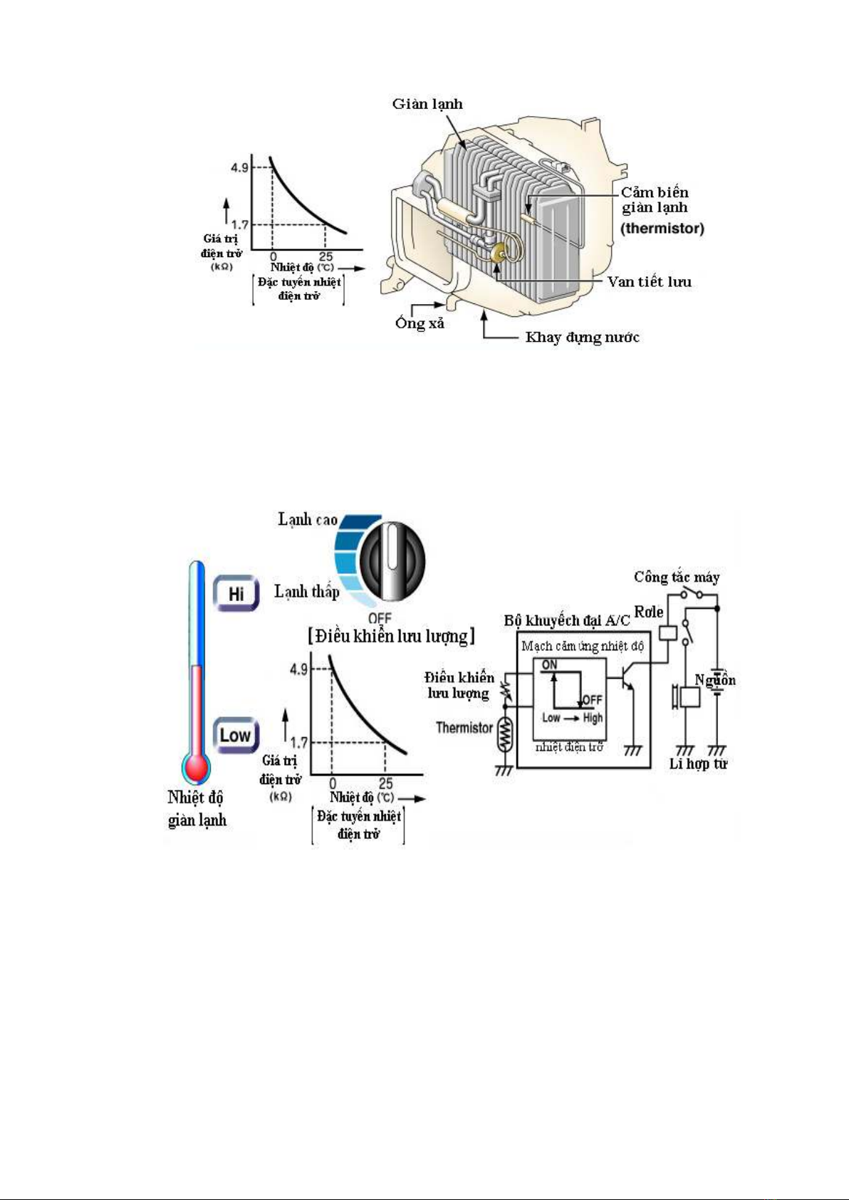
Khi nhiệt độ không khí trong xe tăng lên, cảm ứng lên nhiệt điện trở (giá trị điện
trở nhỏ), hoặc chuyển nhiệt độ tới vị trí cài đặt cao (giá trị điện trở lớn) làm giảm điện
áp rơi trên mạch cảm ứng nhiệt độ của bộ khuếch đại. Mạch cảm ứng trong bộ khuếch
đại nhận biết mạch điều hòa không khí đang ở trạng thái ON, làm cho transistor mở ra.
Điều này cho phép rơ le ly hợp từ đóng mạch và máy nén hoạt động, bắt đầu quá trình
làm lạnh.
www.oto-hui.com

Hình 2.44: Kiểu nhiệt điện trở (khi nhiệt độ cao)
Khi nhiệt độ bên trong xe giảm, điện trở của thermistor tăng (giá trị điện trở lớn),
hoặc khi chuyển nhiệt độ cài đặt tới vị trí lạnh ít (giá trị điện trở lớn) làm tăng điện áp
rơi trên mạch cảm ứng nhiệt độ trong bộ khuếch đại của hệ thống điều hòa không khí.
Mạch cảm ứng nhiệt độ trong bộ khuếch đại nhận biết được trạng thái OFF của hệ
thống điều hòa không khí, làm cho transistor đóng lại. Điều này làm cho rơ le của ly
hợp từ không đóng mạch, và máy nén không hoạt động, ngừng quá trình làm lạnh.
Hình 2.45: Kiểu nhiệt điện trở (khi nhiệt độ thấp)
www.oto-hui.com

b. Loại Thermostat.
Thermostat gồm một đầu cảm ứng nhiệt, màng và công tắc. Bên trong đầu cảm
ứng nhiệt có chứa đầy môi chất. Đầu cảm ứng nhiệt đặt tại lối ra của giàn lạnh. Khi
nhiệt độ bay hơi thấp thì áp suất trong bầu cảm ứng giảm. Công tắc được ngắt nhờ
màng. Điều này làm cho ly hợp từ bị ngắt, từ đó điều chỉnh được nhiệt độ ra.
Hình 2.46: Loại thermostat (nhiệt độ giàn lạnh thấp)
Hình 2.47: Loại thermostat (nhiệt độ giàn lạnh cao)
2.5.2 Bộ điều khiển tốc độ quạt.
Lưu lượng gió được điều chỉnh bởi sự thay đổi tốc độ quay của mô tơ quạt. Tốc
độ quay của mô tơ quạt phụ thuộc vào điện áp giữa hai đầu mô tơ. Trong hệ thống điều
hòa ô tô, công tắc quạt thay đổi giá trị điện trở mắc nối tiếp với động cơ. Bằng cách
này có thể điều chỉnh tốc độ quay của mô tơ.
www.oto-hui.com

Hình 2.48: Bộ điều chỉnh tốc độ quạt gió
Khi công tắc quạt cài đặt ở vị trí ở vị trí Low , dòng điện chạy qua cuộn dây của
rơ le sưởi và làm cho rơ le này ở vị trí ON. Điện áp qua tiếp điểm của rơ le sưởi của bộ
sưởi ấm.
Hình 2.49: Bộ điều chỉnh tốc độ quạt gió (ở vị trí Low)
Khi bật công tắc ở vị trí Me, rơ le sưởi ở vị trí ON giống như khi ta cài đặt ở chế
độ Low. Điều này cho phép gửi điện áp tới động cơ quạt. Sau khi đi qua động cơ quạt,
dòng điện đi qua một phần qua điện trở quạt rồi ra mát.
So với chế độ Low, hiệu diện thế giữa hai đầu động cơ quạt lớn hơn. Điều này
cho phép động cơ làm việc ở chế độ trung bình.
www.oto-hui.com

Hình 2.50: Bộ điều chỉnh tốc độ quạt gió (ở vị trí Medium)
Khi công tắc quạt ở vị trí High thì rơ le ở vị trí giống như ở chế độ thấp và có
điện áp đưa tới quạt. Tuy nhiên dòng điện chạy qua động cơ mà không đi qua điện trở
nào, rồi ra mát theo công tắc quạt. Điều này cho phép điện áp nguồn cấp trực tiếp cho
động cơ nên mô tơ quạt quay ở tốc độ cao.
Hình 2.51: Bộ điều chỉnh tốc độ quạt gió (ở vị trí High)
2.5.3 Bộ điều khiển tốc độ không tải (bù ga).
Khi động cơ chạy không tải, công suất của động cơ nhỏ. Bật máy nén sẽ làm quá
tải động cơ. Điều này có thể gây chết máy hoặc động cơ quá nóng, máy điều hòa hoạt
động khi xe dừng, tốc độ động cơ phải được tăng lên một cách tự động, gọi là điều
khiển tốc độ bù ga không tải.
www.oto-hui.com

