
KHOA CNTT TRƢỜNG CAO ĐẲNG NGHỀ CẦN THƠ
1
TUYÊN BỐ BẢN QUYỀN
Tài liệu này thuộc loại sách giáo trình nên các nguồn thông tin có thể được phép
dùng nguyên bản hoặc trích dùng cho các mục đích về đào tạo và tham khảo.
Mọi mục đích khác mang tính lệch lạc hoặc sử dụng với mục đích kinh doanh
thiếu lành mạnh sẽ bị nghiêm cấm.

KHOA CNTT TRƢỜNG CAO ĐẲNG NGHỀ CẦN THƠ
2
LỜI GIỚI THIỆU
Kỹ thuật sửa chữa màn hình là một trong nh ng mô đun c s c a nghề Kỹ
thuật sửa chữa, lắp ráp máy tính được biên soạn d a theo chư ng trình khung đ
x y d ng và ban hành n m 2017 c a trư ng Cao đ ng nghề Cần Th dành cho nghề
Kỹ thuật sửa ch a, lắp ráp máy tính trình độ Trung cấp.
Giáo trình được biên soạn làm tài liệu học tập, giảng dạy nên giáo trình đ được
x y d ng m c độ đ n giản và d hiểu, trong m i bài học đều có thí dụ và bài tập
tư ng ng để áp dụng và làm sáng t phần l thuyết.
Khi biên soạn, nhóm biên soạn đ d a trên kinh nghiệm th c tế giảng dạy, tham
khảo đồng nghiệp, tham khảo các giáo trình hiện có và cập nhật nh ng kiến th c mới
có liên quan để phù hợp với nội dung Bài trình đào tạo và phù hợp với mục tiêu đào
tạo, nội dung được biên soạn gắn với nhu cầu th c tế.
Nội dung giáo trình được biên soạn với lượng th i gian đào tạo 45 gi gồm có:
Bài m đầu: Tổng quan
Bài 1: Phần cung cấp nguồn
Bài 2: Phần quét dọc
Bài 3: Phần quét ngang
Bài 4: Phần đồng bộ
Bài 5: Phần khuếch đại Video
Bài 6: Ph n tích s đồ tổng quát các máy
Trong quá trình sử dụng giáo trình, tuỳ theo yêu cầu cũng như khoa học và
công nghệ phát triển có thể điều chỉnh th i gian và bổ sung nh ng kiên th c mới cho
phù hợp. Trong giáo trình, chúng tôi có đề ra nội dung th c tập c a từng bài để ngư i
học cũng cố và áp dụng kiến th c phù hợp với kỹ n ng.
Tuy nhiên, tùy theo điều kiện c s vật chất và trang thiết bị, các trư ng có thề
sử dụng cho phù hợp. Mặc dù đ cố gắng tổ ch c biên soạn để đáp ng được mục tiêu
đào tạo nhưng không tránh được nh ng khiếm khuyết. Rất mong nhận được đóng góp
kiến c a các thầy, cô giáo, bạn đọc để nhóm biên soạn sẽ hiệu chỉnh hoàn thiện h n.
Cần Th , ngày 12 tháng 04 n m 2018
Tham gia biên soạn
1. Chủ biên Đ Hữu Hậu
2. Nguyễn Thanh Nhàn

KHOA CNTT TRƢỜNG CAO ĐẲNG NGHỀ CẦN THƠ
3
MỤC LỤC
Trang
TUYÊN BỐ BẢN QUYỀN ............................................................................................ 1
LỜI GIỚI THIỆU ......................................................................................................... 2
BÀI 1: PHẦN CUNG CẤP NGUỒN ................................................................................ 5
1.Tổng quát ..................................................................................................................... 5
2.Nguồn AC .................................................................................................................. 10
3.Nguồn DC .................................................................................................................. 10
4.Mạch tạo xung ............................................................................................................ 10
5.Mạch ổn áp ................................................................................................................. 11
6.Mạch điều khiển ......................................................................................................... 11
7. Mạch công suất nguồn .............................................................................................. 12
BÀI 2: PHẦN QUÉT DỌC ............................................................................................. 20
1.Mạch dao động dọc .................................................................................................... 20
2.Mạch khuếch đại dọc (Buffer) ................................................................................... 20
3.Mạch khuếch đại công suất dọc ................................................................................. 20
4.Cuộn d y lái dọc (Vert. Yoke) ................................................................................... 22
BÀI 3: PHẦN QUÉT NGANG ....................................................................................... 25
1.Mạch dao động ngang ................................................................................................ 25
2.Mạch khuếch đại ngang (Buffer) ............................................................................... 25
3.Mạch khuếch đại công suất ngang ............................................................................. 26
4.Cuộn dây lái ngang (Hor. Yoke) ................................................................................ 26
BÀI 4: PHẦN ĐỒNG BỘ ............................................................................................... 39
1.Mạch tách xung đồng bộ ............................................................................................ 39
2. Mạch đồng bộ dọc ..................................................................................................... 40
3.Mạch đồng bộ ngang .................................................................................................. 41
BÀI 5: PHẦN KHUẾCH ĐẠI VIDEO ............................................................................ 43
1.Mạch khuếch đại Video ............................................................................................. 43
2.Mạch giải m .............................................................................................................. 45
3.Mạch khuếch đại công suất Video ............................................................................. 46
BÀI 6: PHÂN TÍCH SƠ ĐỒ TỔNG QUÁT CÁC MÁY .................................................. 50
1.Ph n tích phần nguồn ................................................................................................. 50
2.Phân tích phần quét dọc ............................................................................................. 52
3.Ph n tích phần quét ngang ......................................................................................... 53
4.Ph n tích mạch đồng bộ ............................................................................................. 56
5.Ph n tích mạch khuếch đại Video .............................................................................. 57
TÀI LIỆU THAM KHẢO ............................................................................................. 61

KHOA CNTT TRƢỜNG CAO ĐẲNG NGHỀ CẦN THƠ
4
MÔ ĐUN KỸ THUẬT SỬA CHỮA MÀN HÌNH
Tên mô đun KỸ THUẬT SỬA CHỮA MÀN HÌNH
Mã mô đun MĐ18
Vị trí, tính chất, ý nghĩa, vai trò của mô đun
Vị trí:
+Mô đun được bố trí sau các môn học c s ngành..
+Học song song các môn học/ mô đun đào tạo chuyên ngành
Tính chất:
+Là mô đun chuyên ngành.
+Là mô đun bắt buộc
Ý nghĩa và vai trò của mô đun:
+ Là mô đun quan trọng để học sinh, sinh viên sửa ch a màn hình trong nghề
Sửa ch a, lắp ráp máy tính.
Mục tiêu của môđun
+Ph n biệt được các loại màn hình
+Trình bày được các nguyên tắc hoạt động màn hình
+Sửa ch a được các hư h ng thư ng gặp c a màn hình
+Điều chỉnh màn hình làm việc chế độ tốt nhất
+Cẩn thận, bình tĩnh, th c hiện đúng thao tác khi tiếp xúc với điện thế cao
+Khéo léo, nhanh nhẹn khi thao tác trên linh kiện hiện đại, kích thước nh .
Nội dung chính của môđun
Số
TT
Tên các bài trong mô đun
Thời gian
Tổng
số
Lý
thuyết
Thực
hành
Kiểm tra*
1
Phần cung cấp nguồn
8
2
6
2
Phần quét dọc
8
2
5
1
3
Phần quét ngang
7
2
5
4
Phần đồng bộ
8
3
4
1
5
Phần khuếch đại Video
7
2
5
6
Ph n tích s đồ tổng quát các máy
7
3
4
Cộng
45
14
29
2

KHOA CNTT TRƢỜNG CAO ĐẲNG NGHỀ CẦN THƠ
5
BÀI 1: PHẦN CUNG CẤP NGUỒN
MÃ BÀI MĐ18-01
Mục tiêu
Ph n tích được s đồ mạch phần nguồn
Khắc phục các s cố hư h ng phần nguồn.
Tính cẩn thận, tỉ mỉ, đảm bảo an toàn tuyệt đối trong công việc.
Nội dung chính
1.Tổng quát
1.1.Tổng quát về khối nguồn Monitor CRT
Khối nguồn nuôi c a Monitor CRT hoạt động theo nguyên l nguồn xung hay
nguồn Switching.
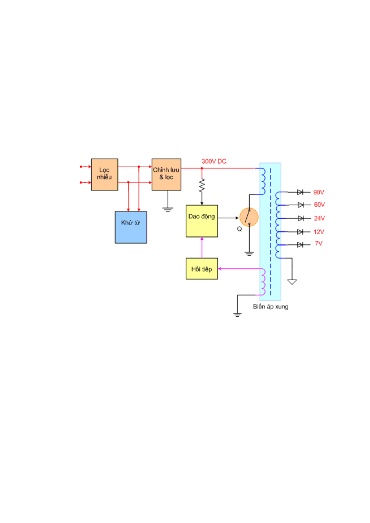
Sơ đồ khối tổng quát của bộ nguồn
Hình 1.1: Sơ đồ khối tổng quát của bộ nguồn
Nguồn Switching ( Nguồn ngắt mở )
Phần nguồn Switching thư ng sử dụng một trong hai kiểu sau :
-
Nguồn có hồi tiếp từ cao áp
Nguyên lý hoạt động:
+ Khi bật công tắc nguồn, trên tụ C1 có 300V DC điện áp này đi qua R1(mồi)
vào cấp nguồn cho ch n 7 IC dao động, IC hoạt động và tạo ra dao động ch n 6 đưa
sang ch n G điều khiển Mosfet Q1 đóng m => tạo thành dòng điện biến thiên chạy
qua cuộn 1-2 biến áp xung, dòng điện này tạo thành từ trư ng biến thiên cảm ng lên
cuộn hồi tiếp 3 - 4 và các cuộn th cấp .
+ Cầu ph n áp R8, VR1, R9 trích lấy một phần điện áp hồi tiếp làm áp lấy mẫu
đưa về ch n 2 để điều khiển điện áp ra .
+ Giả sử khi U vào t ng => U ra có xu hướng t ng => áp hồi tiếp cũng t ng =>
điện áp đưa về ch n 2 t ng => IC sẽ điều chỉnh cho biên độ dao động ra giảm => kết
quả là điện áp ra giảm về vị trí cũ

