
Chương XI
Thiết kế, lắp đặt, thử nghiêm và vận
hành hệ thống lạnh
11.1 Những vấn đề cần quan tâm khi
thiết kế hệ thống lạnh
11.1.1 Chọn phương pháp cấp dịch dàn lạnh
Lựa chọn phương pháp cấp dịch cho dàn lạnh có ý nghĩa rất quan
trọng đến hiệu quả làm việc, khả năng thu hồi dầu..
Có các phương pháp cấp dịch chủ yếu sau :
- Cấp dịch bằng tiết lưu trực tiếp
- Cấp dịch kiểu ngập dịch từ bình giữ mức
- Cấp dịch bằng bơm dịch
11.1.2.1 Phương pháp cấp dịch tiết lưu trực tiếp
Phương pháp cấp dịch tiết lưu trực tiếp là phương pháp cấp
dịch mà môi chất sau tiết lưu đi trực tiếp vào dàn lạnh không qua bất
cứ khâu trung gian nào (hình 11-1).
Môi chất lạnh sau tiết lưu đi trực tiếp vào dàn lạnh không qua
các khâu trung gian nên tổn thất nhiệt thấp. Đây là phương pháp đơn
giãn, không đòi hỏi phải có các thiết bị khác đi kèm, chi phí đầu tư
thấp.
Phương pháp tiết lưu trực tiếp có thể sử dụng van tiết lưu tay và
van tiết lưu tự động. Nhưng van tiết lưu tay chỉ nên sử dụng tiết lưu
trực tiếp cho các hệ thống có chế độ nhiệt ổn định lâu dài. Đối với các
hệ thống hoạt động không ổn định, phụ tải luôn biến động không
nên sử dụng van tiết lưu tay, vì có thể gây ngập dịch khi phụ tải giảm,
nhiệt độ buồng lạnh thấp.
385

Tuy nhiên, để điều chỉnh lưu lượng hợp lý theo phụ tải thực tế,
chỉ nên sử dụng van tiết lưu tự động và công suất của van phải tương
ứng với phụ tải của hệ thống. Trong trường hợp sử dụng van tiết lưu
tay hoặc sử dung van tiết lưu tự động nhưng có công suất lớn hơn sẽ
rất nguy hiểm khi phụ tải nhiệt bên ngoài thay đổi. Khi phụ tải nhiệt
giảm, rất dễ gây ra ngập lỏng.
1
2
3
4
1- Dàn lạnh; 2- Quạt dàn lạnh; 3- Cụm van tiết lưu; 4- Xả nước ngưng
Hình 11-1 : Phương pháp tiết lưu trực tiếp
Phương pháp tiết lưu trực tiếp thường được sử dụng cho các
dàn lạnh nhỏ, phụ tải nhiệt không lớn, ví dụ như hệ thống lạnh máy
điều hoà, kho lạnh thương nghiệp, kho bảo quản, kho chờ đông vv…
Đối với các hệ thống công suất lớn, phương pháp này tỏ ra hiệu quả
thấp, trong nhiều trường hợp dàn lạnh thiếu môi chất trầm trọng làm
cho thời gian làm lạnh tăng lên đáng kể, đặc biệt ở cuối dàn lạnh.
Mặt khác do môi chất ở trong dàn lạnh chủ yếu ở thể hơi nên
hiệu quả trao đổi nhiệt không cao, đối với hệ thống làm lạnh nhanh
người ta ít sử dụng kiểu cấp dịch này.
386

11.1.2.2 Phương pháp cấp dịch kiểu ngập lỏng từ bình giữ
mức
Phương pháp cấp dịch kiểu ngập lỏng từ bình giữ mức được sử
dụng cho các thiết bị bay hơi đòi hỏi lưu lượng môi chất và phụ tải
nhiệt lớn, thời gian làm lạnh tương đối nhanh (hình 11-2).
Thiết bị bay hơi trong hệ thống lạnh cấp dịch kiểu ngập lỏng
luôn luôn chứa ngập lỏng lỏng bão hoà. Dịch lỏng được cấp trực tiếp
từ bình giữ mức xuống nhờ cột áp thuỷ tĩnh. Để đảm bảo cung cấp
dịch lỏng đầy đủ cho dàn lạnh, mức dịch tối thiểu trong bình giữ mức
luôn được duy trì.
Do trong dàn lạnh luôn luôn ngập dịch lỏng nên hiệu quả trao
đổi nhiệt khá lớn so với hơi bão hoà khi tiết lưu trực tiếp, giảm đáng
kể thời gian làm lạnh.
Tuy nhiên, phương pháp này có một số nhược điểm :
- Phải trang bị thêm bình giữ mức và các thiết bị khác đi kèm
(van phao, van an toàn, đồng hồ áp suất, van chặn vv..) nên chi phí
đầu tư tăng lên đáng kể.
- Lượng môi chất sử dụng trong hệ thống tăng do trong quá
trình hoạt động một lượng lớn đã tích tụ tại bình giữ mức.
- Chuyển động của môi chất trong dàn bay hơi là chuyển động
đối lưu tự nhiên, nhờ cột áp thuỷ tĩnh nên tốc độ khá thấp. Tốc độ đó
phụ thuộc vào tốc độ hoá hơi của môi chất trong dàn lạnh. Nếu tốc độ
hoá hơi chậm thì kéo theo tốc độ luân chuyển chậm. Do tốc độ môi
chất bên trong dàn lạnh chậm nên hiệu quả trao đổi nhiệt cũng không
thực sự cao và thời gian làm lạnh vẫn còn dài. Đối với hệ thống đòi
hỏi thời gian làm lạnh ngắn như các hệ thống cấp đông nhanh phương
pháp này không đảm bảo yêu cầu kỹ thuật.
- Vòng tuần hoàn môi chất giữa dàn lạnh và bình giữa mức là
riêng biệt so với hệ thống, hầu như không chịu tác động của máy nén
mà chỉ phụ thuộc tốc độ hoá hơi ở dàn lạnh, nên rất khó can thiệp để
thay đổi tốc độ. Nếu tốc độ làm lạnh chậm thì vòng luân chuyển cũng
chậm theo.
387

1- Dàn lạnh, 2- Bình giữ mức
Hình 11-2 : Phương pháp tiết lưu ngập lỏng
Phương pháp cấp dịch kiểu ngập lỏng thường sử dụng cho các
hệ thống sau đây :
- Máy đá cây và máy đá vảy.
- Tủ cấp đông tiếp xúc (thời gian làm lạnh 4-5 giờ/mẻ)
- Thiết bị làm lạnh nước chế biến và điều hoà không khí trong
các nhà máy chế biến thực phẩm
- Một số thiết bị cấp đông I.Q.F
Mặc dù bên trong dàn lạnh là môi chất lỏng, nhưng do tốc độ
chuyển động chậm nên trong các hệ thống làm lạnh nhanh hoặc siêu
tốc phương pháp cấp dịch từ bình giữ mức không đảm bảo yêu cầu
nên người ta bắt buộc sử dụng phương pháp đối lưu cưỡng bức nhờ
bơm.
11.1.2.3 Phương pháp cấp dịch bằng bơm cấp dịch
Để tăng tốc độ chuyển động của dịch lỏng tuần hoàn trong dàn
lạnh, nâng cao hiệu quả giải nhiệt, giảm thời gian làm lạnh, người ta
sử dụng phương pháp cấp dịch bằng bơm. Phương pháp này được sử
dụng dụng trong các thiết bị cấp đông lạnh nhanh. Sở dĩ cấp dịch bằng
bơm thì hiệu quả trao đổi nhiệt rất cao và thời gian làm lạnh giảm là
vì 2 lý do sau :
- Môi chất trong dàn lạnh ở trạng thái lỏng có nhiệt rất thấp.
388

- Môi chất lỏng chuyển động cưỡng bức với tốc độ lớn.
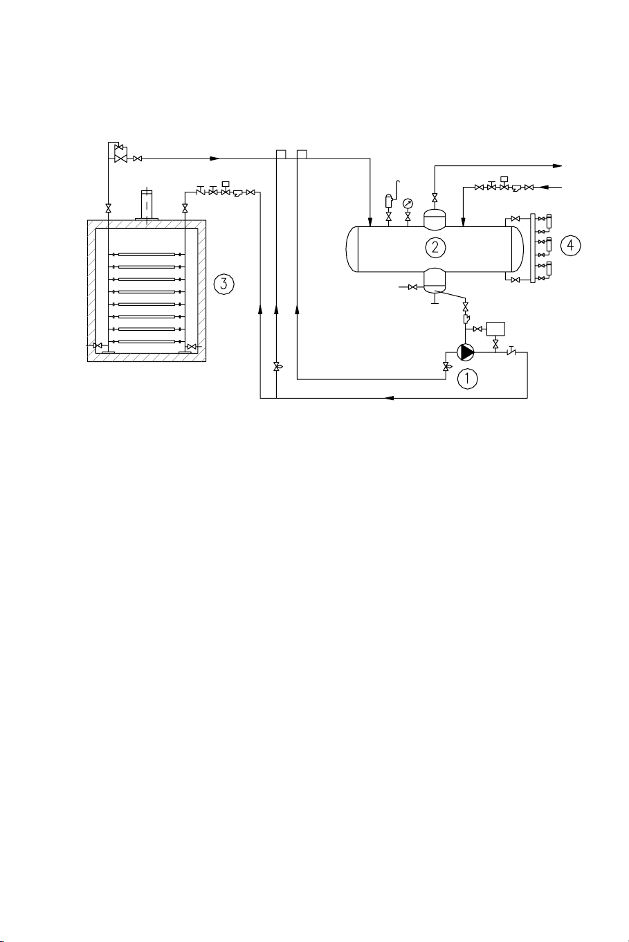
DP
vÒ m¸ y nÐn
Hình 11-3 : Phương pháp cấp dịch bằng bơm
Tuy nhiên sử dụng bơm cấp dịch cho dàn lạnh có nhược điểm
chỉ có một lượng lỏng khi qua dàn lạnh sẽ hoá hơi, một lượng lớn sau
dàn lạnh không kịp hoá hơi nên khả năng ngập lỏng rất lớn nếu hút
trực tiếp về máy nén ngay. Trong trường hợp này bắt buộc phải có
bình chứa hạ áp. Bình chứa hạ áp có chức năng vừa là nơi chứa lỏng
cho bơm cấp dịch hoạt động ổn định vừa là thiết bị để tách lỏng và
hơi sau dàn lạnh.
11.1.2 Lựa chọn thiết bị ngưng tụ
Để chọn thiết bị ngưng tụ phù hợp với từng hệ thống cụ thể,
chúng ta cần nắm rỏ các đặc điểm của từng loại thiết bị ngưng tụ.
Các hệ thống lạnh lớn thường sử dụng các thiết bị ngưng tụ sau
đây:
- Dàn ngưng không khí
- Bình ngưng ống chùm nằm ngang
- Dàn ngưng tụ bay hơi
- Dàn ngưng kiểu tưới
389

