
Computer Architecture
Chapter 6
Storage Systems
Prof. Jerry Breecher
CSCI 240
Fall 2003

Chap. 6 - Storage 2
Chapter Overview
6.1 Introduction
6.2 Types of Storage Devices
6.3 Busses - Connecting IO Devices to CPU/Memory.
Interrupts etc. How is data transferred.
6.5 Reliability, Availability and RAID

Chap. 6 - Storage 3
Introduction The Big Picture: Where are
We Now?
We will look at how devices (especially disks) are
put together.
We’ll look at how to connect IO devices to the
CPU.
And then we’ll look at RAID, the brainchild of
Patterson and his buddies.
6.1 Introduction
6.2 Types of Storage Devices
6.3 Busses - Connecting IO
Devices to CPU/Memory.
Interrupts etc. How is
data transferred.
6.5 Reliability, Availability
and RAID

Chap. 6 - Storage 4
The
Processor
Picture

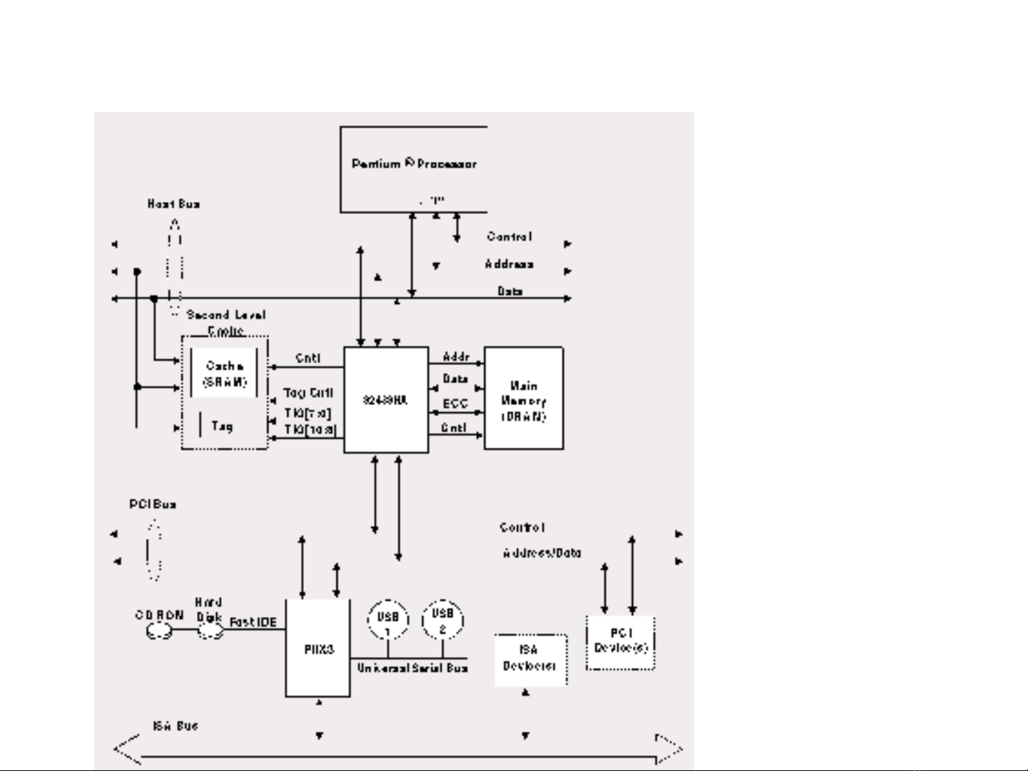
Chap. 6 - Storage 5
The Processor Picture
Processor/Memory
Bus
PCI Bus
I/O Busses

