Bài 8: Hệ thống bánh răng
CuuDuongThanCong.com https://fb.com/tailieudientucntt
Bài 9: Hệ thống Bánh răng 4
1. Đại cương
1.1. Định nghĩa phân loại
CuuDuongThanCong.com https://fb.com/tailieudientucntt
Bài 9: Hệ thống Bánh răng 5
1. Đại cương
1.1. Định nghĩa phân loại
Hệ bánh răng thường
CuuDuongThanCong.com https://fb.com/tailieudientucntt
Bài 9: Hệ thống Bánh răng 6
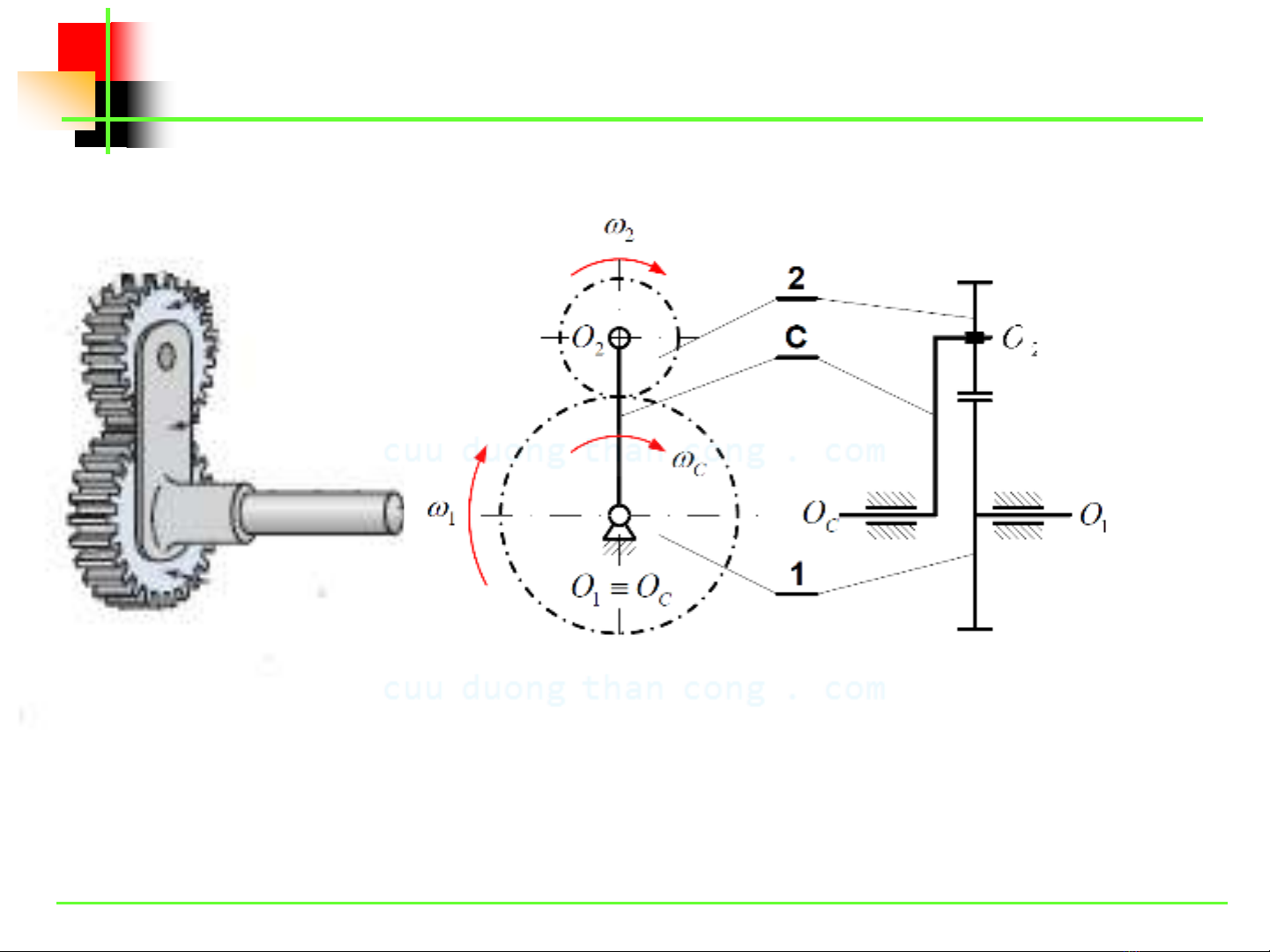
1. Đại cương
1.1. Định nghĩa phân loại
Hệ bánh răng vi sai một cấp
CuuDuongThanCong.com https://fb.com/tailieudientucntt
Bài 9: Hệ thống Bánh răng 7
1. Đại cương
1.1. Định nghĩa phân loại
Hệ bánh răng vi sai hai cấp
CuuDuongThanCong.com https://fb.com/tailieudientucntt