
Chương 4
Tính toán phân bố công suất trong mạng điện
Th.S Phạm Năng Văn
Bộ môn Hệ thống điện
Viện Điện – ĐH Bách Khoa Hà Nội
THIT K MNG LƯI ĐIN

Mc đích tính toán các CĐXL
Xác định các dòng công suất trong mạng điện
Xác định tổn thất công suất, tổn thất điện năng
Xác định điện áp tại các nút, từ đó điều chỉnh
điện áp cho phụ tải
Xác định công suất nguồn điện cần cung cấp
Xác định các chỉ tiêu kinh tế & kỹ thuật của mạng
điện thiết kế
CÁC KẾT QUẢ NÀY CHÍNH XÁC HƠN CHƯƠNG 2

Các ch đ cn tính toán
Chế độ max: phụ tải cực đại + đường dây 2
mạch + trạm 2 máy biến áp
Chế độ min: phụ tải cực tiểu + đường dây 2
mạch + trạm có thể vận hành 1 máy biến áp
Chế độ sau sự cố: phụ tải cực đại + ngừng 1
mạch đường dây + trạm 2 máy biến áp.
Tại sao chỉ tính 3 chế độ trên?

Sơ đ thay th c#a h$ th%ng đi$n
Chỉ lập sơ đồ thay thế của máy biến áp & đường
dây (bỏ qua các phần tử: máy cắt, dao cách ly,
thanh góp, …)

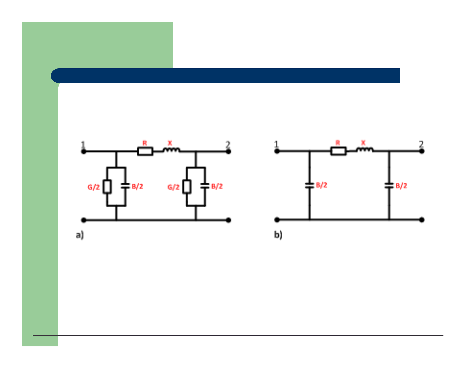
Sơ đ thay th c#a đư)ng dây
Hình PI chuẩn
Đường dây ngắn (L < 300 km): mô hình thông
số tập trung (hình PI chuẩn).

