
Chương 2: NGUYÊN TẮC TRANG BỊ ĐIỆN
1. xây dựng sơ đồ nguyên lý và sơ đồ lắp ráp (1 tiết)
2. Nguyên tắc điều khiển theo thời gian (2 tiết)
3. Nguyên tắc điều khiển theo dòng điện (2 tiết)
4. Nguyên tắc điều khiển theo tốc độ (1 tiết)
5. Nguyên tắc điều khiển theo hành trình (1 tiết)
6. Bài Tập Automation (1 tiết)
Tiết 1, 2
40

Chương 2: NGUYÊN TẮC TRANG BỊ ĐIỆN
2.1. Xây dựng sơ đồ nguyên lý và sơ đồ lắp ráp (1 tiết)
Tiết 5,6
41
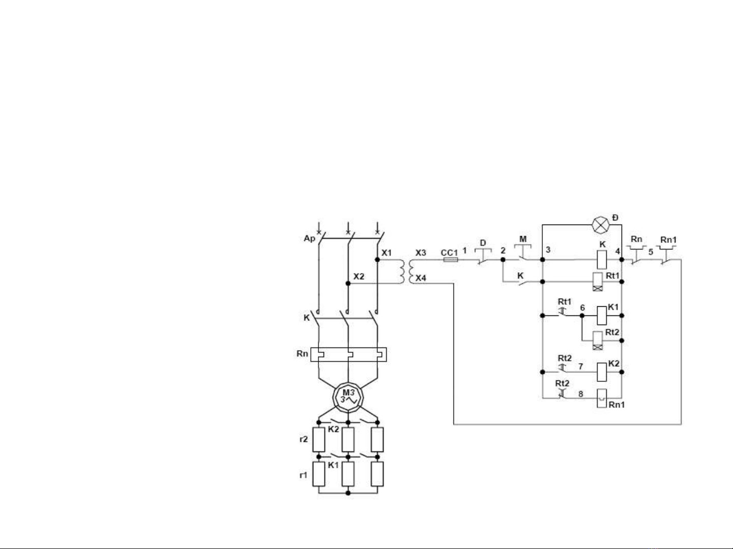
Thể hiện bằng nét vẽ:
Thể hiện bằng ký hiệu:
Nét vẽ mạch động
lực đậm, còn nét vẽ
mạch điều khiển
mảnh hơn
+Ví dụ: Rowle: R, Cầu dao: CD, Aptomat: AT, Cầu chì: CC,
Contactor thuận: T, Contactor ngược: N
+Số thứ tự mối nối hoặc nút: 1, 2, 3, ..

Chương 2: NGUYÊN TẮC TRANG BỊ ĐIỆN
2.1. Xây dựng sơ đồ nguyên lý và sơ đồ lắp ráp (1 tiết)
Tiết 5,6
42

Chương 2: NGUYÊN TẮC TRANG BỊ ĐIỆN
2.1. Xây dựng sơ đồ nguyên lý và sơ đồ lắp ráp (1 tiết)
Tiết 5,6
43

Chương 2: NGUYÊN TẮC TRANG BỊ ĐIỆN
2.1. Xây dựng sơ đồ nguyên lý và sơ đồ lắp ráp (1 tiết)
Tiết 5,6
44
-Phân chia khu vực lắp ráp, nhóm các thiết bị cùng một khu vực
(cùng một tủ điện)
-Lập bảng nối dây giữa các khu vực (nhóm thiết bị)
-Tạo lập sơ đồ nối dây
giữa các khu vực
-Nối dây từng khu vực
(nhóm thiết bị)

