
Lêi më ®Çu
----------
C©n träng lîng lµ mét nhu cÇu cÇn thiÕt vµ kh«ng thÓ thiÕu
trong ®êi sèng x· héi , tõ ngêi n«ng d©n lµm ra h¹t thãc cho ®Õn c¸c
khu chÕ xuÊt , c¸c nhµ m¸y xi m¨ng s¶n xuÊt ra hµng tr¨m tÊn s¶n
phÈm trong 1 ngµy... XuÊt ph¸t tõ nhu cÇu thùc tÕ vµ øng dông c«ng
nghÖ vi ®iÒu khiÓn c¸c nhµ khoa häc ®· nghiªn cøu ra c¸c lo¹i c©n
®iÖn tö hiÖn thÞ sè cã thÓ c©n ®îc träng lîng tõ mg cho ®Õn hµng
tr¨m tÊn mµ c¸c lo¹i c©n c¬ b×nh thêng kh«ng thÓ thùc hiÖn ®îc. Trªn
thùc tÕ c¸c nhµ m¸y s¶n xuÊt muèn biÕt khèi lîng hµng ho¸, s¶n phÈm
hay nguyªn vËt liÖu, vµ c¶ cho nh÷ng lÜnh vùc kh¸c nh bÕn c¶ng, tr¹m
c©n xe ph¸t hiÖn qu¸ t¶i cña c¶nh s¸t giao th«ng...®Òu ®îc sö dông
c©n ®iÖn tö .
Trong thêi ®¹i ngµy nay c¸c hÖ thèng ®iÒu khiÓn tù ®éng ngµy
cµng cã vai trß quan träng trong viÖc ph¸t triÓn, sù tiÕn bé cña kÜ
thuËt c«ng nghÖ vµ v¨n minh hiÖn ®¹i. XuÊt ph¸t tõ thùc tÕ ®ã em ®·
®îc ph©n c«ng thùc hiÖn ®Ò tµi “ C©n ®iÖn tö “. §©y lµ mét lo¹i ®Ò
tµi kh¸ míi mÎ ®èi víi chóng em nhng nhê sù gióp ®ì tËn t×nh cña c«
gi¸o nguyÔn thÞ hoµ cïng c¸c thÇy gi¸o trong khoa §iÖn- §iÖn tö ®·
gióp chóng em hoµn thµnh ®å ¸n ®óng víi thêi gian quy ®Þnh.
Nam §Þnh, ngµy 18 th¸ng 6 n¨m 2009
Em xin ch©n thµnh c¶m ¬n!

§å ¸n m«n häc: Vi xö lý GVHD: Th.s NguyÔn ThÞ Hßa
Sinh viªn: Hoµng ThÞ Thu Hµ Líp: §L - §§T2
2

§å ¸n m«n häc: Vi xö lý GVHD: Th.s NguyÔn ThÞ Hßa
PhÇn I: Giíi thiÖu tæng quan vÒ ®Ò tµi
I. Lý do chän ®Ò tµi:
Ngµy nay khoa häc CN ph¸t triÓn nhu cÇu cña con ngêi ngµy
cµng cao. ViÖc nghiªn cøu khoa häc ngµy cµng ®îc ®Çu t ®Ó ®¸p
øng nhu cÇu ®ã, c¸c ngµnh c«ng nghÖ kü thuËt ®iÖn tö ®· cã sù ph¸t
triÓn vît bËc ®a khoa hoc vµo kû nguyªn míi. Kü thuËt vi xö lý vi ®iÒu
khiÓn lµ mét øng dông lín cña khoa häc kü thuËt vµo cuéc sèng phôc
vô trùc tiÕp cho con ngêi.
VÝ dô: LËp tr×nh cho vi xö lý vi ®iÒu khiÓn ®iÒu khiÓn m¹ch ®Ìn
giao th«ng, hÖ thèng qu¶n lý m¹ng, c¸c thiÕt bÞ ®iÖn tö d©n dông…
ë nhãm ngµnh §iÖn tö d©n dông th× vi xö lý vi ®iÒu khiÓn ®·
th©m nhËp kh¸ nhiÒu vµo lÜnh vùc nµy. C©n ®iÖn tö lµ mét øng
dông ®iÓn h×nh cña vi xö lý vi ®iÒu khiÓn trong cuéc sèng cña con
ngêi: trong kinh doanh, trong ch¨m sãc søc khoÎ… Ban ®Çu c©n chØ
®¬n gi¶n lµ nh÷ng qu¶ c©n c¬ häc sau nµy khoa häc d· ph¸t triÓn c©n
kh«ng chØ dõng l¹i ë ®ã mµ nã ®· ®îc c¶i tiÕn thµnh nh÷ng chiÕc c©n
®a d¹ng cã thÓ c©n ®îc khèi lîng rÊt lín hay nh÷ng chiÕc c©n c©n ®îc
nh÷ng vËt rÊt nhá nh c©n vµng…víi ®é chÝnh x¸c cao. Víi mong
muèn gãp phÇn nhá vµo lÜnh vùc nµy em d· chän ®Ò tµi c©n ®iÖn tö
lµm ®Ò tµi nghiªn cøu ®å ¸n.
II. Môc ®Ých:
T×m hiÓu nguyªn lý lµm viÖc cña c©n ®iÖn tö.
øng dông viÕt ch¬ng tr×nh vµ giao tiÕp víi m¸y tÝnh thµnh th¹o.
III. §èi tîng nghiªn cøu:
IC chuyÓn ®æi tÝn hiÖu t¬ng tù – sè, bé khuÕch ®¹i thuËt to¸n OP,
Hä vi ®iÒu khiÓn 89C51, mét sè c¶m biÕn träng lîng Loadcell vµ c¸c
thiÕt bÞ hiÓn thÞ
Sinh viªn: Hoµng ThÞ Thu Hµ Líp: §L - §§T2
3

§å ¸n m«n häc: Vi xö lý GVHD: Th.s NguyÔn ThÞ Hßa
IV. Ph¹m vi nghiªn cøu:
HÖ thèng cÊu tróc cña vi ®iÒu khiÓn 89C51 vÇ tËp lÖnh cña nã, cÊu
t¹o vµ nguyªn lý ho¹t ®éng cña Load cell,
PhÇn II: Néi dung
Ch¬ng 1: C¬ së lý thuyÕt
Ban ®Çu c©n chØ lµ ®«i bµn tay cña con ngêi dùa vµo c¶m gi¸c
®Ó ph©n biÖt vËy nµy vµ vËt kia. Sau nµy c©n ph¸t triÓn lªn nhê
nguyªn t¾c th¨ng b»ng vËt, mét bªn ®Æt vËt lÊy lµm vËt chuÈn vµ
mét bªn ®Æt vËt cÇn c©n ®Ó so s¸nh lÊy ra khèi lîng vËt cÇn c©n.
Vµ khi khoa häc c«ng nghÖ ph¸t triÓn ®· ®i s©u vµo trong cuéc sèng
®em l¹i rÊt nhiÒu thµnh qu¶ lín trong viÖc ph¸t triÓn c©n mét dông cô
®o lêng bíc sang mét trang míi. C©n ®iÖn tö ra ®êi thay thÕ hoµn
toµn nh÷ng chiÕc c©n c¬ häc th« s¬ tríc kia víi tÝnh n¨ng sö dông
réng r·i trong cuéc sèng cña con ngêi, nã cã thÓ c©n ®îc nh÷ng vËt
hÕt søc nhá bÐ tíi tËn hµng mg, vµ còng cã thÓ c©n ®îc nh÷ng vËt cã
khèi lîng rÊt lín hµng tÊn, tr¨m tÊn mµ tríc kia kh«ng thÓ c©n ®o
chÝnh x¸c ®îc.
Träng lîng lµ ®¹i diÖn cho lùc hót cña tr¸i ®Êt víi c¬ thÓ con ngêi
vµ víi c¸c vËt tån t¹i xung quanh chóng ta. Träng lîng lµ c¬ së cho sù
ph¸t triÓn ngµnh ®o lêng cña thÕ giíi, theo hÖ SI ®¬n vÞ cña träng l-
îng hay khèi lîng lµ: Gam, Kg, pound, …
HiÖn nay c©n ®iÖn tö ®· ®îc sö dông réng r·i trong ®êi sèng nh-
ng Ýt ai biÕt ®îc r»ng c©n ®iÖn tö ho¹t ®éng dùa trªn nguyªn t¾c
nµo? Chñ yÕu c¸c lo¹i c©n hiÖn nay ®ang ®îc sö dông lµ dùa trªn søc
c¨ng cña lß xo khi ta ®Æt cËt cÇn c©n lªn bµn c©n th× lß xo sÏ bÞ nÐn
xuèng vµ lÊy ra sù thay ®æi chiÒu dµi hay søc c¨ng cña lß xo ®a vµo
bé khuÕch ®¹i tÝn hiÖu t¬ng tù vµ ®a ®Õn bé chuyÓn ®æi tÝn hiÖu
Sinh viªn: Hoµng ThÞ Thu Hµ Líp: §L - §§T2
4

§å ¸n m«n häc: Vi xö lý GVHD: Th.s NguyÔn ThÞ Hßa
®Ó ghÐp vãi khèi vi ®iÒu khiÓn trung t©m ®Ó xö lý lÊy ra kÕt qu¶
cuèi cïng.
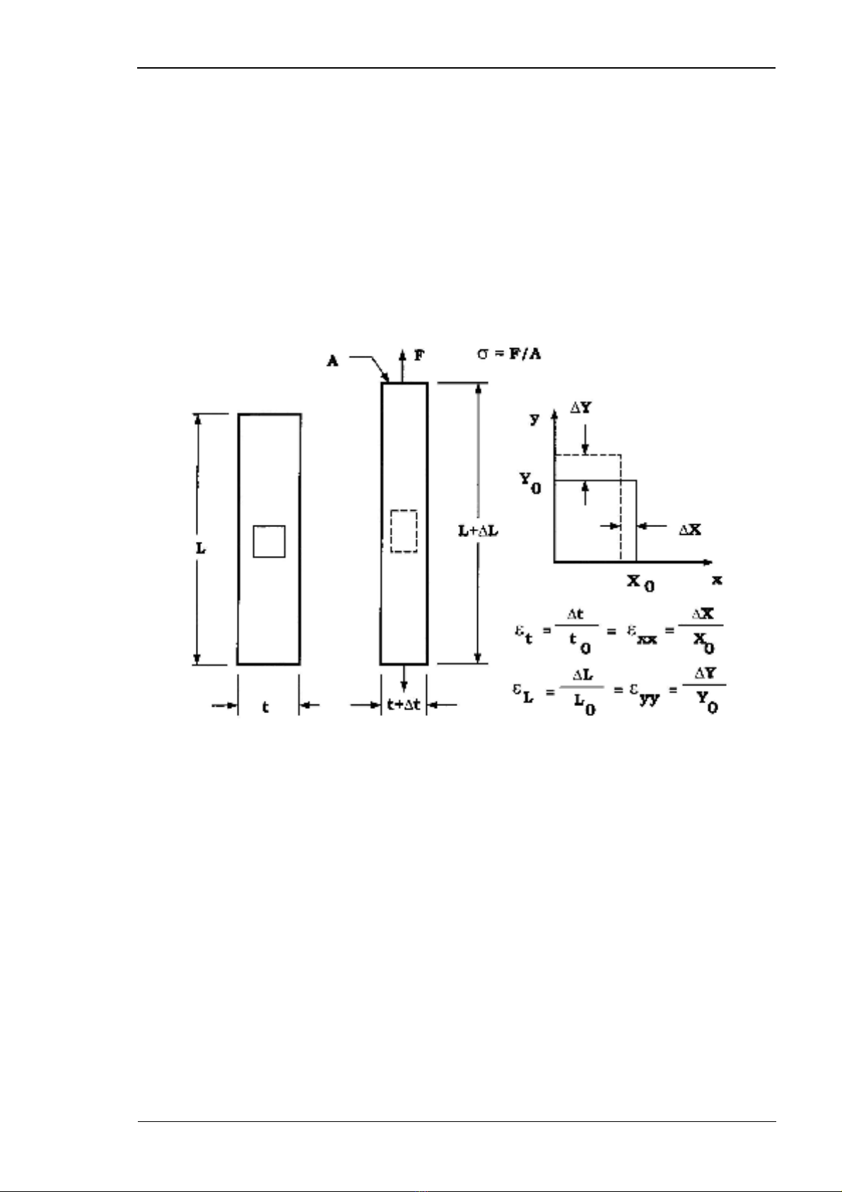
VËy søc c¨ng lµ g×? TÝnh nh thÕ nµo?
Söùc caêng ε ñöôïc xaùc ñònh baèng söï thay ñoåi
chieàu daøi ∆L cuûa thanh ñaøn hoài L so vôùi moät ñôn vò
chieàu daøi :
ε = ∆L / L.
Do taùc ñoäng cuûa löïc vaøo thanh L, laøm xuaát hieän
söùc caêng, töông öùng cuõng laøm thay ñoåi giaù trò ñieän
trôû ñieän cuûa thanh. Caûm bieán söùc caêng hoaït ñoäng
döïa treân nguyeân taéc naøy, cho pheùp bieán ñoåi giaù trò
ε nhoû thaønh söï thay ñoåi töông öùng giaù trò ñieän trôû
ñieän cuûa thanh.
§Ó nhËn biÕt ®îc sù thay ®æi rÊt nhá nµy cña lß xo ngêi ta sö
dông c¶m biÕn søc c¨ng. Th«ng thêng cã 2 lo¹i c¶m biÕn vÒ søc c¨ng
®ã lµ:
Sinh viªn: Hoµng ThÞ Thu Hµ Líp: §L - §§T2
5

