
Đề thi kỹ thuật điện – điện tử. Học kỳ 2, 2018 - 2019 Trang 1/4 - Mã đề thi 1C
TRƯỜNG ĐH SƯ PHẠM KỸ THUẬT TP.HCM
KHOA CƠ KHÍ CHẾ TẠO MÁY
ĐỀ THI CUỐI KỲ
HỌC KỲ 2 NĂM HỌC 2018-2019
Môn: Kỹ Thuật điện - điện tử
Mã môn học: EEEN230129
Thời gian: 75 phút.
Được phép sử dụng một (01) tờ A4 tài liệu.
Cán bộ coi thi không giải thích gì thêm !
Làm trực tiếp trên đề thi, nộp lại đề.
Chữ ký giám thị 1
Chữ ký giám thị 2
CB chấm thi thứ nhất
CB chấm thi thứ hai
Số câu đúng:
Số câu đúng:
Điểm và chữ ký
Điểm và chữ ký
Họ và tên: ..................................................................
Mã số SV: .................................................................
Số TT: ....................... Phòng thi: ...............................
Hướng dẫn điền trắc nghiệm: Chọn A ; Bỏ chọn B (khoanh tròn) ; Chọn lại C (tô đen)
Đề thi có 10 câu. Mỗi câu trả lời đúng được 01 điểm. Chỉ chọn một đáp án đúng nhất.
Câu
1
2
3
4
5
6
7
8
9
10
Trả lời
A
A
A
A
A
A
A
A
A
A
B
B
B
B
B
B
B
B
B
B
C
C
C
C
C
C
C
C
C
C
D
D
D
D
D
D
D
D
D
D
E
E
E
E
E
E
E
E
E
E
F
F
F
F
F
F
F
F
F
F
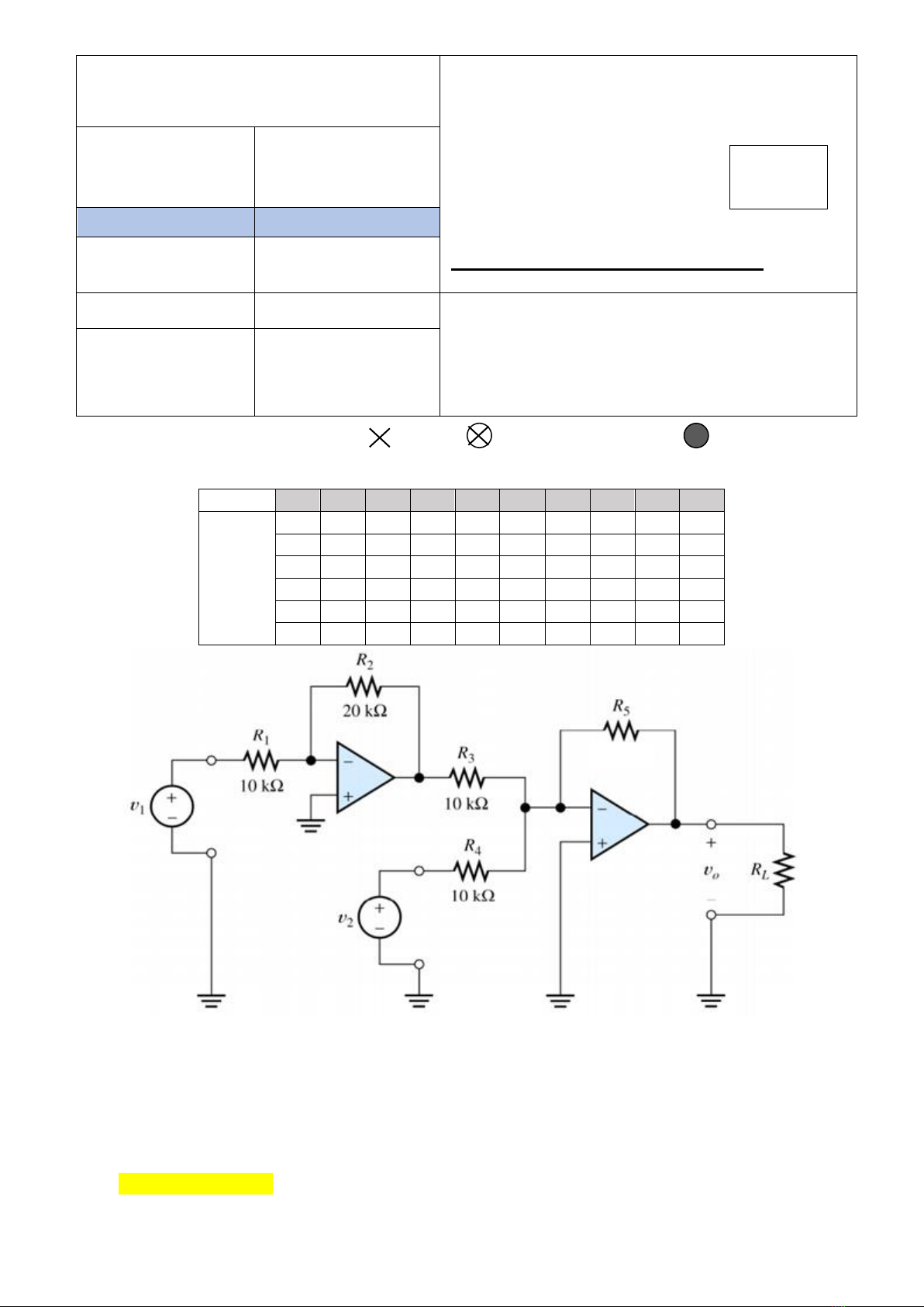
Hình 1: Mạch điện OPAMP
Câu 1: Cho mạch điện OPAMP như hình 1. Biết R5 = 45 kΩ. Tìm biểu thức quan hệ giữa Vo, V1
và V2 ?
A. Vo = 4.5xV2 - 9xV1
B. Vo = 9xV1 - 4.5xV2
D. Vo = 4.5xV1 - 9xV2
E. Vo = 0.9xV1 - 0.45xV2
Mã đề:
1C

Đề thi kỹ thuật điện – điện tử. Học kỳ 2, 2018 - 2019 Trang 2/4 - Mã đề thi 1C
C. Vo = 22.5xV1 - 45xV2
F. Một đáp án khác
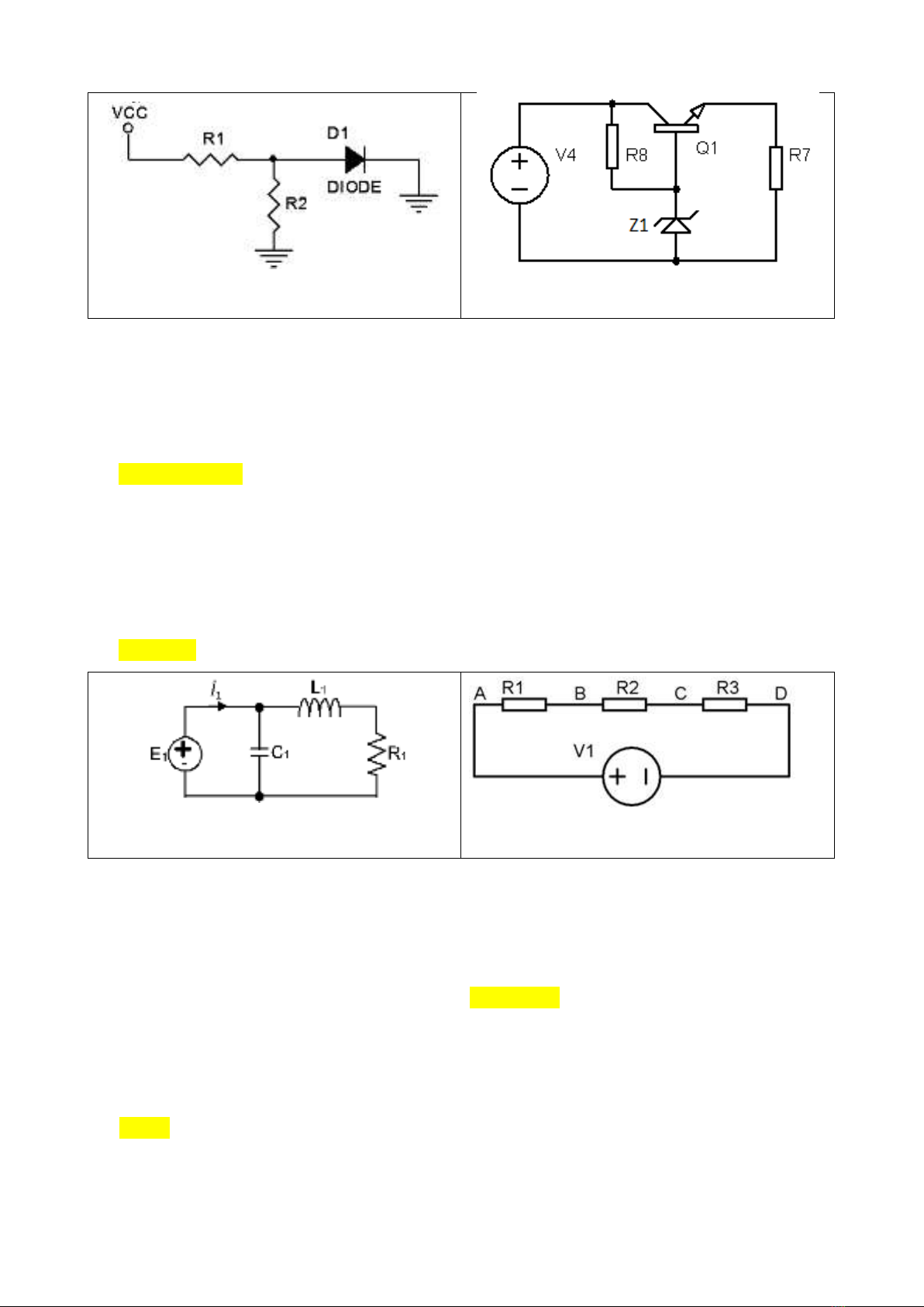
Hình 2
Hình 3
Câu 2: Cho mạch điện hình 2. Biết VCC = 21 V; R1 = 338 Ω; R2 = 117 Ω. Điện áp phân cực thuận
của Diode là 1V. Tính công suất của Diode?
A. 62.12 mW
B. 170.94 mW
C. Một đáp án khác
D. 43.96 mW
E. 59.16 mW
F. 75.08 mW
Câu 3: Cho mạch điện hình 3. Biết R7=134Ω; R8=330Ω; V4=15.9 [V]; Điện áp Zener VZ = 5.1V;
Q1 có VCE(bão hòa) = 0.5V; VBE= 0.7V; hệ số khuếch đại (β) hFE = 150; Tính công suất qua R7?
A. 986.9 mW
B. 870.4 mW
C. 144.5 mW
D. 761.3 mW
E. 251.0 mW
F. Một đáp án khác.
Hình 4
Hình 5
Câu 4: Cho mạch điện như hình 4. Biết E1 là nguồn điện xoay chiều hình sin có giá trị hiệu dụng
179 V, tần số 50Hz. Các giá trị C1 = 3.2 mF; L1 = 27.8 mH; R1 = 11.0 Ω. Tính dòng điện hiệu
dụng phát ra từ nguồn E1?
A. 188.14 A
B. 121.86 A
C. 179.93 A
D. 243.65 A
E. 172.32 A
F. 240.08 A
Câu 5: Cho mạch điện như hình 5. Biết V1 = 37V ; R1 = 267.7Ω; R2 = 85Ω; R3 = 196Ω; Chọn
điểm GND của mạch đặt tại C. Tính điện thế tại điểm B (volt)?
A. 5.73 V
B. 23.78 V
C. -5.73 V
D. -23.78 V
E. -13.22 V
F. 13.22 V

Đề thi kỹ thuật điện – điện tử. Học kỳ 2, 2018 - 2019 Trang 3/4 - Mã đề thi 1C
Câu 6: Cho mạch điện như hình 5. Biết V1=18.2V; R2= 283Ω; R3= 77Ω; Chọn điểm gốc GND
của mạch tại B. Tính giá trị điện trở R1(Ω) để điện áp tại C là -7.4 V
A. 235.22 (Ω)
B. 504.04 (Ω)
C. 436.84 (Ω)
D. Một đáp án khác
E. 739.26 (Ω)
F. 336.03 (Ω)
Hình 6
Hình 7
Câu 7: Cho mạch điện như hình 6. Biết VCC = 30 V; VBB = 14.6 V; R1 = 9.3 kΩ; R2 = 3.5kΩ;
R3 = 193.5 kΩ; RC = 5kΩ. BJT có thông số: VCE(sat) = 0.4 V; VBE = 1V; HFE = 50.
Tính dòng điện qua RC (mA)?
A. 2.45 (mA)
B. 3.68 (mA)
C. 31.86 (mA)
D. 18.50 (mA)
E. Một đáp án khác
F. 1.27 (mA)
Câu 8: Cho mạch điện như hình 7. Biết VCC = 64 V; VBB = 4 V; RB = 69.1 kΩ; RC = 5.5 kΩ.
BJT có thông số: VCE(sat) = 0.2 V; VBE = 1V; HFE = 120. Tính công suất qua transistor?
A. 184.19 mW
B. 196.49 mW
C. 221.03 mW
D. 9.22 mW
E. 2.09 mW
F. 460.47 mW
Hình 8
Hình 9

Đề thi kỹ thuật điện – điện tử. Học kỳ 2, 2018 - 2019 Trang 4/4 - Mã đề thi 1C
Câu 9: Cho mạch điện hình 8. Biết: Nguồn pha Van = 203.sin100π.t [V].
Đường dây có điện trở Zd = 1Ω. Tải Zt ở các pha là điện trở 3Ω nối tiếp cuộn dây 30mH.
Tính dòng điện hiệu dụng qua tải 1 pha (IAB).
A. 31.5 A
B. 22.3 A
C. 14.8 A
D. 16.0 A
E. 77.1 A
F. Một đáp án khác
Câu 10: Mạch điện gồm 2 viên pin BATA và BATB lắp song song và nối với tải R1 như hình 9.
Biết: pin BATA có suất điện động 12.9 V, nội trở 9.3 Ω. Pin BATB có suất điện động 31.4 V, nội
trở 15.4 Ω. Tải R1 có điện trở 95.1 Ω. Tính công suất qua tải R1 (W) ?.
A. 9.33 (W)
B. 5.58 (W)
C. 3.69 (W)
D. 1.81 (W)
E. 16.26 (W)
F. Một đáp án khác
----------- HẾT ---------- Ngày tháng năm 2019
Cán bộ coi thi không giải thích gì thêm !
Làm trực tiếp trên đề thi, nộp lại đề.
Thông qua Bộ Môn
Chuẩn đầu ra của học phần (về kiến thức)
Nội dung kiểm tra
G1. Kiến thức cơ bản về mạch điện một chiều và xoay
chiều.
Câu 3, 4, 5, 8, 9
G2. Kỹ năng phân tích các thông số hoạt động của mạch
điện một chiều, xoay chiều một pha và ba pha.
Câu 3, 4, 5, 8, 9
G3. Kiến thức cơ bản về linh kiện điện tử cơ bản: Nguyên
lý hoạt động của linh kiện điện tử cơ bản như Diode,
transistor BJT, transistor MOSFET, thyristor SCR, TRIAC
và Opamp.
Câu 1, 2, 6, 7, 10

