
SỞ LĐTB&XH TỈNH HÀ GIANG
TRƯỜNG TCDTNT-GDTX BẮC QUANG ĐỀ THI KẾT THÚC MÔ ĐUN
Nghề: Điện công nghiệp
Lớp: ĐCN_KVIII-03
Hình thức: Thực hành
Mô đun: Lắp mạch điện tử cơ bản
Thời gian làm bài: 120 phút
ĐỀ SỐ 02
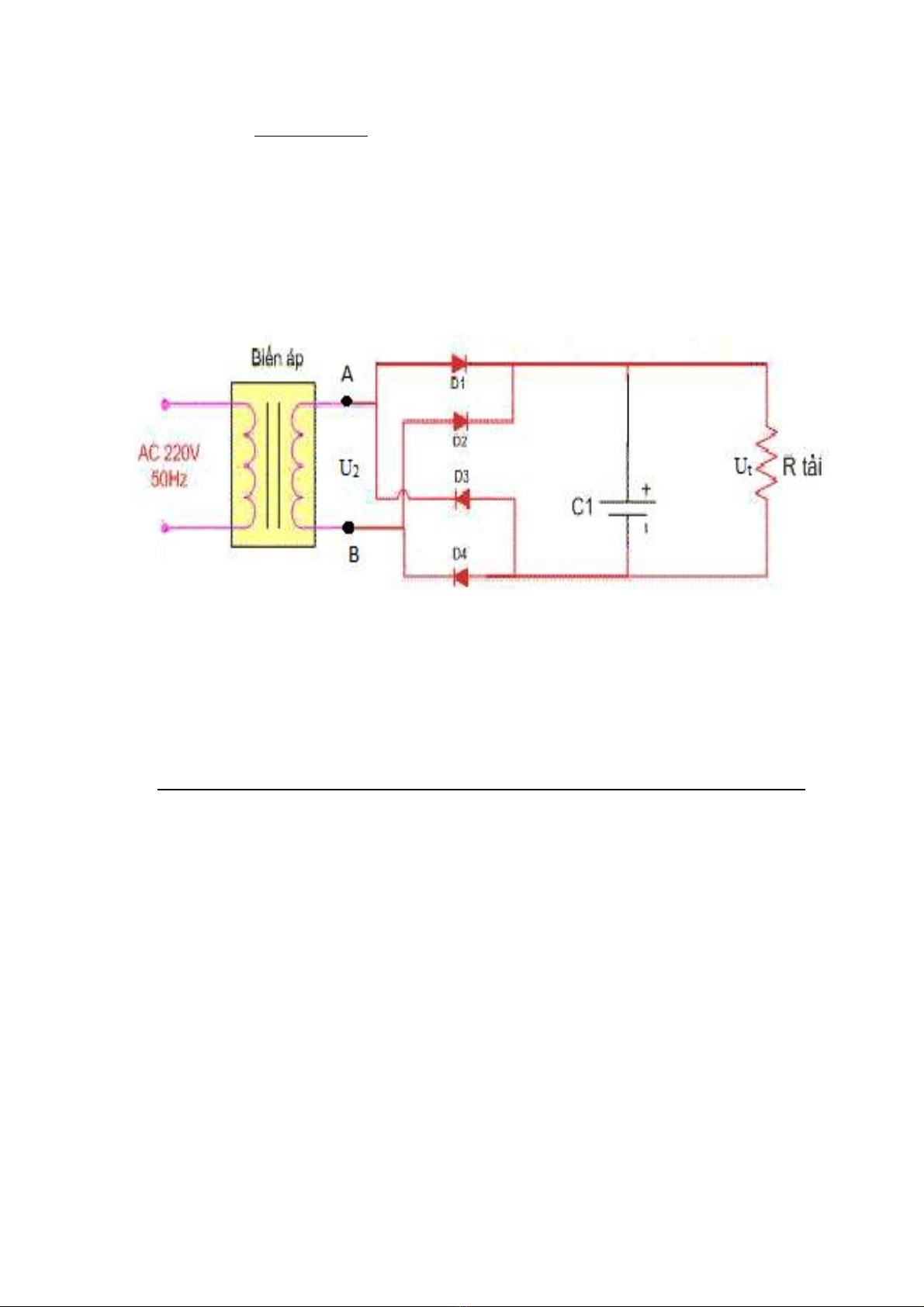
Anh (chị) hãy lắp ráp, kiểm tra hoạt động của mạch chỉnh lưu cầu có lọc? Đo và
vẽ dạng sóng điện áp U2, Ut?
Ghi chú:
Thí sinh không được sử dụng tài liệu khi làm bài.
Giám thị không giải thích gì thêm.
Hết
Ngày 20 tháng 10 Năm 2019
KHOA ĐIỆN – ĐIỆN TỬ
Nguyễn Thị Phương Nga
GIÁO VIÊN BÔ0 MÔN
Nguyễn Thanh Liễu

SỞ LĐTB&XH TỈNH HÀ GIANG
TRƯỜNG TCDTNT-GDTX BẮC QUANG ĐÁP ÁN THI KẾT THÚC MÔ ĐUN
Nghề: Điện công nghiệp
Lớp: ĐCN_KVIII-03
Hình thức: Thực hành
Mô đun: Lắp mạch điện tử cơ bản
ĐÁP ÁN SỐ: 02
TT NỘI DUNG ĐIỂM
CHUẨN
I Chất lượng sản phẩm: 7,0 điểm
1 Lắp ráp đúng theo sơ đồ 4 điểm
2 Mạch hoạt động đúng theo yêu cầu 1 điểm
3 Mạch hoạt động ổn định, chắc chắn 1 điểm
4 Đo và vẽ dạng sóng U2, Ut1 điểm
II Thao tác kỹ thuật: 1,0 điểm
1 Thao tác đúng trình tự 0,5 điểm
2 Thao tác chính xác, dứt khoát 0,5 điểm
III Năng suất (thời gian): 1,0 điểm
1 Hoàn thành đúng thời gian quy định 1 điểm
2 Hoàn thành chậm ≤ 10 phút 0,5 điểm
3 Hoàn thành chậm > 10 phút 0 điểm
IV An toa+n: 1,0 điểm
1 Mạch hoạt động đảm bảo an toàn, không xảy ra sự cố 0,5 điểm
2 Thao tác đúng, đảm bảo an toàn 0,5 điểm
Điểm tổng cộng: 10 điểm
Ngày 20 tháng 10 Năm 2019
KHOA ĐIỆN – ĐIỆN TỬ
Nguyễn Thị Phương Nga
GIÁO VIÊN BÔ0 MÔN
Nguyễn Thanh Liễu
SỞ LĐTB&XH TỈNH HÀ GIANG PHIẾU CHẤM BÀI THỰC HÀNH

TRƯỜNG TCDTNT-GDTX BẮC QUANG Nghề: Điện công nghiệp
Lớp: ĐCN_KVIII-03
Mô đun: Lắp mạch điện tử cơ bản
Họ Và Tên:……………………..…..SBD:…….
PHIẾU CHẤM ĐỀ SỐ: 02
TT NỘI DUNG
MỨC
ĐIỂM TỐI
ĐA
MỨC
ĐIỂM
CHẤM
I Chất lượng sản phẩm: 7,0 điểm
1 Lắp ráp đúng theo sơ đồ 4 điểm
2 Mạch hoạt động đúng theo yêu cầu 1 điểm
3 Mạch hoạt động ổn định, chắc chắn 1 điểm
4 Đo và vẽ dạng sóng U2, Ut1 điểm
II Thao tác kỹ thuật: 1,0 điểm
1 Thao tác đúng trình tự 0,5 điểm
2 Thao tác chính xác, dứt khoát 0,5 điểm
III Năng suất (thời gian): 1,0 điểm
1 Hoàn thành đúng thời gian quy định 1 điểm
2 Hoàn thành chậm ≤ 10 phút 0,5 điểm
3 Hoàn thành chậm > 10 phút 0 điểm
IV An toa+n: 1,0 điểm
1Mạch hoạt động đảm bảo an toàn, không xảy ra
sự cố 0,5 điểm
2 Thao tác đúng, đảm bảo an toàn 0,5 điểm
Điểm tổng cộng: 10 điểm
Ngày…….tháng…..năm 2019
TỔNG SỐ ĐIỂM THỰC HIỆN: GIÁO VIÊN CHÂCM 1
Nguyễn Thanh Liễu
GIÁO VIÊN CHÂCM 2

