
ĐỀ SỐ: 02
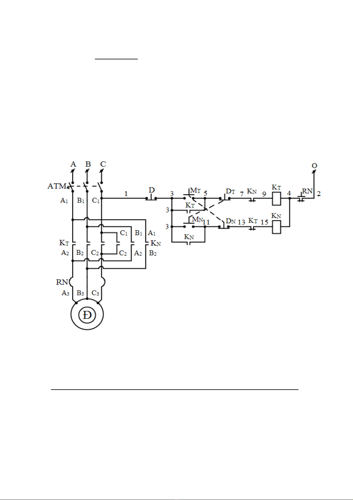
Anh (chị) hãy đấu nối, vận hành và kiểm tra hoạt động của mạch mở máy trực
tiếp động cơ có đảo chiều quay dùng nút bấm kép
Ghi chú:
Thí sinh không được sử dụng tài liệu khi làm bài.
Giám thị không giải thích gì thêm.
Hết
Ngày 15 tháng 10 năm 2019
KHOA ĐIỆN – ĐIỆN TỬ GIÁO VIÊN BÔ MÔN
Nguyễn Thị Phương Nga Nguyễn Hồng Nghĩa
SỞ LĐTB&XH TỈNH HÀ GIANG
TRƯỜNG TRUNG CẤP DTNT-GDTX
BẮC QUANG
ĐỀ THI KẾT THÚC MÔN
Nghề: Điện công nghiệp
Lớp: ĐCN_KVII-01
Hình thức: Thực hành
Môn: Lắp mạch trang bị điện
Thời gian làm bài: 180 phút

SỞ LĐTB&XH TỈNH HÀ GIANG ĐÁP ÁN THI KẾT THÚC MÔN
TRƯỜNG TRUNG CẤP DTNT-GDTX
BẮC QUANG Nghề: Điện công nghiệp
Lớp: ĐCN_KVII-01
Môn: Lắp mạch trang bị điện
Hình thức: Thực hành
TT NỘI DUNG ĐIỂM
CHUẨN
I Chất lượng sản phẩm: 7,0 điểm
1 Lắp ráp đúng theo sơ đồ 4 điểm
2 Ký hiệu đúng, đầy đủ các đầu dây 0,5 điểm
3 Mạch hoạt động đúng theo yêu cầu 2 điểm
4 Mạch hoạt động ổn định, chắc chắn 0,5 điểm
II Thao tác kỹ thuật: 1,0 điểm
1 Thao tác đúng trình tự 0,5 điểm
2 Thao tác chính xác, dứt khoát 0,5 điểm
III Năng suất (thời gian): 1,0 điểm
1 Hoàn thành đúng thời gian quy định 1 điểm
2 Hoàn thành chậm ≤ 10 phút 0,5 điểm
3 Hoàn thành chậm > 10 phút 0 điểm
IV An toa.n: 1,0 điểm
1 Mạch hoạt động đảm bảo an toàn, không xảy ra sự cố 0,5 điểm
2 Thao tác đúng, đảm bảo an toàn 0,5 điểm
Điểm tổng cộng: 10 điểm
Ngày 15 tháng 10 năm 2019
KHOA ĐIỆN – ĐIỆN TỬ GIÁO VIÊN BÔ MÔN
Nguyễn Thị Phương Nga Nguyễn Hồng Nghĩa

SỞ LĐTB&XH TỈNH HÀ GIANG PHIẾU CHẤM BÀI THỰC HÀNH
TRƯỜNG TRUNG CẤP DTNT-GDTX
BẮC QUANG Nghề: Điện công nghiệp Lớp: ĐCN_KVII-01
Môn: Lắp mạch trang bị điện
Hoe vaf tên HS:………………………………...SBD……
TT NỘI DUNG MỨC ĐIỂM
TỐI ĐA
MỨC ĐIỂM
CHẤM
IChất lượng sản phẩm: 7,0 điểm
1Lắp ráp đúng theo sơ đồ 4 điểm
2Ký hiệu đúng, đầy đủ các đầu dây 0,5 điểm
3Mạch hoạt động đúng theo yêu cầu 2 điểm
4Mạch hoạt động ổn định, chắc chắn 0,5 điểm
II Thao tác kỹ thuật: 1,0 điểm
1Thao tác đúng trình tự 0,5 điểm
2Thao tác chính xác, dứt khoát 0,5 điểm
III Năng suất (thời gian): 1,0 điểm
1Hoàn thành đúng thời gian quy định 1 điểm
2Hoàn thành chậm ≤ 10 phút 0,5 điểm
3Hoàn thành chậm > 10 phút 0 điểm
IV An toa.n: 1,0 điểm
1Mạch hoạt động đảm bảo an toàn, không xảy ra
sự cố 0,5 điểm
2Thao tác đúng, đảm bảo an toàn 0,5 điểm
Điểm tổng cộng: 10 điểm
Ngày…….tháng 10 năm 2019
TỔNG SỐ ĐIỂM THỰC HIỆN: GIÁO VIÊN CHÂDM 1 GIÁO VIÊN CHÂDM 2
Nguyễn Hồng Nghĩa

