
CỘNG HÒA XÃ HỘI CHỦ NGHĨA VIỆT NAM
Độc lập – Tự do – Hạnh phúc
ĐỀ THI TỐT NGHIỆP CAO ĐẲNG NGHỀ KHOÁ 3 (2009 - 2012)
NGHỀ: KỸ THUẬT MÁY LẠNH & ĐIỀU HÒA KHÔNG KHÍ
MÔN THI: THỰC HÀNH
Mã đề thi: KTML – ĐHKK - TH 48
DANH SÁCH CHUYÊN GIA NGHỀ KỸ THUẬT MÁY LẠNH VÀ ĐIỀU
HÒA KHÔNG KHÍ
TT
HỌ VÀ TÊN GHI CHÚ ĐỊA CHỈ LIÊN LẠC KÝ
TÊN
1 Trần Phạm
Tuất Chuyên gia
trưởng Trường CĐN TS Miền
Bắc
2 Lê Quang Liệu Chuyên gia Trường CĐN TS Miền Bắc
3 Đậu Thanh Hưng
Chuyên gia Trường CĐN Việt Hàn
4 Phạm Vũ Công Chuyên gia Trường CĐN Đồng Nai
5 Lê Tuấn Đạt Chuyên gia Trường CĐN Xây dựng
6 Phí Ngọc Liễn Chuyên gia Công ty CBTS Hải Phòng
NGHỀ KỸ THUẬT MÁY LẠNH VÀ ĐIỀU HÒA KHÔNG KHÍ
Nội dung đề thi
Điểm đạt
Phần A: LẮP ĐẶT TỔ HỢP ĐƯỜNG ỐNG ĐỒNG 35
Phần B: LẮP HOÀN CHỈNH MẠCH ĐIỆN TỦ LẠNH TRỰC
TIẾP
35
Phần C (30 điểm – phần tự chọn do các trường ra đề).
30
Tổng cộng 100
Ghi chú:

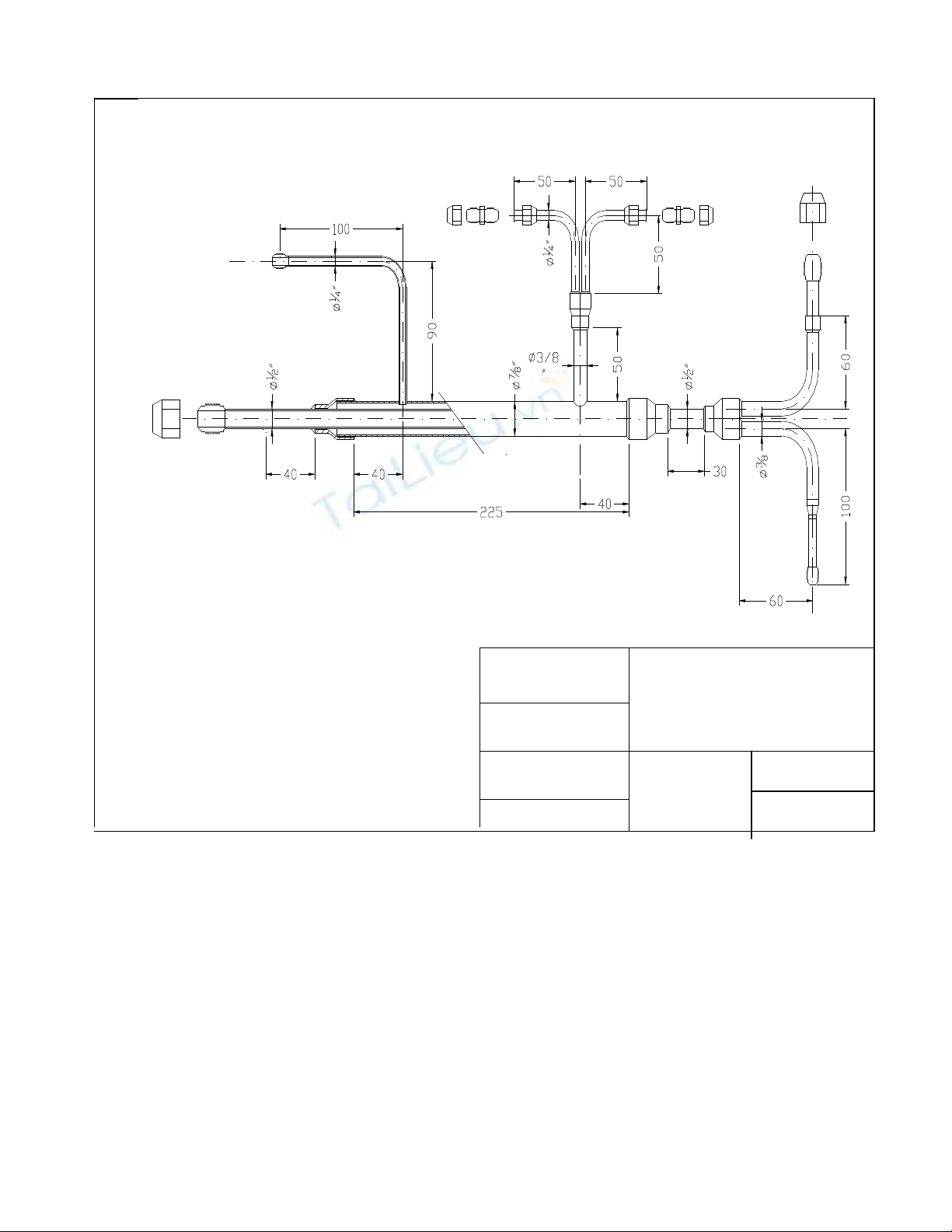
Phần A (180 phút) LẮP ĐẶT TỔ HỢP ĐƯỜNG ỐNG ĐỒNG
A. MÔ TẢ KỸ THUẬT ĐỀ THI
1. Mô tả nội dung đề thi:
1. Đọc bản vẽ mạch điện
2. Cắt ống kích thước theo hình vẽ
3. Gia công các đoạn ống theo bản vẽ
4. Lắp đặt theo bản vẽ
5. Sử dụng Nitơ nâng áp suất trong tổ hợp lên áp suất thử: 1500 kPa
6. Kiểm tra rò rỉ
2. Yêu cầu kỹ thuật
- Kích thước đúng theo bản vẽ
- Ống không bẹp, méo
- Mối hàn mỹ thuật Bám đều, không cháy
- Mối hàn mỹ thuật không rò Nitơ khi thử nước
- Sử dụng đúng cách trang bị bảo hộ, thao tác an toàn và đảm bảo thời gian
3. Quy trình thực hiện bài thi:
a. Đọc bản vẽ và thực hiện công việc gia công
b. Lắp đặt tổ hợp đường ống
B. CÁC BẢN VẼ KỸ THUẬT

NGHỀ ML-ĐHKK
Người vẽ:
Ngư
ờ
i
ki
ể
m tr
a
:
Ngày…tháng….
năm 2011
ĐỀ THI TỐT NGHIỆP
HỆ CAO ĐẲNG NGHỀ
Bản vẽ tổ hợp
đường ống Bản vẽ số 01

C. DANH MỤC VẬT TƯ, THIẾT BỊ
TT Số lượng Danh mục Mô tả Ghi chú
1 400mm Ống đồng 7/8’’
2 500mm Ống đồng 1/2'’
3 600mm Ống đồng 3/8’’
4
50
0mm
Ố
ng đ
ồ
ng 1/4’’
5 1 bộ Răcco 1/2’’ bịt kín
6 1 bộ Răcco 3/8’’ bịt kín
7 2 bộ Răcco 1/4’’ bịt kín
8 3 cái Đầu thu 7/8’’-1/2’’
9 1 cái Đầu thu 1/2’’-3/8’’
10 2 cái Đầu nạp 1/4’’
11 1 cái Êtô
12 1 chai Nitơ Thử kín
13
1 b
ộ
B
ộ
nong lo
e, dao c
ắ
t
ố
ng đ
ồ
ng
14 1 bộ Bộ uốn ống đồng d6, d10
15 1 cái Thước sắt: 300 mm
16 1 bộ Cưa sắt, Dao cắt ống, Búa tay
17 1 bộ Dụng cụ và vật tư hàn ống
đồng
Bảo hộ cá nhân:
- Kính
- Giầy bảo hộ
- Áo dài tay

- Găng tay bảo hộ
D. TIÊU CHUẨN ĐÁNH GIÁ
NỘI DUNG ĐIỂM YÊU CẦU KỸ THUẬT
Chuẩn bị đầy đủ dụng cụ, vật tư 4 Đầy đủ
Kích thước đúng theo bản vẽ 8 Sai lệch cho phép
±0-1mm
Ống không bẹp, méo 5 Trực quan
Mối hàn mỹ thuật 5 Bám đều, không cháy
Kín ở áp suất thử 8 Không rò Nitơ khi thử
nước
Sử dụng đúng cách trang bị bảo hộ,
an toàn 5 Sử dụng đúng
Đảm bảo thời gian 150 phút
Tổng 35
Cho điểm mỗi nội dung:
- Hoàn hảo 100%
- Rất tốt 90%
- Tốt 80%
- Tường đối tốt 70%
- Khá 60%
- Trung bình 50%
- Yếu 40%
- Kém 30%
- Rất kém 20%