
Tài liu môn hc: Ghép ni và ñiu khin thit b ngoi vi
Ging viên: Nguyn Văn Minh Trí 73
CHƯƠNG 6: GHÉP NI TƯƠNG T-S VÀ S-TƯƠNG T
Ð có th ñiu khin ñưc các máy móc trong nhà máy, các thit b y t chúng ta cn
quan tâm ñn các nh hưng c"a môi trưng bên ngoài như áp sut, nhit ñ ... Thưng
có mt s bư!c ñ nhn ñưc tín hiu ñin biu din cho các yu t ñó và bin ñ%i t(
dng tương t sang dng s ñ các máy tính có th x lý ñưc. Hình 6.1 biu din sơ ñ'
ñơn gin c"a mt h thng ñiu khin t ñng dùng máy vi tính.
Hình 6.1: Sơ ñ* cu trúc h th"ng ñi-u khi.n t% ñ!ng dùng máy vi tính
ðu tiên là cm bin (CB) dùng ñ bin ñ%i các giá tr vt lý như nhit ñ, áp sut ... sang
mt ñin áp hay dòng tương ng. Sau cm bin thưng là b khuch ñi (Kð) và lc.
Khâu này ñưc thc hin bi mt s mch khuch ñi thut toán. Sau ñó, tín hiu tương
t này ñưc chuyn sang dng s b#ng b bin ñi tương t -s (Analog-Digital
Converter-ADC), và ñưc máy vi tính nhn, x lý, lưu tr, so sánh v!i tín hiu ñt, và to
ra tín hiu ñiu khin (ðK) tương ng. Vì máy vi tính ch& làm vic tín hiu s (logic 0
và 1) nên cn có b chuyn ñi s-tương t (Digital-Analog Converter-DAC) ñ to ra tín
hiu ñiu khin dng tương t. Tip theo là khâu khuch ñi (Kð) và lch áp ñ to tín
hiu phù hp cung cp cho cơ cu chp hành (CCCH) c"a h thng thc.
6.1 Gii thiu m!t s" m#ch khu1ch ñ#i thu&t toán
Khuch ñi thut toán là mt trong s nhng linh kin ñin t thưng gp nht trong k$
thut tương t, vì th trong k$ thut ño lưng và ñiu khin công nghip, khuch ñi
thut toán cũng có mt trong rt nhiu thit b và h thng. Kh năng s dng c"a các b
khuch ñi thut toán là rt vn năng, chúng ñưc áp dng trong nhiu lĩnh vc như các
b khuch ñi mt chiu, các b khuch ñi xoay chiu, b lc tích cc, b dao ñng, b
bin ñ%i tr kháng, b vi phân, b tích phân...
6.1.1 Các tham s cơ bn ca mch khuch ñi thut toán
CCCH
H thng thc
CB
Kð ADC
DAC Kð ðK
Setpoint
Máy vi tính

Tài liu môn hc: Ghép ni và ñiu khin thit b ngoi vi
Ging viên: Nguyn Văn Minh Trí 74
Hình 6.2: Sơ ñ* b! khu1ch ñ#i thu&t toán.
U
d
hiu ñin áp vào
U
P
, I
P
ñin áp vào và dòng ñin vào ca thun.
U
N
, I
N
ñin áp vào và dòng ñin vào ca ño.
U
r
, I
r
ñin áp ra và dòng ñin ra.
B khuch ñi thut toán khuch ñi hiu ñin áp U
d
= U
P
- U
N
v!i h s khuch ñi
0
0
>K. Do ñó ñin áp ra:
(
)
Npdr
UUKUKU −==
00
1. H s khuch ñi hiu K
0
Khi không ti ñưc xác ñnh theo biu thc sau
Np
r
d
r
UU
U
U
U
K−
==
0
2. H s khuch ñi ñng pha K
CM
Nu ñt vào ca thun và ca ño c"a b khuch ñi thut toán các ñin áp b#ng nhau,
nghĩa là:
U
P
= U
N
= U
CM
=0
thì U
d
= 0. Gi U
CM
là ñin áp vào ñ'ng pha. Lý tưng ta có U
r
=0. Tuy nhiên, thc t
không phi như vy. Do ñó gia ñin áp ra và ñin áp vào ñ'ng pha có quan h t6 l là h
s khuch ñi ñ'ng pha K
CM
:
CM
r
CM
U
U
K∆
∆
=
K
CM
nói chung ph thuc vào mc ñin áp vào ñ'ng pha.

Tài liu môn hc: Ghép ni và ñiu khin thit b ngoi vi
Ging viên: Nguyn Văn Minh Trí 75
3. H
s
nén
ñ
ng pha CMRR
Dùng ñ ñánh giá kh năng làm vic c"a b khuch ñi thc so v!i b khuch ñi lý
tưng (
K
CM
=0)
CM
K
K
CMRR
0
=
4. Dòng vào t
ĩ
nh
Là tr trung bình c"a dòng vào ca thun và dòng vào ca ño:
2
Np
t
II
I
+
= vi U
P
= U
N
= 0
Dòng vào lch không là hiu các dòng vào tĩnh hai ca c"a b khuch ñi thut toán
I
0
= I
P
- I
N
vi U
P
= U
N
= 0
Thông thưng I
0
= 0,1I
P
. Tr s c"a dòng vào lch không thay ñ%i theo nhit ñ. Hin
tưng này gi là hin tưng trôi dòng lch không.
6.1.2 Các sơ ñ cơ bn ca b khuch ñi thut toán
1. Sơ ñ khuch ñi không ño
Hình 6.3: Sơ ñ* m#ch khu1ch ñ#i không ñ$o
H s khuch ñi c"a mch:
−
+
+
=
CMRRRR
R
K
K1
1
1
1
21
2
0
Mt b khuch ñi thut toán lý tưng s, có:

Tài liu môn hc: Ghép ni và ñiu khin thit b ngoi vi
Ging viên: Nguyn Văn Minh Trí 76
H s khuch ñi khi không có phn h'i âm l!n vô cùng.
Ðin tr li vào l!n vô cùng.
Ð rng di thông l!n vô cùng.
H s nén ñ'ng pha CMRR l!n vô cùng.
Ðin tr li ra b#ng không .
Thi gian ñáp ng b#ng không
Do ñó, h s khuch ñi c"a mch lý tưng là:
2
21
R
RR
K
+
=
2. Mch ñm
Ðây là trưng hp ñc bit c"a mch khuch ñi không ño
Hình 6.4: Sơ ñ* m#ch ñm
Mch có h s khuch ñi b#ng K=1 và thưng dùng ñ phi hp tr kháng.
3. Mch khuch ñi ño
Hình 6.5: Sơ ñ* m#ch khu1ch ñ#i ñ$o
H s khuch ñi c"a mch:
1
2
R
R
K−=

Tài liu môn hc: Ghép ni và ñiu khin thit b ngoi vi
Ging viên: Nguyn Văn Minh Trí 77
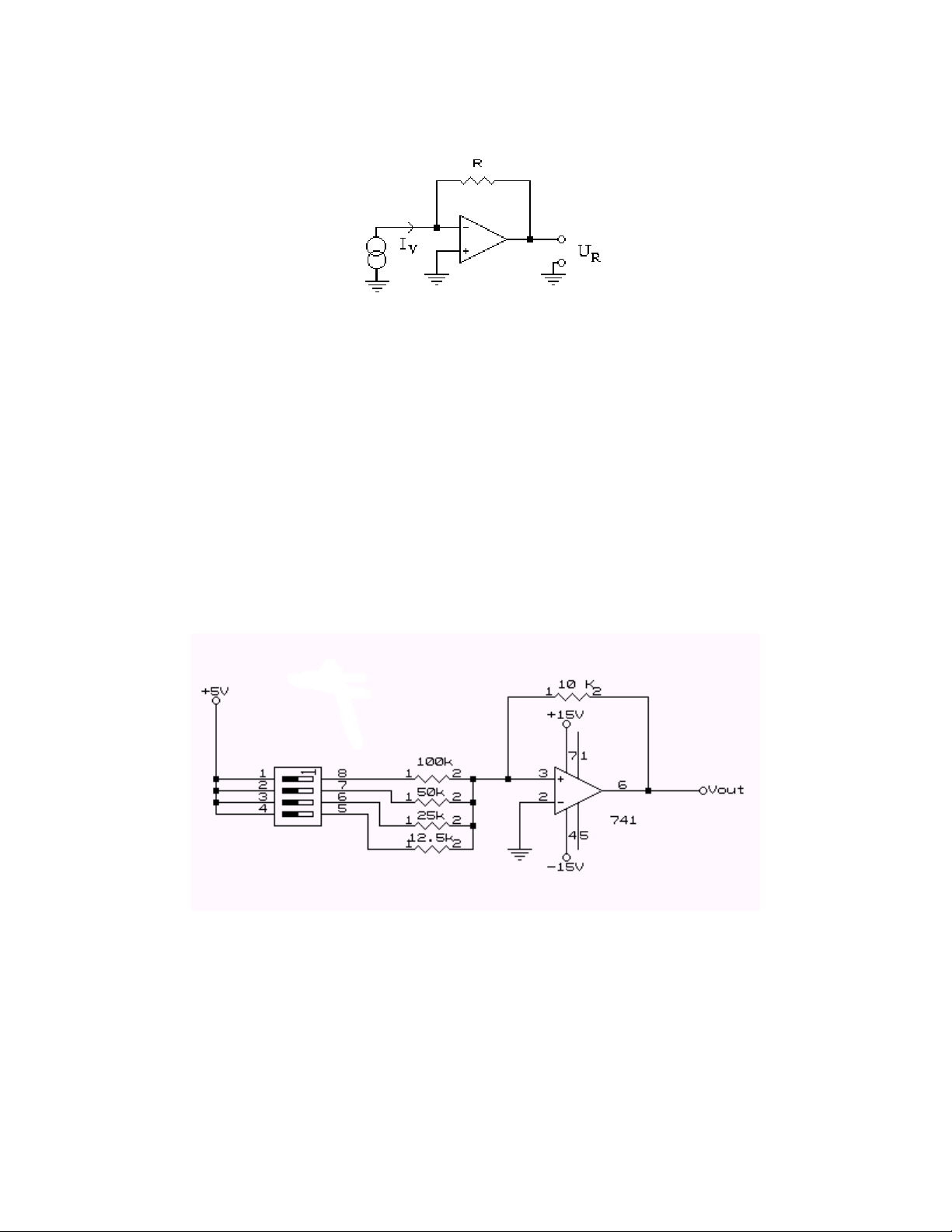
4. Sơ ñ bin ñi dòng ñin - ñin áp
Hình 6.6: Sơ ñ* bi1n ñi dòng ñin - ñin áp
Ðin áp ra ñưc tính theo biu thc:
U
R
= - R.I
V
6.2 B! chuy.n ñi s"-tương t% DAC
B chuyn ñ%i s tương t dùng ñ chuyn tín hiu dng s sang dng tương t. Khâu
này hay ñưc s dng trong h thng ñiu khin có dùng máy vi tính. Vì máy vi tính ch&
làm vic v!i tín hiu s, trong khi h thng thc cn tín hiu ñiu khin dng tương t.
6.2.1 Hot ñng ca DAC
Hình 6.7: Ví d4 v- b! bi1n ñi DA 4 bít
Mc ñích c"a b bin ñ%i DA, như ñã nêu, là bin ñ%i tín hiu nh phân n bít thành dòng
hay áp tương ng. Hình 6.7 là mt ví d v mt b bin ñ%i DA 4 bít ñơn gin. Da vào
v trí c"a các công tt B
i
(1 là ñóng và 0 là m), ñin tr ñu vào s, thay ñ%i theo. Do ñó
ñin áp ñu ra cũng s, thay ñ%i theo :