
219
N62B2 6+2
900
1000
573,4
637,1
16,3
18,1
23,3
25,9
32,3
35,9
43,9
48,8
58,4
64,9
76,4
84,9
98,3
109,2
23,2
25,8
26,5
29,4
30,2
33,6
34,4
38,2
39,0
43,3
44,0
48,8
49,2
54,7
N124B
x
100S
12+4 870
960
1108,6
1223,3
31,5
34,8
45,0
49,7
62,5
69,0
84,9
93,7
113,0
124,6
147,7
162,9
190,0
209,6
44,9
49,6
51,2
56,5
58,4
64,4
66,5
73,4
75,4
83,2
85,0
93,8
95,2
105,0
N42A2 4+2
1000
1200
193,9
232,7
5,2
6,2
7,5
9,0
10,5
12,6
14,4
17,3
19,3
32,2
25,4
30,5
32,9
39,5
8,5
10,2
9,6
11,5
10,9
13,1
12,4
14,9
14,0
16,8
15,8
18,9
17,6
21,1
N62A2
95 Φ
76 S 6+2 1000
1200
258,6
310,3
7,1
8,6
10,2
12,3
14,2
17,1
19,4
23,3
25,8
31,0
33,8
40,6
43,5
52,2
10,9
13,0
12,4
14,9
14,2
17,0
16,2
19,4
18,4
22,1
20,9
25,0
23,5
28,2
N42B2 4+2
900
1000
430,1
477,8
11,5
12,8
16,6
18,5
23,3
25,9
31,9
35,5
42,8
47,6
56,4
62,7
73,0
81,1
18,8
20,9
21,3
23,6
24,2
26,9
27,5
30,5
31,1
34,5
35,0
38,9
35,1
43,4
N62B2 6+2
900
1000
573,4
637,1
15,8
17,6
22,7
25,2
31,6
35,1
43,0
47,8
57,3
63,6
75,0
83,3
96,5
107,3
24,1
26,8
27,5
30,5
31,4
34,9
35,9
39,9
40,9
45,4
46,3
51,4
52,0
57,8
35
N124B
130 Φ
x
100S
12+4 870
960
1108,6
1223,3
30,6
33,8
43,8
48,4
61,1
67,4
83,1
91,7
110,7
122,2
144,9
159,9
186,6
206,0
46,6
51,4
53,2
58,7
60,8
67,1
69,4
76,6
79,0
87,2
89,4
98,7
100,6
111,0
N42A2 4+2
1000
1200
193,9
232,7
5,0
6,0
7,3
8,7
10,2
12,3
14,1
16,9
18,9
22,7
24,9
29,9
32,3
38,8
8,8
10,6
10,0
12,0
11,4
13,7
13,0
15,6
14,7
17,7
16,6
20,0
18,7
22,4
N62A2
95 Φ
76 S 6+2 1000
1200
258,6
310,3
6,9
8,3
9,9
11,9
13,9
16,7
18,9
22,7
25,3
30,4
33,2
39,8
42,7
51,3
11,3
13,5
12,9
15,4
14,7
17,7
16,9
20,3
19,3
23,1
21,9
26,3
24,7
29,7
N42B2 4+2
900
1000
430,1
477,8
11,1
12,4
16,1
17,9
22,7
25,3
31,2
34,7
42,0
46,6
55,3
61,5
71,7
79,7
19,6
21,8
22,2
24,7
25,3
28,1
28,8
32,0
32,6
36,3
36,9
41,0
41,4
46,0
N62B2 6+2
900
1000
573,4
637,1
15,3
17,0
22,0
24,5
30,8
34,2
42,0
46,7
56,1
62,3
73,5
81,7
94,8
105,3
25,0
27,7
28,5
31,7
32,7
36,3
37,4
41,6
42,7
47,5
48,5
53,9
54,8
60,9
40
N124B
130 Φ
x
100S
12+4 870
960
1108,6
1223,3
29,6
32,7
42,6
47,0
59,6
65,7
81,2
89,6
108,5
119,7
142,1
156,8
183,2
202,2
48,5
53,3
55,2
60,9
63,2
69,8
72.4
79,9
82,6
91,2
93,8
103,5
106,0
117,0

* * *
220

Ch−¬ng V
hÖ thèng l¹nh kh¸c
trong c«ng nghiÖp vµ ®êi sèng
5.1. HÖ thèng l¹nh trong nhµ m¸y bia
5.1.1 S¬ ®å nguyªn lý hÖ thèng l¹nh trung t©m
Trong c¸c nhµ m¸y bia ng−êi ta sö dông hÖ thèng l¹nh trung t©m ®Ó
lµm l¹nh c¸c ®èi t−îng sau :
- Lµm l¹nh c¸c tank lªn men vµ tank thµnh phÈm
- Lµm l¹nh tank men gièng
- Lµm l¹nh nhanh n−íc 1oC
- Lµm l¹nh nhanh dÞch ®−êng sau hÖ thèng nÊu.
- Lµm l¹nh trung gian hÖ thèng CO2
- C¸c hé tiªu thô kh¸c: b¶o qu¶n hoan, ®iÒu hoµ kh«ng khÝ vv
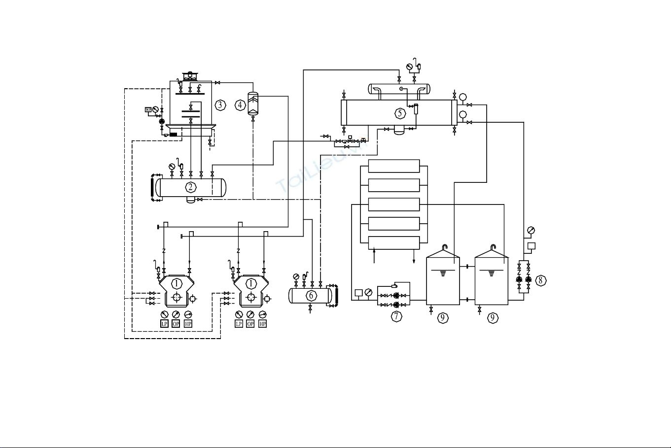
Trªn h×nh 5-1 lµ s¬ ®å nguyªn lý hÖ thèng l¹nh trung t©m sö dông
m«i chÊt NH3 ë nhµ m¸y bia hiÖn ®¹i. HÖ thèng l¹nh sö dông glycol vµ
n−íc lµm chÊt t¶i l¹nh. Tr−íc kia trong nhiÒu nhµ m¸y bia ng−êi ta sö
dông chÊt t¶i l¹nh lµ n−íc muèi. Do tÝnh chÊt ¨n mßn cña n−íc muèi
¶nh h−ëng qu¸ lín ®Õn hÖ thèng c¸c thiÕt bÞ nªn hiÖn nay hÇu hÕt ®·
®−îc thay thÕ b»ng chÊt t¶i l¹nh glycol .
C¸c thiÕt bÞ chÝnh bao gåm: M¸y nÐn 1 cÊp hiÖu MYCOM, b×nh
bay h¬i lµm l¹nh glycol, dµn ng−ng tô bay h¬i, c¸c thïng chøa glycol
vµ c¸c thiÕt bÞ phô kh¸c cña hÖ thèng l¹nh.
Thïng chøa glycol ®−îc chÕ t¹o b»ng inox, bªn ngoµi bäc c¸ch
nhiÖt gåm 02 c¸i cã nhiÖt ®é kh¸c nhau, ®¶m b¶o b¬m glycol ®· ®−îc
lµm l¹nh ®Õn c¸c hé tiªu thô vµ b¬m glycol sau khi sö dông ®Õn b×nh
bay h¬i ®Ó gia l¹nh. Gi÷a 02 thïng glycol ®−îc th«ng víi nhau t¹o ra
sù æn ®Þnh vµ c©n b»ng.
220

TI
TI
lµm l¹nh tank
lªn men vµ thµnh phÈm
lµm l¹nh co2
lµm l¹nh
tank men gièng
c¸c hé tiªu thô kh¸c
thiÕt bÞ lµm l¹nh
nhanh n−íc 1°C
b×nh glycol
-5 _ -7°cb×nh glycol
-2 _ 0°c
P
P
N¦íC VµO N¦íC RA 1°C
1- M¸y nÐn; 2- B×nh chøa cao ¸p; 3- Dµn ng−ng; 4- T¸ch dÇu; 5- B×nh bay h¬i; 6- B×nh thu håi dÇu; 7-
B¬m glycol ®Õn c¸c hé tiªu thô; 8- B¬m glycol tuÇn hoµn; 9- Thïng glycol
H×nh 5-1 : S¬ ®å nguyªn lý hÖ thèng l¹nh nhµ m¸y bia
221

1- ¸o n−íc; 2- Th©n b×nh; 3- T¸ch láng; 4- Gas ra; 5- TÊm ch¾n láng;
6- èng trao ®æi nhiÖt; 7- N−íc ra; 8- N−íc vµo; 9- Ch©n b×nh; 10- Rèn b×nh;
11- èng nèi van phao
H×nh 5-2 : B×nh bay h¬i lµm l¹nh glycol
Trªn h×nh 5-2 tr×nh bµy cÊu t¹o cña b×nh bay h¬i lµm l¹nh glycol.
VÒ cÊu t¹o b×nh bay h¬i gièng b×nh ng−ng èng chïm n»m ngang. ë
®©y glycol chuyÓn ®éng bªn trong èng trao ®æi nhiÖt, m«i chÊt s«i bªn
ngoµi èng. PhÝa trªn b×nh bay h¬i cã g¾n s½n b×nh t¸ch láng, ®Ó ®¶m
b¶o sù chuyÓn ®éng cña gas bªn trong b×nh bay h¬i ng−êi ta bè trÝ 02
èng hót ë 2 phÝa cña b×nh. PhÝa d−íi cã rèn ®Ó gom dÇu vÒ b×nh thu
håi dÇu. §Ó ®¶m b¶o láng trong b×nh kh«ng qu¸ cao g©y ngËp láng
m¸y nÐn ng−êi ta sö dông van phao khèng chÕ møc dÞch trong b×nh
bay h¬i n»m trong giíi h¹n cho phÐp.
5.1.2 S¬ ®å nguyªn lý hÖ thèng l¹nh CO2
Trong c¸c nhµ m¸y bia ng−êi ta th−êng sö dông c¸c hÖ thèng l¹nh
riªng ®Ó lµm l¹nh CO2 v× chÕ ®é nhiÖt ©m s©u.
M¸y l¹nh sö dông ®Ó lµm l¹nh CO2 trong s¬ ®å nµy lµ m¸y l¹nh 2
cÊp ho¹t ®éng hoµn toµn ®éc lËp víi hÖ thèng l¹nh glycol b¶o qu¶n
tank lªn men vµ lµm l¹nh nhanh dÞch nÊu . Trong mét sè tr−êng hîp ®Ó
n©ng cao hiÖu qu¶ gi¶i nhiÖt, ng−êi ta trÝch glycol tõ hÖ thèng l¹nh b¶o
qu¶n bia sang lµm m¸t trung gian h¬i CO2 sau mçi cÊp nÐn. S¬ ®å nh−
vËy, tuy hiÖu qu¶ gi¶i nhiÖt t¨ng nh−ng hÖ thèng thu håi CO2 ho¹t
®éng phô thuéc vµo ho¹t ®éng cña hÖ thèng lµm l¹nh glycol nªn hiÖn
nay Ýt sö dông glycol ®Ó lµm m¸t mµ chuyÓn sang sö dông n−íc.
222

