
Chương 4 nvhoa102@yahoo.com 1
CHƯƠNG IV: PHÂN BN ĐA DINH DƯNG
A. GIỚI THIỆU PHÂN BÓN ĐA DINH DƯỠNG
Phân bón đa dinh dưỡng là loại phân có chứa từ 2
nguyên tố dinh dưỡng đa lượng trở lên.
Phân
đa dinh dưỡng:
Đạm
- Lân - Kali
N P2O5K2O
1 1 1
1 1 1,5
1 1,5 1
1 1,5 1,5
Phân đa dinh dưỡng:
Đạm
- Lân
1 2,5 0
1 4 0
Phân đa dinh dưỡng:
Lân
- Kali
0 1 1
0 1 1,5

Chương 4 nvhoa102@yahoo.com 2
CHƯƠNG IV: PHÂN BN ĐA DINH DƯNG
Phân bón đa dinh dưỡng được chia làm 2 nhóm:
- Phân phức hợp:Tổng hợp bằng phản ứng hoá học
- Phân hỗn hợp (phân trn): Gia công bằng cách
trn lẫn
B. PHÂN PHỨC HỢP
- Trên cơ sở gia công axit photphoric: amoni photphat
- Phân hủy photphat thiên nhiên bằng axit nitric:
nitrophotphat

Chương 4 nvhoa102@yahoo.com 3
CHƯƠNG IV: PHÂN BN ĐA DINH DƯNG
I. Phân Amoni Photphat
I.1. Cơsở hoá lý của quá trình sản xuất
Các phản ứng trung hoà H3PO4bằng NH3
H3PO4+NH3=NH4H2PO4(MAP) +159,82kJ
H3PO4+ 2NH3= (NH4)2HPO4(DAP) +215,33kJ
H3PO4+ 3NH3= (NH4)3PO4(TAP)
Sả
n phm tinh
khiết
% N % P2O5
MAP 12,17 61,71
DAP 21,19 53,76

Chương 4 nvhoa102@yahoo.com 4
CHƯƠNG IV: PHÂN BN ĐA DINH DƯNG
Cấp
độ thương
phm
%N - %P2O5- %K2O
DAP tiêu chuẩn 18-46-0
MAP (10 11)-(50 55)-0; 11-52-0
MAP + DAP 13-52-0; 16-48-0

Chương 4 nvhoa102@yahoo.com 5
CHƯƠNG IV: PHÂN BN ĐA DINH DƯNG
I.2. Các quy trình sản xuất DAP
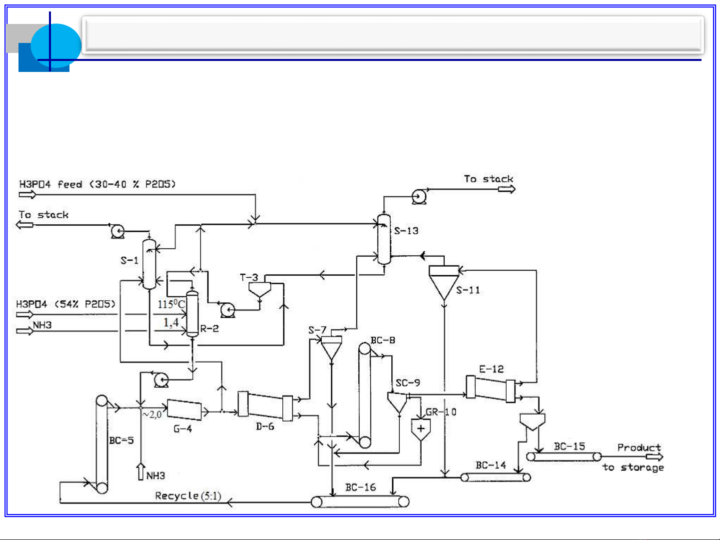
I.2.1. Quy trình sản xuất DAP của TVA S1, S13-tháp rửa
khí; R2-thiết bị
tin trung hòa ;
T3-thùng chứa;
G4-thiết bị tạo
hạt; BC5,8-gầu
nâng; D6- máy
sấy; S7,S11-
cyclon; CS9-
sàng; GR10- máy
nghin; E12- làm
ngui;
BC14,15,16-
băng tải

