
Thi t k logic s ế ế ố
(VLSI design)
B môn KT Xung, s , VXLộ ố
quangkien82@gmail.com
https://sites.google.com/site/bmvixuly/thiet-ke-logic-so
08/2012

M c đích & n i dungụ ộ
•M c đíchụ
•Ki n trúc t ng quan và Ki n trúc Xilinx FPGAế ổ ế
•Quy trình thi t k trên FPGA Xilinx ISEế ế
•N i dungộ
•IOBuffer
•Interconnect
•Dedicated Multiplier
•Dedicated block RAM
•DCM
•Quy trình thi t k trên FPGAế ế
•Ví d kh i c ngụ ố ộ
•Ví d kh i chia t nụ ố ầ
2/16
Ch ng IV: Thi t k m ch s trên FPGA ươ ế ế ạ ố quangkien82@gmail.com

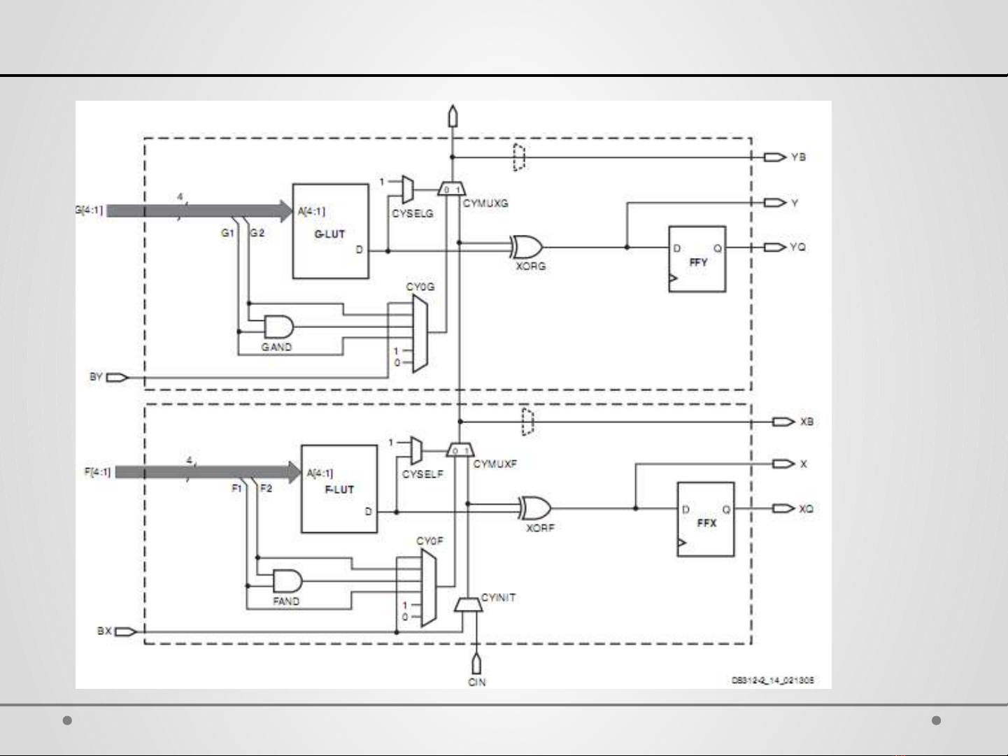
Carry chain
3/16
Ch ng IV: Thi t k m ch s trên FPGA ươ ế ế ạ ố quangkien82@gmail.com

Carry chain
4/16
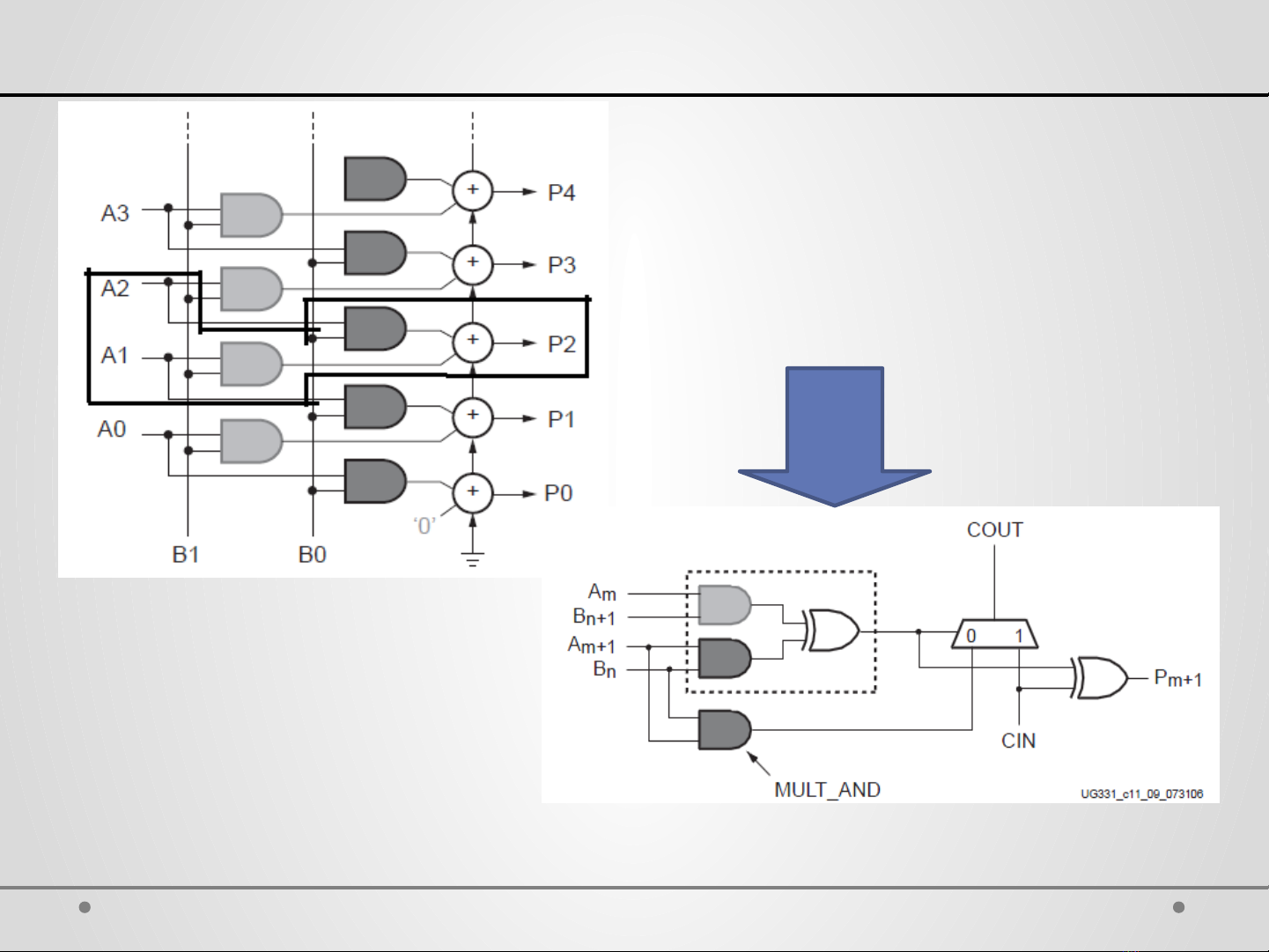
Ch ng IV: Thi t k m ch s trên FPGA ươ ế ế ạ ố quangkien82@gmail.com

Arithmetic chain
5/16
Ch ng IV: Thi t k m ch s trên FPGA ươ ế ế ạ ố quangkien82@gmail.com

