
Bài giảng môn THĐTS
Biên soạn Th.S Trần Trinh 1
BÀI GIẢNG THỤC HÀNH ĐIỂN TỬ SỐ
BÀI 1: CỔNG LOGIC
I. CỔNG LOGIC
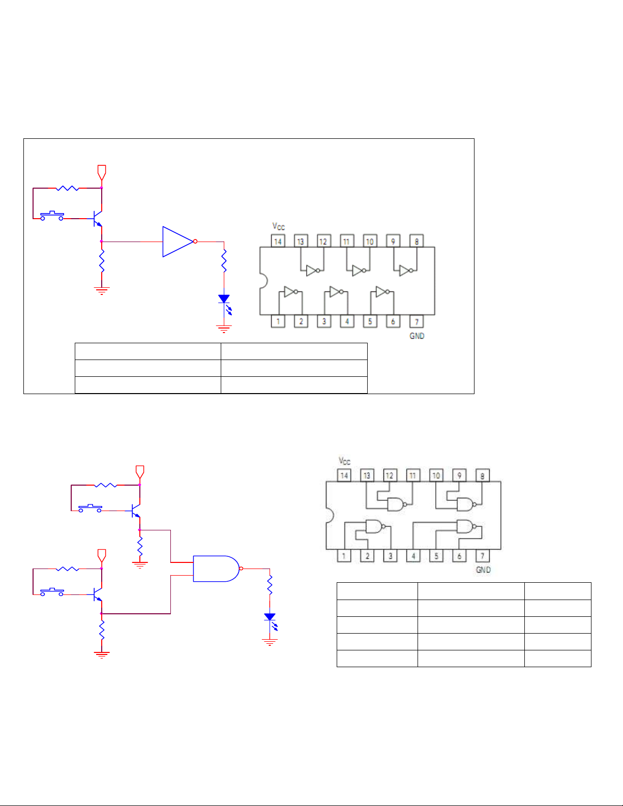
1. Cổng NOT
Mắc mạch như hình 1.1 và thực hiện kiểm tra từng cổng một trong IC7404 và điền Y vào bảng.
Y
D1
7404
1 2
HI
Pulse
0
A
hinh 1.1
R1
220
C1815
0
5V
1K
R2
1K
A Y
0
1
2. Cổng NAND
Mắc mạch như hình1.2 và thực hiện kiểm tra từng cổng một trong IC7400 và điền Y vào bảng
0
5V
1K
hinh 1.2
C1815
Y
HI
1K
Pulse
A
R1
220
0
HI
1K
D1
Pulse
0
1K
7400
1
2
3
B
5V
C1815
A B Y
0 0
0 1
1 0
1 1

Bài giảng môn THĐTS
Biên soạn Th.S Trần Trinh 2
3. Cổng OR
Mắc mạch như hình 1.3 và thực hiện kiểm tra từng cổng một trong IC74ls32 và điền vào bảng
1K
HI
B
1K
R1
220
1K
7432
1
2
3
D1
0
1K
0
A
C1815
Y
5V
Pulse
Pulse
5V
HI
0
A B Y
0 0
0 1
1 0
1 1
C1815
hinh 1.3
4. Cổng AND
Mắc mạch như hình 1.4 và thực hiện kiểm tra từng cổng một trong IC74ls08 và điền vào bảng
B
1K
1K
D1
C1815
Y
hinh 1.4
0
A
HI
HI
5V
A B Y
0 0
0 1
1 0
1 1
1K
5V
R1
220
0
7408
1
2
3
1K
Pulse
0
C1815
Pulse

Bài giảng môn THĐTS
Biên soạn Th.S Trần Trinh 3
5. Cổng NOR
Mắc mạch như hình 1.5 và thực hiện kiểm tra từng cổng một trong IC74ls02 và điền vào bảng
0
Pulse
C1815
A
HI
Pulse
5V
HI
1K
R1
220
1K
C1815
1K
5V
B
hinh 1.5
0
D1
1K
7402
2
3
1
0
Y
A B Y
0 0
0 1
1 0
1 1
6. Cổng EX-OR
Mắc mạch như hình 1.6 và thực hiện kiểm tra từng cổng một trong IC74ls86 và điền vào bảng
R1
220
7486
1
2
3
1K
5V
hinh 1.6
D1
Y
Pulse
1K
C1815
0
C1815
Pulse
5V
HI
HI
B
1K
A
0
1K
A B Y
0 0
0 1
1 0
1 1
0

Bài giảng môn THĐTS
Biên soạn Th.S Trần Trinh 4
7. Cổng EX-NOR
Mắc mạch hình 1.7 và thực hiện kiểm tra từng cổng một trong IC7486 và điền Y vào bảng
1K
74LS266
1
2
3
hinh 1.7
Pulse
0
A
1K
C1815
R1
220
C1815
0
B
5V
HI
HI
5V
Pulse
1K
Y
A B Y
0 0
0 1
1 0
1 1
1K
0
D1
II. Xác định mức logic.
1. Họ TTL
Mắc mạch như hình 2.1.
74LS04
1 2
0
VR
10K
hinh 2.1
D1
5V
0
1K
V
VOM_2
R1
220
Y
V
VOM_1
A
HI
• Dùng hai VOM1 và VOM2 đặt thang đo áp DC ở thang đo thấp nhất (2.5V).
• Chỉnh biến trở VR sao cho VOM1 chỉ 0V, ghi giá trị VOM2 .
• Chỉnh VR sao cho áp trên VOM1 tăng dần từng khoảng 0.2V, quang sát áp trên VOM2 và
ghi nhận ứng với từng giá trị thay đổi 0.2V của ngõ vào.
• Vẽ đồ thị sự thay đổi áp ngõ vào (tại A) so với ngõ ra (tại Y).
• Nhận xét kết quả.

Bài giảng môn THĐTS
Biên soạn Th.S Trần Trinh 5
2. họ CMOS
• Mắc mạch như hình 2.2
0
4069
1 2VR
10K
hinh 2.2
D1
5V
0
1K
V
VOM_2
R1
220
Y
V
VOM_1
A
HI
• Dùng hai VOM1 và VOM2 đặt thang đo áp DC ở thang đo thấp nhất (2.5V).
• Chỉnh biến trở VR sao cho VOM1 chỉ 0V, ghi giá trị VOM2 .
• Chỉnh VR sao cho áp trên VOM1 tăng dần từng khoảng 0.2V, quang sát áp trên VOM2 và
ghi nhận ứng với từng giá trị thay đổi 0.2V của ngõ vào.
• Vẽ đồ thị sự thay đổi áp ngõ vào (tại A) so với ngõ ra (tại Y).
• Nhận xét kết quả.
Nhận xét và so sánh hai họ TTL và CMOS?
Bài tập
• Khả năng Fan out là gì?. Trình bày nắn gọn và cho ví dụ minh họa.
• Co biết áp và dòng input/output ở mức thấp và cao của hai họ TTL và CMOS? Cho ví
dụ minh họa.
• Giao tiếp của họ TTL với các linh kiện khác? Ví dụ như: led, relay, loa, động cơ,
quang,..?
• Giao tiếp của họ CMOS với các linh kiện khác? Ví dụ như: led, relay, loa, động cơ,
quang,.. ?

