
CHƯƠNG 1
GIỚI THIỆU HỆ VI XỬ LÝ-VI ĐIỀU KHIỂN
1Bài Giảng Vi xử Lý Chương 1 Lưu Phú

Tóm tắt:
1.1 Giới thiệu chung
1.2 Sơ đồ khối hệ VXL cơ bản
1.2.1 Bộ xử lý trung tâm CPU
1.2.2 Bộ nhớ ROM và RAM
1.2.3 Hệ thống bus
1.2.4 Mạch giao tiếp ngoại vi
1.2.5 Thiết bị ngoại vi
1.2.6 Mạch dao động
1.3 Chu kỳ thực hiện lệnh(chu kỳ bus)
1.3.1 Chu kỳ nhận lệnh(fetching)
1.3.2 Chu kỳ thực thi lệnh(execution)
1.3.3 Kỹ thuật đường ống(pipeline)
1.4 Chu kỳ dao động-Chu kỳ máy
1.4.1 Chu kỳ dao động
1.4.2 Chu kỳ máy(MC:machine cycle)
1.5 Tập lệnh-Chương trình
1.5.1 Tập lệnh(Instruction sets)
1.5.2 Chương trình(Program)
2Bài Giảng Vi xử Lý Chương 1 Lưu Phú
1.6 Từ VXL đến VĐK
1.6.1 Phân biệt VXL và VĐK
1.6.2 Tổ chức bộ nhớ kiểu von Neumann
và kiểu Havard
1.6.3 Kiến trúc CISC và RISC
1.6.4 Little Endian và Big Endian
1.6.5 Hệ thống nhúng

1.1 Giới thiệu chung
•Thiết kế số sử dụng nhiều vi mạch SSI cổng logic,vi mạch MSI giải mã, MUX,DEMUX…,
FF và thanh ghi…→phần cứng phức tạp ,không thay đổi được chức năng đã thiết kế
•Năm 1971 Intel đưa ra chip vi xử lý(VXL, Microprocessor,CPU) 4 bit đầu tiên→tích hợp
phần cứng gọn hơn và có thể thay đổi chức năng thiết kế bằng cách lập trình.
•Họ VXL 8 bit chuẩn đầu tiên của Intel là 8080, Motorola 6800 ,Zilog Z80…
•Họ VXL phát triển lên 16 bit,32 bit,64 bit…
•Các vi mạch VXL mạnh về tính toán,xử lý dung lượng dữ liệu lớn
•Để thiết kế các hệ thống,mạch điện nhỏ chuyên một chức năng hoặc vài chức năng như
đo&điều khiển nhiệt độ,độ ẩm,điều khiển tốc độ động cơ,hiển thị,thu nhận data….,cần phần
cứng tích hợp cao,dễ giao tiếp và dễ lập trình theo hướng điều khiển→họ vi điều khiển
(VĐK , Microcontroller,MCU)
3Bài Giảng Vi xử Lý Chương 1 Lưu Phú

1.1 Giới thiệu chung
•Năm 1976 Intel giới thiệu họ MCU8048/8748
•Năm 1980 Intel giới thiệu họ MCU8051,VĐK 8 bit chuẩn
•Các họ VĐK PIC 16FXX,AVR…chuyên một chức năng
đơn giản gọi là RISC(Reduced Instruction Set Computer)
•Họ VĐK đa năng 8,16,32,64 bit ARM
•Thiết kế điện tử hiện nay= VXL/VĐK + lập trình
•Họ AVR là hệ VĐK RISC do hãng Atmel chế tạo từ năm 1996,trong đó tiêu biểu thông
dụng nhất là dòng ATmega 8 bit.
•Trong giáo trình sẽ nghiên cứu AVR ATmega324P tiêu biểu cho họ AVR 8 bit.Trên cơ sở đó,
SV có thể tự nghiên cứu và áp dụng họ AVR và các hệ VXL/VĐK khác.
•Các ví dụ về mã lệnh,tập lệnh cụ thể đều dựa trên tập lệnh AVR ATmega324P
4Bài Giảng Vi xử Lý Chương 1 Lưu Phú
Hình 1.1: VĐK ATmega324P dạng PDIP

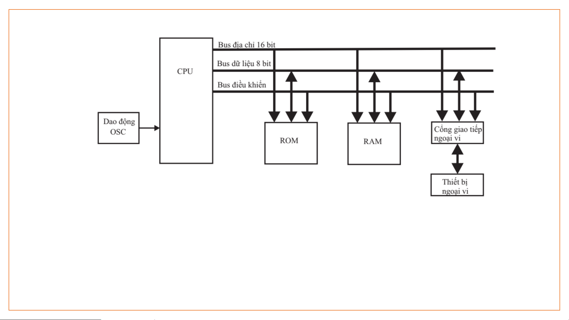
1.2 Sơ đồ khối hệ VXL cơ bản
1. Bộ xử lý trung tâm CPU(Central Processing Unit)
2. Bộ nhớ ROM(Read Only Memory) và RAM(Random Acess Memory)
3. Hệ thống bus: địa chỉ(Adress), dữ liệu(Data),điều khiển(Control)
4. Mạch giao tiếp ngoại vi ( Interface Circuitry)
5. Thiết bị ngoại vi(Peripheral device)
6. Mạch dao động 5Bài Giảng Vi xử Lý Chương 1 Lưu Phú
Hình 1.2: Sơ đồ khối 1 hệ VXL 8 bit cơ bản

