
BÀI T P CH NG 3 BĂM ÁP M T CHI UẬ ƯƠ Ộ Ề
3.1 Cho m ch băm áp gi m áp (buckạ ả
chopper). Bi t đi n áp ngu n Uế ệ ồ N = 100V, t iả
Rd = 10Ω. T n s chuy n m ch c a khóaầ ố ể ạ ủ
bán d n K là fẫcm = 10kHz. Khi cho h s d nệ ố ẫ
thông c a van K là ủγ = 0,3 hãy:
1. Tính tr s c a L đ dòng đi n ch y qua Lị ố ủ ể ệ ạ
không b gián đo n.ị ạ
2. Tính tr s c a C đ đ đ p m ch c aị ố ủ ể ộ ậ ạ ủ
đi n áp trên t i Rệ ả d nh h n 1%.ỏ ơ
3. Tính đi n áp và dòng đi n qua t i.ệ ệ ả
4. Gi thi t dòng đi n qua L là không đ i, đi n áp trên t C không đ i. Hãy v d ng sóng c a:ả ế ệ ổ ệ ụ ổ ẽ ạ ủ
- Đi n áp và dòng đi n qua van công su t K.ệ ệ ấ
- Đi n áp và dòng đi n qua điôt D.ệ ệ
- Đi n áp và dòng đi n qua L.ệ ệ
- Đi n áp và dòng đi n qua C.ệ ệ
5. Tính ch n thông s c a van K và D v i yêu c u m ch ho t đ ng trong ph m vi 0,1ọ ố ủ ớ ầ ạ ạ ộ ạ ≤γ≤ 0,9.
6. Mô ph ng m ch v i t n s chuy n m ch fỏ ạ ớ ầ ố ể ạ cm = 1kHz, 5kHz, 10kHz, 15kHz, 20kHz. Nh n xétậ
nh h ng c a t n s đ n s h at đ ng c a m ch.ả ưở ủ ầ ố ế ự ọ ộ ủ ạ
3.2 Cho m ch băm áp tăng áp (boost chopper).ạ
Bi t đi n áp ngu n Uế ệ ồ N = 100V, t i R = 10ảΩ.
T n s chuy n m ch c a khóa bán d n T làầ ố ể ạ ủ ẫ
fcm = 10kHz. Khi cho h s d n thông c a vanệ ố ẫ ủ
T là γ = 0,5 hãy:
1. Tính tr s c a L đ dòng đi n ch y qua Lị ố ủ ể ệ ạ
không b gián đo n.ị ạ
2. Tính tr s c a C đ đ đ p m ch c a đi nị ố ủ ể ộ ậ ạ ủ ệ
áp trên t i R nh h n 1%.ả ỏ ơ
3. Tính đi n áp và dòng đi n qua t i.ệ ệ ả
4. Gi thi t dòng đi n qua L là không đ i, đi n áp trên t C không đ i. Hãy v d ng sóng c a:ả ế ệ ổ ệ ụ ổ ẽ ạ ủ
- Đi n áp và dòng đi n qua van công su t T.ệ ệ ấ
- Đi n áp và dòng đi n qua điôt D.ệ ệ
- Đi n áp và dòng đi n qua L.ệ ệ
- Đi n áp và dòng đi n qua C.ệ ệ
5. Tính ch n thông s c a van T và D v i yêu c u m ch ho t đ ng trong ph m vi 0,1ọ ố ủ ớ ầ ạ ạ ộ ạ ≤γ≤ 0,9.
6. Mô ph ng m ch v i t n s chuy n m ch fỏ ạ ớ ầ ố ể ạ cm = 1kHz, 5kHz, 10kHz, 15kHz, 20kHz. Nh n xétậ
nh h ng c a t n s đ n s h at đ ng c a m ch.ả ưở ủ ầ ố ế ự ọ ộ ủ ạ
3.3 Cho m ch băm áp tích lũy đi n c m (buck-boost chopper 1). Bi t đi n áp ngu n Uạ ệ ả ế ệ ồ N = 100V,
t i R = 10ảΩ. T n s chuy n m ch c a khóa bán d n T là fầ ố ể ạ ủ ẫ cm = 10kHz. Khi cho h s d n thôngệ ố ẫ
c a van T là ủγ = 0,4 hãy:

1. Tính tr s c a L đ dòng đi n ch yị ố ủ ể ệ ạ
qua L không b gián đo n.ị ạ
2. Tính tr s c a C đ đ đ p m chị ố ủ ể ộ ậ ạ
c a đi n áp trên t i R nh h n 1%.ủ ệ ả ỏ ơ
3. Tính đi n áp và dòng đi n qua t i.ệ ệ ả
4. Gi thi t dòng đi n qua L là khôngả ế ệ
đ i, đi n áp trên t C không đ i. Hãyổ ệ ụ ổ
v d ng sóng c a:ẽ ạ ủ
- Đi n áp và dòng đi n qua van côngệ ệ
su t T.ấ
- Đi n áp và dòng đi n qua điôt D.ệ ệ
- Đi n áp và dòng đi n qua L.ệ ệ
- Đi n áp và dòng đi n qua C.ệ ệ
5. Tính ch n thông s c a van T và D v i yêu c u m ch ho t đ ng trong ph m vi 0,1ọ ố ủ ớ ầ ạ ạ ộ ạ ≤γ≤ 0,9.
6. Mô ph ng m ch v i t n s chuy n m ch fỏ ạ ớ ầ ố ể ạ cm = 1kHz, 5kHz, 10kHz, 15kHz, 20kHz. Nh n xétậ
nh h ng c a t n s đ n s h at đ ng c a m ch.ả ưở ủ ầ ố ế ự ọ ộ ủ ạ
3.4 Cho m ch băm áp bi n đ iạ ế ổ
thu n (forward chopper). Bi tậ ế
đi n áp ngu n Uệ ồ N = 12V, t iả
Rd = 10Ω. T n s chuy nầ ố ể
m ch c a khóa bán d n K làạ ủ ẫ
fcm = 10kHz. T s bi n áp n =ỷ ố ế
N1/N2 = 0,1. Khi cho h sệ ố
d n thông c a van K là ẫ ủ γ = 0,6
hãy:
1. Tính tr s c a L đ dòng đi n ch y qua L không b gián đo n.ị ố ủ ể ệ ạ ị ạ
2. Tính tr s c a C đ đ đ p m ch c a đi n áp trên t i R nh h n 1%.ị ố ủ ể ộ ậ ạ ủ ệ ả ỏ ơ
3. Tính đi n áp và dòng đi n qua t i.ệ ệ ả
3.5 Cho m ch băm áp bi n đ iạ ế ổ
đ y-kéo (Push-Pull chopper).ẩ
Bi t đi n áp ngu n Uế ệ ồ N = 12V,
t i Rd = 10ảΩ. T n s chuy nầ ố ể
m ch c a các khóa bán d n K1,ạ ủ ẫ
K2 là fcm = 10kHz. T s bi nỷ ố ế
áp n = N1/N2 = 0,1. Khi cho hệ
s d n thông c a van K1 và K2ố ẫ ủ
là γ = 0,6 hãy:
1. Tính tr s c a L đ dòng đi n ch y qua L không b gián đo n.ị ố ủ ể ệ ạ ị ạ
2. Tính tr s c a C đ đ đ p m ch c a đi n áp trên t i R nh h n 1%.ị ố ủ ể ộ ậ ạ ủ ệ ả ỏ ơ
3. Tính đi n áp và dòng đi n qua t i.ệ ệ ả
R

3.6 Cho m ch băm áp bi n đ i c c u (Full-Bridge chopper). Bi t đi n áp ngu n Uạ ế ổ ả ầ ế ệ ồ N = 12V, t iả
Rd = 10Ω. T n s chuy n m ch c a khóa bán d n K là fầ ố ể ạ ủ ẫ cm = 10kHz. T s bi n áp n = N1/N2 =ỷ ố ế
0,1. Khi cho h s d n thông c a các van K1-4 là ệ ố ẫ ủ γ = 0,6 hãy:
1. Tính tr s c a L đ dòngị ố ủ ể
đi n ch y qua L không bệ ạ ị
gián đo n.ạ
2. Tính tr s c a C đ đị ố ủ ể ộ
đ p m ch c a đi n áp trênậ ạ ủ ệ
t i R nh h n 1%.ả ỏ ơ
3. Tính đi n áp và dòng đi nệ ệ
qua t i.ả
3.7 Cho m ch băm áp tích lũy đi n dung (Cuk chopper). Bi t đi n áp ngu n Uạ ệ ế ệ ồ N = 100V, t i R =ả
10Ω. T n s chuy n m ch c a khóa bán d n T là fầ ố ể ạ ủ ẫ cm = 10kHz. C1= 22µF. Khi cho h s d nệ ố ẫ
thông c a van T là ủγ = 0,4 hãy:
1. Tính tr s c a L1, L2 đị ố ủ ể
dòng đi n ch y qua chúngệ ạ
không b gián đo n.ị ạ
2. Tính tr s c a C2 đ đị ố ủ ể ộ
đ p m ch c a đi n áp trên t iậ ạ ủ ệ ả
R nh h n 1%.ỏ ơ
3. Tính đi n áp và dòng đi nệ ệ
qua t i.ả
4. Gi thi t dòng đi n qua L1ả ế ệ
L2 là không đ i, đi n áp trênổ ệ
t C2 không đ i. Hãy v d ngụ ổ ẽ ạ
sóng c a:ủ
- Đi n áp và dòng đi n qua van công su t T.ệ ệ ấ
- Đi n áp và dòng đi n qua điôt D.ệ ệ
- Đi n áp và dòng đi n qua L1, L2.ệ ệ
- Đi n áp và dòng đi n qua C1, C2.ệ ệ
5. Tính ch n thông s c a van T và D v i yêu c u m ch ho t đ ng trong ph m vi 0,1ọ ố ủ ớ ầ ạ ạ ộ ạ ≤γ≤ 0,9.
6. Mô ph ng m ch v i t n s chuy n m ch fỏ ạ ớ ầ ố ể ạ cm = 1kHz, 5kHz, 10kHz, 15kHz, 20kHz. Nh n xétậ
nh h ng c a t n s đ n s h at đ ng c a m ch.ả ưở ủ ầ ố ế ự ọ ộ ủ ạ
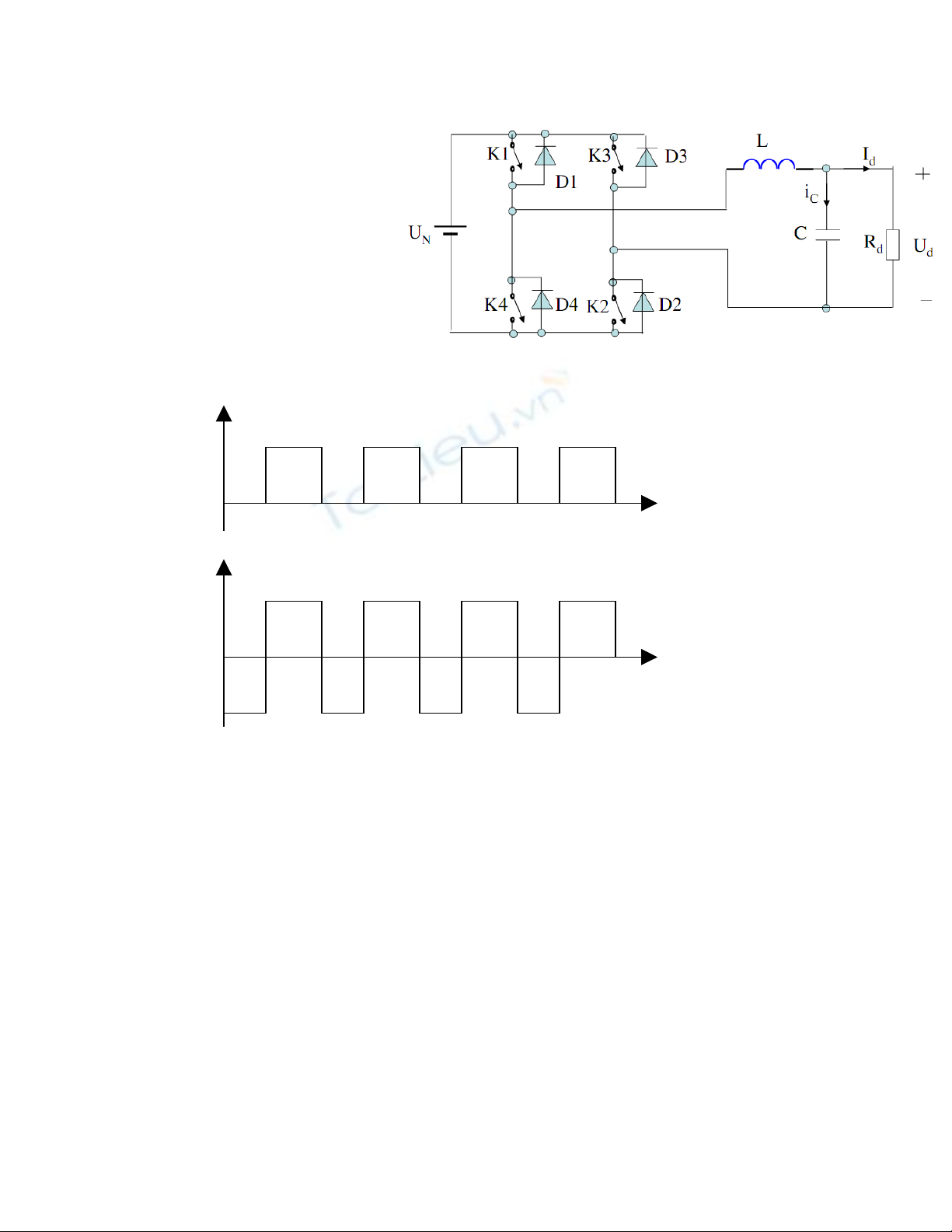
3.8 Cho m ch băm áp b n góc ¼ (Four-quadrant chopper). Bi t đi n áp ngu n Uạ ố ế ệ ồ N = 100V, t i Rả
= 10Ω. T n s chuy n m ch c a các khóa bán d n K1-4 là fầ ố ể ạ ủ ẫ cm = 10kHz. Khi cho h s d nệ ố ẫ
thông c a van T là ủγ = 0,4 hãy:
1. Tính tr s c a L đ dòng đi n ch y qua L không b gián đo n.ị ố ủ ể ệ ạ ị ạ
2. Tính tr s c a C đ đ đ p m ch c a đi n áp trên t i R nh h n 1%.ị ố ủ ể ộ ậ ạ ủ ệ ả ỏ ơ
3. Tính đi n áp và dòng đi n qua t i.ệ ệ ả
4. Gi thi t dòng đi n qua L là không đ i, đi n áp trên t C không đ i. Hãy v d ng sóng c a:ả ế ệ ổ ệ ụ ổ ẽ ạ ủ
- Đi n áp và dòng đi n qua các van công su t K1, K2, K3, K4.ệ ệ ấ

- Đi n áp và dòng đi n qua L.ệ ệ
- Đi n áp và dòng đi n qua C.ệ ệ
5. Tính ch n thông s c a cácọ ố ủ
van K1-4 v i yêu c u m chớ ầ ạ
ho t đ ng trong ph m viạ ộ ạ
0,1≤γ ≤ 0,9.
6. Mô ph ng m ch v i t n sỏ ạ ớ ầ ố
chuy n m ch fể ạ cm = 1kHz, 5kHz,
10kHz, 15kHz, 20kHz. Nh n xétậ
nh h ng c a t n s đ n sả ưở ủ ầ ố ế ự
h at đ ng c a m ch.ọ ộ ủ ạ
7. Hãy xác đ nh d ng xung đi u khi n cho các van K1-4 đ thu đ c d ng sóng đi n áp uị ạ ề ể ể ượ ạ ệ AB có
các d ng nh sau:ạ ư
A
B
uAB
uAB

