
1
CỘNG HÒA XÃ HỘI CHỦ NGHĨA VIỆT NAM
Độc lập – Tự do – Hạnh phúc
ĐỀ THI TỐT NGHIỆP CAO ĐẲNG NGHỀ KHÓA 3 (2009-2012)
NGHỀ: CÔNG NGHỆ Ô TÔ
MÔN THI: LÝ THUYẾT CHUYÊN MÔN NGHỀ
Mã đề thi: OTO-LT15
Hình thức thi: Viết
Thời gian: 105 phút (Phần bắt buộc)
ĐỀ BÀI
Câu 1: (3 điểm)
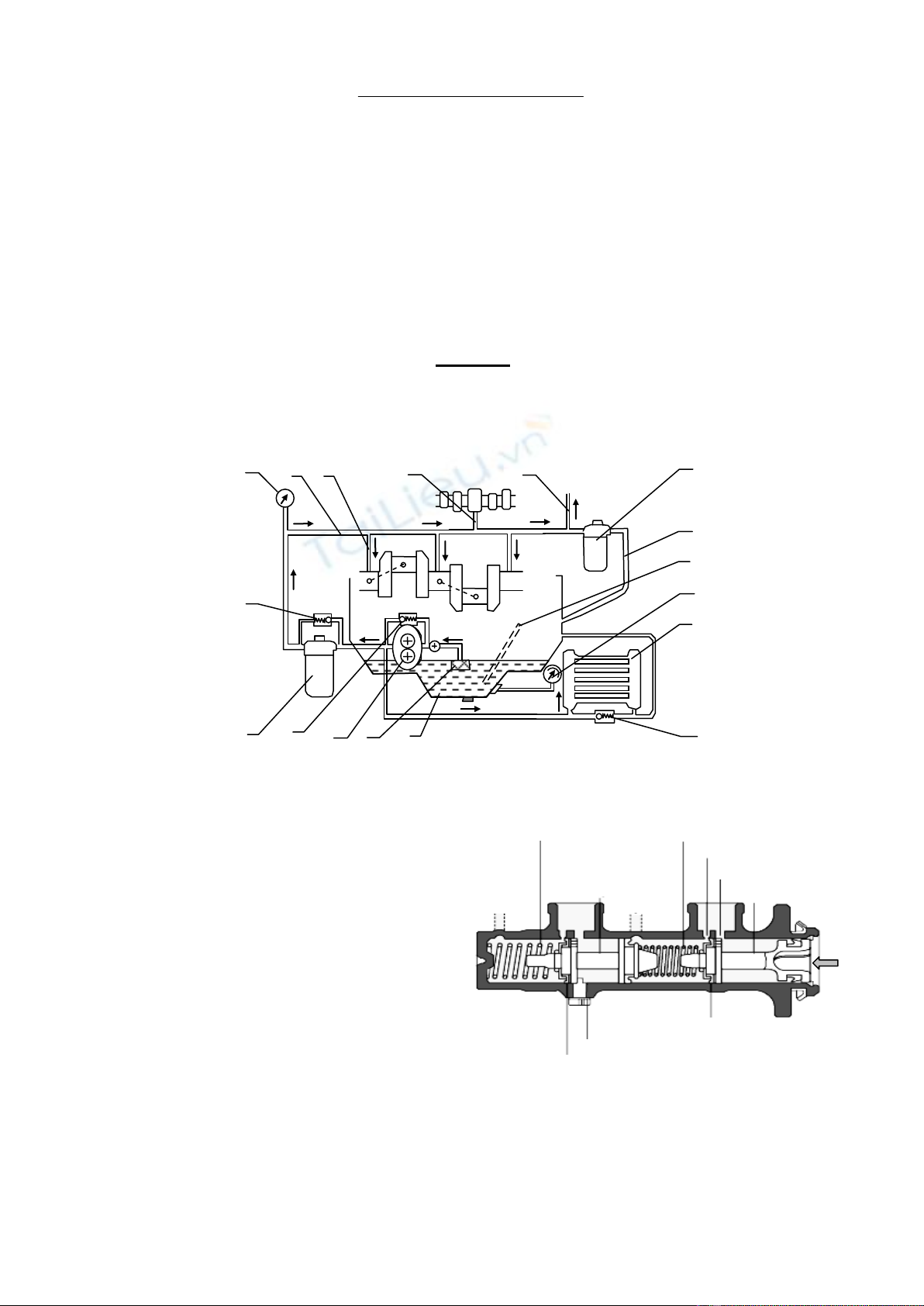
Điền chú thích và trình bày nguyên lý hoạt động của hệ thống bôi trơn (theo hình vẽ).
Câu 2: (2 điểm)
Điền chú thích và trình bày nguyên lý
hoạt động của xilanh chính loại kép trên
hệ thống phanh thủy lực (theo hình vẽ).
Câu 3: (2 điểm)
Trình bày hiện tượng, nguyên nhân hư hỏng và phương pháp kiểm tra máy phát điện xoay
chiều loại kích thích điện từ trên ôtô.
7
1
2
3
4
5
6
8
9
10
11
12
13
14
15
16
17
1
2
3
4
5
6
7
8
9
10
11

2
................Ngày .............tháng............năm 2012
DUYỆT
HỘI ĐỒNG THI TỐT NGHIỆP
TIỂU BAN RA ĐỀ

1
7
1
2
3
4
5
6
8
9
10
11
12
13
14
15
16
17
CỘNG HÕA XÃ HỘI CHỦ NGHĨA VIỆT NAM
Độc lập – Tự do – Hạnh phúc
ĐÁP ÁN
ĐỀ THI TỐT NGHIỆP CAO ĐẲNG NGHỀ KHÓA 3 (2009-2012)
NGHỀ: CÔNG NGHỆ Ô TÔ
MÔN THI: LÝ THUYẾT CHUYÊN MÔN NGHỀ
Mã đề thi: OTO-LT15
Hình thức thi: Viết
Thời gian: 105 phút (Phần bắt buộc)
Câu
Nội dung
Điểm
I. Phần bắt buộc
1
Điền chú thích và trình bày nguyên lý hoạt động của hệ thống bôi trơn (theo hình vẽ).
3
1. Các te;
2. Lưới lọc sơ;
3. Bơm dầu;
4. Van an toàn bơm dầu;
5. Bầu lọc thô;
6. Van an toàn;
7. Đồng hồ chỉ áp suất dầu;
8. Đường dầu chính;
9. Đường dầu bôi trơn trục
khuỷu;
10. Đường dầu bôi trục cam
11. Đường dầu đi bôi trơn
giàn đòn gánh;
12. Bầu lọc tinh;
13. Đường dầu về cácte;
14. Que thăm dầu;
15. Đồng hồ báo nhiệt độ dầu
16. Két làm mát dầu;
17. Van an toàn.
1,5
* Hoạt động
Khi trục khuỷu quay, bơm dầu 3 được dẫn động, hút dầu từ cacte 1 qua phao
lọc 2 và đẩy dầu có áp suất qua bình lọc thô 5 tới đường dầu chính 8 trên thân máy.
Từ đường dầu chính, dầu có áp suất đi vào các lỗ khoan nhánh 9,10 và 11 trên thân
máy tới các rãnh dầu trên bạc để bôi trơn cổ trục khuỷu, cổ trục cam, giàn cần bẩy
và supáp. Dầu có áp suất sau khi bôi trơn các bề mặt ma sát sẽ chảy ra khỏi các bề
mặt này rồi tự chảy về cacte hoặc tiếp tục bôi trơn nhỏ giọt cho các bề mặt khác
như đuôi supáp, ống dẫn hướng supáp, mặt cam và con đội
1,5

2
2
Điền chú thích và trình bày nguyên lý hoạt động của xilanh chính loại kép trên hệ
thống phanh thủy lực (theo hình vẽ).
2
1. Piston số 1
2. Cửa nạp
3. Cửa bù
4. Lò xo hồi số 1
5. Đường dầu phía bánh sau
6. Piston số 2
7. Lò xo hồi số 2
8. Đường dầu đến phía trước
9. Cúp pen piston số 2
10. Bu lông chặn
11. Cúp pen piston số 1
1,0
* Nguyên lý làm việc
+
Khi chưa đạp phanh
: lò xo đẩy hai piston sang phải, xi lanh thông với bình
chứa dầu bằng cửa nạp và cửa bù, dầu nạp đầy xi lanh.
+ Khi đạp bàn đạp phanh: thông qua cơ cấu truyền động đẩy piston 1 sang trái,
thông qua lò xo 4 đẩy piston 2 sang trái, khi hai piston qua cửa bù áp suất trong xi
lanh tăng lên đẩy dầu phanh theo cửa 5 và 8 đến các xi lanh phanh bánh.
+ Khi nhả bàn đạp phanh: áp suất dầu và lò xo 4,7 đẩy hai piston chở về vị trí ban đầu.
1,0
3
Trình bày hiện tượng, nguyên nhân hư hỏng và phương pháp kiểm tra máy phát
điện xoay chiều loại kích thích điện từ trên ôtô.
2
a. Hiện tượng và nguyên nhân hư hỏng máy phát điện:
* Máy phát quay ở tốc độ định mức, điện áp phát ra nhỏ:
+ Nguyên nhân:
- Cuộn dây rôto và stato bị ngắn mạch
- Chổi than bị bẩn, cháy rỗ làm giảm dòng kích thích.
- Một số đi ốt nắn dòng hỏng
* Máy phát không phát ra điện:
+Nguyên nhân:
- Cuộn dây kích thích, stato bị đứt
- Giắc nối không tiếp xúc
- Cuộn dây kích thích chạm mát.
0,3
b. Kiểm tra máy phát sau khi tháo:
* Kiểm tra phần cơ học.
+ Quan sát các hiện tượng hư hỏng thông thường cuộn dây stato, rôto, bộ nắn điện.
+ Chiều cao chổi than chỉ còn 8 mm cần phải thay mới.
+ Vành trượt không bẩn, không sước, độ ô van không quá qui định.
* Kiểm tra các cuộn dây phần stato:
+ Kiểm tra chạm mát các cuộn dây stato: Kiểm tra bằng đồng hồ vạn năng hoặc với
nguồn điện 12V có bóng đèn, dùng để kiểm tra chạm mát. Hai đầu nguồn được nối với
cực và thân máy phát. Nếu đèn sáng là chạm mát.
0,4
1
2
3
4
5
6
7
8
9
10
11

3
Kiểm tra bằng đồng hồ vạn năng chỉnh về thang đo điện trở ( x1)
Một que đo nối vào 1 cực của cuôn dây (thường là cực chung 0), một que đo vào thân
stato, nếu thông mạch là chạm mát.
+ Kiểm tra đứt dây và ngắn mạch cuộn dây stato bằng cách đo trị số điện trở.
Thang đo điện trở ( x1): Một que đo nối với cực chung “0”, que đo còn lại lần lượt
nối với đầu từng pha A,B,C để đo điện trở từng pha.
0,3
0,3
Nếu R (đo được) = R (tiêu chuẩn) cuộn dây còn tốt
Nếu R (đo được) < R (tiêu chuẩn) cuộn dây ngắn mạch.
Nếu R (đo dược) = 0 cuộn dây ngắn mạch hoàn toàn (đầu vào chạm đầu ra)
Nếu R (đo được) = ∞ pha đó đứt dây
+ Kiểm tra đi ốt nắn dòng:
0,3
+ Kiểm tra điốt tháo rời:
Kiểm tra điốt lần 1
Cực âm đồng hồ nối với cực
âm điốt;
Cực dương đồng hồ nối với
cực dương điốt;
Trị số điện trở lớn (thang
đo x1 kim chỉ ∞) tốt
Kiểm tra điốt lần 2
Cực âm đồng hồ nối với cực
dương điốt;
Cực dương đồng hồ nối với
cực âm điốt;
Trị số điện trở bằng tiêu
chuẩn tốt
0,4
Cộng I
7
II. Phần tự chọn, do trường biên soạn
1
2
…
Cộng II
3
Tổng cộng (I+II)
10
………………………….………………, Ngày……………………..………tháng……………….……năm 2012
A
C
B
O
12
V
+
-

