
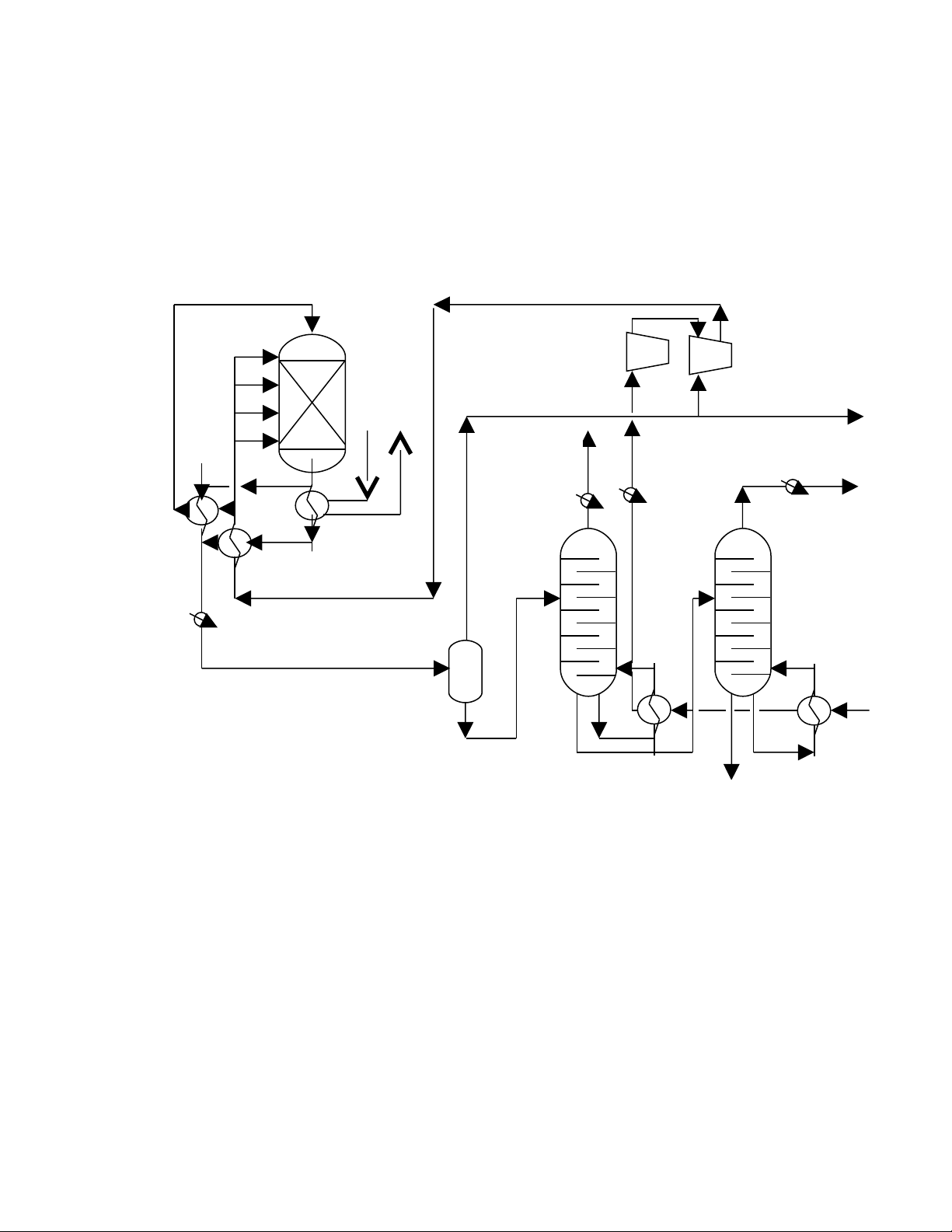
2. Thiết bị tách 6. Thiết bị làm lạnh
3. Cột tách phân đoạn nhẹ 7. Máy nén hồi lưu tuần hoàn
4. Tháp tách MeOH
3. Sơ đồ công nghệ tổng hợp MeOH áp suất thấp của hãng ICI:
Hình 4: Sơ đồ công nghệ tổng hợp MeOH áp suất thấp của hãng ICI
1. Tháp tách MeOH sạch 5. Thiết bị phân ly
2. Tháp tách phần nặng 6. Thiết bị phản ứng
3. Thiết bị trao đổi nhiệt 7. Máy nén khí phản ứng
4. Thiết bị làm lạnhg 8. Máy nén khí tuần hoàn
10
3
2
Khí sạch
MeOH tinh
Khí nhẹ
hơi Khí hồi lưu
KTH
nước
phần nặng
8
6
5
4
7
1

CHƯƠNG IV: QUÁ TRÌNH HALOGEN HÓA
§1. NHỮNG ĐẶC TRƯNG CHUNG CỦA CÔNG NGHỆ HALOGEN HÓA
I. Giới thiệu:
Quá trình halogen hóa là một trong những quá trình quan trọng trong tổng
hợp hữu cơ, gồm có: quá trình Clo hóa, Brom hóa, Flo hóa, Iot hóa; trong đó:
+ ứng dụng trong công nghiệp chủ yếu là quá trình Clo hóa, Flo hóa
+ quá trình Brom hóa, Iot hóa: thường dùng trong phòng thí nghiệm, viện
nghiên cứu, sản xuất nhỏ...
Tầm quan trọng của quá trình Halogen hóa:
- tạo ra các monome chứa halogen (X):
+ VCM: vinylclorua monome → là monome quan trọng để tổng hợp nhựa
PVC
+ tetra flo etylen: → tổng hợp nhựa polytetrafloetylen là loại nhựa có thể
chịu được tất cả các môi trường nhờ liên kết C - F
- sản xuất các hợp chất trung gian như:
+ DCE: dicloetan → phần lớn dùng để sản xuất VCM
+ Clobenzen là tác nhân alkyl hóa → sản xuất ra các hợp chất chứa Oxy như
rượu, phenol...
- sản xuất dung môi có độ hòa tan cao: CCl4; CHCl2 - CCl3; CH2Cl2
- sản xuất các tác nhân lạnh: freon (dẫn xuất clo - flo) như F1,2 (CF2Cl2); F2,2
(CHFCl2)
- trong nông nghiệp: sản xuất thuốc trừ sâu như hexa clo cyclohexan
- trong y tế:
+ cloral CCl3CHO lỏng → điều chế thuốc ngủ
+ cloetan C2H5Cl khí → dùng làm dung môi trong y học
II. Các phương pháp halogen hóa: Các dẫn xuất halogen thu được bằng 3 phản
ứng đơn giản: - phản ứng thế
1
halogen hóa

- phản ứng cộng
- phản ứng cắt mạch
Những tác nhân halogen hóa thường dùng nhất là halogen tự do và hydro
halogen khan nước. Nhiệt độ sôi của chúng ở điều kiện thường như sau:
F2-188,0 oC HF 19,4oC
Cl2 -34,6 oC HCl -83,7oC
F2 58,8oC HBr -67,0oC
1. Halogen hóa thế: dùng để thế nguyên tử H hoặc gốc OH bằng 1 nguyên tử X
hoặc thế nguyên tử X này bằng một nguyên tử X khác.
1.1. Thế bằng X2:
RH + X2 RX + HX
Trong trường hợp này nguyên tử X có thể gắn lên nguyên tử C no, không no
hoặc vòng thơm và khả năng phản ứng như sau:
I2 < Br2 < Cl2 < F2
* Hiệu ứng nhiệt của các phản ứng
RCH3 + X2 RC H2X + HX
X- ∆H298 (KJ/mol)
F 460
Cl 105
Br 34
I -50
1.2. Thế bằng hydrohalogen HX
- Thế nhóm hydroxyl
R - OH + HX RX + H2O
Phản ứng này được xem như là phản ứng este hóa giữa acid và alcol tạo
thành halogenua và H2O
Khả năng phản ứng của các HX như sau: HF < HCl < HBr < HI
- Thế halogen bằng Halogen
2

Ứng dụng để điều chế các dẫn xuất F, Br, I từ những hợp chất chứa Cl
CCl4 + 2HF CCl2F2 + 2HCl
RCl + NaBr RBr + NaCl
- Thế các hợp chất amin
Có thể thực hiện phản ứng thế một nhóm chức amin bậc 1 của hydrocacbon
thơm bằng một nguyên tử X để tạo thành hợp chất trung gian diazohalogenua. Sau
đó phân hủy hợp chất này để tạo halogenua thơm và N2:
Ví dụ:
ArNH2 + NaNO2 + 2HX ArN2X + NaX + 2H2O
ArN2X ArX + N2
2. Halogen hóa cộng hợp: là phản ứng cộng X2, HX hay các Halogenua vào nối
đôi hoặc nối ba.
2.1. Cộng hợp vào nối đôi: các tác nhân như X2, HX, acid hypocloric HClO có thể
tham gia phản ứng cộng vào các nối đôi để có thể tạo thành các hợp chất mono hoặc
dihalogen
- Cộng X2:
Phản ứng : RCH = CHR' + X2RCH - CHR'
X X
Tất cả các X2 đều có thể tham gia phản ứng này.
- Cộng HX: tương tự tất cả HX đều có khả năng tham gia phản ứng cộng vào nối
đôi. Phản ứng này xảy ra theo cơ chế gốc và theo qui tắc Maccôpnhicôp với sự có
mặt của xúc tác Halogenua kim loại.
* Hiệu ứng nhiệt của các phản ứng halogen hóa cộng hợp như sau:
Hiệu ứng nhiệt - ∆H2980 (KJ/mol)
Phản ứng
X
CH2= CH2 + X2 CH2= CH2
X X
CH2= CH2 + HX CH3- CH2
X
F540 42
Cl 184 71
3

Br 92 88
I17 88
- Cộng HClO:
Hợp chất HClO được tạo thành bằng cách sục Clo vào H2O sau đó cho phản
ứng với olefin để tạo Clohydrin.
RCH = CHR' + HClO RCH - CHR'
OH Cl
2.2. Cộng vào nối ≡
Các X2 và HX có thể cộng vào nối ≡ để tạo thành các olefin có chứa halogen.
Và các olefin này có thể tiếp tục bị halogen hóa để tạo thành hợp chất polyhalogen.
- Cộng với X2:
R - C≡ C - R' + X2R - C = C - R'
X X
R - C = C - R' + X2R - CX - CX - R'
X X X X
- Cộng với HX:
R - C≡ C - R' + HX R - C = C - R'
H X
2.3. Cộng vào nhân thơm
Các X2 có thể tham gia cộng hợp vào nhân thơm khi được chiếu sáng
3. Phản ứng cắt mạch của những dẫn xuất Clo
Một số phản ứng tiêu biểu:
CH2Cl - CH2Cl CH2 = CHCl + HCl (1)
CCl3 - CCl3CCl2 = CCl2 + Cl2(2)
CCl3 - CCl3 + Cl22CCl4(3)
4
Cl
Cl
+ Cl2

