
140
Chương 5
DAO CÁCH LY, DAO NGẮN MẠCH, KHÁNG ĐIỆN
VÀ THIẾT BỊ CHỐNG SÉT
Mở đầu
Dao cách ly cao p dùng đ đng cắt, chuyn đổi mạch đin cao p khi không c
dòng đin hoặc khi dòng đin rất nhỏ. Nhim v ch yu ca dao cách ly là tạo ra được
một khong cch cch đin trông thấy giữa phn mang đin p cao với thit bị hoặc
đường dây được cch ly, n đm bo an toàn đồng thời đem lại tâm lý an tâm cho người
sửa chữa hoặc bo dưỡng thit bị hoặc đường dây được cch ly.
Dao cách ly không c bộ phn dp tắt hồ quang nên không được phép ngắt dòng
ph ti cũng như dòng ngắn mạch. Dao cch ly c th đng cắt dòng đin dung ca
đường dây hoặc cp khi không ti, dòng đin không ti ca my bin p. Ở trạng thi
đng, dao cch ly phi chịu được dòng đin định mc dài hạn và dòng s cố ngắn hạn
như dòng ổn định nhit, dòng xung kích. Trong lưới đin dao cch ly thường được lắp
đặt trước thit bị bo v như my cắt, cu chì.
Dao ngắn mạch tạo ra dòng ngắn mạch trong mạch đin. Khi c tín hiu ca rơle
bo v, gi sử my bin p qu ti, du qu nng, rơle hơi tc động, sẽ cấp tín hiu đ
đng dao ngắn mạch.
Thit bị chống sét dùng đ bo v cc thit bị đin, trnh được hỏng hc cch
đin do qu đin p cao từ khí quyn (thường là do sét) tc động vào. Muốn dẫn được
xung đin p cao do sét gây nên xuống đất, một đu ca thit bị chống sét được nối
vào đường dây, đu kia nối đất. Khi c qu đin p cao, thit bị chống sét phi nhanh
chng dẫn đin p này xuống đất, đ đin p cao không chạy vào thit bị.
Khng đin là cuộn dây c đin cm không đổi, được mắc nối tip trong mạch
đin cao p, nhằm hạn ch dòng đin ngắn mạch. Khng đin còn c chc năng duy trì
một đin p cn thit trên thanh ci khi c s cố ngắn mạch đường dây sau khng đin,
nhằm đm bo cho lưới đin, cc ph ti nối vào thanh ci trước khng đin làm vic
được ổn định khi ngắt ngắn mạch.
5.1. DAO CÁCH LY
5.1.1. Khái quát và công dụng
Dao cch ly dùng đ đng cắt, chuyn đổi mạch đin cao p khi không c dòng
đin hoặc khi dòng đin rất nhỏ. Nhim v ch yu ca dao cch ly là tạo ra được một

141
khong cch, cch đin trông thấy giữa phn mang đin p cao với thit bị hoặc đường
dây được cch ly, n đm bo an toàn đồng thời đem lại tâm lý an tâm cho người sửa
chữa hoặc bo dưỡng thit bị hoặc đường dây được cch ly (hình 5.1). Ngoài ra dao
cch ly còn c nhim v đổi nối trong cc sơ đồ phân phối đin, đổi nối thanh gp
phân đoạn, nối đất đường dây…vv.
Dao cách ly không có
bộ phn dp tắt hồ quang
nên không được phép ngắt
dòng ph ti cũng như dòng
ngắn mạch. Dao cách ly có
th đng cắt dòng đin dung
ca đường dây hoặc cp
không ti, dòng đin không
ti ca my bin p.
Hình 5.1. Dao cách ly.
1 tiếp điểm tĩnh; 2 lưỡi dao;
3 lưỡi dao đã cắt điện; 4 tiếp điểm động.
Ở trạng thi đng, dao cch ly phi chịu được dòng đin định mc dài hạn và
dòng s cố ngắn hạn như dòng ổn định nhit, dòng xung kích.
Trong lưới đin dao cch ly thường được lắp đặt trước thit bị bo v như my
cắt, cu chì. Vic đng cắt dao cch ly được thc hin bằng bộ truyn động điu khin
bằng tay, bằng đin, bằng khí nén. Thao tc ca cm dao cch ly như sau: trong qu
trình đng, dao cch ly đng trước, my cắt đng sau, còn trong qu trình cắt, my cắt
được cắt trước, sau đ đn dao cch ly.
Cc yêu cu chính đối với dao cch ly:
- Phi đm cch ly an toàn, rõ ràng.
- Ở trạng thi đng, dao cch ly phi chịu được dòng đin định mc dài hạn và
dòng s cố ngắn hạn như dòng ổn định nhit, dòng xung kích.
- Phi làm vic tin cy trong điu kin phc tạp như thời tit ẩm ướt, ha chất,
bẩn bi, nhất là dao cch ly lắp đặt ngoài trời.
- Kt cấu đơn gin, dễ thao tc, dễ bo trì.
5.1.2. Phân loại
- Theo môi trường lắp đặt c loại lắp đặt trong nhà và loại lắp đặt ngoài trời.
- Theo kt cấu c dao cch ly một pha, dao cch ly ba pha.
- Kt cấu kc nhau cơ bn ca dao cch ly là đặc tính chuyn động ca lưỡi dao:

142
Dao cách ly c lưỡi dao kiu chém (đng mở trong mặt phẳng thẳng đng). Dao cch
ly c lưỡi dao quay ngang và dao cách ly c dao chuyn động tịnh tin (kiu treo). Dao
cách ly ba cc c th được gắn trên một gi chung (đn 35 kV) hoặc mỗi cc trên một
gi riêng, song truyn động đng cắt đu được thc hin đồng thời cho c ba pha.
- Một số dao cch ly có dao nối đất, khi cắt dao cch ly, dao nối đất được tip
đất, phn năng lượng tích t trong cc thit bị nối với đường dây được cch ly (trong
my bin p công suất, động cơ cao p, t bù dọc đường dây) được tho xuống đất
đm bo an toàn cho người sửa chữa, bo dưỡng đường dây và thit bị.
Tip đim ca dao cch ly c nhiu dạng khc nhau nhưng tip xúc mặt và
đường được sử dng nhiu hơn. Với dao cch ly dòng lớn đ gim s pht nng ca
tip đim ngoài vic sử dng p lc lớn lên tip đim, người ta còn sử dng nhiu dao
song song cho một pha. Đ trnh cho tip đim ca dao bị hàn dính và lưỡi dao bị
văng ra do lc đin động, khi dòng ngắn mạch đi qua thì ngoài bin php tăng tit din
tip xúc và sử dng lc ép cn thit lên tip đim, người ta sử dng cc bin php kho
hãm má dao.
5.1.3. Dao cách ly đặt trong nhà
a. Cấu tạo
Hình 5.2: 1. Lưỡi dao tip xúc
động; 2. Lò xo; 3. S đỡ thanh
truyn động; 4. Tip xúc tĩnh; 5. Cc
bắt dây nối nguồn; 6. Gi đỡ; 7.
Trc truyn động; 8. Cn thao tc; 9.
S đỡ lưỡi dao động; 10. Cc bắt
dây nối ti
b. Nguyên tắc thao tác và vận hành
- Nguyên tắc thao tác
Muốn cắt cch ly phi cắt đin ở
Hình 5.2. Cấu tạo dao cách ly đặt trong nhà
my cắt nối tip với dao cch ly trước, sau đ mới được cắt đn cch ly, khi đng thì
đng dao cch ly trước, sau đ mới đng đin my cắt nối tip với cch ly đ dao cch
ly mang ti
- Vận hành
Nu dao cch ly ở vị trí đng thì tip xúc động 1 sẽ đng chặt vào tip xúc tĩnh 4.

143
Sau khi đng my cắt nối tip cch ly, thì dòng đin ti từ nguồn qua cc bắt dây 5 qua
tip xúc tĩnh 4 qua tip xúc động 1 qua cc bắt dây 10 v ti. Muốn cắt cch ly, trước
ht phi cắt đin my cắt nối tip với dao cch ly, sau đ sử dng động cơ hoặc tay, tc
động vào cn thao tc số 8. Kéo xuống là cch ly, đẩy lên là đng cắt ly.
c. Ưuđiểm và phạm vi sử dụng
Loại dao cch ly này c ưu đim cấu tạo đơn gin, gọn, dễ lắp đặt và thao tác.
Phạm vi sử dng lắp đặt trong nhà, ch yu lắp đặt cho lưới đin trung p.
5.1.4. Dao cách ly lắp đặt ngoài trời
a. Cấu tạo
Hình 5.3: 1. Lưỡi dao tip xúc
tĩnh; 2. Lưỡi dao tip xúc động; 3.
Dây dẫn mm; 4. Cc bắt dây nối
ti; 5. S đỡ lưỡi dao; 6. Thanh
truyn động; 7. Gi đỡ; 8. Cc bắt
dây nối đất an tòan; 9. Trc quay;
10. Cc bắt dây nối nguồn.
b. Nguyên tắc thao tác vận hành
- Nguyên tắc thao tác
Muốn cắt cch ly phi cắt đin ở
my cắt nối tip với dao cch ly.
Hình 5.3. Cấu tạo dao cách ly đặt ngoài trời
Khi đng dao cch ly thì đng trước khi đng đin cho my cắt nối tip cch ly. (Đng
và cắt cch ly đu không c dòng đin ti).
- Vận hành
Khi dao cch ly ở vị trí đng lưỡi dao 1 và 2 đng chặt vào nhau dòng đin từ
nguồn qua cc bắt dây 10 qua dây dẫn mm 3 qua lưỡi dao 1 và 2 qua cc bắt dây 4 ra
ti. Muốn cắt cch ly trước ht phi cắt đin ở my cắt nối tip với dao cch ly. Khi cắt
cch ly, dùng động cơ hoặc quay tay, tc động vào bộ truyn động làm cho trc quay 9
và s đỡ 5 quay, kéo lưỡi dao động 1 và 2 tch rời nhau quay ngược chiu cùng một
phía, trên cùng một mặt phẳng ngang đn khi chúng song song với nhau mới cắt ht
hành trình.
c. Ưu điểm và phạm vi sử dụng

144
Loại dao cch ly ngoài trời thường được thit k lưỡi dao động quay theo mặt
phẳng ngang hoặc mặt phẳng thẳng đng, đ đm bo an toàn và ở những dao cch ly
công suất lớn, người ta thường sử dng động cơ đ truyn động đng cắt từ xa và t
động. Phạm vi sử dng dao cch ly ở mọi cấp đin p từ 3kV trở lên.
5.2. DAO NGẮN MẠCH
Dao ngắn mạch thường được sử dng trong cc trạm bin p đ thay th my cắt,
gim chi phí lắp đặt nhưng vẫn đm bo độ tin cy ca cung cấp đin.
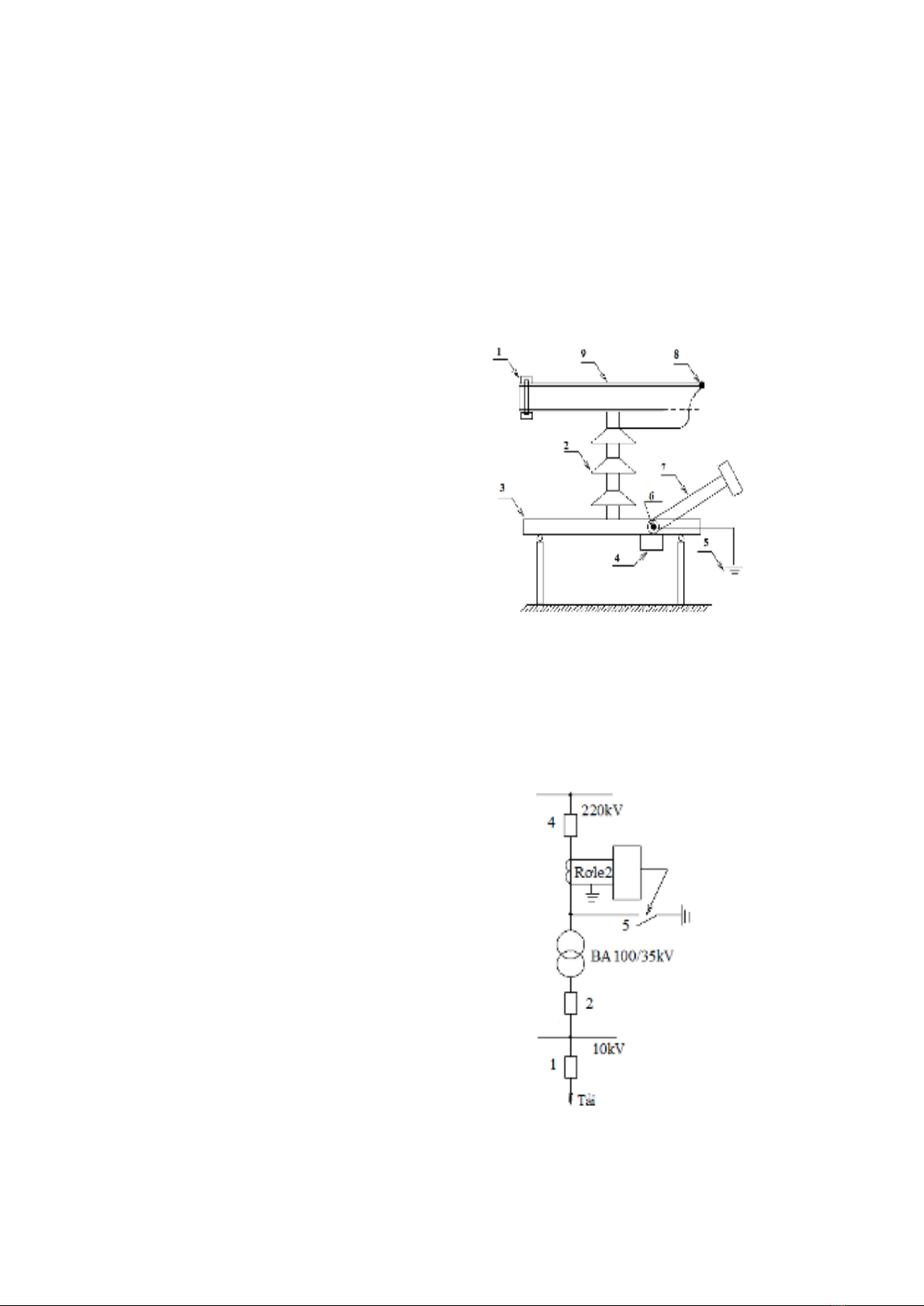
a. Cấu tạo
Hình 5.4: 1. Cc bắt dây nối nguồn;
2. S đỡ cch đin; 3. Gi đỡ; 4. Bộ
truyn động; 5. Dây nối đất; 6. Trc
quay; 7. Lưỡi dao tip xúc động; 8. Cc
bắt dây nối ti; 9. Lưỡi dao tip xúc tĩnh
b. Nguyên lý làm việc
Hình 5.5a. Khi c tín hiu ca rơle
bo v, gi sử my bin p (MBA) quá
ti, du qu nng, rơle tc động sẽ cấp
tín hiu đ đng dao ngắn mạch. Ngắn
mạch lớn làm my cắt 4 tc động cắt
mạch đin ra khỏi lưới đin.
Hình 5.4. Sơ đồ cấu tạo dao ngắn mạch
Hình 5.5b. Có 2 máy bin áp 1T, 2T
nên cn 2 dao cách ly 6 – 1; 6 – 2. Ở trạng
thái làm vic bình thường, các dao cách ly
ở trạng thi đng, còn cc dao ngắn mạch ở
trạng thái cắt.
Gi sử đang làm vic thì my bin p
1T s cố, bo v rơle sẽ đng dao ngắn
mạch 5 -1, my cắt 4 sẽ cắt, đồng thời tín
hiu từ bo v rơle sẽ cắt c my cắt đu ra
2 – 1 ca bin p 1T. Sau một thời gian trễ
dao cách ly 6 – 1 sẽ cắt và máy cắt 4 sẽ
đng lai, cấp đin cho máy bin áp 2T.
Hình 5.5a. Sơ đồ ngắn mạch 1 MBA

