
CH NG 4ƯƠ
MÁY BI N ÁP BA PHAẾ
4.1 M đ uở ầ
Trong th c t công nghi p, ng i ta th ng s d ng bi n áp nhi u pha.ự ế ệ ườ ườ ử ụ ế ề
Bi n áp nhi u pha xu t hi n do n i m t cách thích h p nhi u bi n áp m t phaế ề ấ ệ ố ộ ợ ề ế ộ
l i v i nhau, ho c do thi t k riêng máy bi n áp nhi u pha. So sánh 2 lo i bi nạ ớ ặ ế ế ế ề ạ ế
áp nhi u pha cùng công su t v i nhau ng i ta th y bi n áp nhi u pha do ghépề ấ ớ ườ ấ ế ề
các bi n áp m t pha có s l ng thép nhi u h n kh i l ng thép c a bi n ápế ộ ố ượ ề ơ ố ượ ủ ế
nhi u pha đ c thi t k riêng. Vì v y khi c n dùng bi n áp nhi u pha ng i taề ượ ế ế ậ ầ ế ề ườ
thi t k riêng nh ng bi n áp nh th .ế ế ữ ế ư ế
Ta th ng g p các bi n áp 3 pha, 6 pha, 9 pha 12 pha. Nh ng bi n áp cóườ ặ ế ữ ế
s pha l n h n 3 th ng dùng rong các b bi n đ i tĩnh.ố ớ ơ ườ ộ ế ổ
4.2 M ch t c a bi n áp 3 pha.ạ ừ ủ ế
Đ hình dung đ c quá trình hình thành bi n áp 2 pha ta hãy xét m t víể ượ ế ộ
d sau: Ghép 3 bi n áp 1 pha nh hình 4.1ụ ế ư
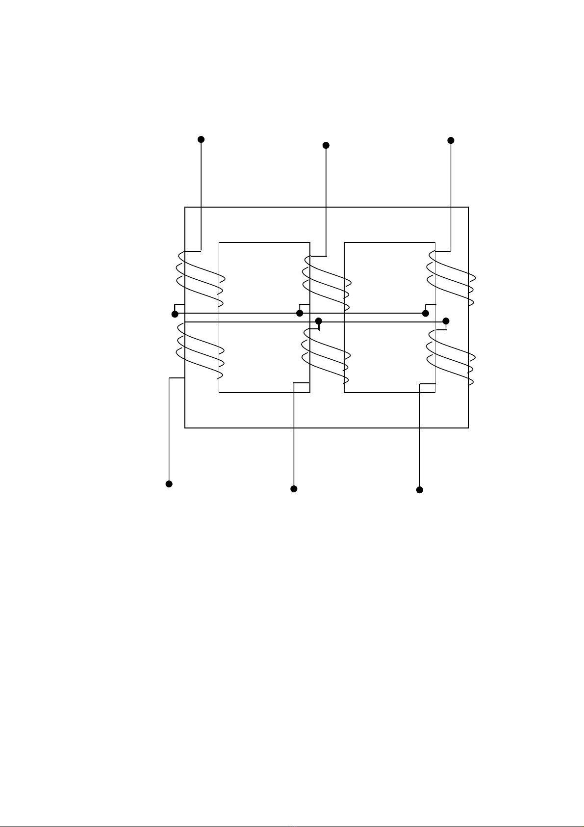
Chúng ta còn có th t o m t bi n áp 3 pha nh hình v 4.2. Đây là bi nể ạ ộ ế ư ẽ ế
áp có lõi thép ph ng 3 c t. M i c t đ c đ t 2 cu n dây: cu n s c p và cu nẳ ộ ỗ ộ ượ ặ ộ ộ ơ ấ ộ
th c p. Lo i bi n áp 3 pha này có đ c đi m là t thông trong các c t không đ iứ ầ ạ ế ặ ể ừ ộ ố
x ng, c t gi a có s t thông l n h n còn 2 c t bên có s t thông ít h n. Tuyứ ộ ữ ố ừ ớ ơ ộ ố ừ ơ
41
ABC
x y z
XY Z
abc0
Hình 4.1 Bi n áp 3 pha đ c t o t 3 bi n áp m t phaế ượ ạ ừ ế ộ

nhiên s khác nhau này không l n l m, nên v nguyên t c chúng ta có th coiự ớ ắ ề ắ ể
nh t thông các c t nh nhau.ư ừ ộ ư
4.3 Cách n i cu n dây c a máy bi n áp 3 phaố ộ ủ ế
Cu n dây c a máy bi n áp 3 pha ph i đ m b o n i đúng đ t thôngộ ủ ế ả ả ả ố ể ừ
khép kín qua m ch t , n u các cu n dây n i không đúng t thông s không khépạ ừ ế ộ ố ừ ẽ
kín qua m ch t , làm tăng dòng kích t . Các cu n dây c a máy bi n áp có thạ ừ ừ ộ ủ ế ể
n i sao, tam giác ho c sao kép (zic-z c).ố ặ ắ
V i m i cu n dây, vi c l a ch n đ u và cu i là tuỳ ý. Cu n dây thu n,ớ ỗ ộ ệ ự ọ ầ ố ộ ậ
ph i là cu n dây mà đ u ph i là đi m xu t phát, t đó ta qu n cu n dây theoả ộ ầ ả ể ấ ừ ấ ộ
chi u kim đ ng h . Cu n dây trái là cu n qu n theo chi u ng c l i. D i đâyề ồ ồ ộ ộ ấ ề ượ ạ ướ
chúng ta nghiên c u cách n i dây trong máy bi n áp 3 pha.ứ ố ế
4.3.1 Cu n dây bi n áp 3 pha n i sao(Ký hi u là Y(y)).ộ ế ố ệ
Đ ti n theo dõi chúng ta qui c nh sau:ể ệ ướ ư
-Đ u cu n dây s c p ta ký hi u tu n t là A, B, C, cu i là X, Y, Zầ ộ ơ ấ ệ ầ ự ố
-Đ u cu n dây th c p ta ký hi u tu n t là a, b, c, cu i là x, y, zầ ộ ứ ấ ệ ầ ự ố
42
A B C
X Y Z
x y z
a b c
Hình 4.2 Bi n áp 3 pha lõi thép ph ngế ẳ

Khi ta n i 3 đ u cu i c a 3 cu n dây s c p (ho c th c p) c a máyố ầ ố ủ ộ ơ ấ ặ ứ ấ ủ
bi n áp 3 pha l i ta đ c cu n dây máy bi n áp ba pha n i sao và ký hi u là Yế ạ ượ ộ ế ố ệ
ho c y). ặ
Máy bi áp 3 pha có th th c hi n n i sao nh sau: S c p và th c pế ể ự ệ ố ư ơ ấ ứ ấ
đ u n i sao (hình 4.2). V i cách n i này sđđ t c th i các vòng dây khép kínề ố ớ ố ứ ờ ở
AB-BC-CA đ c xác đ nh nh sau:ượ ị ư
eA=Emax1sinωt+Emax3sin3ωt+ ....+ Emax5sin5ωt+...
eB=Emax1sin(ωt-
3
2
π
)+Emax3sin3(ωt-
3
2
π
) + ....+ Emax5sin5(ωt-
3
2
π
)+... (4.2)
eA=Emax1sin(ωt+
3
2
π
)+Emax3sin3(ωt+
3
2
π
) + ....+ Emax5sin5(ωt+
3
2
π
)+...
Thay các giá tr này vào (4.1) ta đ c:ị ượ
eAB =
3
Emax1sin(ωt+
6
π
)+
3
Emax5sin(5ωt-
6
π
)+
3
Emax7sin(7ωt+
6
π
) ....+...
eBC =
3
Emax1sin(ωt+
6
π
-
3
2
π
)+
3
Emax5sin(5ωt-
6
π
+
3
2
π
)+
3
Emax7sin(7ωt+
6
π
-
3
2
π
)+..
eCA =
3
Emax1sin(ωt+
6
π
-
3
4
π
)+
3
Emax5sin(5ωt-
6
π
+
3
4
π
)+
3
Emax7sin(7ωt+
6
π
-
3
4
π
)+..
T các bi u th c này ta th y: sóng b c 3 và b i s c a nó không t n t i trongừ ể ứ ấ ậ ộ ố ủ ồ ạ
đi n áp dây. Hi n t ng này có th gi i thích nh sau:ệ ệ ượ ể ả ư
Đi n áp dây c a t t c các sóng b c 3k+1, k c sóng c b n (t c làệ ủ ấ ả ậ ể ả ơ ả ứ
sóng b c nh t c a h th ng đi n áp 3 pha) t o thành nh ng h th ng đ i x ngậ ấ ủ ệ ố ệ ạ ữ ệ ố ố ứ
theo th t đ i nhau có pha đ u tiên ứ ự ố ầ ϕ=300 (hình 4.4a) còn t t c các sóng b cấ ả ậ
3k-1 t o thành h đ i x ng ng c pha có góc l ch pha ạ ệ ố ứ ượ ệ ϕ=-300 (hình 4.4b).
Biên đ c a đi n áp dây (3k+1) đ u l n h n ộ ủ ệ ề ớ ơ
3
biên đ sóng t ng ngộ ươ ứ
c a đi n áp pha., c th :ủ ệ ụ ể
43
eAB eBC eCA
A
B
C
xyz
Hình 4.3 S đ máy bi n ơ ồ ế
áp ố
eAB=eA-eB
eBC=eB-eC (4.1)
eCA=eC-eA
trong đó eAB, eBC, eCA- là sđđ dây (hình 4.3).
Nh ng sđđ c a bi n áp trong tr ng h p t ng quátữ ủ ế ườ ợ ổ
không có d ng hình sin. Phân tích chúng sang chu iạ ỗ
Fuorier ta có:
EA1
EB1
EC1
-EB1
-EC1
-EA1
EAB1
EBC1
ECA1
EAB5
EBC5
ECA5
EA5
EB5
EC5
-EC5
-EA5
-EB5
Hình 4.4 Đ th véc t c a sóng b c 1(a) và b c 5 ồ ị ơ ủ ậ ậ
(b)
a) b)

Emaxdγ=
3
Emaxdpγ (4.3)
Trong đó: γ =3k+1 b c sóng đa hài, d, p-ký hi u dây và pha.ậ ệ
Dòng đi n s là: Iệ ẽ d=Ip(4.4)
Công su t c a sóng b c 1:ấ ủ ậ
P1=3Ep1Ip1cosϕ =
3
Ep1Ip1cosϕ (4.5)
4.3.2 Cu n dây bi n áp n i tam giác (ký hi u là D(d))ộ ế ố ệ
Đ n i cu n dây máy bi n áp 3 pha tam giác ta làm nh sau: đ u cu nể ố ộ ế ư ầ ộ
dây pha này n i v i cu i cu n dây pha khác b ng cách đó hình thành cho ta cu nố ớ ố ộ ằ ộ
dây khép kín (Hình 4.5). Gi thi t r ng iả ế ằ AX, iBY , iCZ là dòng đi n t c th i trongệ ứ ờ
các cu n dây 3 pha c a bi n áp 3 pha còn iộ ủ ế A, iB , iC là dòng đi n 3 dây n i vàoệ ố
các đ uầ
A,B,C c a bi n áp, ta có nh sau:ủ ế ư
iA = iAX - iBY ;
iB = iBY - iCZ (4.6)
iC = iCZ – iAX
Đ th véc t c a sóng b c 1 bi u di n trên hình 4.5c. T đ th ta th yồ ị ơ ủ ậ ể ễ ừ ồ ị ấ
r ng dòng đi n trong dây d n v t tr c dòng đi n trong pha m t góc 30ằ ệ ẫ ượ ướ ệ ộ 0. Do
v y:ậ
Id1=
3
Ip1 (4.7)
Nghĩa là dòng dây b ng căn 3 l n dòng pha. Dòng đi n b c 3 không thằ ầ ệ ậ ể
ch y dây l i cung c p, mà nó khép kín trong các cu n dây n i tam giác (hìnhạ ở ướ ấ ộ ố
4.6).
44
a) b) c)
Hình 4.5 S đ máy bi n áp ba pha n i tam giac a,b s đ , c)Sao đi n ơ ồ ế ố ơ ồ ệ
áp
A
B
C
X Y Z
a b c
x y z
IAX
EBY
ECZ
-EBY
-ECZ
-EAX
IA
IB
IC
IAIBIC
IAX IBY ICZ
A -Y
B-Z
C-X
I3
EA3
EA3
EC 3
Hình 4.6 Dòng b c 3 khép kín ậ
trong vòng dây t o nên t 3 ạ ừ
pha

4.3.3 Cu n dây bi n áp n i sao kép (zic-z c).ộ ế ố ắ
Đ n i cu n dây bi n áp 3 pha thành sao kép ta chia m i cu n dây ra làmể ố ộ ế ỗ ộ
2 ph n có s vòng dây b ng nhau, sau đó ta n i n a cu n dây trên c a pha nàyầ ố ằ ố ử ộ ủ
v i n a cu i cu n dây pha khác (hình 4.7). V i cách n i nh v y, làm cho sđđ ớ ử ố ộ ớ ố ư ậ ở
m i pha là hi u hình h c sđđ các n a cu n dây cùng m t cu n dây. Sđđ sỗ ệ ọ ở ử ộ ộ ộ ẽ
b ng ằ
3
sđđ c a m i cu n dây. Cách n i này ch dùng cu n h đi n áp.ủ ỗ ộ ố ỉ ở ộ ạ ệ
4.4 T n i dây c a máy bi n áp 3 phaổ ố ủ ế
máy bi n áp 3 pha cho bi t cách n i cu n dây ch a đ , vì nó khôngỞ ế ế ố ộ ư ủ
cho ta bi t đ l ch pha gi a đi n áp s c p và th c p c a pha cùng tên. Vi cế ộ ệ ữ ệ ơ ấ ứ ấ ủ ệ
bi t đ c góc l ch pha gi a đi n áp phía s c p và th c p r t c n thi t khiế ượ ệ ữ ệ ơ ấ ứ ấ ấ ầ ế
bi n áp làm vi c song song. Vì l đó bi n áp ba pha, ngoài vi c cho bi t cáchế ệ ẽ ở ế ệ ế
n i cu n dây, ng i ta còn cho bi t góc l ch pha ố ộ ườ ế ệ α gi a đi n áp dây phía s c pữ ệ ơ ấ
v i đi n áp dây phía th c p. Căn c vào góc l ch pha ớ ệ ứ ấ ứ ệ α, ng i ta chia ra thànhườ
nh ng t n i dây khác nhau.ữ ổ ố
Có s l ch pha gi a đi n áp s c p và th c p là do:ự ệ ữ ệ ơ ấ ứ ấ
-H ng qu n dây khác nhau;ướ ấ
45
a) b)
Hình 4.7 S đ máy bi n áp ba pha n i sao kép (a); ơ ồ ế ố
Sao đi n áp (b); Đ th tô-pô (c)ệ ồ ị
A
B
C
X Y Z
ab c
uab
a
c)
c
Uab
3 3 3
b
Ua
Ua
Ub
Uc
IAIBIC
IAX IBY ICZ
a
b
c
ua
ua
ub
ub
uc
uc
Ub
Ub
Ua
Uc
4 4 4
5 5 5
6 6 6
5
5
5
4
3
3
4
6

