
Bài 5 : Mạch Khuếch Đại Công Suất
BÀI 5 : MẠCH KHUẾCH ĐẠI CÔNG SUẤT
MỤC ĐÍCH THÍ NGHIỆM
Giúp sinh viên bằng thực nghiệm khảo sát các vấn đề chính sau đây :
- Mạch khuếch đại lớp A
- Mạch khuếch đại công suất dùng IC TDA2003
- Đặc tính của mạch KĐCS OCL
THIẾT BỊ SỬ DỤNG
1. Bộ thí nghiệm ATS-11 và Module thí nghiệm AM-.
2. Dao động ký, đồng hồ DVM (VOM) và dây nối.
PHẦN I : CƠ SỞ LÝ THUYẾT
Phần này nhằm tóm lược những vấn đề lý thuyết thật cần thiết phục vụ cho bài thí nghiệm và
các câu hỏi chuẩn bị để sinh viên phải đọc kỹ và trả lời trước ở nhà.
I.1. TỔNG QUAN VỀ KHUẾCH ĐẠI CÔNG SUẤT
Một hệ thống khuếch đại thường bao gồm: nguồn tín hiệu, bộ tiền khuếch đại (khuếch
đại tín hiệu nhỏ), khuếch đại công suất và thiết bị đầu ra.
Yêu cầu đầu tiên đối với tiền khuếch đại là có độ lợi cao và tuyến tính do nguồn tín
hiệu thường có biên độ và dòng nhỏ.
Công suất ở đầu ra lại lớn, nên phần tiền khuếch đại phải đảm bảo cung cấp cho tầng
công suất một tín hiệu có biên độ lớn.
Tầng công suất phải hoạt động hiệu quả và có khả năng cho công suất lớn từ vài W
đến vài trăm W.
Hiệu suất của mạch KĐCS :
%100
)(
)(0 x
P
P
DCi
AC
=
η
Load line
Class A
Class B
Class AB
V
CE
IC
H
ình 5-1: Điểm hoạt động của các lớp khuếch đại

Bài 5 : Mạch Khuếch Đại Công Suất
C
PP
C
RMS
CRMSCACO R
V
R
V
RIP 8
2
)(
2
)(
2
)()(
−
===
I.2. CÁC LOẠI MẠCH KHUẾCH ĐẠI CÔNG SUẤT
1. Mạch Khuếch Đại Lớp A:
Xem hình 5-2 là một tầng khuếch đại công suất, với các điện trở R1, R2 và Re sẽ được
tính toán sao cho BJT hoạt động ở chế độ lớp A. Nghĩa là phân cực chọn điểm Q nằm gần
giữa đường tải (Hình 5-3). Và để có tín hiệu xoay chiều khuếch đại tốt ở cực thu hạng A, ta
có: VCE(Q) ≅ VCC /2.
Công suất cung cấp: Pi (DC) = VCC . IC (Q)
Công suất trên tải Rc của dòng xoay chiều:
Lớp A tiêu hao tốn nhiều công suất, nhất là ở mức tín hiệu rất thấp. Một lý do làm cho
khuếch đại lớp A mất công suất nhiều là do nguồn DC bị tiêu tán trên tải.
2. Mạch khuếch đại công suất dùng IC TDA2003:
Hiện nay, để thiết kế mạch khuếch đại công suất suất nhỏ (vài WATT đến vài chục
WATT) người ta thường sử dụng linh kiện tích hợp (IC). Mạch khuếch đại công suất dùng IC
có hiệu suất làm việc cao, mạch đơn giản và dễ thiết kế.
Một số thông số kỹ thuật của TDA2003:
- Dải tần làm việc: 40Hz – 15Khz
- Điện áp cung cấp 8 – 18VDC
- Điện trở tải (loa) 4 (công suất ra sẽ thay đổi nếu điện trở tải thay đổi)
- Công suất ra tại 1Khz: ~6W tại mức điện áp cung cấp 14,4V
- Hiệu suất 69%
Hình 5-3 :
+ VCC
R1
NPN
Re
R2
Rc
C1
+
H
ình 5-2: M
ạ
ch khuếch đ
ạ
i l
ớ
p A v
ớ
i t
ả
i Rc

Bài 5 : Mạch Khuếch Đại Công Suất
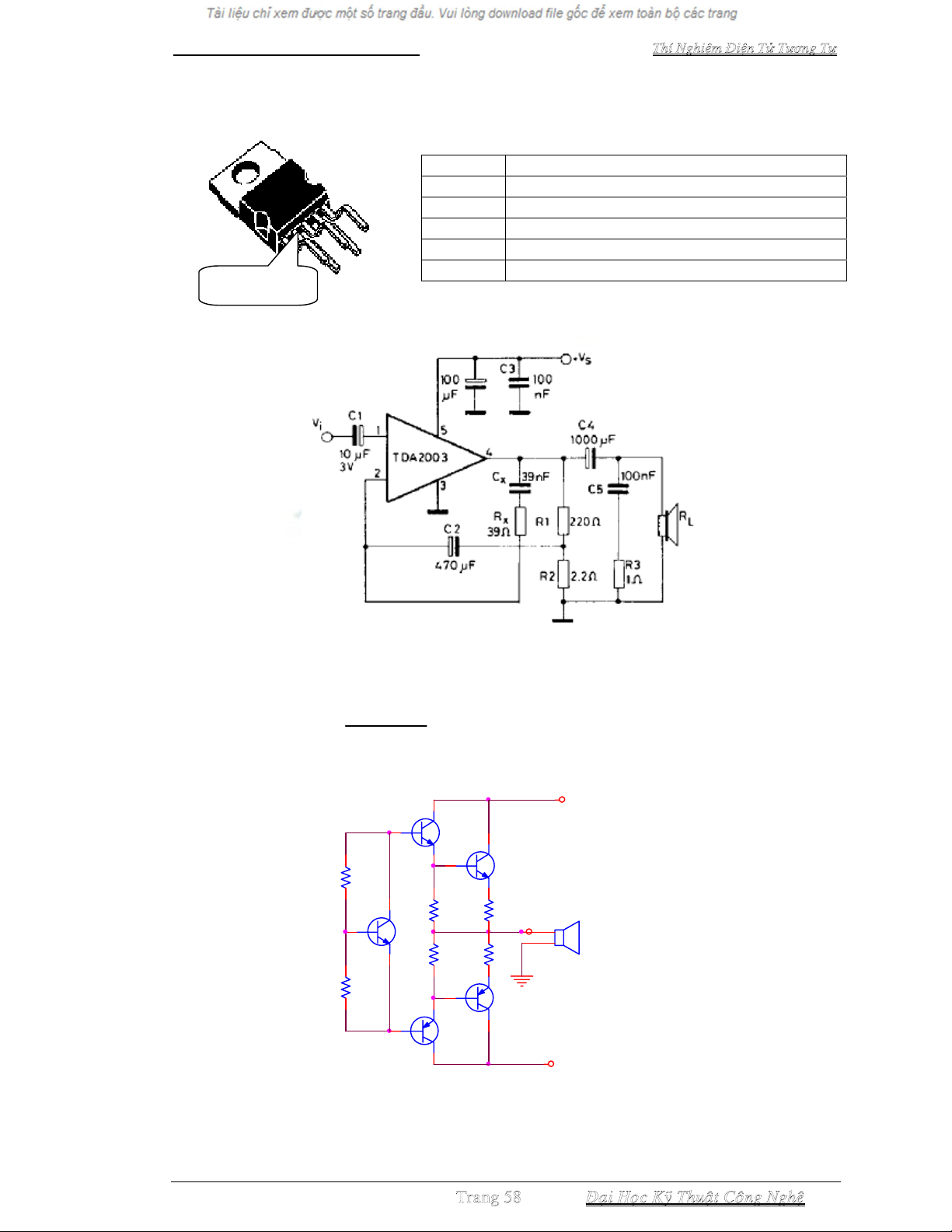
Hình dạng và sơ đồ chân IC:
Chân số Chức năng
1 Input
2 Negative feedback
3 GND
4 Output
5 VCC
Mạch tiêu biểu:
Trong đó: Rx và Cx được xác định:
2
1
20.
1
2. .
x
x
RR
C
B
wR
=
=Π
; Bw: độ rộng băng tần, chọn là 20Khz
3. Mạch khuếch đại công push-pull lớp AB:
Dạng mạch:
Dùng transistor kết hợp với R1, R2 để tạo điện áp phận cực ổn định cho BE các công
suất kéo đẩy.
Chân 1
T2
+Vcc
R1
R
OUT
T1
T3
T5
R
T4
- Vcc
R
R2
R

Bài 5 : Mạch Khuếch Đại Công Suất
Mạch được cấp nguồn đối xứng +Vcc , 0 , -Vcc, nên điện thế điểm giữa bằng 0V nên
được phép nối loa trực tiếp vào mạch không qua tụ do đó mạch còn được gọi là OCL Công
suất ngõ ra là:
L
OUT R
Vcc
P2
2
=
Thực tế tín hiệu vào không đưa trực tiếp vào tầng Q5 mà thông qua mạch khuếch đại vi
sai để nâng tổng trở vào và giảm nhiễu.
Xem mạch tham khảo:
OUTPUT
1
2
R3
15K
-
+
U1 LM741
3
26
7
1
4
5
R9
50
Q3
2955
D2
4148
C3
47uF
C2
47uF Q1
3053
R7 2K
C4
100uF
R1 5
R8 2K
R10
50
R14
5,1K
R4 50
R12
1K
C5 4,7uF D1
4148
INPUT
1
2
D4
15V
R13 1K
D3
15V
+30VDC
VR1
R5 50
C1 50P
R2
15K
Q4
3055
Q2
4037
R11 50K
-30VDC
Tầng vi sai ngõ vào cũng có thể thiết kế dùng transistor như sơ đồ trong mạch thí
nghiệm ở phần II.
Mạch OCL dùng transistor có thể đạt công suất vài chục WATT đến vài trăm WATT.

Bài 5 : Mạch Khuếch Đại Công Suất
C
PP
C
RMS
CRMSCACO R
V
R
V
RIP 8
2
)(
2
)(
2
)()(
−
===
PHẦN II : TIẾN TRÌNH THÍ NGHIỆM
Sau khi đã hiểu kỹ những vấn đề lý thuyết được nhắc lại và nhấn mạnh ở PHẦN I, phần này
bao gồm trình tự các bước phải tiến hành tại phòng thí nghiệm.
II.1. KHẢO SÁT MẠCH KHUẾCH ĐẠI LỚP A (Mạch A5-1)
I.1.1 Sơ đồ nối dây : (Hình 5-1)
♦ Cấp nguồn +12V của nguồn DC POWER SUPPLY cho mạch A5-1
II.1.2 Các bước thí nghiệm :
1. Chỉnh biến trở P1 sao cho VCE = VCC/2 = 6V; xác định công suất cung cấp:
Pi (DC) = VCC . IC (Q)
2. Cấp tín hiệu từ máy phát tín hiệu (function generator) để đưa đến ngõ vào IN của
mạch và chỉnh máy phát để có : Sóng : Sin, f = 1Khz., VIN (pp) = 30mV .
- Xác định hệ số khuếch đại áp và suất trên tải Rc của dòng xoay chiều:
- Tính hiệu suất của mạch khuếch đại
3. Thay đổi điểm tĩnh làm việc:
- Chỉnh biến trở P1 sao cho VCE = 3V; tăng dần biên độ đỉnh – đỉnh của tín hiệu vào
đến khi tín hiệu ra bắt đầu biến dạng. Có nhận xét gì về tính hiệu ra, giải thích?
....................................................................................................................................................
....................................................................................................................................................
....................................................................................................................................................
....................................................................................................................................................
- Chỉnh biến trở P1 sao cho VCE = 9V; tăng dần biên độ đỉnh – đỉnh của tín hiệu vào
đến khi tín hiệu ra bắt đầu biến dạng. Có nhận xét gì về tính hiệu ra, giải thích?
....................................................................................................................................................
....................................................................................................................................................
....................................................................................................................................................
II.2. MẠCH KHUẾCH ĐẠI CÔNG SUẤT OCL (Mạch A5-2)
II.2.1 Sơ đồ nối dây : ( Hình 5-2)
♦ Cấp nguồn ± 12V cho mạch.
Hình 5-1: Mạch khuếch đại lớp A
%100
)(
)(0 x
P
P
DCi
AC
=
η

