
TR NG CĐCN VI T ĐCƯỜ Ệ Ứ
PHÒNG QU N TR ĐI S NGẢ Ị Ờ Ố
Mã hoá:
QT01/QTĐS/SCĐDD
L n ban hành: 01ầ
Hi u l c t ệ ự ừ
ngày:.../.../năm 20…..
Trang/s trang: 01/06ố
QUY TRÌNH
S A CH A ĐI N DÂN D NG TR NG CĐCN VI T ĐCỬ Ữ Ệ Ụ ƯỜ Ệ Ứ
1
Ch kýữ
Ng i so n th oườ ạ ả Ng i ki m traườ ể Ng i phê duy tườ ệ
H và tênọD ng S Ti nươ ỹ ế Đ Kh c Nguyênỗ ắ Hoàng Minh Thái
Ch c danhứNhân viên Tr ng phòngưở Phó Hi u tr ngệ ưở

1. M c đích, ph m vi áp d ngụ ạ ụ .
a. M c đích:ụ
Quy trình này th ng nh t v công tác s a ch a đi n dân d ng trong ph m vi ố ấ ề ử ữ ệ ụ ạ
Tr ng cao Đng Công Nghi p Vi t Đc.ườ ẳ ệ ệ ứ
b. Ph m vi áp d ng: ạ ụ
Áp d ng cho quá trình s a ch a đi n trong các phòng h c, phòng làm vi c và ụ ử ữ ệ ọ ệ
khu v c ký túc xá trong Tr ng Cao Đng Công Nghi p Vi t Đc.ự ườ ẳ ệ ệ ứ
2. Đinh nghia
a. Đnh nghĩa: Công vi c s a ch a đi n dân d ng là s a ch a t t c các thi t b ị ệ ử ữ ệ ụ ử ữ ấ ả ế ị
đi n, m ng l i đi n, đc s d ng trong sinh ho t, trong đi s ng hàng ngày c a ệ ạ ướ ệ ượ ử ụ ạ ờ ố ủ
con ng iườ
b. Các t vi t t t:ừ ế ắ
KHCB: Khoa h c C b n.ọ ơ ả
QTĐS: Qu n tr Đi s ngả ị ờ ố
QLTB & TTSX: Qu n lý thi t b và Th c t p s n xu t. ả ế ị ự ậ ả ấ
TCKT: Tài chính K toán.ế
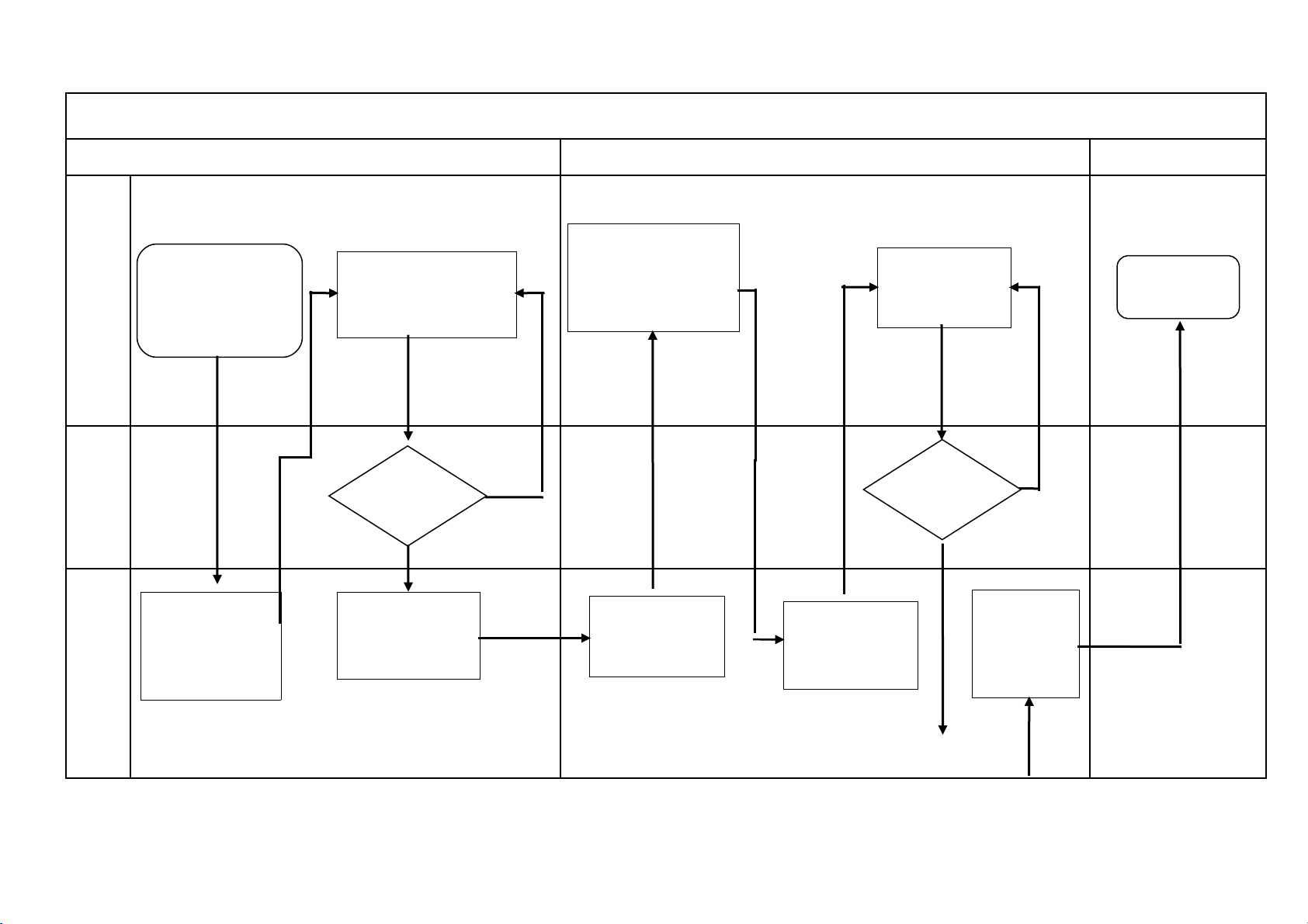
3. L u đ:ư ồ (Xem trang 3).
4. Di n gi i:ễ ả (Xem trang 4,5,6).
5.Các công c /bi u m u/ h ng d n: ụ ể ẫ ướ ẫ (Xem trang 7).
2

3. L u đư ồ
TRÌNH T CÁC B C TH C HI N S A CH A ĐI N DÂN D NG TR NG CĐCN VI T ĐCỰ ƯỚ Ự Ệ Ử Ữ Ệ Ụ ƯỜ Ệ Ứ
CHU N BẨ Ị T CH C TH C HI NỔ Ứ Ự Ệ L U TRƯ Ữ
PHÒNG QT -ĐSHI U ỆTR NƯỞGCÁC ĐN V , Ơ ỊCÁ NHÂN
3
1.Nh n thông ậ
tin s a ch a ử ữ
đi nệ
4. Phê
duy tệ
2. Kh o sátả
quá trình hư
h ng, Chu nỏ ẩ
b d ng c .ị ụ ụ
3. Duy t ệ
v t t đi n (n uậ ư ệ ế
có)
7. Ki m tra anể
toàn khu v c s aự ử
ch a đi n tr cữ ệ ướ
khi đóng đi nệ
6. Ti n hànhế
s a ch aử ữ
đi nệ
9. Hoàn
thi n h sệ ồ ơ
12. L uư
nh t kýậ
s a ch aử ữ
đi nệ
13. L u ư
tr và báo ữ
cáo
Kh
ôn
g
đồ
ng
ý
Kh
ôn
g
đồ
ng
ý
10.
Phê
duy tệ
5. Chu n bẩ ị
v t t đi nậ ư ệ
(n u có)ế
8. Nghi mệ
thu, bàn giao,
ký sổ

PHÒNGTC-KT
4. Di n gi iễ ả
TT Tên b cướ
công vi cệN i dungộ
B ph n/ộ ậ
Ng iườ
th c hi nự ệ
B ph n/ộ ậ
Ng iườ
ph i h pố ợ
th c hi nự ệ
K t qu đtế ả ạ
đcượ
H n hoànạ
thành Bi u m uể ẫ
1Nh n thông tinậ
s a ch aử ữ
Nh n thông báo h ng đi n, m t đi n t i ậ ỏ ệ ấ ệ ạ
khu v c c th .ự ụ ể
Ví d : Khoa Khoa h c c b n báo phòngụ ọ ơ ả
h c 206 nhà 7 t ng h ng bóng đèn tuýp ọ ầ ỏ
không đ ánh sáng cho h c sinh.ủ ọ
Phòng
QTĐS
Khoa
KHCB
Đã nh n thôngậ
tin
2 phút
Đnế
5 phút
BM/QT01/QTĐS/01
2Kh o sát quáả
trình h h ngư ỏ
- Ki m tra c th xem h ng nh ng thi t ể ụ ể ỏ ữ ế
b gì., S l ng t ng thi t b h ng.ị ố ượ ừ ế ị ỏ
Ví d : 07 bóng tuýp h ng 1.2m, 06 ch nụ ỏ ấ
l u đi n t 40w, 05 t c te.ư ệ ử ắ
- Vi t biên b n “kh o sát hi n tr ng”.ế ả ả ệ ạ
Phòng
QTĐS
Khoa
KHCB
- Đã có số
l ng thi t bượ ế ị
h ng c th .ỏ ụ ể
- l p xong biênậ
b n kh o sát.ả ả
5 phút
Đnế
15 phút
BM/QT01/QTĐS/02
3 Duy t v t tệ ậ ư
- Trình bày “Gi y Đ Ngh ” và biên b n “ấ ề ị ả
kh o sát hi n tr ng”. xin ý ki n ch đo, ả ệ ạ ế ỉ ạ
phê duy t gi y đ ngh c p v t t .ệ ấ ề ị ấ ậ ư Phòng
QTĐS
Phòng
TTSX&
QLTB
Chu n b đyẩ ị ầ
đ đi u ki n,ủ ề ệ
v t t thi t bậ ư ế ị
đ s a ch aể ử ữ
5 phút
Đnế
25 phút
BM/QT01/QTĐS/03
4
11. Hoàn thi n thệ ủ
t c v tài chínhụ ề

TT Tên b cướ
công vi cệN i dungộ
B ph n/ộ ậ
Ng iườ
th c hi nự ệ
B ph n/ộ ậ
Ng iườ
ph i h pố ợ
th c hi nự ệ
K t qu đtế ả ạ
đcượ
H n hoànạ
thành Bi u m uể ẫ
4 Phê duy tệHi u Tr ng phê duy t k ho ch s a ệ ưở ệ ế ạ ử
ch a và duy t mua v t t đi n,ữ ệ ậ ư ệ Hi uệ
Tr ngưở Phòng
QTĐS
Duy t kệ ế
ho ch s aạ ử
ch a và muaữ
v t tậ ư
5 phút
Đnế
10 phút
5Chu n bẩ ị
d ng c v t tụ ụ ậ ư
-Chu n b đy đ s l ng v t t c n ẩ ị ầ ủ ố ượ ậ ư ầ
s a ch a (ví d : ch n l u, t c te, bóng ử ữ ụ ấ ư ắ
tuýp..)
- Chu n b d ng c s a ch a: kìm, tô vít ẩ ị ụ ụ ử ữ
2 c nh, tô vít 4 c nh, bút th đi n, đng ạ ạ ử ệ ồ
h đo đi n, kìm c t, thang ch A, băng ồ ệ ắ ữ
dính…
Phòng
QTĐS
Ban
Giám Hi uệ
Phê, duy tệ
gi y đ ngh ,ấ ề ị
cho c p v t tấ ậ ư
đ ph c vể ụ ụ
s a ch aử ữ
5 phút
Đnế
20 phút
6
Ti n hành s aế ử
ch aữ- Dùng bút th đi n và đng h đo đi n ử ệ ồ ồ ệ
ki m tra t ng thi t b nh ( ch n l u, t cể ừ ế ị ư ấ ư ắ
te, bóng đèn tuýp, dây d n đi n, đui đèn, ẫ ệ
và ngu n đi n). Xem thi t b nào h ng cóồ ệ ế ị ỏ
đ ngu n đi n không. Sau đó t t ngu n ủ ồ ệ ắ ồ
đi n, thay th các thi t b cháy h ng.ệ ế ế ị ỏ
Phòng
QTĐS
Phòng
QTĐS
1 giờ
Đnế
2 giờ
7
Ki m tra anể
toàn khu v cự
s a ch a đi nử ữ ệ
tr c khi đóngướ
ngu n đi nồ ệ
- Tr c khi đóng ngu n đi n ta ph i ướ ồ ệ ả
ki m tra các m i n i đã b c (qu n) băng ể ố ố ọ ấ
dính cách đi n kín ch a, quá trình l p p ệ ư ắ ố
máng đèn có b k p dây d n đi n không, ị ẹ ẫ ệ
l p bóng đã ti p xúc t t ch a. Sau đó ắ ế ố ư
đóng ngu n đi n và ki m tra xem đèn ồ ệ ể
ho t đng t t không. N u ch a đt ta ạ ộ ố ế ư ạ
ph i đi u ch nh l i.ả ề ỉ ạ
Phòng
QTĐS
Phòng
QTĐS
Đã s a ch aử ữ
hoàn thi n vàệ
cung c p đyấ ầ
đ ánh sángủ
cho phòng h cọ
10 phút
Đnế
15 phút
5

