
HÊ TH NG NHIÊN LIÊU DIESELỐ
281. Trong các thông s sau đây thông s nào là thông s k thu t?ố ố ố ỹ ậ
a. S tia nhiên li u phun ra kh i vòi phun.ố ệ ỏ
b. Áp su t phun nhiên li u.ấ ệ
c. L u l ng nhiên li u đi ra kh i vòi phun.ư ượ ệ ỏ
d. Kích th c l phun.ướ ổ
282. B m cao áp ki u b m nhánh ho t đ ng n p nhiên li u vào xylanh b m khi nào?ơ ể ơ ạ ộ ạ ệ ơ
a. Khi pittông t i ĐCD. b. Khi đ nh pittông m l n p.ớ ỉ ở ỗ ạ
c. Khi rãnh nghiêng (xo n) c a pittông m l n p.ắ ủ ở ỗ ạ d. Khi pttông t ĐCT xu ng ĐCD.ừ ố
283. B m cao áp ki u b m nhánh ho t đ ng cung c p nhiên li u khi nào?ơ ể ơ ạ ộ ấ ệ
a. Khi áp su t nhiên li u trong xylanh đ l n đ m van tri t h i.ấ ệ ủ ớ ể ở ệ ồ
b. Khi pittông t i ĐCT đ áp su t nhiêu l n nh t.ớ ể ấ ớ ấ
c. Khi pittông t ĐCD lên ĐCT.ừ
d. Khi nhiên li u phun ra kh i vòi phun.ệ ỏ
284. B m cao áp ki u nhánh ho t đ ng ng ng cung c p nhiên li u khi nào?ơ ể ạ ộ ừ ấ ệ
a. Pittông t i ĐCT. ớb. Rãnh nghiêng (xo n) g p l thoát.ắ ặ ỗ
c. Pittông t i ĐCT và rãnh nghiên (xo n) g pl thoát.ớ ắ ặ ỗ
d. Khi rãnh nghiên g p l thoát và van tri t h i đóng l i.ặ ỗ ệ ồ ạ
285. Nhi m v c a b đ u t c là gì?ệ ụ ủ ộ ề ố
a. Làm giàu khi k i đ ng.ở ộ
b. n đ nh s vòng quay c a đ ng c .Ổ ị ố ủ ộ ơ
c. H n ch s vòng quay c c đ i c a đ ng c .ạ ế ố ự ạ ủ ộ ơ
d. G m c a, b, cồ ả .
386. D a vào đâu đ phân bi t vòi phun dành cho bu ng đ t tr c ti p hay gián ti p?ự ể ệ ồ ố ự ế ế
a. S tia niên li u phun ra kh i vòiphun.ố ệ ỏ
b. Hình dáng tian nhiên li u phun ra kh i vòi phun.ệ ỏ
c. Bao g m hai y u t a và b.ồ ế ố ở
d. Áp su t nhiên li u phun ra kh i vòi phun.ấ ệ ỏ
287. S khác nhau c b n c a b m cao áp lo i b m nhánh, rôto quay, pittông quay là gì?ự ơ ả ủ ơ ạ ơ
a. Ph ng pháp t o áp.ươ ạ
b. Ph ng áp phân ph i nhiên li u đ n các vòi phun.ươ ố ệ ế
c. Ph ng pháp đi u ch nh l u l ng cung c p nhiên li u.ươ ề ỉ ư ượ ấ ệ
d. Bao g m hai nhân t b và c.ồ ố
288. Lo i đ ng c nào c n thay đ i góc phun nhiên li u s m?ạ ộ ơ ầ ổ ệ ớ
a. Đ ng c có s vòng quay th p. b. Đ ng có s vòng quay trung bình. ộ ơ ố ấ ộ ố

c. Đ ng có s vòng quay cao.ộ ố d. G m c 3 câu a,b,c. ồ ả
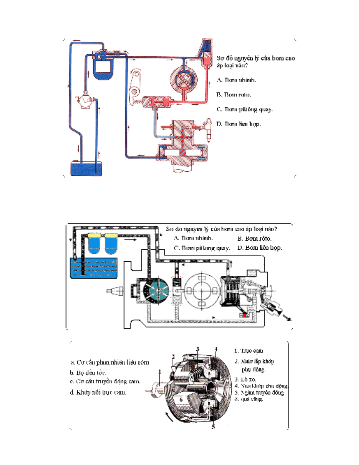
289. S đ d i đây là c a b m cáo áp lo i nào? ơ ồ ướ ủ ơ ạ (b)
290. D a vào đâu đ nh n bi t lo i b m cao (b m nhánh, b m rô to, b m pittong quay?ự ể ậ ế ạ ơ ơ ơ ơ
a. Pittông. b. Xylanh. c. Pittông và xylanh. d. Rãnh d n nhiên li u.ẫ ệ
291. S đ d i đây là c a b m cáo áp lo i nào? ơ ồ ướ ủ ơ ạ (c)
292. Đây là c c u gì trong b m cao áp? ơ ấ ơ (a)
293. Đây là c c u gì c a b m cao áp? ơ ấ ủ ơ (b)

294. Trong s đ h th ng nhiên li u d i đây chi ti t nào là bình l c nhiên li u? ơ ồ ệ ố ệ ướ ế ọ ệ (a)
295. Đ ng c ho t đ ng n đ nh khi nào? ộ ơ ạ ộ ổ ị (d)
296. B m cánh g t đ c s d ng trong b m cao áp nào? ơ ạ ượ ử ụ ơ (b)
297. Thông s nào quy t đ nh cho năng su t c a b m? ố ế ị ấ ủ ơ (D)

.
298. Y u t nào đ h n bi t vòi phun c a đ ng c diesel có bu ng đ t tr c ti p?ế ố ể ậ ế ủ ộ ơ ồ ố ự ế
a. Áp su t phun.ấ c. S tia nhiên li u phun ra kh i vòi phun.ố ệ ỏ
c. C u t o vòi phun. d. C n c 3 y u t a,b,c.ấ ạ ầ ả ế ố
299. Trong BCA lo i b m nhánh vi c thay đ i góc phun NL s m th c hi n nh vào đâu?ạ ơ ệ ổ ớ ự ệ ờ
a. Pittông b m cao áp. b. Tr c cam. ơ ụ c. Con đ iộ d. Xylanh b m cao áp.ơ
300. Đ thay đ i l u l ng cung c p nhiên li u b m cao áp lo i nhánh ta đi u ch nh đâu?ể ổ ư ượ ấ ệ ở ơ ạ ề ỉ ở
a. V trí th c ga. b. V trí van ti t l u. ị ướ ị ế ư c. V trí pittông b m. ị ơ d. V trí con đ i.ị ộ
301. Đ thay đ i l u l ng cung c p nhiên li u b m cao áp lo i rôto quay ta đi u ch nh đâu?ể ổ ư ượ ấ ệ ở ơ ạ ề ỉ ở
a. Hành trình pittông ngang. b. Hành trình van ti t l u.ế ư
c. Hành trình pittông phân ph i. d. Hành trình th c ga.ố ướ
302. Đ thay đ i l u l ng cung c p nhiên li u BCA lo i pittông quay ta đi u ch nh đâu?ể ổ ư ượ ấ ệ ở ạ ề ỉ ở
a. Van ti t l u.ế ư b. Van con thoi. c. B m cánh g t. d. Hành trình pittông b m.ơ ạ ơ
303. Đ thay đ i s vòng quay c c đ i và c c ti u c a đ ng c diesel ta đ u ch nh đâu?ể ổ ố ự ạ ự ể ủ ộ ơ ề ỉ ở
a. b m cao áp. Ở ơ b. th c ga.Ở ướ
c. vít gi i h n hành trình th c ga. d. vít gi i h n v trí ga.Ở ớ ạ ướ Ở ớ ạ ị
304. Đây là s đ b m cao áp lo i nào? ơ ồ ơ ạ (a)

305. Nhi m v c a b đ u t c là:ệ ụ ủ ộ ề ố
a. T đ ng đ u ch nh l u l ng cung c p nhiên li u phù h p v i ph t i và t đ ng đi u ch nhự ộ ề ỉ ư ượ ấ ệ ợ ớ ụ ả ự ộ ề ỉ
s vòng quay c a đ ng c .ố ủ ộ ơ
b. T đ ng đ u ch nh góc phun nhiên li u s m.ự ộ ề ỉ ệ ớ
c. T đ ng đ u ch nh s vòng quay c c đ i.ự ộ ề ỉ ố ự ạ
306. Hình d i đây th hi n đi u gì c a b m pittông quay? ướ ể ệ ề ủ ơ (b)
307. Hình d i đây th hi n đi u gì c a b m pittông quay? ướ ể ệ ề ủ ơ (a)
308. Hình d i đây th hi n đi u gì c a b m pittông quay? ướ ể ệ ề ủ ơ (a)
309. Trong b n hình a,b,c,d c a b m cao áp lo i b m nhánh hình nào th hi n nén nhiên li u?ố ủ ơ ạ ơ ể ệ ệ
(b))

