Giới thiệu tài liệu
Chương VIII của Bộ Giáo dục và Đào Tạo Đại học Sư Phạm Kỹ Thuật TP.HCM, Khoa Điện - Điện Tử, Bộ Môn Cơ Sở Kỹ Thuật Điện, trình bày về các mạch khuếch đại, làm việc quan trọng về việc tối ưu hóa lực năng lượng và phân chia công suất để cải thiện hiệu quả cho hạt điện tử. Chương này bao gồm 6 phần: giới thiệu, mạch khuếch đại ghép RC, mạch khuếch đại ghép biến áp, mạch khuếch đại ghép trực tiếp, mạch khuếch đại ghép Darlington và mạch khuếch đại ghép vi sai.
Đối tượng sử dụng
Đà năng và nhóm nghiên cứu, doanh nghiệp khoa học - công nghệ điện tử, những người quan tâm đến hạt điện tử và sự lưu trữ dữ liệu.
Nội dung tóm tắt
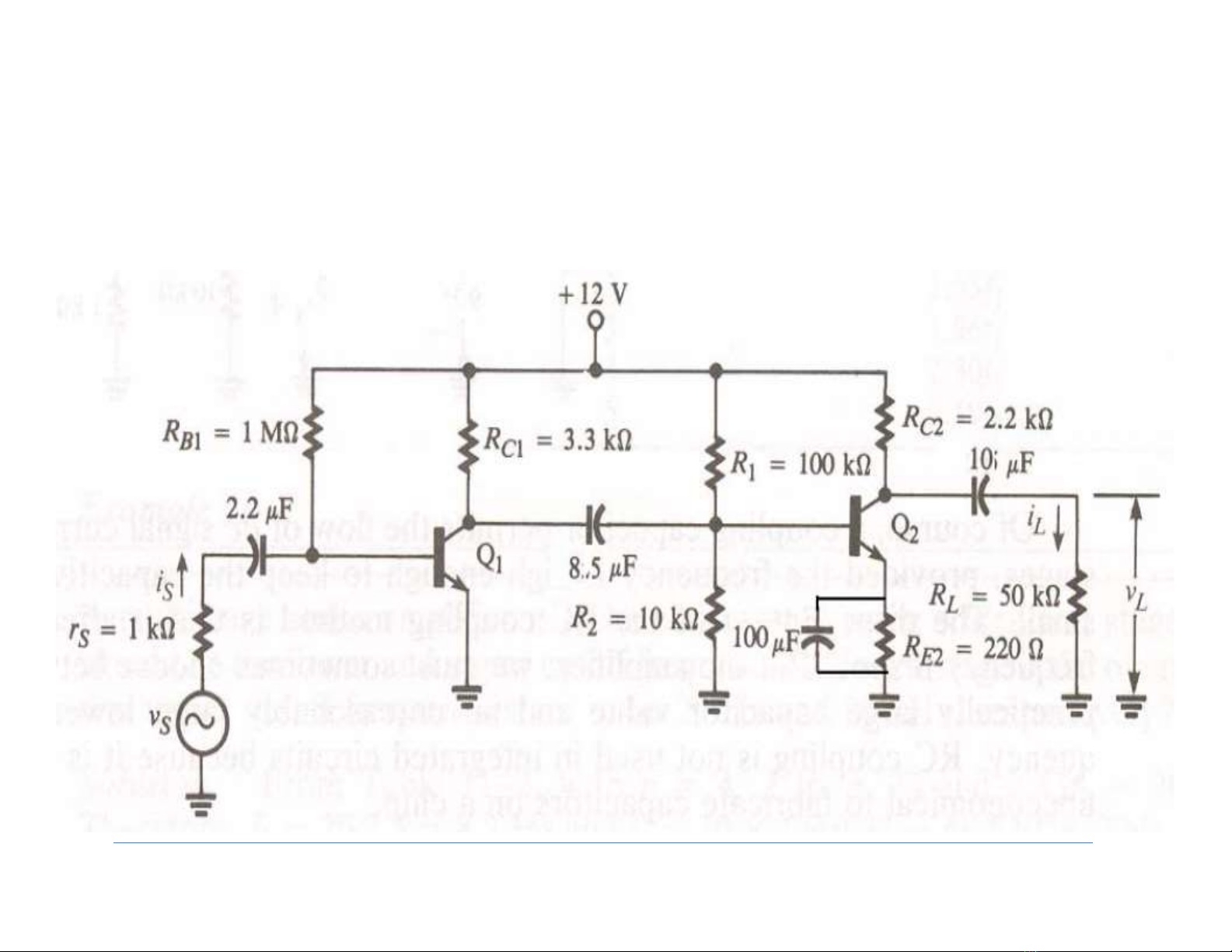
Chương VIII của Bộ Giáo dục và Đào Tạo Đại học Sư Phạm Kỹ Thuật TP.HCM, Khoa Điện - Điện Tử, Bộ Môn Cơ Sở Kỹ Thuật Điện giới thiệu và trình bày chi tiết về các mạch khuếch đại khác nhau: mạch khuếch đại ghép RC, mạch khuếch đại ghép biến áp, mạch khuếch đại ghép trực tiếp, mạch khuếch đại ghép Darlington và mạch khuếch đại ghép vi sai. Mỗi mạch đều có các ưu điểm và khuyết điểm riêng nhau, phù hợp cho nhiều ứng dụng điện tử khác nhau. Mạch khuếch đại ghép RC có cách ly DC giữa các tầng khuếch đại, nhưng giảm độ lợi băng thông toàn mạch và gây lệch pha giữa tín hiệu vào ra. Mạch khuếch đại ghép biến áp có cách ly DC rất tốt và ghép biến áp có hiệu quả hơn ghép RC do R, C trong mạch ghép biến áp gần như bằng không, nhưng lại có kích thước lớn và đáp ứng tần số trong mạch giảm do cảm kháng của cuộn dây. Mạch khuếch đại ghép trực tiếp tránh được ảnh hưởng các tụ liên lạc tần số thấp nên tần số cắt dưới có thể rất thấp, tránh sự cồng kềnh cho mạch và điện thế tĩnh tầng đầu cung cấp cho điện thế tĩnh cho tầng sau. Mạch khuếch đại ghép Darlington có hệ sô khuếch đại lớn chính là ưu điểm của mạch, nhưng cũng có thiết bị phức tạp và độ dễ dàng sử dụng kém. Mạch khuếch đại ghép CASECODE là một dạng ghép trực tiếp nhưng gồm một transistor mắc CE lái trực tiếp một transistor mắc CB. Mạch khuếch đại ghép vi sai là một loại mạch khuếch đại có đặc điểm là hai mạch đối xứng nhau, E chung và có 2 ngõ vào và hai ngõ ra. Tóm lại, các mạch khuếch đại trình bày trong chương này đều có các ưu điểm và khuyết điểm riêng nhau, phù hợp cho nhiều ứng dụng điện tử khác nhau.