
Đào Đức Thịnh - BM Kỹthuật đo và THCN
Kỹthuật cảm biến
Cảm biến điện từ

Đào Đức Thịnh - BM Kỹthuật đo và THCN
Cảm biến điện từ
zLà nhóm chuyển đổi dựa trên các qui luật
điện từ.
zĐại lượng vật lý cần đo làm thay đổi các đại
lượng từ như: điện cảm, hỗcảm, từthông, từ
thẩm....
zPhân loại: có 3 loại chính
zChuyển đổi điện cảm và hỗcảm.
zChuyển đổi cảm ứng.
zChuyển đổi áp từ.

Đào Đức Thịnh - BM Kỹthuật đo và THCN
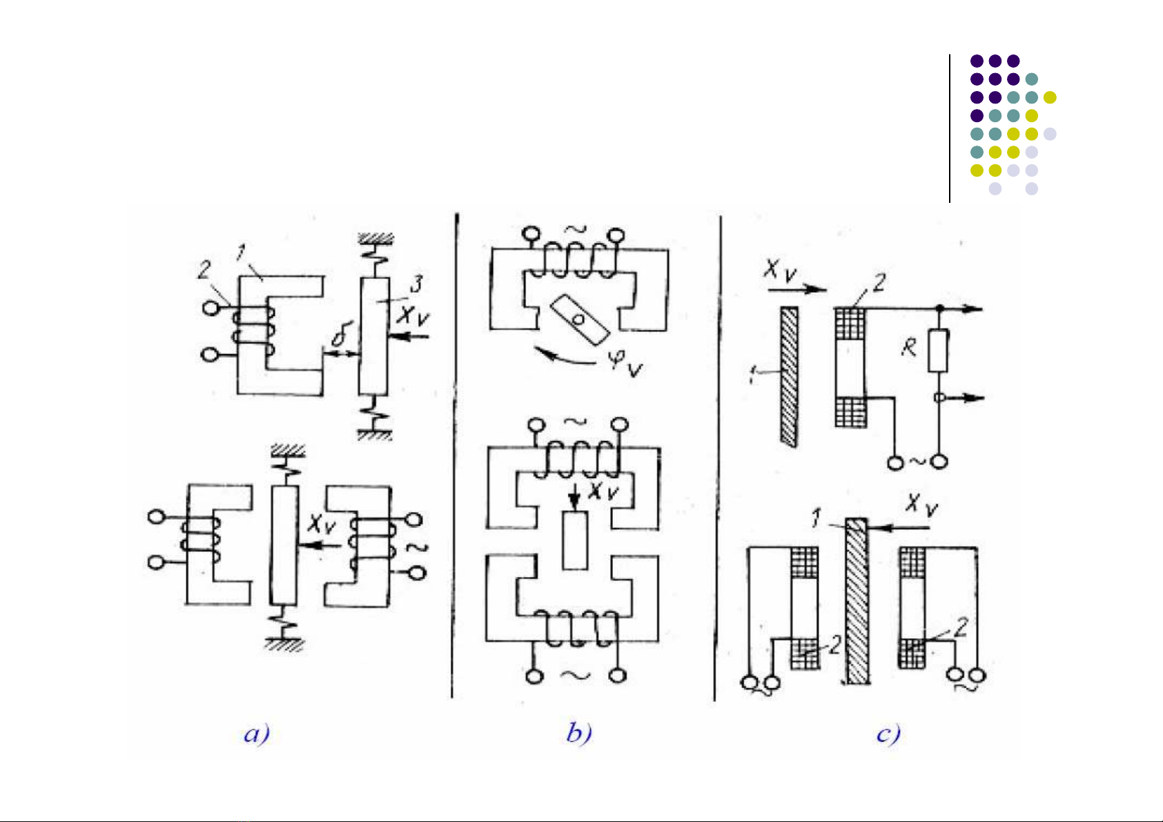
Cảm biến điện cảm-cấu tạo

Đào Đức Thịnh - BM Kỹthuật đo và THCN
Cảm biến điện cảm-nguyên lý

Đào Đức Thịnh - BM Kỹthuật đo và THCN
Cảm biến điện cảm-nguyên lý

