BỘ CÔNG THƯƠNG
TRƯỜNG CAO ĐẲNG CÔNG NGHIỆP VÀ XÂY DỰNG
BÀI GIẢNG MÔN HỌC
TRANG BỊ ĐIỆN
(Lưu hành nội bộ)
Người biên soạn: Lê Thị Hà
Uông Bí, năm 2010
1
Lêi nãi ®Çu
Cïng víi ph¸t triÓn chung cña ®Êt níc, c¸c ngµnh c«ng nghiÖp
®éng hph¸t triÓn, nh»m thay thÕ mét phÇn cho con ngêi, gi¶m bít nh©n
c«ng vµ chi phÝ. C¸c d©y chuyÒn tù ®éng ho¸ s¶n xuÊt cÇn thiÕt trong c¸c
nhµ m¸y, nghiÖp, do ®ã viÖc cung cÊp, sö dông c¸c thiÕt ®Ó l¾p ®Æt
mét d©y chuyÒn cïng quan träng. C¸c ®å, m¹ch ®iÖn, ®Êu nèi c¸c
thiÕt bÞ, ®iÒu khiÓn d©y chuyÒn ho¹t ®éng, cÇn ®ßi hái ngêi c«ng nh©n
ph¶i kiÕn thøc. M«n häc " Trang ®iÖn" m«n chuyªn ngµnh nh»m
cung p kiÕn thøc b¶n cho Sinh viªn trung cÊp chuyªn nghiÖp, sau
khi ra trêng thÓ ®¶m ®¬ng ®îc c«ng viÖc thÓ t¹i c¸c Nhµ m¸y,
nghiÖp. §ång thêi gióp Sinh viªn hiÓu s©u n b¶n chÊt, còng nh th©m
nhËp thùc tÕ, cñng n©ng cao tr×nh ®é chuyªn m«n. §Æc biÖt ®èi víi
trêng Cao ®¼ng C«ng nghiÖp X©y dùng - U«ng BÝ, bµi gi¶ng " Trang
®iÖn" tµi liÖu quan träng,cã ý nghÜa thiÕt thùc cho viÖc gi¶ng d¹y cña
gi¸o viªn häc tËp cña Sinh viªn trung cÊp chuyªn nghiÖp, bµi gi¶ng
nµy ®îc ph©n tÝch gåm ba ch¬ng chñ yÕu lµ :
* CHƯƠNG I: CÁC NGUYÊN TCĐIU KHIN T ĐỘNG TRUYNĐNG
ĐIN
* CHƯƠNG II: TRANG BÞ §IÖN-§IÖN Tö M¸Y GIA C¤NG KIM LO¹I
* CHƯƠNG III: TRANG BÞ §IÖN-§IÖN Tö m¸y c«ng nghiÖp dïng chung
Trong qu¸ tr×nh biªn so¹n bµi gi¶ng, kh«ng tr¸nh khái khiÕm khuyÕt,
t¸c grÊt mong céng t¸c gãp ý phª b×nh cña b¹n ®äc, ®Ó ngµy mét
hoµn thiÖn h¬n.
T¸c gi¶ biªn so¹n
Lª ThÞ Hµ
2
CHƯƠNG 1: CÁC NGUYÊN TẮC ĐIỀU KHIỂN TỤ ĐỘNG TRUYỀN
ĐỘNG ĐIỆN
Chức năng bản của một hệ điều khiển tự động quá trình mở máy, m,
đảo chiều quay hoặc điều khiển theo một chương trình định sẵn nào đó.
Một số hthống điều khiển tự động truyền động điện thể sử dụng các
phần tử có tiếp điểm hoặc không có tiếp điểm.
Để đảm bảo điều khiển tự động quá trình ( mở máy, m máy, đảo chiều
quay...)theo một qui luật định sẵn, người ta thường sdụng 1 số nguyên tắc
ta sẽ lần lượt đề cập sau đây.
1.1 NGUYÊN TẮC ĐIỀU KHIỂN THEO THỜI GIAN
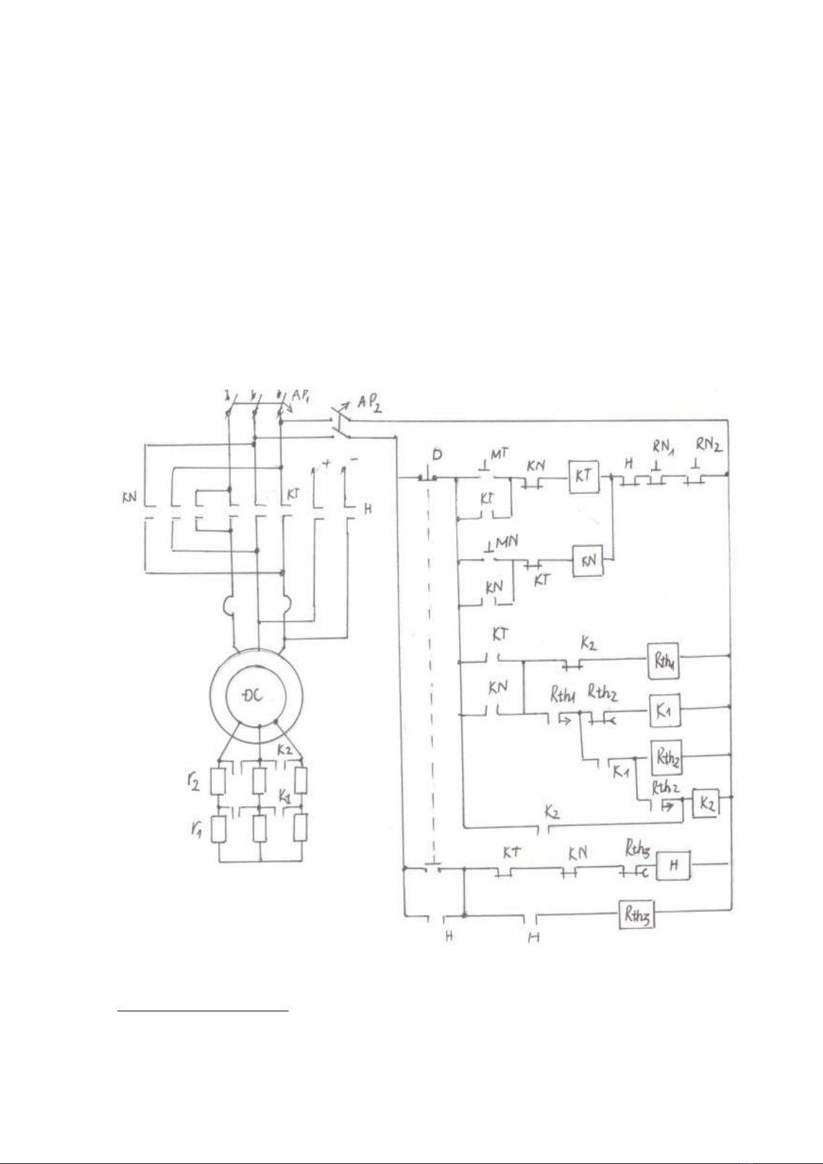
Ta xét 1 đồ s dụng nguyên tắc điều khin theo thi gian đói vi q trình m
máy, đảo chiu quay m đng ng 1 động cơ không đồng b3 pha roto dâu
quấn. Phn tử c động sau từng khong thời gian định sn các le thi gian.
Hình 1.1:
1.1.1Mở máy động cơ .
Động cơ cớ thể mở máy theo 2 chiều.
Giả sử mmáy để quay thuận:
Sau khi đóng aptômát AP1, AP2, n nút quay thun MT(3-5) công tc tơ KT có đin.
3
. Đóng các tiếp điểm động lực KT cấp điện cho stato động cơ.
. Đóng tiếp điểm để duy trì KT(3-5) để tự cấp điện khi thôi ấn nút MT.
. Đóng tiếp điểm Kt(3-13) để cấp điện cho mạch sử lý điện trở phụ ở roto.
. Mở tiếp điểm KT(9-11) đcắt mạch điện cuộn hút công tắc KN không cho
cuộn KN điện khi chạy thuận, tránh ngắn mạch 2 pha mạch lực nếu cuộn KT
và cuộn KN cùng tác động. Đấy là kiểu khóa chéo về điện.
. Mở tiếp điểm KT (25- 27) để cắt điện cuộn hút công tắc tơ hãm động năngH.
Động mmáy với toàn bọ điện trở r1, r2 đưa vào mạch roto, tốc độ động
được tăng dầntheo đường đặc tính cơ 1 từ A đến B. Do tiếp điểm KT (3-13)
đóng, cuộn hút của rơ le thời gian Rth1 có điện.
Sau 1 khoảng thời gian T1 thì tác động dóng tiếp điêmRth1(13-17 của
để cung cấp điện cho cuộn công tắc tơ K1.
Cuộn công tắc tơ K1tác động sẽ:
Đóng tiếp điểm lực K1mạch roto để loại điện trở r1 ra khỏi mạch roto.
Động cơ chuyển sang làm việc trên đường đặc tính 2 từ C đến D.
. Đóng K1(17-21) để cấp điện cho rơ le Rth2.
Sau khoảng thời gian T2= t1- t2thì rơ le Rth2 tác động .
. Đóng Rth2(21-23) để cấp điện cho cuộn công tắc tơ K2.
.Mở Rth2(17-19) để cắt điện cho cuộn công tắc tơ K1.
Công tắc tơ K2 tác động sẽ :
+ Đóng tiếp điểm lực K2mạch roto. Loại nốt điện trở r2 ra khỏi mạch roto.
Động cơ làm việc với mômen tải Mc. Quá trình mmáy kết thúc.
+ Đóng tiếp điểm K2(3- 23) để tự duy trì.
+ Mở tiếp điểm K2(13-15) đcắt điện cho le thời gian Rth1. Từ đó cắt
điện cuộn K1, Rth2 . Như vậy, khi đông cơ quay thuận, chỉ có KT và K2 làm việc
nên số khí cụ làm việc là tối thiểu.
1.1.2. Dừng máy
Ấn nút dừng D(1-3) để mở mạch (1-3) đồng thời đóng mạch (1-25).
. Công tắc tơ KT, K2 mất điện sẽ cắt điện lưới cấp vào stato và nối các cấp điện
trở r1, r2 vào mạch roto để tiến hành quá trình hãm động năng.
. Tiếp điểm KT(25-27) đóng lại, cp đin cho cuộn công tắc m đông ng H.
Cuộn công tắc tơ H có điện sẽ:
. Đóng các tiếp điểm lực H mạch stato để cấp điện 1 chiều kích từ cho đông
cơ. Đông cơ được hãm động năng kích từ độc lập với điện trở hãm là:
rh = r1+ r2.
. Động chuyển điểm làm việc từ LV trên đường đặc tính tự nhiên sang điểm
F trên đường đặc tính hãm động năng 3 và làm việc ở chế độ máy phát từ f về 0.
. Đóng tiếp điểm H(1-25) để duy trì.
. Mở tiếp điểm H( 6-8) đêt không cho KT hoặc KN điện khi hãm hay i
cách khác là không thể mở máy động cơ khi đang hãm.
. Đóng tiếp điểm H (25- 33) để cấp điện cho le thời gian Rth3 và sau
khoảng thời gian T3 sẽ tác động mở tiếp điểm Rth3 (29-31) cắt điện cho cuộn
công tắc tơ H và đến lượt mình, công tắc tơ H cắt điện lại Rth3.
Quá trình hãm động năng kích từ độc lập kết thúc. Thời gian T3 được chỉnh
định sao cho tốc độ động cơ gần bằng 0.
4
1.1.3. Mở máy quay ngược.
Ấn nút MN đcấp điện cho cuộn công tắc tơ KN. Công tắc KN sđóng
điện mạch lực với đảo chỗ hai pha B và C cho nhau đđộng quay ngược.
Quá trình mở máy xảy ra hoàn toàn tương tự như khi n nút MT trong trương
hợp quay thuận.
1.1.4. Bảo vệ.
Mạch đưc bảo vệ quá tải nhỏ u dài bằng các rơ le nhit. Khi quá tải nho
i quá thi gian cho phép các le nhiệt RN1, RN2 sẽ c động, mở các tiếp điểm
RN1 (4-6), hoặc RN2(2-4)để cắt điện cuộn KTkhi động quay thuận hay cuộn
ng tắc KN khi động quay ngưc.Sau khi xử lý sự cố quá tải thì c tiếp đim
RN1, RN2 cũng không tự đóng lại được. Muốn đóng ta phải ấn phục hồi.
Bảo vệ quá tải lớn, ngắn mạch nhờ 2 aptômát AP1, AP2.
1.2.NGUyÊN TẮC ĐIỀU KHIỂN THEO TỐC ĐỘ
Việc điều khiển theo nguyên tắc tốc độ dựa trên sở kiểm tra trực tiếp hoặc
giám tiếp tốc độ tại thời điểm cần ra lệnh điều khiển.
Kiểm tra trực tiếp thế dùng le kiểm tra tốc độ ly tâm. Kiểm tra gián
tiếp có thể dùng máy phát tốc thông qua giá trị điện áp phát ra tỉ lệ vời tốc độ Un
hoặc thông qua suất điện động của động cơ tỉ lệ vối tốc độ E = K .
Ta xét đồ điều khiển mở máy động 1 chiều kích tsong song qua 3
cấp điện trở nh ư h ình v ẽ.
Khi đóng cầu dao CD, đông cơ được cấp điện kích từ.
Ấn nút mở máy M, cuộn công tắc có điện sẽ đóng tiếp điểm song song với
nút M để từ duy t đóng các tiếp mạch lực , cấp điện cho phần ứng động
cơ. Động được mở máy với toàn bộ điện trở phụ (r1 + r2 + r3 ) làm việc
trên đường đặc tính 1 tA1 đến A. Tốc độ động tăng dần từ 0 đến. Tại
thời điểm t1 (ứng với điểm A) điện áp đặt lên cuộn hút công tắc tơ K1 :
U1 = E +I2( Rư + r3+ r2) =
1
K
+ I2( Rư + r3+ r2).
Công tắc K1 được chỉnh định đcác động điện áp U1 tiếp điểm K1 mắc
song song với điện trở r1 sẽ đóng để nối tắt r1. Động chuyển sang làm việc
trên đường đặc tính 2 với mômen lớn hơn và tiếp tục tăng tốc từ điểm B1 (tốc
độ) đến điểm B (tốc độ).