
Trang 1/3
Số hiệu: BM1/QT-PĐBCL-RĐTV
TRƯỜNG ĐHSPKT TP.HCM
KHOA ĐÀO TẠO
CHẤT LƯỢNG CAO
ĐỀ THI CUỐI KÌ HỌC KÌ I NĂM HỌC 2015 – 2016
MÔN: ĐIỆN TỬ CƠ BẢN
Mã môn học: BAEL340662.
Đề số 1
Thời gian: 90 phút
Đề thi gồm 3 trang.
Sinh viên được sử dụng tài liệu.
Phần I: Trắc nghiệm điền khuyết (4đ)
Cho mạch như hình 1. Tìm
Câu 1: Công suất nguồn cung cấp cho mạch, Pi =……..
Câu 2: Tầm dao động cực đại của dòng ic(p-p),
...........)(max )(
ppc
iswing
Câu 3: Công suất ngõ ra cực đại trên tải, Max(Po) =………..
Q1
100kΩ
T1
4:1
RL
8Ω
12V
C1
1µF
Vi
Hình 1
Cho mạch như hình 2
Câu 4: Đây là mạch dao động sin có tên gọi là……………….
Câu 5: Để mạch duy trì dao động thì điện trở R1=……
Câu 6: Mạch có tần số dao động, .........
f
R1
R2
1kΩ
R3
1kΩ
R4
1kΩ
C1
0.1µF
C2
0.1µF
C3
0.1µF
11V
-11V
Vo
Hình 2
Cho mạch như hình 3
Câu 7: Đây là mạch lọc thông………………………………
Câu 8: Mạch có hàm truyền .......
i
O
VV
V
A
Câu 9: Mạch có tần số cắt, .........
c
f
11V
-11V
3kΩ
33kΩ
200nF
Vi
Vo
Hình 3
Cho mạch như hình 4
Câu 10: Transistor Q1 được mắc theo kiểu mạch khuếch đại…
Câu 11: Transistor Q1 có dòng phân cực tại cực D, ID=……..
Câu 12: Transistor Q1 có điện áp VDS=………………………
Q1
2kΩ
1MΩ 0.2kΩ
15V
1µF
1µF
Vo
Vi
Hình 4
Cho mạch như hình 5
Câu 13: Đây là mạch xén điện áp (trên hay dưới)……….
Câu 14: Hãy cho biết điều kiện của điện áp của Vi để D1 ở
trạng thái dẫn, Vi……………………………………………
Câu 15: Vẽ Vo (vẽ dạng sóng Vo)……..
Si
1kΩ+ +
- -
vi=2sin100t(V) Vo
Hình 5
=80
Si
I
DSS
=4mA
VP=-4V

Trang 2/3
Số hiệu: BM1/QT-PĐBCL-RĐTV
Cho mạch như hình 6, biết transistor có re= 26.
Câu 16: Đây là mạch khuếch đại có hồi tiếp âm dạng………..
Câu 17: Mạch có hệ số hồi tiếp =………………………….
Câu 18: Mạch có hệ số khuếch đại vòng hở A=…………….
Q2
930kΩ
12V
1µF
Vi
2kΩ
1µF
Vo
Hình 6
Cho mạch như hình 7
Câu 19: Mạch có UTP=……………………………….
Câu 20: Nếu mạch có điện áp vào Vi=2sin1000t(V), vẽ dạng
sóng ra Vo theo dạng sóng vào Vi trên cùng 1 trục tọa độ
………………………………………………………………..
11V
-11V
3kΩ
33kΩ
Vi
Vo
Hình 7
Phần II: Tự luận ( 6 ñieåm )
Câu 1(1,5 điểm): Cho maïch nguồn có ổn áp như hình 8.
a. Hãy cho biết chức năng các linh kiện trong mạch
b. Tính điện trở R1, để dòng qua led2V là 10mA, biết điện áp trên led khi sáng là 2V.
c. Hãy vẽ dạng sóng tại điểm A. Biết IiIo.
T1
10:1
C1
470µF
R1
LED2V
220V
50Hz
U1
LM7805CT
LI N E V RE G
C O MM O N
VO L T A GE
AIi Io
>.>
D1
D2
Si
Si
Hình 8
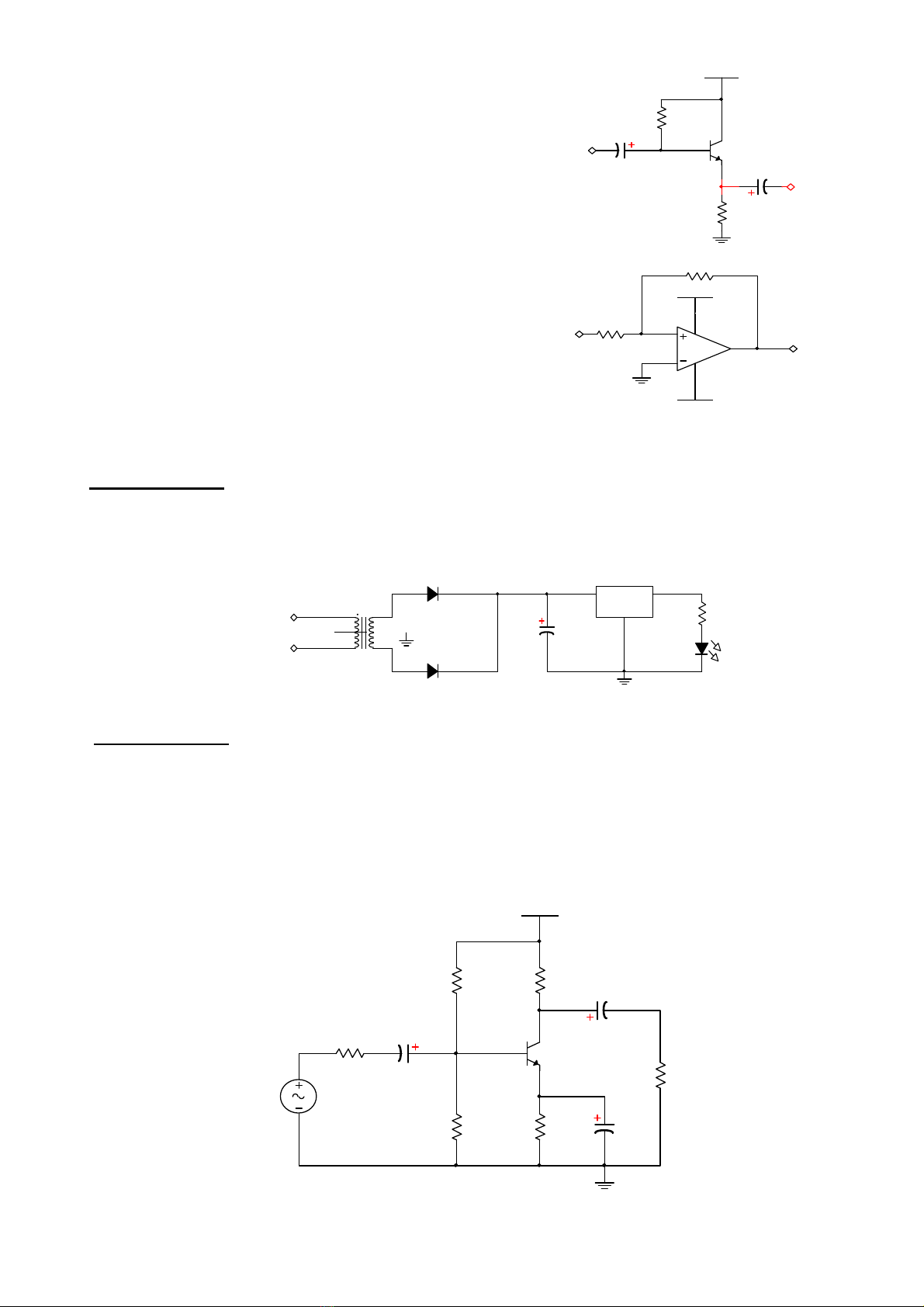
Câu 2 (2.5 điểm): Cho maïch ñieän nhö hình 9, bieát:
- Transistor Q1 laø loaïi Si, coù β=150, được phân cực sao cho VCEQ1=3V và ICQ=1mA
a. Tìm giá trị thích hợp của R1 để transistor Q1 có VCEQ1 theo yêu cầu của đề bài.
b. Veõ sô ñoà töông ñöông tín hieäu nhoû cuûa maïch.
c. Tìm Zi, Zo, AVS. Vẽ dạng sóng ra nếu )(2000sin10 mVtVS
d. Viết hàm truyền AVS của mạch tại vùng tần số thấp, nếu giá trị các tụ C3, C4 bằng vô cùng.
e. Tính tần số cắt thấp của mạch ở câu d.
Q1
2N1711
R3
1kΩ
R1
R2
30kΩ
R4
2kΩ
C2
1µF
C3
Rs
500Ω RL
3kΩ
C4
VCC
6V
Vs
10mVpk
1kHz
0°
Hình 9
=100
Si

Trang 3/3
Số hiệu: BM1/QT-PĐBCL-RĐTV
Câu 3 (2 điểm): Cho maïch ñieän nhö hình 10:
a. Vieát bieåu thöùc ñieän aùp ngoõ ra, Vo theo V1, V2.
b. Nếu V1=3 (V) và V2= 3sin1000t(V). Hãy vẽ dạng sóng ra, Vo.
c. Nếu ngõ vào V1 mắc với một nguồn, nguồn này có điện trở bằng 500 và có điện áp bằng 3V,
và điện áp ngõ vào V2 không đổi giống câu b. Thì điện áp ngõ ra có thay đổi gì không, so với
câu b? Giải thích tại sao.
d. Hãy thiết kế lại mạch sao cho Vo=V2 – 3V1.Với R4 và R1 không thay đổi giá trị.
U1
R1 1kΩ
R2 1kΩ
R3 1kΩ
R4
1kΩ
5V
-5V
Vo
V2
V1
---------------------------------------------------------------------------------------------------------------------
Ghi chú: CBCT không giải thích đề thi. Bỏ 1 đề thi vào túi đựng bài thi.
Chuẩn đầu ra của học phần (về kiến thức) Nội dung kiểm tra
[CĐR 1.1]: Trình bày được các kiến thức cơ bản về vật liệu bán dẫn
dùng chế tạo linh kiện điện tử.
Phần I: câu 13, 14.
Phần II: câu 21, 22.
[CĐR 1.2]: Mô tả được cấu trúc, nguyên lý hoạt động và đặc tính của
các linh kiện điện tử cơ bản.
Phần I: câu 10, 13, 14,
15.
Phần II: câu 1
[CĐR 2.1]: Tính toán và phân tích được các thông số của các mạch
điện tử cơ bản.
Phần I: câu 1, 2, 3, 6, 8,
9, 10, 11, 12, 15, 17, 18,
19, 20.
Phần II: câu 1, 2, 3.
[CĐR 2.2]: Thiết kế được các mạch ứng dụng của các linh kiện điện
tử.
Phần I: câu 5.
Phần II: câu 1, 2, 3.
[CĐR 4.2]: Giải thích và phân tích được các mạch điện tử cơ bản. Phần I: câu 4,7,10,13,16,
20.
Phần II: câu 1, 2, 3.
[CĐR 4.1]: Đọc được sơ đồ mạch điện, điện tử cơ bản thực tế: mạch
nguồn, mạch khuếch đại, mạch dao động.
Phần I: câu 4,7,10,13,16.
Phần II: câu 1, 2, 3.
Ngày 28 tháng 12 năm 2015.
TRƯỞNG NGÀNH
Hình 10

