
SỞ LĐTB&XH TỈNH HÀ GIANG
TRƯỜNG TCDTNT-GDTX BẮC QUANG ĐỀ THI KẾT THÚC MÔN
Nghề: Điện công nghiệp
Lớp: ĐCN_KV-03
Hình thức: Thực hành
Môn: Điện tử ứng dụng
Thời gian làm bài: 240 phút
ĐỀ SỐ: 03
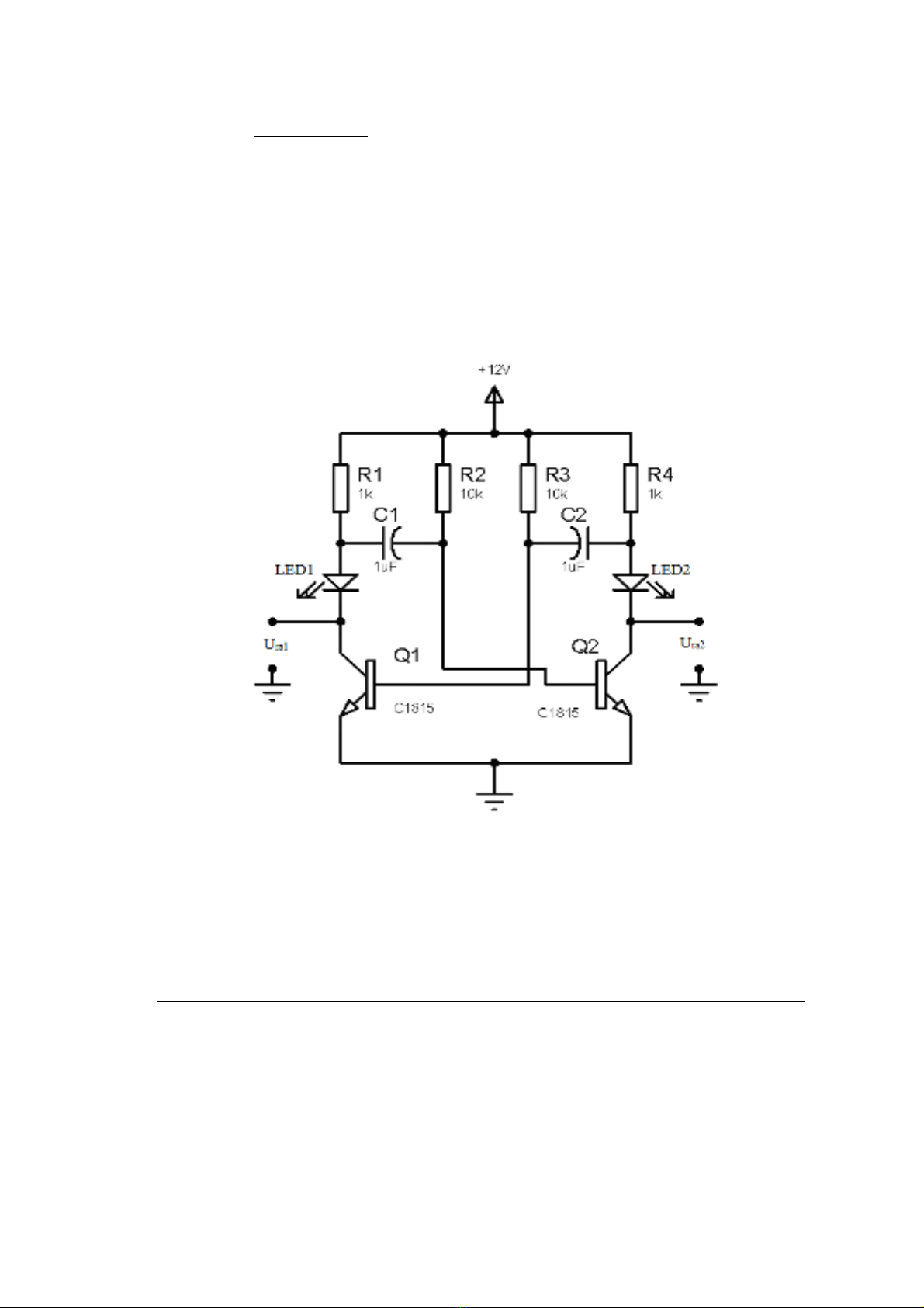
Anh (chị) hãy lắp ráp, kiểm tra hoạt động của mạch dao động đa hài? Đo dạng sóng
Ura1, Ura2 ?
Ghi chú:
Thí sinh không được sử dụng tài liệu khi làm bài.
Giám thị không giải thích gì thêm.
Hết
Ngày 16 tháng 11 Năm 2018
KHOA ĐIỆN – ĐIỆN TỬ GIÁO VIÊN BÔ& MÔN
Nguyễn Thị Phương Nga Nguyễn Hồng Nghĩa

SỞ LĐTB&XH TỈNH HÀ GIANG
TRƯỜNG TCDTNT-GDTX BẮC QUANG ĐÁP ÁN THI KẾT THÚC MÔN
Nghề: Điện công nghiệp
Lớp: ĐCN_KV-03
Hình thức: Thực hành
Môn: Điện tử ứng dụng
ĐÁP ÁN SỐ: 03
TT NỘI DUNG ĐIỂM
CHUẨN
I Chất lượng sản phẩm: 7,0 điểm
1 Lắp ráp đúng theo sơ đồ 4 điểm
2 Mạch hoạt động đúng theo yêu cầu 1 điểm
3 Mạch hoạt động ổn định, chắc chắn 1 điểm
4Đo dạng sóng Ura1, Ura2 1 điểm
II Thao tác kỹ thuật: 1,0 điểm
1 Thao tác đúng trình tự 0,5 điểm
2 Thao tác chính xác, dứt khoát 0,5 điểm
III Năng suất (thời gian): 1,0 điểm
1 Hoàn thành đúng thời gian quy định 1 điểm
2 Hoàn thành chậm ≤ 10 phút 0,5 điểm
3 Hoàn thành chậm > 10 phút 0 điểm
IV An toa+n: 1,0 điểm
1 Mạch hoạt động đảm bảo an toàn, không xảy ra sự cố 0,5 điểm
2 Thao tác đúng, đảm bảo an toàn 0,5 điểm
Điểm tổng cộng: 10 điểm
Ngày 16 tháng 11 Năm 2018
KHOA ĐIỆN – ĐIỆN TỬ GIÁO VIÊN BÔ& MÔN
Nguyễn Thị Phương Nga Nguyễn Hồng Nghĩa
SỞ LĐTB&XH TỈNH HÀ GIANG PHIẾU CHẤM BÀI THỰC HÀNH

TRƯỜNG TCDTNT-GDTX BẮC QUANG
Nghề: Điện công nghiệp
Lớp: ĐCN_KV-03
Môn: Điện tử ứng dụng
Họ Và Tên:……………………..…..SBD:…….
PHIẾU CHẤM ĐỀ SỐ: 03
TT NỘI DUNG
MỨC
ĐIỂM TỐI
ĐA
MỨC
ĐIỂM
CHẤM
I Chất lượng sản phẩm: 7,0 điểm
1 Lắp ráp đúng theo sơ đồ 4 điểm
2 Mạch hoạt động đúng theo yêu cầu 1 điểm
3 Mạch hoạt động ổn định, chắc chắn 1 điểm
4Đo dạng sóng Ura1, Ura2 1 điểm
II Thao tác kỹ thuật: 1,0 điểm
1 Thao tác đúng trình tự 0,5 điểm
2 Thao tác chính xác, dứt khoát 0,5 điểm
III Năng suất (thời gian): 1,0 điểm
1 Hoàn thành đúng thời gian quy định 1 điểm
2 Hoàn thành chậm ≤ 10 phút 0,5 điểm
3 Hoàn thành chậm > 10 phút 0 điểm
IV An toa+n: 1,0 điểm
1Mạch hoạt động đảm bảo an toàn, không xảy ra
sự cố 0,5 điểm
2 Thao tác đúng, đảm bảo an toàn 0,5 điểm
Điểm tổng cộng: 10 điểm
Ngày…….tháng…..năm 2018
TỔNG SỐ ĐIỂM THỰC HIỆN: GIÁO VIÊN CHÂDM 1
Nguyễn Hồng Nghĩa
GIÁO VIÊN CHÂDM 2

