
ĐỀ SỐ: 04
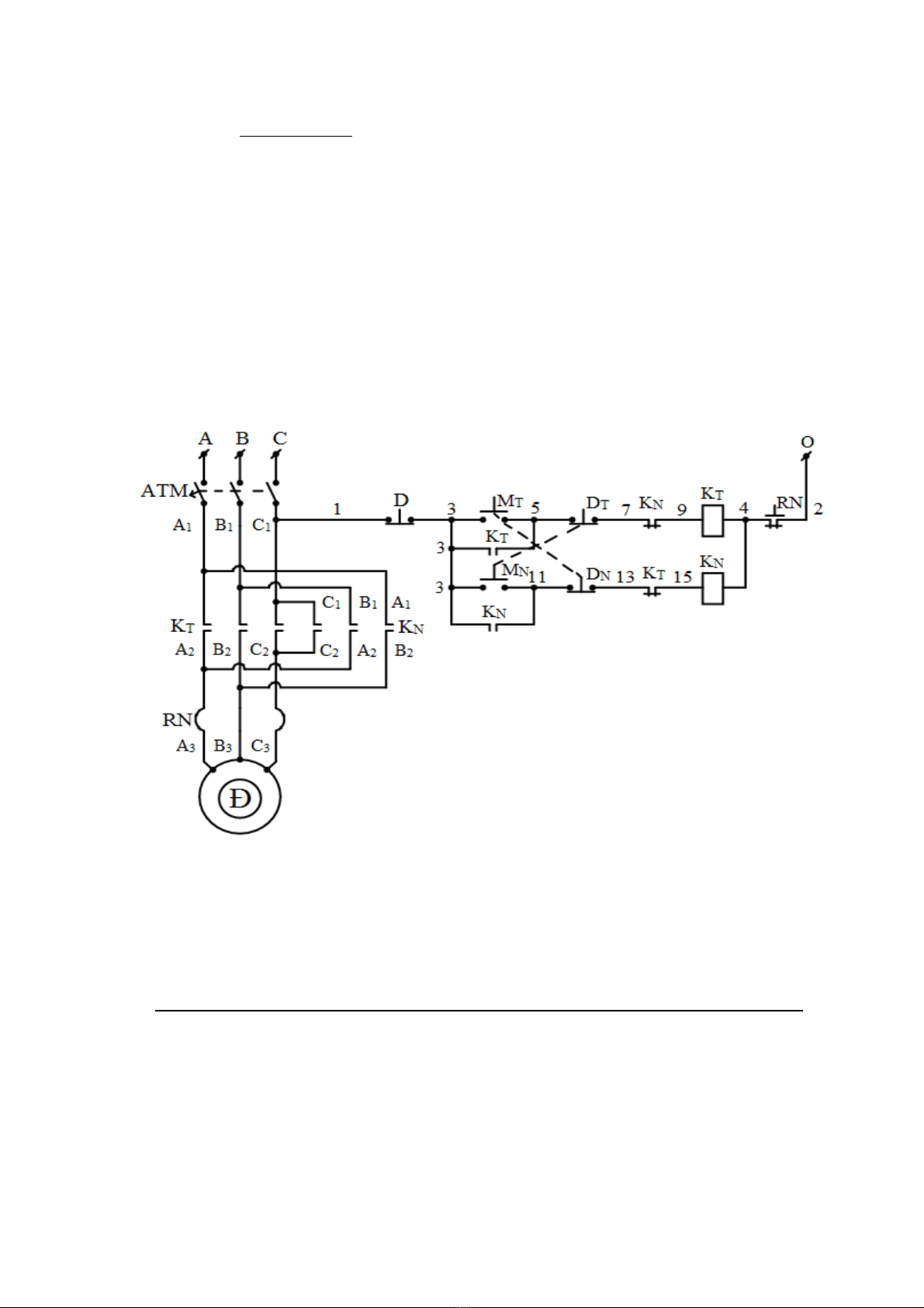
Anh (chị) hãy lắp ráp, vận hành và kiểm tra hoạt động của mạch đảo chiều
quay động cơ không đồng bộ ba pha rotor lồng sóc dùng nút bấm kép, khởi động
từ kép:
Ghi chú:
Thí sinh không được sử dụng tài liệu khi làm bài.
Giám thị không giải thích gì thêm.
Hết
Ngày 20 tháng 12 năm 2018
KHOA ĐIỆN – ĐIỆN TỬ GIÁO VIÊN BÔ MÔN
Nguyễn T.Phương Nga Nguyễn Thanh Liễu
SỞ LĐTB&XH TỈNH HÀ GIANG
TRƯỜNG TCDTNT-GDTX
BẮC QUANG
ĐỀ THI KẾT THÚC MÔN
Nghề: Điện công nghiệp
Lớp: ĐCN_KVI-01
Hình thức: Thực hành
Môn: Lắp đặt điện
Thời gian làm bài: 180 phút


