
ĐỀ SỐ: 05
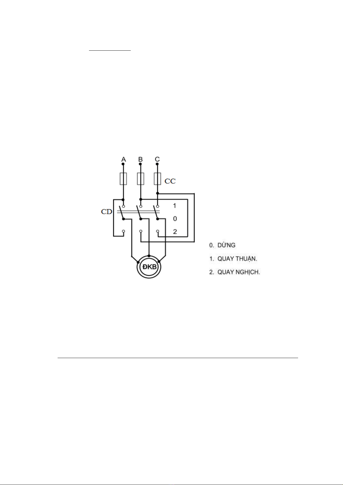
Anh (chị) hãy lắp ráp, vận hành và kiểm tra hoạt động của mạch đảo
chiều quay động cơ không đồng bộ ba pha bă)ng câ)u dao hai nga, ?
Ghi chú:
Thí sinh không được sử dụng tài liệu khi làm bài.
Giám thị không giải thích gì thêm.
Hết
Ngày 20 tháng 12 năm 2018
KHOA ĐIỆN – ĐIỆN TỬ GIÁO VIÊN BÔ MÔN
Nguyễn T.Phương Nga Nguyễn Thanh Liễu
SỞ LĐTB&XH TỈNH HÀ GIANG
TRƯỜNG TCDTNT-GDTX
BẮC QUANG
ĐỀ THI KẾT THÚC MÔN
Nghề: Điện công nghiệp
Lớp: ĐCN_KVI-01
Hình thức: Thực hành
Môn: Lắp đặt điện
Thời gian làm bài: 180 phút

