
Chương 5. Thiết bị phục vụ công tác bê tông
79
CHÆÅNG V MAÏY PHUÛC VUÛ CÄNG TAÏC BÃTÄNG
Trong cäng taïc xáy dæûng ngæåìi ta duìng mäüt khäúi læåüng ráút låïn häøn håüp
bãtäng vç loaûi váût liãûu naìy coï nhiãöu tênh æu viãût nhæ âäü bãön, myî quan, khaí
nàng phoìng chäúng chaïy täút va tênh kinh tãú.
Bãtäng laì häùn håüp bao gäöm, xi màng, cäút liãûu( caït, âaï, soíi. ..) vaì næåïc,
cäng taïc bãtäng bao gäöm viãûc chuáøn bë häùn håüp bãtäng, váûn chuyãøn bãtäng,
âäø vaì âáöm bãtäng
5.1 Maïy träün bãtäng
Maïy träün bãtäng duìng âãø saín xuáút häùn håüp bãtäng tæì caïc thaình pháön
âaî âæåüc âënh læåüng theo cáúp phäúi âaî xaïc âënh. So våïi träün bàòng tay, träün bàòng
maïy tiãút kiãûm xi màng hån, âaím baío nàng suáút vaì cháút læåüng cao. Âàûc træng
kyî thuáût chuí yãúu cuía maïy träün laì dung têch saín xuáút V
sx
cuía thuìng träün, tæïc
dung têch naûp váût liãûu cho mäüt meí träün. Dung têch hçnh hoüc thæåìng gáúp 1.5-3
láön dung têch saín xuáút. Trong xáy dæûng duìng caïc loaûi maïy träün coï dung têch
saín xuáút: 250, 500, 1000, 1200, 2400, 4500 lêt. Maïy träün gäöm caïc bäü pháûn chuí
yãúu: thuìng träün, bäü pháûn cäng taïc, hãû thäúng dáùn âäüng, thiãút bë naûp vaì âäø
bãtäng.
Theo âiãöu kiãûn laìm viãûc coï maïy träün cäú âënh vaì maïy träün di âäüng, theo
chãú âäü laìm viãûc coï loaûi laìm viãûc theo chu kyì vaì laìm viãûc liãn tuûc, theo phæång
phaïp träün coï loaûi träün tæû do vaì loaûi träün cæåíng bæïc, ngoaìi ra coìn phán biãût
theo caïch âäø bãtäng: âäø bàòng caïch láût uïp thuìng, âäø bàòng maïng,
âä øbàòng caïch nghiãng thuìng vaì âäø bàòng caïch uïp thuìng,...

Chương 5. Thiết bị phục vụ công tác bê tông
80

Chương 5. Thiết bị phục vụ công tác bê tông
81
Nàng suáút cuía maïy träün laìm viãûc theo chu kyì
Q = V
SX
.f.m.k
tg
(m
3
/h)
Trong âoï : V
SX
- dung têch saín xuáút( khaí nàng chæïa cuía thung träün âãø
träün hiãûu quaí)
f- hãû säú suáút liãûu( f = V
b
/V
SX
)
k
tg
- hãû säú sæí dung thåìi gian
m- säú meí träün trong mäüt giåì
Nàng suáút cuía maïy träün laìm viãûc liãn tuûc
Q = 3600.A.V ( m
3
/h)
Trong âoï: A- diãûn têch màût càõt ngang trung bçnh cuía doìng váût liãûu trong
thuìng träün
V- täúc âäü di chuyãøn váût liãûu träün theo hæåïng doüc truûc
5.2 Traûm träün bãtäng

Chương 5. Thiết bị phục vụ công tác bê tông
82
5.3 Maïy váûn chuyãøn bãtäng
5.3.1 Ä tä váûn chuyãøn
Váûn chuyãøn bãtäng våïi cæû li vaìi km, trong quaï trçnh váûn chuyãøn âãø
traïnh bãtäng bë phán táöng thç thuìng träün quay våïi tæì 9 âãún 12 voìng trong mäüt
phuït.

Chương 5. Thiết bị phục vụ công tác bê tông
83
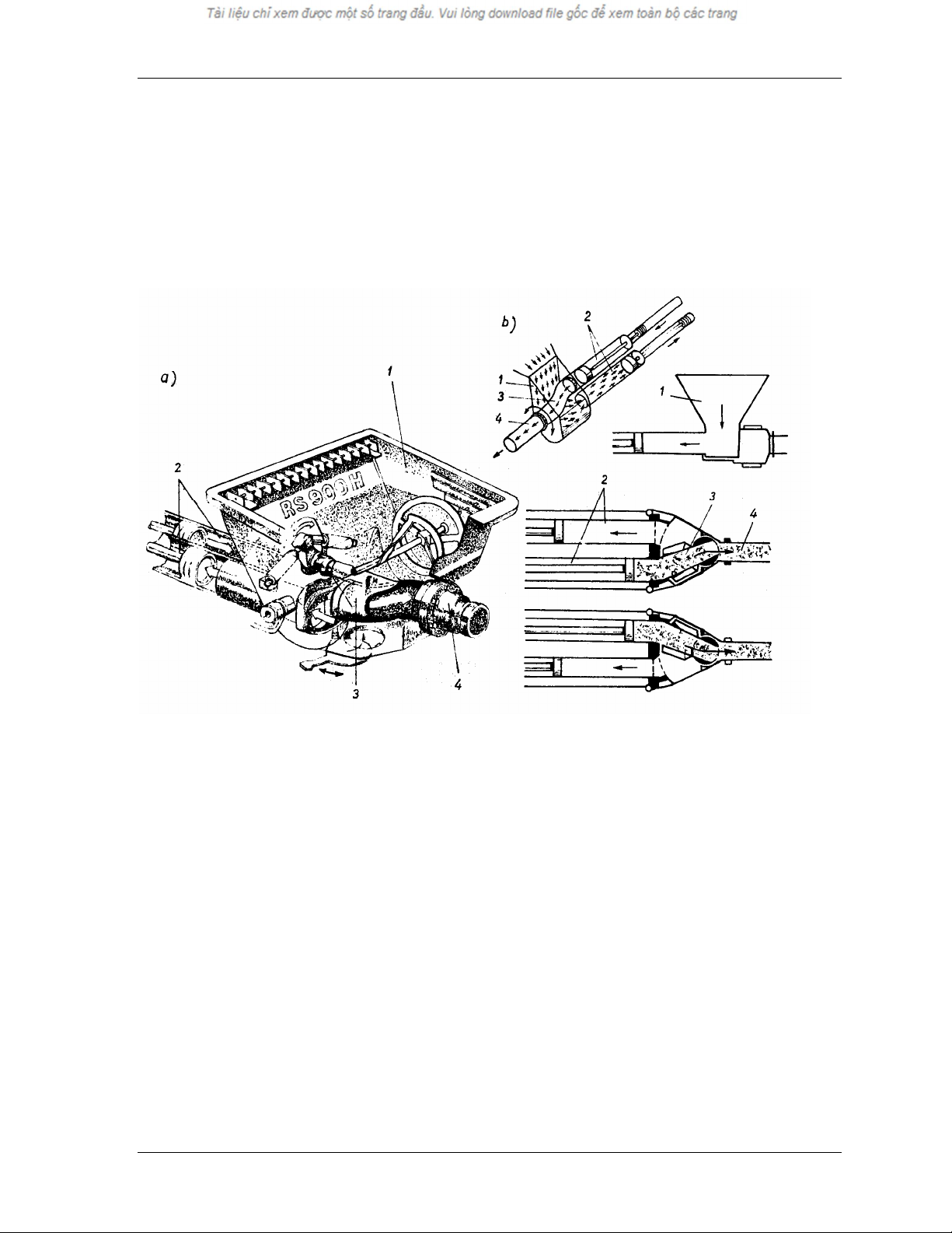
5.3.2 Maïy båm bãtäng:
Dìuìng âãø váûn chuyãøn bãtäng coï âäü læu âäüng låïn hån 12cm.Váûn chuyãøn
lãún cao âãún 70m, váûn chuyãøn âi xa khoaíng 500m, âãø váûn chuyãøn xa hån coï thãø
làõp båm näúi tiãúp.
Hiãûn nay daûng båm pittäng thuíy læûc âæåüc sæí duûng räüng raîi våïi mäüt
pittäng hoàûc hai pittäng
Nàng suáút båm Q = 60.F. S. n. K
n
. K
tg
(m
3
/h)
Trong âoï:
F- tiãút diãûn pittäng( m
2
)
S- haình trçnh pittäng( m)
n- säú láön båm trong mäüt phuït
K
n
- hãû säú täøn tháút trong viãûc huït vaì âáøy( K
n
= 0.6-0.9)
K
tg
- hãû säú sæí duûng thåìi gian
5.4 Maïy âáöm bãtäng

