
(1) Lo i n i tr c ti pạ ố ự ế
Khi công t c đi u khi n đèn đ c v n v v trí “TAIL”, thì các đèn h u b t sáng. ắ ề ể ượ ặ ề ị ậ ậ
(2) Lo i có r le đèn h uạ ơ ậ
Khi công t c đi u khi n đèn v n v v trí “TAIL”, thì dòng đi n đi vào phía cu n dây c aắ ề ể ặ ề ị ệ ộ ủ
r le đèn h u. R le đèn h u đ c b t lên và đèn sáng. ơ ậ ơ ậ ượ ậ
M t s xe có h th ng đèn h u đ c trang b ch báo đèn h u.ộ ố ệ ố ậ ượ ị ỉ ậ
2. H th ng đèn phaệ ố
Có hai lo i h th ng đèn pha khác nhau tuỳ theo chúng có thi t b đi n nh r le đèn pha vàạ ệ ố ế ị ệ ư ơ
r le đi u ch nh đ sáng. Nhìn chung khi công t c đi u ch nh đ sáng v trí “FLASH”, thìơ ề ỉ ộ ắ ề ỉ ộ ở ị
m ch đi n đ c c u t o đ b t sáng các đèn ngay c khi công t c đi u khi n đèn v tríạ ệ ượ ấ ạ ể ậ ả ắ ề ể ở ị
OFF.
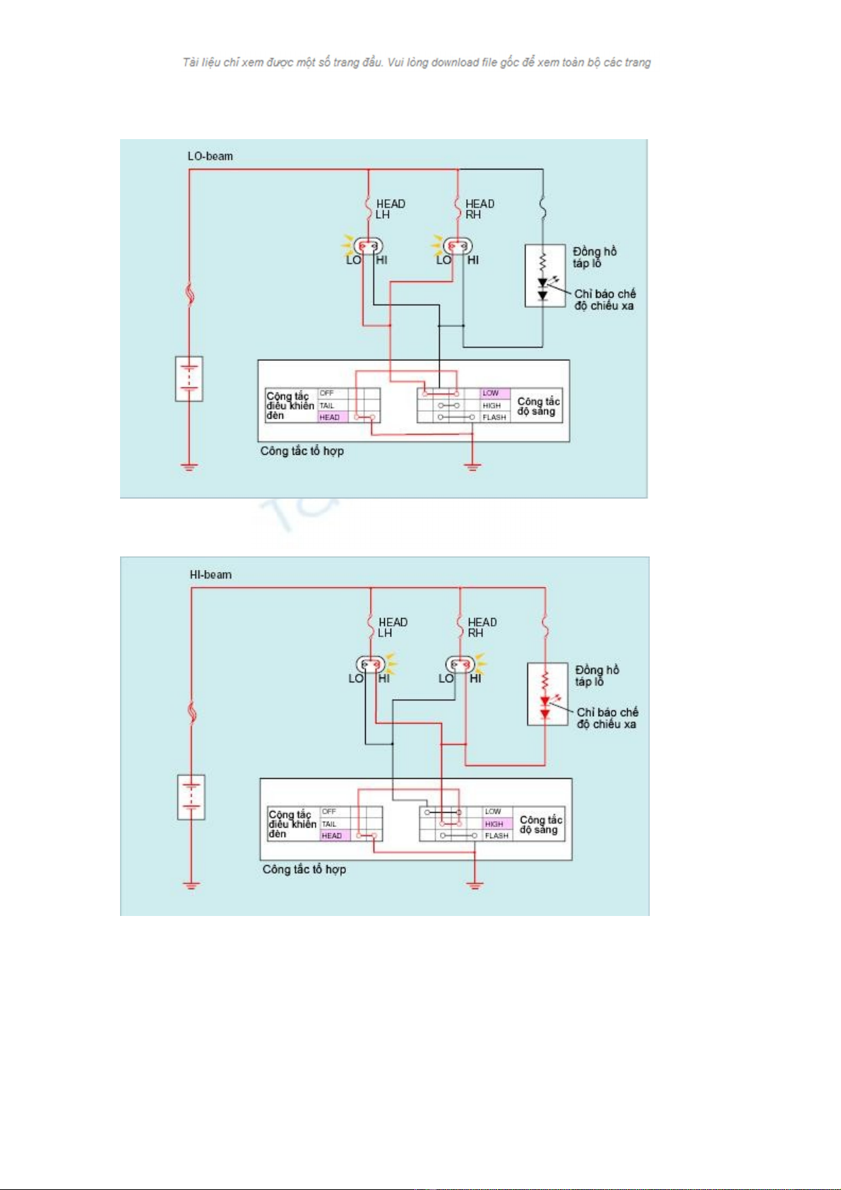
(1) Lo i không có r le đèn pha và không có r le đi u ch nh đ sángạ ơ ơ ề ỉ ộ

+ Đèn pha (Chi u g n LO – Bearn)ế ầ
Khi xoay công t c đi u khi n đèn v v trí HEAD (LOW), đèn pha (chi u g n) b t sáng. ắ ề ể ề ị ế ầ ậ
+ Đèn pha (Chi u xa “High – Bearn”)ế
Khi xoay công t c v v trí HEAD (HIGH), thì đèn pha-chi u xa b t sáng và đèn ch báo đènắ ề ị ế ậ ỉ
pha-chi u xa trên b ng đi u khi n cũng b t sáng. ế ả ề ể ậ
+ Đèn pha FLASH (Nháy pha)
Khi công t c đi u khi n đèn d ch chuy n v v trí FLASH thì đèn pha chi u xa s b t sáng.ắ ề ể ị ể ề ị ế ẽ ậ

Khi công t c đi u khi n đèn d ch chuy n v v trí HEAD (LOW), thì r le đèn pha đ c b tắ ề ể ị ể ề ị ơ ượ ậ
lên và đèn pha-chi u g n sáng lên. ế ầ
+Nguyên lý ho t đ ng c a đèn pha-chi u xaạ ộ ủ ế
Khi công t c đi u khi n đèn d ch chuy n v v trí HEAD (HIGH), thì r le đèn pha b t đènắ ề ể ị ể ề ị ơ ậ
pha-chi u xa và đèn ch báo đèn pha-chi u xa trên đ ng h táp lô cũng b t sáng.ế ỉ ế ồ ồ ậ
Lo i m c ạ ắ n i ti pố ế v i đèn ch báoớ ỉ
Dòng đi n đi t đèn pha-chi u g n đ n đèn ch báo đèn pha-chi u xa và đèn ch báo b tệ ừ ế ầ ế ỉ ế ỉ ậ
sáng.
Dòng đi n đi đ n đèn pha-chi u g n, nh ng vì đi n tr và dòng đi n nh nên chúng khôngệ ế ế ầ ư ệ ở ệ ỏ
sáng.
+ Ho t đ ng nháy đèn phaạ ộ
Khi công t c đi u khi n đèn d ch chuy n v v trí FLASH, thì r le đèn pha b t lên và cácắ ề ể ị ể ề ị ơ ậ



