
1
Chương 5
BỘ NGHỊCH LƯU
BỘ BIẾN TẦN

2
Giới thiệu
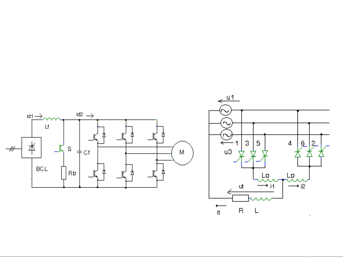
B nộgh ch lị ưu: DC AC
Phân lo i ạtheo c u hình:ấ
Ngh ch l u ngu n ápị ư ồ
Ngh ch l u ngu n dòngị ư ồ
Phân lo i theo tín hi u đc đi u khi nạ ệ ượ ề ể
ngõ ra b ngh ch l u:ở ộ ị ư
B ngh ch l u ápộ ị ư
B ngh ch l u dòngộ ị ư
Ứng d ng c a b ngh ch l u:ụ ủ ộ ị ư
Truy n đng đi n đng c xoay chề ộ ệ ộ ơ i uề
Thi t b gia nhi t c m ng: lò c m ng, thi t b hànế ị ệ ả ứ ả ứ ế ị …
Các áp d ng trong lãnh v c truy n t iụ ự ề ả đi n, chi u ệ ế sang…

3
Giới thiệu
B bi n t n:ộ ế ầ AC AC
Bi n t n gián ti p: ACế ầ ế DC AC
Bi n t n tr c ti pế ầ ự ế (Cycloconverter): AC (t n s cao) ầ ố AC (t n s th p)ầ ố ấ
V i b bi n t n: c n thay đi đớ ộ ế ầ ầ ổ i nệ áp và t n ầs đng th iố ồ ờ
Bộ biến tần gián tiếp 3 pha
Bộ biến tần trực tiếp 1 pha

4
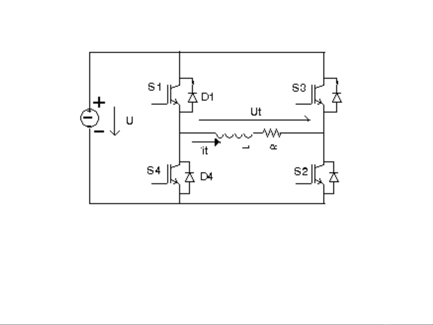
Bộ nghịch lưu áp một pha
Cấu hình bộ nghịch lưu áp một pha
Nguyên t c kíchắ:
Hai công t c ắbán d n trên cùng m t nhánh c u (ẫ ộ ầ S1 & S4, S3 & S2)
được kích đi ngh ch nhauố ị
Không có trường h p hai công t c trên cùng m tợ ắ ộ nhánh c uầ
cùng d n hoẫ ặc cùng t tắ

5
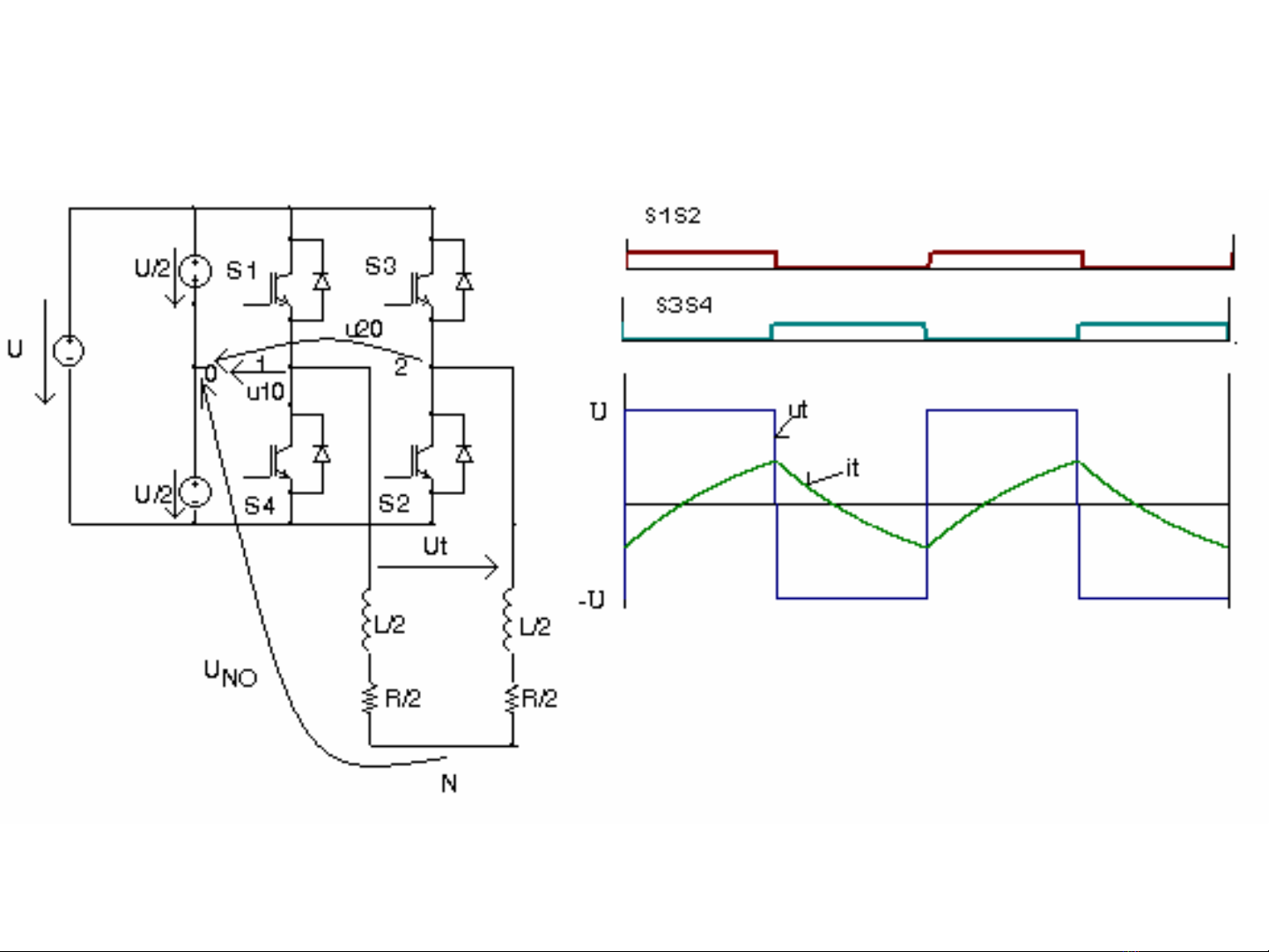
Bộ nghịch lưu áp một pha
Ngh ch l u áp m t pha đi u khi n đn gi n:ị ư ộ ề ể ơ ả

