
1
Chương 3
BỘ BIẾN ĐỔI
ĐIỆN ÁP XOAY CHIỀU

2
Bộ biến đổi điện áp xoay chiều
Dùng đ thay đi tr hi u d ng c a đi n áp xoay chi u ngõ raể ổ ị ệ ụ ủ ệ ề
Các ng d nứ ụ g:
Đi u khi n công su t các t i đi n trề ể ấ ả ệ ở
Đi u khi n chi u ề ể ế sáng
Đi u khi n t c đ đng c không đng b 1 pha & 3 phaề ể ố ộ ộ ơ ồ ộ , đng c v n năngộ ơ ạ
Dùng trong các h th ng bù nhuy n.ệ ố ễ

3
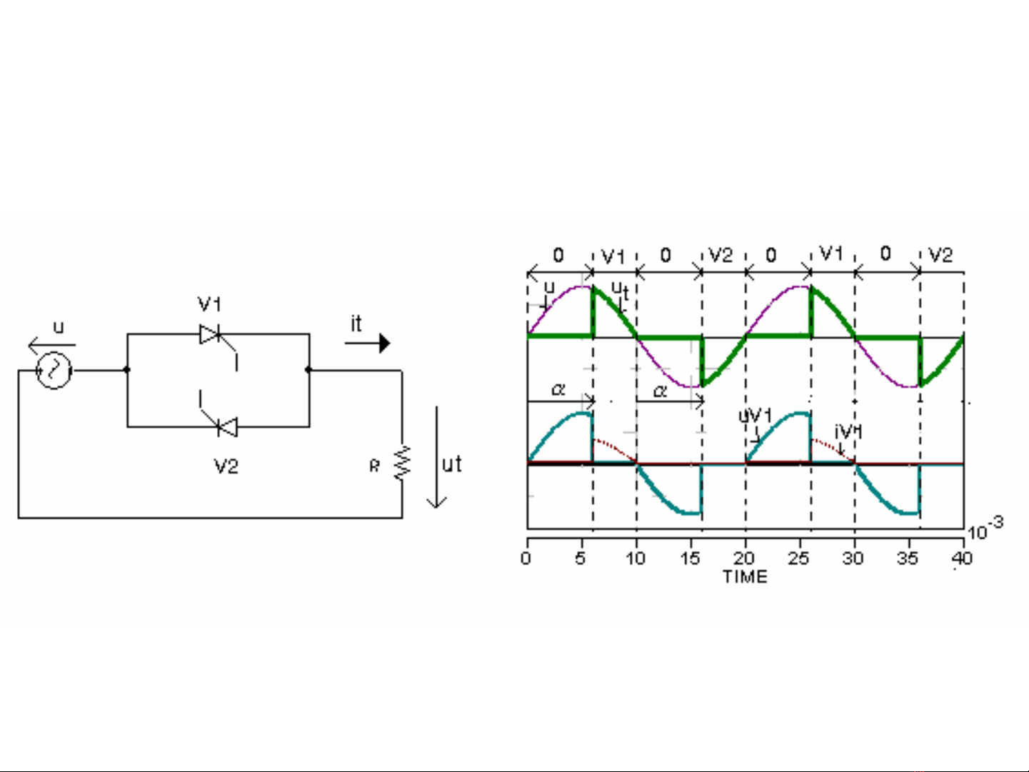
Bộ biến đổi điện áp xoay chiều 1 pha
Trường hợp tải thuần trở (tải R)
Góc kích: 0 180
o o

4
Bộ biến đổi điện áp xoay chiều 1 pha
Trường hợp tải thuần trở (tải R)
Tr hi u d ng áp trên t i:ị ệ ụ ả
1
2
22
1
2
1.
2
sin 2
12
t t
t
U u dx
U U
Tr hi u d ng dòng qua t i:ị ệ ụ ả
R
U
I
t
t
H s công su t ngõ vào b bi n đi:ệ ố ấ ộ ế ổ
2
1
t
t
2
t
2
2s in
1
U
U
I.U
R/U
S
P
PF
Dòng trung bình qua SCR:
)cos1(
R2
U
dx.xsin.
R
U
2
1
I
mm
VAV
Dòng hi u d ng qua SCR:ệ ụ
2
I
I
t
VR MS

5
Bộ biến đổi điện áp xoay chiều 1 pha
Trường hợp tải thuần cảm (tải L)
V i góc kích ớ
2
: đi n áp ra thay đi theo góc kíchệ ổ
V i góc kích ớ2
:
Đi n áp t i = đi n áp ngu nệ ả ệ ồ
Không th đi u khi n áp trên t iể ề ể ả

