
Chương.10:Máy phát tín hiệu
10.1.Tổng quát
10.2.Máy phát tín hiệu tần số thấp dạng sin và
dạng vuông.
10.3.Máy phát tín hiệu dạng hàm số.
10.4.Máy phát tín hiệu xung
10.5.Máy phát tín hiệu cao tần (RF).
10.6.Máy phát tín hiệu quét.

10.1.Tổng quát
Trong phần này chỉ đề cập một số máy phát thường sử dụng
trong phòng thí nghiệm.
-Máy phát dạng sóng sin tần số thấp (LF) ,tần số tối đa là 100KHz
biên độ thay đổi được thường từ 0 đến 10V.
-Máy tạo hàm: Thường cho tín hiệu tần số thấp, biên độ ra thay
đổi được và các dạng sóng thường là sin, vuông ,tam giác.
Máy tạo sóng sin tần số cao: Tạo nên sóng cao tần vô tuyến để
bức xạ ra ngoài dây dẩn nên kỷ thuật chế tạo cơ bản khác với
máy tạo sóng sin tần số thấp. Máy có mạch chắn cao tần, có
phần đo biên độ ra và bộ giảm đã được lấy mẫu trước. Tần số ra
ổn định bằng tinh thể áp điện và điều chỉnh được.
-Máy tạo xung có phần điều chỉnh tần số,độ rộng,biên độ xung.
-Máy quét tần số:Tín hiệu ra dạng sin có tần số tăng dần từ cực
tiểu đến cực đại trong khoảng thời gian cho trước. Máy còn tạo ra
sóng răng cưa có biên độ tỉ lệ với tần số tức thời. Mục đích của
máy là để khảo sát đáp ứng tần số của mạch.

10.2.Máy phát tín hiệu LF dạng sin và dạng vuông
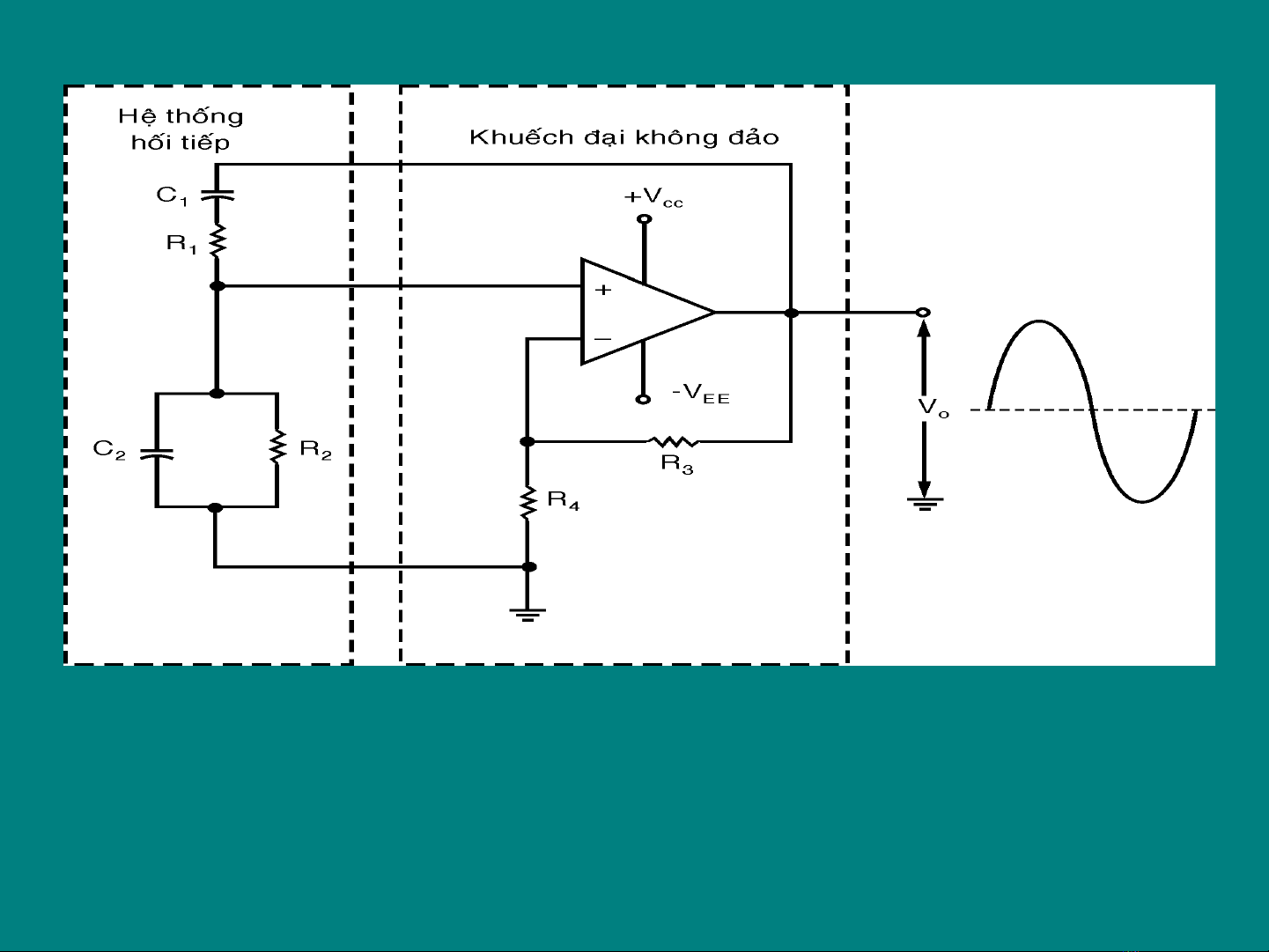
• 1.Mạch dao động cầu Wien tạo tín hiệu sin tần số thấp:Mạch
này tạo được tần số ổn định, biên độ ra ổn định và độ méo
dạng thấp. Cầu Wien cân bằng tại tần số được xác định bởi
các thành phần của cầu, khi dùng làm mạch dao động cầu
Wien tạo thành mạch hồi tiếp giữa đầu ra và đầu vào của mạch

khuếch đại. Trong mạch dao động cầu Wien, cầu có các thành
phần là R1, R2, R3, R4, C1 và C2 .Mạch khuếch đại sử dụng R3,
R4 hình thành mạch khuếch đại không đảo pha và dùng R1, R2,
C1, C2 hình thành mạch hồi tiếp. Điều kiện cầu cân bằng:
Khi đó:
Nếu: R1 = R2 = R ; và C1 = C2 = C thì :
R3 = 2R4 và
Khi cầu cân bằng, điện áp ở ngõ vào mạch khuếch đại thì cùng
pha với điện áp ngõ ra thỏa điều kiện dao động, còn các tần số
khác thì cầu không cân bằng nên không thỏa điều kiện dao động.
Độ lợi của mạch khuếch đại không đảo pha khi đó:
AV = (R3 + R4 )/R4 = 3R4/R4 = 3
Thường chọn độ lợi lớn hơn trị giá này để duy trì dao động.
2
1
2
1
4
3
C
C
R
R
R
R+=
2211
2
1
CRCR
f
=
CR
f
2
1
=

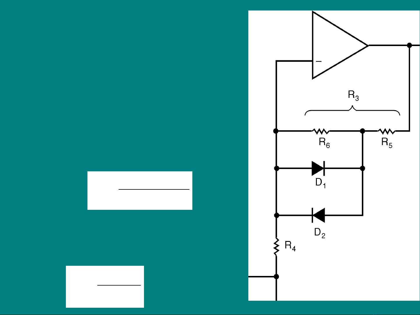
• Để tránh méo dạng tín hiệu do biên
độ dao động có thể đến gần bằng
điện áp nguồn (+Vcc và –VEE ), và
sự giới hạn các điện áp nguồn có
thể dẫn đến méo dạng, mạch được
cải tiến để ổn định biên độ như sau:
•R3 tách làm 2 thành phần R5 và R6
, các diod D1 ,D2 mắc song song
R6 .Khi biên độ ra nhỏ thì sụt áp
trên R6 không đủ lớn để phân cực
thuận các diod. Nên:
• Khi biên độ ra đủ lớn thì các diod
phân cực thuận nên R6 bị nối tắt,
độ lợi giảm xuống:
4
654
R
RRR
Av
++
=
4
54
R
RR
Av
+
=

