
CHƯƠNG 1
MỞ ĐẦU – CÁC LINH KIỆN ĐIỆN TỬCÔNG SUẤT
1.1 Khái niệm chung
Điện tửCông suấtlớn
Các linh kiện điện tửcông suất được sửdụng
trong các mạch động lực – công suất lớn

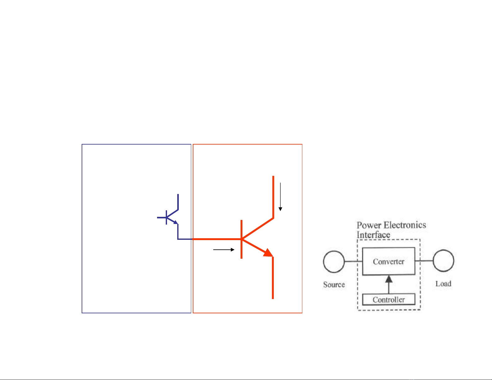
Sựkhác nhau giữa các linh kiện điện tửứng dụng
(điện tử điều khiển) và điện tửcông suất
• Công suất: nhỏ–lớn
•Chức năng: điều khiển – đóng cắt dòng điện công suất lớn
IB
IC
•Thời điểm
• Công suất
Động lực
Điều khiển
Các linh kiện điện tử
công suất chỉlàm
chức năng đóng cắt
dòng điện – các van

Transistor điều khiển: Khuyếch đại
Transistor công suất: đóng cắt dòng điện
B
I
C
U
R
a
b
A
A
U
CE
= U - RI
C
U
CE
= U
CE1
U
CE1
U
I
B2
> I
B1
I
B1
> 0
I
B
= 0
U
BE
< 0 U
CE
I
B2
I
B
R
U
uCE
C
iB
B
uBE
EiE
iC

Đặc tính Volt – Ampe của van công suất lý tưởng
i
u
điều khiển
u
i
ac
b
d

Đối tượng nghiên cứu của điện tửcông suất
•Các bộbiến đổi công suất
•Các bộkhóa điện tửcông suất lớn
Chỉnh lưu
Nghịch lưu
BBĐ điện áp
một chiều
(BĐXA)
• BBĐ điện áp
xoay chiều (BĐAX)
•Biến tần

