
Trang 1/10
BÀI TP ðIU KIN
Môn : K THUT TRUYN S LIU
TÌM HIU PHƯƠNG PHÁP PHÁT HIN VÀ SA LI
THEO CONVOLUTIONAL CODING VÀ VITERBI DECODING
Mã xon (hay còn gi là mã chp) là mt loi mã sa li trong ñó :
- mi symbol m-bit thông tin (chui m-bit) ñưc mã hóa thành mt symbol n-bit,
vi m/n là t l mã hóa (n ≥ m)
- Và hàm truyn ñt là mt hàm ca k symbol thông tin cui cùng, vi k là chiu
dài hn ch ca mã.
Convolution Codes, ting Vit gi là Mã chp, là mt k thut mã hóa sa sai
(FEC). Convolution Codes thuc h mã lưi (mã hóa theo Trellis) và ñưc xây dng da
trên 1 ña thc sinh hoc 1 sơ ñ chuyn trng thái (trellis mã) ñc trưng. Quá trình gii mã
ca mã chp phi da vào trellis mã thông qua các gii thut khác nhau, trong ñó ni ting
nht là gii thut Viterbi.
Ti sao gi là mã chp vì cu trúc mã hóa có th biu din dưi dng phép tính
chp (convolution) gia ña thc sinh mã và chui tín hiu ñưc mã hóa.
Mã chp là mã tuyn tính có ma trn sinh có cu trúc sao cho phép mã hóa có th
xem như mt phép lc (hoc ly tng chp). Mã chp ñưc s dng rng rãi trong thc t.
B i mã hóa ñưc xem như mt tp hp các b lc s tuyn tính vi dãy mã là các ñ!u ra
ca b lc ñưc phép xen k". Các mã chp là các mã ñ!u tiên ñưc xây dng các thut
toán gii mã quyt ñ#nh ph!n mm hiu qu.
B mã hóa cho mã chp thư$ng ñưc coi là mt tp các b lc s.
Ví d: Hình sau ch ra mt s ví d v b mã hóa
B mã hóa cho mã chp tc ñ R = ½

Trang 2/10
B mã hóa h thng R = 2/3
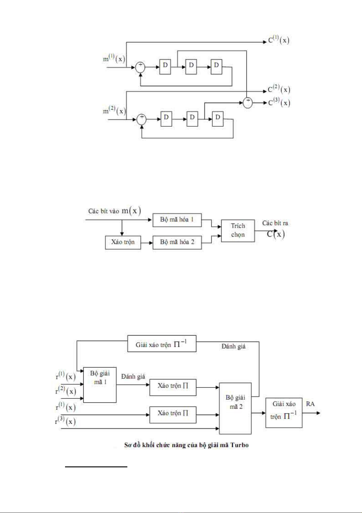
Vào năm 1993, Berrou, Glavieux và Thitimajashima ñã ñưa ra mt sơ ñ mã hóa
mi cho các mã chp ñưc gi là mã Turbo (Hình 1). Trong sơ ñ này dòng thông tin vào
ñưc mã hóa hai l!n vi mt b xáo trn ñt gia hai b mã hóa nh&m to ra hai dòng d
liu ñưc mã hóa có th xem là ñc lp thng kê vi nhau.
Hình 1. B mã hóa Turbo
Trong sơ ñ này các b mã hóa thư$ng ñưc s dng là các b mã hóa cho mã chp
có tc ñ R = 1/2 .
Các mã này ñưc s dng rt hiu qu trên các kênh pha ñinh. Ngư$i ta ñã chng
t' r&ng hiu năng ca mã Turbo s" tăng khi tăng kích thưc ca b xáo trn. Tuy nhiên
trong nhiu ng dng quan trng (ch(ng hn khi truyn ting nói), kích thưc b xáo trn
quá ln không s dng ñưc do kt qu gii mã b# gi chm
Coding / Decoding

Trang 3/10
Mã xon trong truyn d)n bao gm các kt qu ca s kt hp ca dãy ngun s
dng nhng ñ#nh dng xon khác nhau. Mã xon GSM bao gm trong vic thêm 4 bit
(thit lp ñ “0”') cho chui 185 bit ñ!u tiên và sau ñó áp dng hai xon khác nhau: ña
thc tương ng
4 3
1
( ) 1
G X X X
= + +
và
4 3
2
( ) 1
G X X X X
= + + +
Kt qu cui cùng. là s
trn l)n hai l!n chui 189 bit, xem hình sau:
Hình 2: TCH / FS truyn Mode
S gii mã mã xon có th ñưc thc hin b&ng cách s dng mt thut toán
Viterbi .Mt b gii mã Viterbi khám phá mt cách hp lý song song d liu ngư$i dùng
mi khi có th trong trình t. Nó mã hóa và so sánh vi mi mt trình t nhn ñưc và
chn lên các khp g!n nht: nó là mt b gii mã kh năng ti ña. ð gim s phc tp (s
lưng các dãy d liu có th tăng gp ñôi vi mi bit d liu b sung), b gii mã công
nhn ti mi ñim có trình t nht ñ#nh không th thuc v ñư$ng d)n kh năng ti ña và
loi b' chúng. B nh mã hóa ñưc gii hn trong nhng bit K; mt b gii mã Viterbi
trong tình trng hot ñng n ñ#nh, ch gi 2
K-1
ñư$ng ñi. S phc tp ca nó tăng theo cp
s nhân vi chiu dài hn ch K.
T+ l mã xon GSM trên mi dòng d liu là 378 bit mi 20ms, tc là: 18,9KB/s.
Tuy nhiên, trưc khi ñiu ch tín hiu này, s" có 78 bit không bo v Class II ñưc thêm
vào (xem hình 2) Vì vy, t+ l bit rate GSM cho mi dòng là 456 bit mi 20ms tc là
22,8kb/s
* Tng quát Convolutional Coding
K thut mã hóa xon chuyn (mã hóa) mt chui bit d liu nh# phân thành mt
dãy các ký hiu tu!n t qua mt phép “chp”, mi ký hiu là mt nhóm bit. Vi mi
trư$ng hp ca chui bit d liu ng)u nhiên qua phép “chp” to ra mt s xác ñ#nh các
tu!n t ký hiu, gi là các tu!n t hp l. Tu!n t các ký hiu tương ng s" ñưc truyn ñi,
có mi quan h vi chui d liu gc. Căn c vào mi quan h này, máy thu s" chuyn
ngưc li (gii mã) thành d liu ñã truyn. Nu có li xy ra, mt tu!n t ký hiu hp l
g!n ging nht vi tu!n t ký hiu nhn s" ñưc chn ñ chuyn ngưc thành chui d
liu ban ñ!u.
K thut mã hóa xon ñưc áp dng cho các thông ñip rt dài. Gii pháp gii mã
nhanh ñưc áp dng rng rãi là gii mã Viterbi

Trang 4/10
*Ví d mã hóa
Gi s chui bit c!n mã hóa là: 1 1 1 0 1 1 0 0
Theo sơ ñ lưi ta có tu!n t là: 11 01 10 01 00 01 01 11
*Ví d gii mã
Gi s máy thu nhn ñưc 11 01 11 11 00 01 01 11
1 1 ? ? 1 1 0 0
Các bit b li, không có ñưng dn liên tc (không có tun t hp l)
C!n xây dng các ñư$ng liên tc t, các thông tin trên. ðư$ng d)n tt nht là
ñư$ng có khác bit ít nht vi tu!n t nhn ñưc. Có bn ký hiu có th và 8 hot ñng
chuyn trng thái tương ng có th:
Các ph!n t kh dng ñ thit lp ñư$ng liên tc
Các ñư$ng liên tc có th
Thc t có bn ñư$ng d)n ng viên cho vic chn. Căn c vào s sai lch ñ chn
ra mt.
* -ng viên 1

Trang 5/10
Tu!n t nhn: 11 01 11 11 00 01 01 11
ðư$ng d)n: 11 10 11 00 11 01 01 11
Sai lch : 00 11 00 11 11 00 00 00
Tng s sai lch = 6. Data : 10001100
* -ng viên 2
Tu!n t nhn: 11 01 11 11 00 01 01 11
ðư$ng d)n: 11 10 00 10 00 01 01 11
Sai lch : 00 11 11 01 00 00 00 00
Tng s sai lch = 5. Data : 10101100
* -ng viên 3
Tu!n t nhn: 11 01 11 11 00 01 01 11
ðư$ng d)n: 11 01 01 11 11 01 01 11
Sai lch : 00 00 10 00 11 00 00 00
Tng s sai lch = 3. Data : 11001100
* -ng viên 4
Tu!n t nhn:
11 01 11 11 00 01 01 11
ðư$ng d)n:
11 01 10 01 00 01 01 11
Sai lch :
00 00 01 10 00 00 00 00
Tng s sai lch = 2. Data :
11101100
ðư$ng d)n 4 có sai lch nh' nht ñưc chn và d liu là 11101100.
Gii mã Viterbi
Xác ñ#nh tt c các ñư$ng d)n, tính ra khong cách Hamming gia chúng vi tu!n
t nhn ñưc, chn ly giá tr# nh' nht là công vic khá ln.
ð khc phc, li dng ñc tính ca lưc ñ lưi ñ chn ra mt s ñư$ng d)n tt
nht cho chn la sau cùng: ti mi khong, lưi ch có 4 trng thái BA có th, có nhiu
ñư$ng d)n ñn bn trng thái này. Mi trng thái có th d)n ñn mt trong hai trng thái
trong khong k tip. Ngưc li, mt trng thái cho trưc luôn là ñích ñn t, hai trng thái
xác ñ#nh trong khong th$i gian k trưc. Nói cách khác, có ñúng hai ñư$ng d)n ñn mi
mt trong bn trng thái. Thông thư$ng, mt trong hai ñư$ng d)n s" có s sai lch tích lũy
hin ti nh' hơn ñư$ng kia. ðư$ng có sai lch tích lũy hin hành nh' hơn s" ñưc chn ñ
xét tip.

