
Các mạch iđ ện cơ bản
0 Comment Size- Size+ 21/12/2009 Power RSS
- Transistor trên ngu n ATX th ng đ c s d ng làm các m ch công t c, ồ ườ ượ ử ụ ạ ắ
khi nhìn vào các m ch này b n có th nh m l n đó là m ch khu ch đ i.- m ch công t c, các Transistor ho t đ ngạ ạ ể ầ ẫ ạ ế ạ Ở ạ ắ ạ ộ
m t trong hai tr ng thái là “d n bão hoà” ho c “không d n”ở ộ ạ ẫ ặ ẫ
Các Transistor trong m ch b o v c a ngu n ATX, ho t đ ng tr ng thái d n bão hoà ho c t t. IC khu ch đ i thu tạ ả ệ ủ ồ ạ ộ ở ạ ẫ ặ ắ ế ạ ậ
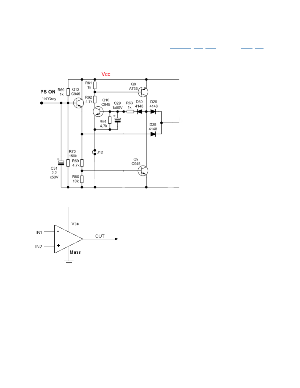
toán OP-AMPLY1) Ký hi u c a IC khu ch đ i thu t toán - OP-Amplyệ ủ ế ạ ậ
OP-Amply - IC khu ch đ i thu t toánế ạ ậ
•C u t oOP-Amply có các chân nh sau:- Vcc - Chân đi n áp cung c p- Mass - Chân ti p đ t- IN1 - Chân tínấ ạ ư ệ ấ ế ấ
hi u vào đ o- IN2 - Chân tín hi u vào không đ o- OUT - Chân tín hi u raệ ả ệ ả ệ
•Trên s đ nguyên lý, OP-Amly th ng ghi t t không có chân Vcc và chân Mass, hai chân IN1 và IN2 có thơ ồ ườ ắ ể
tráo v trí cho nhauị
2) Nguyên lý ho t đ ng c a OP-Amplyạ ộ ủ
OP-Amply ho t đ ng theo nguyên t c: Khu ch đ i s chênh l ch gi a hai đi n áp đ u vào IN1 và IN2ạ ộ ắ ế ạ ự ệ ữ ệ ầ
- Khi chênh l ch gi a hai đi n áp đ u vào b ng 0 (t c IN2 - IN1 = 0V)ệ ữ ệ ầ ằ ứ
thì đi n áp ra có giá tr b ng kho ng 45% đi n áp Vccệ ị ằ ả ệ
- Khi đi n áp đ u vào IN2 > IN1 => thì đi n áp đ u ra tăng lên b ng Vccệ ầ ệ ầ ằ
- Khi đi n áp đ u vào IN2 < IN1 => thì đi n áp đ u ra gi m xu ng b ng 0Vệ ầ ệ ầ ả ố ằ

S đ bên trong c a OP-Amplyơ ồ ủ
3) ng d ng c a OP-AmplyỨ ụ ủ
3.1 - M ch khu ch đ i đ o dùng OP-Amplyạ ế ạ ả
- N u ta cho tín hi u vào đ u vào đ o (c c âm) và đ u vào không đ o (c c d ng) đem ch p xu ng mass ta s đ cế ệ ầ ả ự ầ ả ự ươ ậ ố ẽ ượ
m t m ch khu ch đ i đ o.ộ ạ ế ạ ả
- H s khu ch đ i có th đi u ch nh đ c b ng cách đi u ch nh giá tr các đi n tr Rht và R1, h s khu ch đ i b ngệ ố ế ạ ể ề ỉ ượ ằ ề ỉ ị ệ ở ệ ố ế ạ ằ
t s gi a hai đi n tr này.ỷ ố ữ ệ ở
K = Rht / R1 trong đó K là h s khu ch đ i c a m chệ ố ế ạ ủ ạ
3.2 - M ch khu ch đ i không đ o dùng OP-Amplyạ ế ạ ả

Đây là s đ c a m ch khu ch đ i không đ o, v h s khu ch đ i thìơ ồ ủ ạ ế ạ ả ề ệ ố ế ạ
t ng đ ng v i m ch khu ch đ i đ o nh ng đi m khác là đi n áp ra Vout cùng pha v i đi n áp đ u vào Vinươ ươ ớ ạ ế ạ ả ư ể ệ ớ ệ ầ
3.3 - M ch khu ch đ i đ m (khu ch đ i dòng đi n) dùng OP-Amply.ạ ế ạ ệ ế ạ ệ
Khi đem đ u ra đ u v i đ u vào âm (hay đ u vào đ o) r i cho tín hi u vào c ng không đ o ta s thu đ c m t machầ ấ ớ ầ ầ ả ồ ệ ổ ả ẽ ượ ộ
khu ch đ i có h s khu ch đ i đi n áp b ng 1, tuy nhiên h s khu ch đ i v dòng l i r t l n, vì v y m ch ki u nàyế ạ ệ ố ế ạ ệ ằ ệ ố ế ạ ề ạ ấ ớ ậ ạ ể
th ng đ c s d ng trong các m ch khu ch đ i v dòng đi n.ườ ượ ử ụ ạ ế ạ ề ệ
3.4 - M ch so sánh dùng OP-Amply ạ
•Khi V2 = V1 thì đi n áp ra Vout = kho ng 45% Vcc và không đ iệ ả ổ
•Khi V2 > V1 hay V2 - V1 > 0 thì Vout > 45% Vcc
•Khi V2 < V1 hay V2 - V1 < 0 thì Vout < 45% Vcc
•Khi V1 không đ i thì Vout t l thu n v i V2ổ ỷ ệ ậ ớ
•Khi V2 không đ i thì Vout t l ngh ch v i V1ổ ỷ ệ ị ớ

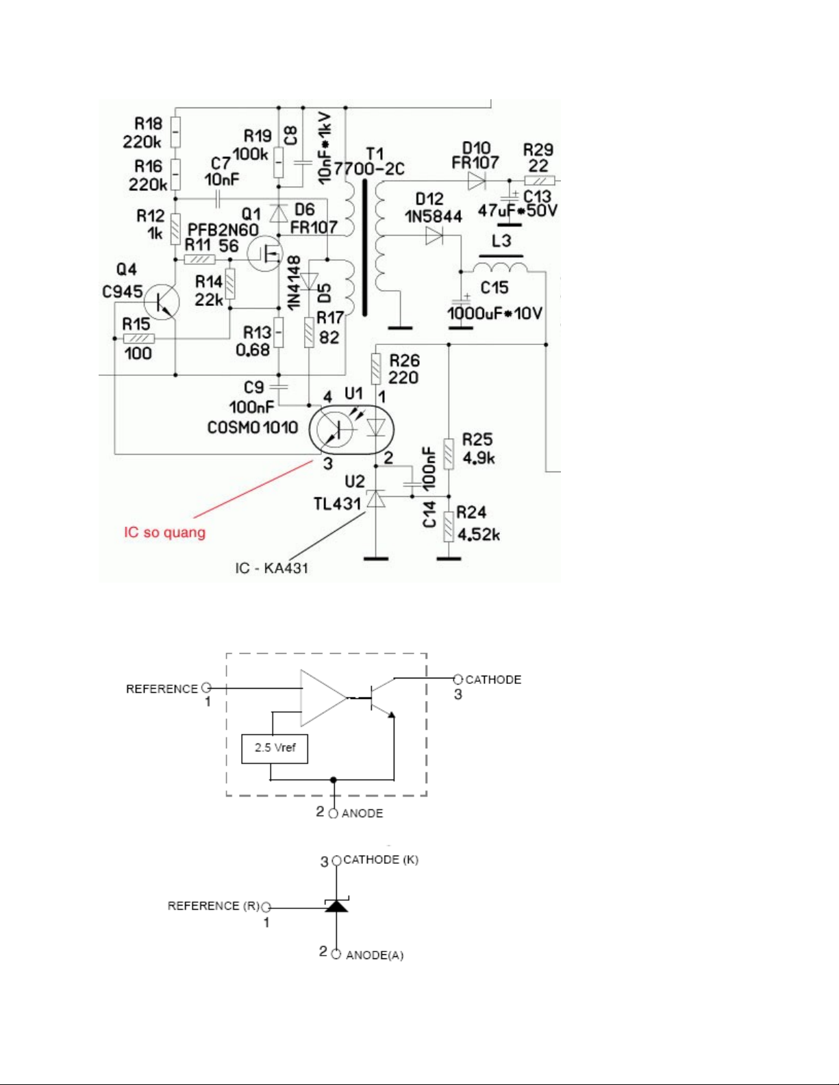
IC so quang (Opto)1 - C u t o: - IC so quang đ c c u t o b i m t đi t phát quang và m t đèn thu quang, hai thànhấ ạ ượ ấ ạ ở ộ ố ộ
ph n này cách ly v i nhau và có th cách ly đ c đi n áp hàng trăm vol, khi đi t d n nó phát ra ánh sáng chi u vàoầ ớ ể ượ ệ ố ẫ ế
c c Baz c a Transistor thu quang làm cho đèn này d n, dòng đi n qua đi t thay đ i thì dòng đi n qua đèn cũng thayự ơ ủ ẫ ệ ố ổ ệ
đ i theoổ
C u t o c a IC so quangấ ạ ủ
IC so quang th c tự ế
2 - Nguyên lý ho t đ ngạ ộ
- Khi có dòng đi n I1 đi qua đi t, đi t s phát ra ánh sáng và chi u vào c c B c a đèn thu quang, đèn thu quang sệ ố ố ẽ ế ự ủ ẽ
d n và cho dòng I2ẫ
- Dòng I1 tăng thì dòng I2 cũng tăng
- Dòng I1 gi m thì dòng I2 cũng gi mả ả
- Dòng I1 = 0 thì dòng I2 = 0
Đi t phát quang và đèn thu quang đ c cách ly v i nhau và có th có đi n áp chênh l ch hàng trăm Volố ượ ớ ể ệ ệ
Ho t đ ng c a IC so quangạ ộ ủ
3 - ng d ng c a IC so quangỨ ụ ủ
- IC so quang th ng đ c ng d ng trong m ch h i ti p trên các b ngu n xung.ườ ượ ứ ụ ạ ồ ế ộ ồ
- Chúng có tác d ng đ a đ c thông tin bi n đ i đi n áp t th c p v bên s c p nh ng v n cách ly đ c đi n ápụ ư ượ ế ổ ệ ừ ứ ấ ề ơ ấ ư ẫ ượ ệ
gi a s c p và th c p.ữ ơ ấ ứ ấ
- S c p c a ngu n (thông v i đi n áp l i AC) và th c p c a ngu n (thông v i mass c a máy)ơ ấ ủ ồ ớ ệ ướ ứ ấ ủ ồ ớ ủ

IC t o đi n áp dò sai- Ng i ta th ng dùng IC t o áp dò sai KA431(ho c TL431) trong các m ch ngu n đ theo dõi vàạ ệ ườ ườ ạ ặ ạ ồ ể
khu ch đ i nh ng bi n đ i đi n áp đ u ra thành dòng đi n ch y qua IC so quang, t đó thông qua IC so quang nóế ạ ữ ế ổ ệ ầ ệ ạ ừ
truy n đ c thông tin bi n đ i đi n áp v bên s c p.ề ượ ế ổ ệ ề ơ ấ
C u t o và ký hi u c a IC tao áp dò sai KA 431ấ ạ ệ ủ

