
Số hiệu: BM1/QT-PĐBCL-RĐTV Trang 1/2
TRƯỜNG ĐẠI HỌC SƯ PHẠM KỸ THUẬT
THÀNH PHỐ HỒ CHÍ MINH
KHOA: CƠ KHÍ CHẾ TẠO MÁY
BỘ MÔN: CÔNG NGHỆ CHẾ TẠO MÁY
----------------------------------------------
ĐỀ THI CUỐI KỲ HỌC KỲ 1
NĂM HỌC 2019-2020
Môn: Máy và Hệ thống Điều khiển số
Mã môn học: MTNC340925
Đề số/Mã đề: 01 Đề thi có 2 trang.
Thời gian: 75 phút.
Không được phép sử dụng tài liệu.
Câu 1 (2.5 điểm):
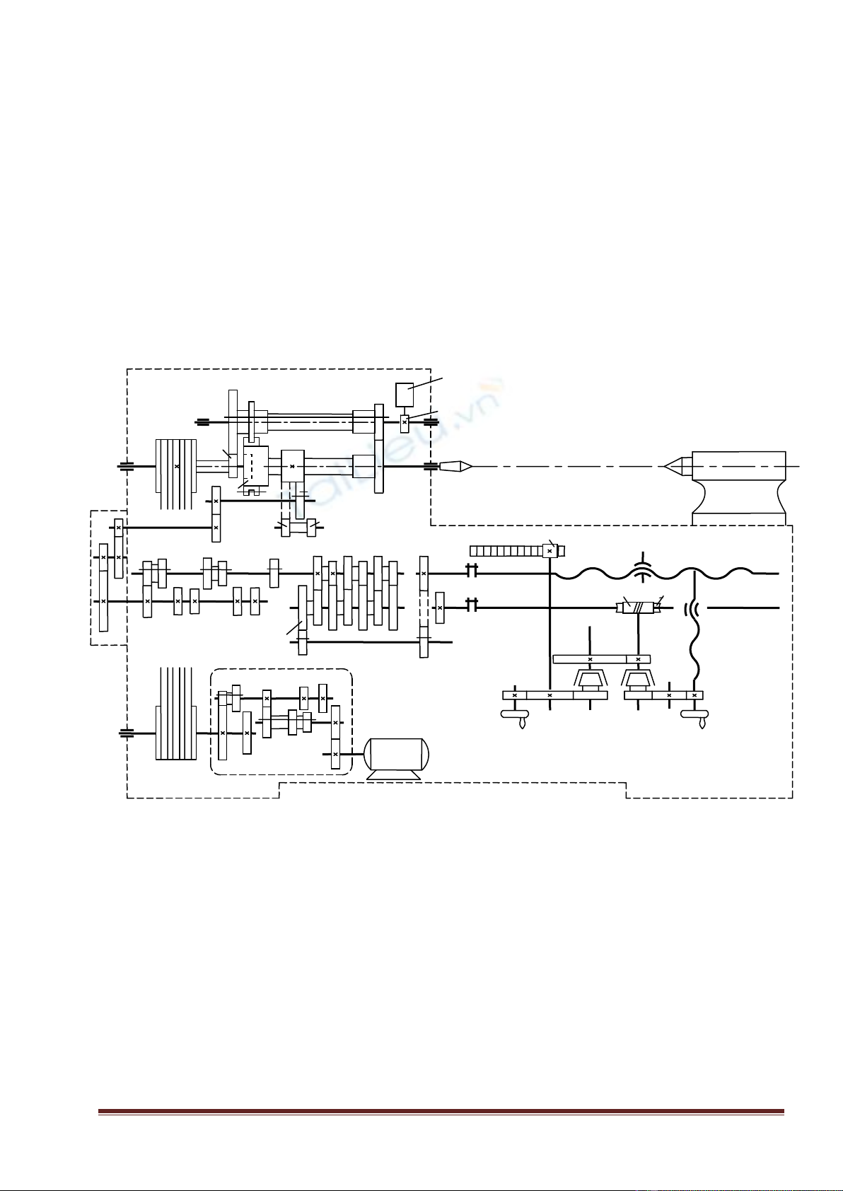
a) Hãy viết phương trình của xích tốc độ của máy T616. Tính số cấp tốc độ Z của máy.
b) Cho biết nhóm gấp bội trong xích chạy dao của máy T616 dùng cơ cấu gì? Tính các tỉ số truyền
của nhóm gấp bội igb.
Câu 2 (2 điểm):
Tính toán đầu phân độ có đĩa chia (N = 40) để gia công bánh răng trụ răng thẳng có số răng Z =
123. Chỉ sử dụng bánh răng thay thế trong bộ 4 (20, 24, 28, … , 80) và các hàng lỗ 24, 25, 28, 30,
34, 37, 38, 39, 41, 42, 43.
Câu 3 (2,5 điểm):
Thiết kế hộp tốc độ của máy tiện có phương án không gian Z = 2 (2 + 1.3.2) = 16,
= 1,41
a) Phân tích phương án không gian. Xác định lượng mở. Kiểm tra Ri.
b) Vẽ đồ thị số vòng quay. Xác định các tỉ số truyền của hộp tốc độ.
N=4,5 KW
n=1445 v/p
I
II
III
42
58
47
40
33
31
38
45
48
71
50
27
200
200
a
b
c
d
X
XI
IX
IV
V
VII
VI
VIII
XII
XIII
XIV
XV
XVI
XVII
XVIII
63
17
58
55
27
22
22
24
48
27
30
26
21
27
52
24
36
39
26
26
26
39
52
39
52
52
52
39
26
39
14
45
k =
2
tx = 6
mm
60
24
15
55
25
38
47
13
L2
Trục vít me
m =
2
Bơm dầu
Cam
35
35
Trục trơn
tx = 5
mm
55
39
39
39
39
L3
L1
SƠ ĐỒ ĐỘNG MÁY TIỆN REN VÍT VẠN NĂNG T616

Số hiệu: BM1/QT-PĐBCL-RĐTV Trang 2/2
Câu 4 (3,0 điểm):
Một máy NC sử dụng bộ nội suy phần cứng 4 bit. Dao cần
gia công theo quỹ đạo cung tròn tâm I(10, 0) có bán kính R =
10 mm từ điểm A(0, 0) đến điểm B(4, 8) như hình vẽ. Giả sử
rằng BLU của các bàn máy là 1 (mm/xung).
a) Hãy vẽ cấu trúc của bộ nội suy phần cứng cho cung tròn.
b) Xác định giá trị ban đầu trong các thanh ghi của bộ nội suy.
c) Viết phương trình hoạt động của bộ nội suy.
d) Lập bảng tính toán cho các bước nội suy.
e) Vẽ quỹ đạo dao.
Ghi chú: Cán bộ coi thi không được giải thích đề thi.
Chuẩn đầu ra của học phần (về kiến thức)
Nội dung kiểm tra
[G 1.3]: Viết, giải thích và tính toán các phương trình xích truyển động
trên máy cắt kim loại, sơ đồ kết cấu động học
Câu 1
[G 4.1]: Tính toán và điều chỉnh được máy cắt kim loại để gia công.
Câu 2
[G 1.3]: Tính toán, so sánh các phương án thiết kế máy cắt kim loại.
Câu 3
[G 4.4]: Lập trình, tính toán nội suy cho các đường chạy dao cho giải
thuật nội suy phần cứng, nội suy phần mềm.
Câu 4
Ngày 10 tháng 12 năm 2019
Thông qua bộ môn
A(0,0)
Y
B(4, 8)
I(10, 0)
R10
X

Số hiệu: BM1/QT-PĐBCL-RĐTV Trang 3/2
ĐÁP ÁN
Câu 1 (2.5 điểm):
a) Hãy viết phương trình của xích tốc độ của máy T616. Tính số cấp tốc độ Z của máy.
Số cấp tốc độ Z của máy: Z = 2 x 3 x 2 = 12 (0,25 đ)
b) Cho biết nhóm gấp bội trong xích chạy dao của máy T616 dùng cơ cấu gì? Tính các tỉ số truyền
của nhóm gấp bội igb.
Nhóm gấp bội trong xích chạy dao của máy T616 dùng cơ cấu Mê-an. (0,25 đ)
Các tỉ số truyền của nhóm gấp bội igb. (1 đ)
Câu 2 (2 điểm):
Tính toán đầu phân độ có đĩa chia (N = 40) để gia công bánh răng trụ răng thẳng có số răng Z = 123
Bước 1: Chọn Zx = 125 và tiến hành phân độ với Zx. (1 đ)
ntq =
B
A
=
x
Z
N
=
125
40
=
25
8
Mỗi lần phân độ phải quay 8 lỗ trên hàng lỗ 25 (không kể lỗ đang cắm chốt)
Bước 2: Tính toán bộ bánh răng thay thế để bù trừ sai số khi phân độ với Zx. (1 đ)
80
32
.
40
64
80
64
.
40
32
5
4
.
5
4
25
16
125
80
125
123
1401
x
Z
Z
N
d
c
b
a
tt
i
Kiểm tra điều kiện lắp được: Đạt yêu cầu
Câu 3 (2,5 điểm):
Thiết kế hộp tốc độ của máy tiện có phương án không gian Z = 2 (2 + 1.3.2) = 16,
= 1,41
a) Phân tích phương án không gian. Xác định lượng mở. Kiểm tra Ri. (1 đ)
Số cấp tốc độ nhanh Z0Z’ = 2 x 2 = 4
PATT I-II [1] [2]
Số cấp tốc độ chậm Z0Z” = 2 x 1 x 3 x 2 = 12
PATT I-II-III-IV [1] [0] [2] [6]
Kiểm tra Ri: Ri =
i
x1p )(
=
6)12(
= 6 = 1,416 = 8 = Ri
58
42
47
31
40
38
33
45
71
27
48
50
200
200
Đóng L1 = ntc (đường truyền trực tiếp)
63
27
58
17
= ntc (đường truyền gián tiếp)
1445 v/ph (1 đ)
52
26
26
52
igb2 = = 1
52
26
39
39
52
26
39
39
52
26
26
52
igb4 = = 1/4
26
52
39
39
igb1 = = 2
39
39
52
26
52
26
26
52
igb3 = = 1/2
39
31

Số hiệu: BM1/QT-PĐBCL-RĐTV Trang 4/2
i3
i4
i5
i6
i8
i9
i7
n16
n1
i1
i2
n0
I
II
III
IV
V
i10
b) Vẽ đồ thị số vòng quay. Xác định các tỉ số truyền của hộp tốc độ. (1,5 đ)
41,1
11
1
i
i2 = i6 = i9= 1
4
11
4
743
iii
2
11
2
5
i
i8 = i10 = 1,412 = 2
Câu 4 (3,0 điểm):
a) Vẽ cấu trúc của bộ nội suy phần cứng cho cung tròn loại 1 (0,5 điểm)
b) Xác định các giá trị ban đầu trong các thanh ghi của bộ nội suy (0,25 điểm)
= 0 ; R = 10 mm = 10 BLU
px = Rsinα = 10.sin00 = 0 BLU
py = Rcosα = 10.cos00 = 10
px0 = px= 0 ; qx0 = 0
py0 = py = 10 ; qy0 = 0
c) Viết phương trình hoạt động của bộ nội suy (0,25 điểm)
d) px(k) = px(k-1) ± px(k) = px(k-1) + ∆Zy(k)
e) py(k) = py(k-1) ± py(k) = py(k-1) – ∆Zx(k-1)
Nếu qx,y > 2n – 1 thì
+ ∆Zx,y(k) = 1
+ qx,y(k) = qx,y(k) – 2n
d) Lập bảng tính toán cho các bước nội suy (1,5 điểm)

Số hiệu: BM1/QT-PĐBCL-RĐTV Trang 5/2
e) Vẽ quỹ đạo lý tưởng và quỹ đạo thực của dao (0,5 điểm)
Bàn máy X
Bàn máy Y
TT
px
qx
∆Zx
x
Z
py
qy
∆Zy
y
Z
0
0
0
0
0
10
0
0
0
1
0
0
0
0
10
10
0
0
2
1
1
0
0
10
4
1
1
3
1
2
0
0
10
14
0
1
4
2
4
0
0
10
8
1
2
5
3
7
0
0
10
2
1
3
6
3
10
0
0
10
12
0
3
7
4
14
0
0
10
6
1
4
8
5
3
1
1
10
0
1
5
9
5
8
0
1
9
9
0
5
10
6
14
0
1
9
2
1
6
11
6
4
1
2
9
11
0
6
12
7
11
0
2
8
3
1
7
13
7
2
1
3
8
11
0
7
14
8
10
0
3
7
2
1
8
15
8
2
1
4
7
9
0
8
A(0,0)
Y
B(4, 8)
I(10, 0)
R10
X

