
Số hiệu: BM1/QT-PĐBCL-RĐTV Trang: 1/1
TRƯỜNG ĐẠI HỌC SƯ PHẠM KỸ THUẬT
THÀNH PHỐ HỒ CHÍ MINH
KHOA CƠ KHÍ CHẾ TẠO MÁY
BỘ MÔN CƠ SỞ THIẾT KẾ MÁY
-------------------------
ĐỀ THI CUỐI KỲ HỌC KỲ I NĂM HỌC 2015-2016
Môn: VẼ KỸ THUẬT
Mã môn học: EDDG220120
Đề số/Mã đề: 01. Đề thi có 01 trang.
Thời gian: 90 phút.
Được phép sử dụng tài liệu.
Ghi chú: Cán bộ coi thi không được giải thích đề thi.
Chuẩn đầu ra của học phần (về kiến thức)
Nội dung kiểm tra
[CĐR 1.2]: Có kiến thức về phép chiếu, phương pháp các
hình chiếu vuông góc sử dụng trong vẽ kỹ thuật.
Câu 1, 2, 3
[CĐR 2.1]: Biết cách lập bản vẽ biểu diễn vật thể và trình
bày bản vẽ theo đúng qui định
Câu 1, 2, 3
[CĐR 2.3]: Ghi chỉ dẫn kỹ thuật cho bản vẽ cơ khí.
Câu 4
Ngày 04 tháng 01 năm 2016
Thông qua bộ môn
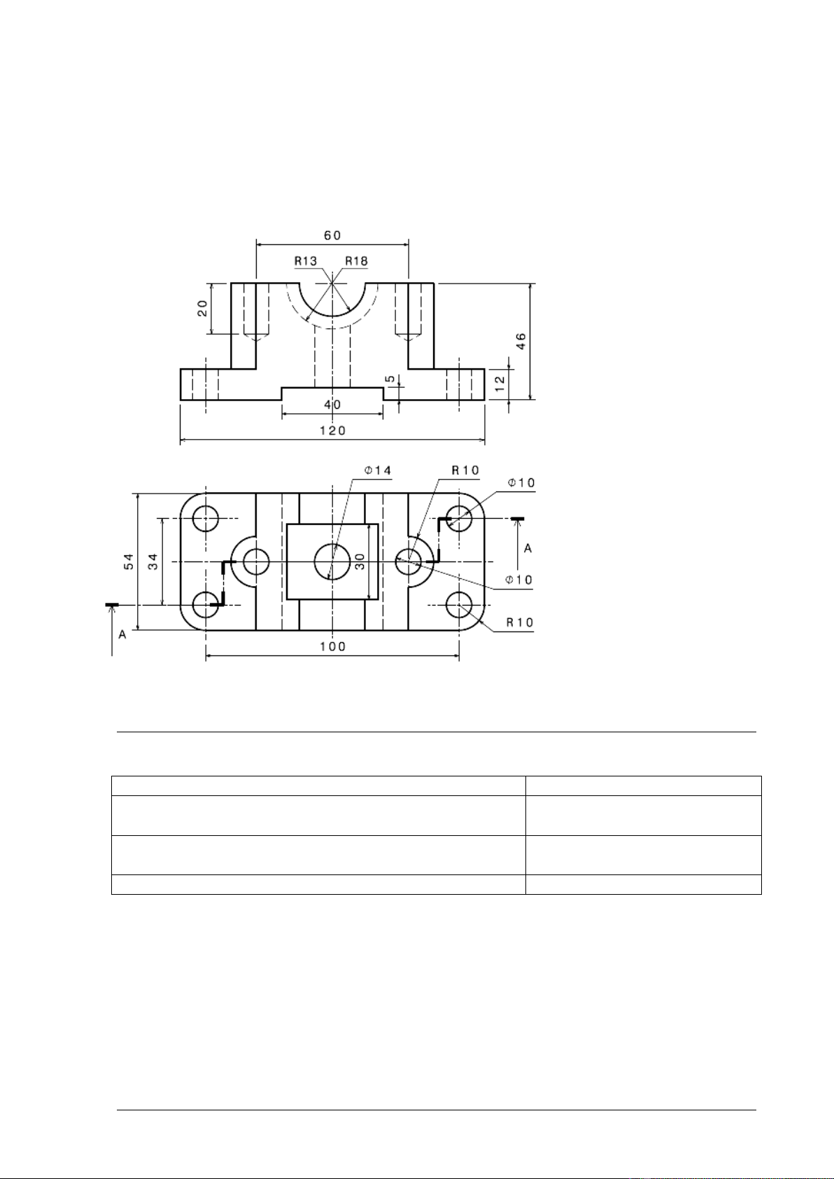
Từ hai hình vẽ đã cho, thực
hiện vẽ:
1. Hình cắt đứng
2. Hình chiếu bằng
3. Hình chiếu cạnh
4. Ghi kích thước
Thang điểm:
- Hình cắt đứng (3 điểm)
- Hình chiếu bằng (1 điểm)
- Hình chiếu cạnh (3 điểm)
- Ghi kích thước (1 điểm)
- Đường nét (1 điểm)
- Trình bày (1 điểm)

