
Mã đ thi sề ố: DA ĐCN - LT 01
Câu 1: Trình bày ý nghĩa và các bi n pháp nâng cao h s công su t Cosệ ệ ố ấ ϕ trong m ng đi n h áp?ạ ệ ạ
* Ý nghĩa c a vi c nâng cao h s công su t cosủ ệ ệ ố ấ ϕ
Nâng cao h s công su t cosệ ố ấ
ϕ
có 2 l i ích c b n:ợ ơ ả
- L i ích to l n v kinh t cho ngành đi n và doanh nghi p.ợ ớ ề ế ệ ệ
- L i ích v k thu t: nâng cao ch t l ng cung c p đi n.ợ ề ỹ ậ ấ ượ ấ ệ
+ Làm gi m t n th t đi n áp trên l i đi n ả ổ ấ ệ ướ ệ
Gi thi t công su t tác d ng không đ i, cosả ế ấ ụ ổ
ϕ
c a xí nghi p tăng t cosủ ệ ừ
ϕ
1 lên cos
ϕ
2 nghĩa là công su t ph n kháng truy n t i gi m t Qấ ả ề ả ả ừ 1 xu ng Qố2 khi đó, do Q1> Q2 nên:
∆U1 = > ∆U2 =
+ Làm gi m t n th t công su t trên l i đi n ả ổ ấ ấ ướ ệ
∆S1 = > ∆S2 =
+ Làm gi m t n th t đi n năng trên l i ả ổ ấ ệ ướ
∆A1 =
τ
R
U
Q
P
2
2
1
2
+
> ∆A2 =
τ
R
U
Q
P
2
2
2
2
+
+ Làm tăng kh năng truy n t i c a đ ng dây và máy bi n áp ả ề ả ủ ườ ế
T hình v trên ta th y:ừ ẽ ấ
- S2
<
S1 nghĩa là đ ng dây và bi n áp ch c n truy n t i công su t Sườ ế ỉ ầ ề ả ấ 2 sau khi gi m l ng Qả ượ
θ
truy n t i. ề ả
- N u đ ng dây và MBA đã ch n đ t i thì v i Qế ườ ọ ể ả ớ 2 có th t i l ng Pể ả ượ 2
>
P1.
* Các bi n pháp nâng cao h s công su t cosệ ệ ố ấ ϕ trong m ng đi n h áp:ạ ệ ạ
Có 2 nhóm bi n pháp nâng cao h s công su t cosệ ệ ố ấ
ϕ
- Nhóm bi n pháp t nhiên: ệ ự
+ Thay th đ ng c KĐB làm vi c non t i b ng đ ng c KĐB có công su t nh h n làm vi c ch đ đ nh m c,ế ộ ơ ệ ả ằ ộ ơ ấ ỏ ơ ệ ở ế ộ ị ứ
+ Th ng xuyên b o d ng và nâng cao ch t l ng s a ch a đ ng c ,ườ ả ưỡ ấ ượ ử ữ ộ ơ
+ S p x p, s d ng h p lý các quá trình công ngh c a các thi t b đi n,ắ ế ử ụ ợ ệ ủ ế ị ệ
+ S d ng đ ng c đ ng b thay cho đ ng c KĐB,ử ụ ộ ơ ồ ộ ộ ơ
+ Thay th các MBA làm vi c non t i b ng các MBA có dung l ng nh h n làm vi c ch đ đ nh m c.ế ệ ả ằ ượ ỏ ơ ệ ở ế ộ ị ứ
+ S d ng ch n l u đi n t ho c ch n l u s t t hi u su t cao thay cho ch n l u thông th ng.ử ụ ấ ư ệ ử ặ ấ ư ắ ừ ệ ấ ấ ư ườ
Nhóm bi n pháp nhân t o: Là gi i pháp dùng các thi t b bù (t bù ho c máy bù). Các thi t b bù phát ra Q đ cung c p 1 ph n ho c toàn b nhu c u Q trong xí nghi p.ệ ạ ả ế ị ụ ặ ế ị ể ấ ầ ặ ộ ầ ệ
Câu 2: Cho s đ m ch đi n máy ti n T616 ơ ồ ạ ệ ệ (hình 1.1). Đ ng c truy n đ ng chính có thông s : Pộ ơ ề ộ ố đm = 4,5kW; cosϕ = 0,85; η = 85%; 380/220V.
a. Trình bày nguyên lý ho t đ ng c a s đ m ch đi n.ạ ộ ủ ơ ồ ạ ệ
b. T i sao trong các s đ m ch đi n kh ng ch đ ng c không đ ng b 3 pha l i ph i quan tâm b o v đi n áp th p cho đ ng c ?ạ ơ ồ ạ ệ ố ế ộ ơ ồ ộ ạ ả ả ệ ệ ấ ộ ơ
c. Phân tích ho t đ ng c a b o v đi n áp th p trong s đ .ạ ộ ủ ả ệ ệ ấ ơ ồ
d. N u r le nhi t trên m ch đ ng l c c a đ ng c truy n đ ng chính ch nh đ nh tr s 10A thì đ ng c đ c phép quá t i bao nhiêu ph n trăm?ế ơ ệ ạ ộ ự ủ ộ ơ ề ộ ỉ ị ở ị ố ộ ơ ượ ả ầ
Bi t đi n áp l i 380/220V ?ế ệ ướ
a .+ Chu n b cho máy ho t đ ngẩ ị ạ ộ : Đóng c u dao CD; Đ a tayầ ư g t v 0: ti p đi m KCạ ề ế ể (1-3) r le đi n áp RU có đi n, ki m tra đi n áp ngu n. N u đ tr s đi n áp cho phép rơ ệ ệ ể ệ ồ ế ủ ị ố ệ ơ
le đi n áp RU tác đ ng đóng ti p đi m RUệ ộ ế ể (1-3) đ t duy trì chu n b cho máy ho t đ ng.ể ự ẩ ị ạ ộ
+ Mu n giá c p chi ti t quay thu n:ố ặ ế ậ
Tay g t đ v trí I: ti p đi m KCạ ể ở ị ế ể ( 3- 13), KC( 3- 5) đóng
⇒
3K tác đ ng ộ
⇒
3K m ch đ ng l cở ạ ộ ự đóng 2Đ ho t đ ng, b m d u bôi tr n; đ ng th i ti p đi m 3Kạ ộ ơ ầ ơ ồ ờ ế ể (2- 4) đóng
⇒
1K có
đi n, ti p đi m 1K bên m ch đ ng l c đóng ệ ế ể ạ ộ ự
⇒
1Đ quay thu n ậ
⇒
giá c p chi ti t quay thu n. ti p đi m 1Kặ ế ậ ế ể ( 9- 11) m không cho 2K làm vi c đ ng th i.ở ệ ồ ờ
+ Mu n giá c p chi ti t quay ng c: ố ặ ế ượ
Tay g t đ v trí II: ti p đi m KCạ ể ở ị ế ể ( 3- 13) ,KC( 3- 9) đóng l i ạ
⇒
3K tác đ ng ộ
⇒
đóng ti p đi m 3K bên m ch đ ng l c l i Đế ể ạ ộ ự ạ 2 ho t đ ng, b m d u bôi tr n đ ng th i ti p đi m 3Kạ ộ ơ ầ ơ ồ ờ ế ể
( 2- 4) đóng l i ạ
⇒
2K tác đ ng ,đóng ti p đi m 2K bên m ch đ ng l c, 1Đ quay ng c ộ ế ể ạ ộ ự ượ
⇒
giá c p chi ti t quay ng c. ti p đi m 2K ặ ế ượ ế ể (5-7) m ra, không cho 1K làm vi c đ ng th iở ệ ồ ờ
+ Mu n d ng máy: ố ừ
Tay g t v 0, ti p đi m KCạ ề ế ể ( 1- 3) ,RU(1-3) m ra 1K ho c 2K , 3K thôi tác đ ng,các đ ng c ng ng ho t đ ng. ở ặ ộ ộ ơ ừ ạ ộ
- Mu n đ ng c b m n c làm vi c đóng c u dao 2CD sau khi đ ng c b m d u ho t đ ng ố ộ ơ ơ ướ ệ ầ ộ ơ ơ ầ ạ ộ
b. T s đ thay th c a đ ng c KĐB 3 pha, ta có bi u th c mô men c a đ ng c :ừ ơ ồ ế ủ ộ ơ ể ứ ủ ộ ơ
( )
+
++π
=
X'
2
X1
2
s
R'
2
R1
2
f2.s
R'
2
pU3 '
1
M
Khi m máy đ ng c : ở ộ ơ
( ) ( )
[ ]
XXRR
f.2
R
pU3
M
'
21
2
'
21
2
'
2
'
1
mm
++
π
+
=
N u đi n áp gi m ế ệ ả
⇒
Mmm gi m, mà MảC c a t i không đ i: ủ ả ổ
+ N u Mếmm > MC thì th i giam m máy đ ng c tăng, nh h ng x u đ n dây qu n đ ng c và l i đi n. ờ ở ộ ơ ả ưở ấ ế ấ ộ ơ ướ ệ
1/70

+ N u Mếmm < MC thì đ ng c không m máy đ c, đ ng c làm vi c ch đ ng n m ch ộ ơ ở ượ ộ ơ ệ ở ế ộ ắ ạ
⇒
cháy đ ng c . ộ ơ
+ Khi đ ng c đang ho t đ ng: Đi n áp gi m ộ ơ ạ ộ ệ ả
⇒
Mđc gi m, mà MảC c a t i không đ i ủ ả ổ
⇒
đ ng c làm vi c ch đ quá t i ộ ơ ệ ở ế ộ ả
⇒
dây qu n b đ t nóng ấ ị ố
⇒
có th cháy đ ng c .ể ộ ơ
c . Ho t đ ng c a b o v th p đi n áp trong s đ :ạ ộ ủ ả ệ ấ ệ ơ ồ
+ Khi m máy đ ng c : Tay g t v trí 0, n u đi n áp l i gi m th p ở ộ ơ ạ ở ị ế ệ ướ ả ấ
⇒
r le đi n áp RU không tác đ ng ơ ệ ộ
⇒
n u đ a tay g t sang I ho c II: đ ng c không ho t đ ngế ư ạ ặ ộ ơ ạ ộ
+ Khi đ ng c đang ho t đ ng: Tay g t đang v trí I ho c II, n u đi n áp l i gi m th p ộ ơ ạ ộ ạ ở ị ặ ế ệ ướ ả ấ
⇒
r le RU thôi tác đ ng ơ ộ
⇒
các kh i đ ng t 1K ho c 2K và 3K thôi tác đ ng ở ộ ừ ặ ộ
⇒
các
đ ng c ng ng ho t đ ng. ộ ơ ừ ạ ộ
d.
A
3
đm
đm
đm
9,47
,85380.0,85.03.
4,5.10
.η
cos
.U3
P
I
===
ϕ
Khi r le nhi t trên m ch đ ng l c c a đ ng c truy n đ ng chính ch nh đ nh giá tr 10 A thì đ ng c đ c phép quá t i:ơ ệ ạ ộ ự ủ ộ ơ ề ộ ỉ ị ở ị ộ ơ ượ ả
%6,5
100
47,9
47,9
10
100
I
II
đm
đmcd
=
−
=
−
Mã đ thi sề ố: DA ĐCN - LT 02
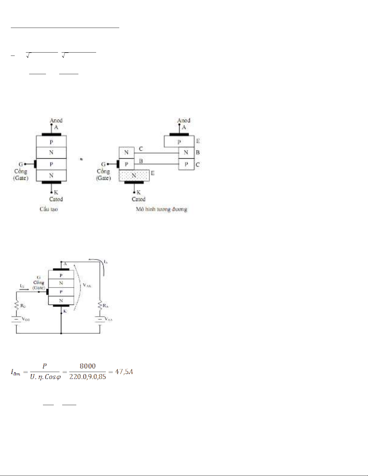
Câu 1. Trình bày c u t o, nguyên lý ho t đ ng, đi u ki n m và khoá Thysistor? 3dấ ạ ạ ộ ề ệ ở
SCR đ c c u t o b i 4 l p bán d n PNPN. Nh tên g i ta th y SCR là m t diode ch nh l u đ c ki m soát b i c ng silicium. Các ti p xúc kim lo i đ c t o ra các c c Anodượ ấ ạ ở ớ ẫ ư ọ ấ ộ ỉ ư ượ ể ở ổ ế ạ ượ ạ ự
A, Catot K và c ng Gổ. 0,5đ
N u ta m c m t ngu n đi n m t chi u Vế ắ ộ ồ ệ ộ ề AA vào SCR nh hình phía d i. M t dòng đi n nh Iư ướ ộ ệ ỏ G kích vào c c c ng G s làm n i PN gi a c c c ng G và catot K d n phát kh iự ổ ẽ ố ữ ự ổ ẫ ở
dòng đi n anod IệA qua SCR l n h n nhi u. N u ta đ i chi u ngu n Vớ ơ ề ế ổ ề ồ AA (c c d ng n i v i catod, c c âm n i v i anod) s không có dòng đi n qua SCR cho dù có dòng đi nự ươ ố ớ ụ ố ớ ẽ ệ ệ
kích IG. Nh v y ta có th hi u SCR nh m t diode nh ng có thêm c c c ng G và đ SCR d n đi n ph i có dòng đi n kích Iư ậ ể ể ư ộ ư ự ổ ể ẫ ệ ả ệ G vào c c c ngự ổ . 0.5đ
C ch ho t đ ng nh trên c a SCR cho th y dòng Iơ ế ạ ộ ư ủ ấ G không c n l n và ch c n t n t i trong th i gian ng n. Khi SCR đã d n đi n, n u ta ng t b Iầ ớ ỉ ầ ồ ạ ờ ắ ẫ ệ ế ắ ỏ G thì SCR v n ti p t c d nẫ ế ụ ẫ
đi n, nghĩa là ta không th ng t SCR b ng c c c ng, đây cũng là m t nh c đi m c a SCR so v i transistorệ ể ắ ằ ự ổ ộ ượ ể ủ ớ . 0.5đ
Ng i ta ch có th ng t SCR b ng cách c t ngu n Vườ ỉ ể ắ ằ ắ ồ AA ho c gi m Vặ ả AA sao cho dòng đi n qua SCR nh h n m t tr s nào đó (tùy thu c vào t ng SCR) g i là dòng đi n duy trìệ ỏ ơ ộ ị ố ộ ừ ọ ệ
IH (hodding current) 0,5đ
0,5đ
Câu 2. Tính ch n dây d n c p ngu n cho đ ng c đi n 1 pha 220V có công su t đ nh m c Pọ ẫ ấ ồ ộ ơ ệ ấ ị ứ đm = 8 kW; đi n áp đ nh m c Uệ ị ứ đm = 220V; Cos
ϕ
= 0,85; hi u su t ệ ấ
η
= 0,9; hệ
s hi u ch nh Kố ệ ỉ hc = 0,7. Đ ng c đ t cách t đi n chính m t kho ng l = 20m. Dây d n đ c ch n trong b ng tra thông s dây. 4dộ ơ ặ ủ ệ ộ ả ẫ ượ ọ ả ố
Ta có: Pđm = 8 kW = 8000 W
L = 20 m = 0,02 km
- Giá tr dòng đi n đ nh m c:ị ệ ị ứ
0,5đ
Dây d n đ c ch n th a mãn đi u ki n sau: ẫ ượ ọ ỏ ề ệ
đmcphc II.k >
Suy ra:
A85,67
7,0
5,47
k
I
I
hc
đm
cp ==>
0,5đ
Tra b ng ta ch n dây cáp ti t di n danh đ nh là 14mmả ọ ế ệ ị 2 có dòng cho phép là 70A th a mãn đi u ki n. ỏ ề ệ 0,5đ
Ki m tra theo đi u ki n t n th t đi n áp: ể ề ệ ổ ấ ệ
UUcp ∆≥∆
Đi n tr trên m t km đ ng dây là rệ ở ộ ườ d = 1,33 [Ω/Km]
2/70

Đi n tr dây ng v i chi u dài 20m c a hai dây là:ệ ở ứ ớ ề ủ
Rd20 = rd.L = 1,33.0,02 = 0,0266 Ω
S t áp trên đ ng dây là:ụ ườ
∆U = Iđm. Rd20 = 47,5. 0,0266 = 1,264 V
Ki m tra đi u ki n t n th t đi n ápể ề ệ ổ ấ ệ
58,0%100x
220
264,1
%100x
U
U
%U ==
∆
=∆
T n th t đi n áp n m trong gi i h n cho phép ổ ấ ệ ằ ớ ạ
V y ch n dây cáp 14 th a mãn đi u ki n kinh t , k thu t. ậ ọ ỏ ề ệ ế ỹ ậ
Mã đ thi sề ố: DA ĐCN - LT 03
Câu 1: Cho m t máy bi n áp ba pha có các s li u sau đây: Sộ ế ố ệ đm = 5600 kVA; U1/U2 = 35000/66000 V; I1/I2 = 92,5/49 A; P0 = 18,5 kW; i0 = 4,5%Iđm; Un = 7,5%; Pn = 57 kW;
f = 50 Hz; Y/∆-11.
Hãy xác đ nh:ị
a. Các tham s lúc không t i zố ả 0, r0 và x0.
b. Các tham s ng n m ch zố ắ ạ n, rn, xn và các thành ph n c a đi n áp ng n m ch.ầ ủ ệ ắ ạ
Cho m t máy bi n áp ba pha có các s li u sau đây: Sộ ế ố ệ đm = 5600 kVA; U1/U2 = 35000/66000 V; I1/I2 = 92,5/49 A; P0 = 18,5 kW; i0 = 4,5%Iđm; Un = 7,5%; Pn = 57 kW; f = 50 Hz; Y/∆-
11.
Các tham s lúc không t i: ố ả
Đi n áp pha s c p:ệ ơ ấ
V20208
3
35000
3
U
U
1
f1
===
Dòng đi n pha không t i:ệ ả
I0f = 0,045I = 0,045. 92,5 = 4,16A.
Các tham s không t i:ố ả
Ω
Ω
5,48443564850rzx
356
16,4.3
18500
I3
P
r
Ω6,4857
16,4
20200
I
U
z
222
0
2
00
2
f0
0
0
f0
f1
0
=−=−=
===
===
b. Các tham s ng n m ch:ố ắ ạ
Đi n áp pha ng n m ch tính t phía s c p:ệ ắ ạ ừ ơ ấ
U1n = U1f . un = 20200 . 0,075 = 1520V.
Các tham s ng n m ch:ố ắ ạ
Ω
Ω
Ω
249,1622,24,16rzx
8,1
5,92.3
57000
I3
P
r
4,16
5,92
1520
I
U
z
222
n
2
nn
22
f1
n
n
f1
n1
n
=−=−=
===
===
Các thành ph n c a đi n áp ng n m ch:ầ ủ ệ ắ ạ
45,7100
20208
3,16.5,92
100
U
xI
%u
01,1100
20208
22,2.5,92
100
U
rI
%u
f1
nf1
nx
f1
nf1
nr
=⋅=⋅=
=⋅=⋅=
Câu 2:S đ m ch đi n máy khoan đ ng 2A – 125: ơ ồ ạ ệ ứ (hình v 3.1)ẽ .
Đ ng c truy n đ ng chính có thông s : Pộ ơ ề ộ ố đm = 2,8 kW ; cos ϕ = 0,83 ; η = 82% ;380/220 V.
a. Phân tích nguyên lý ho t đ ng c a s đ m ch đi n.ạ ộ ủ ơ ồ ạ ệ
b. Hãy cho bi t các nguyên nhân gây quá t i cho đ ng c truy n đ ng chính.ế ả ộ ơ ề ộ
c. Khi đ ng c truy n đ ng chính b quá t i thì s đ ho t đ ng th nào?ộ ơ ề ộ ị ả ơ ồ ạ ộ ế
d. Cho phép đ ng c quá t i đ n 10%. Hãy xác đ nh tr s đ t trên r le nhi t.ộ ơ ả ế ị ị ố ặ ơ ệ
Bi t đi n áp l i 380/220Vế ệ ướ
M ch đi n c a máy khoan đ ng 2A - 125ạ ệ ủ ứ
- M ch đ ng l c: ạ ộ ự
- M ch đi u khi n:ạ ề ể
- M ch chi u sáng:ạ ế
3/70

Nguyên lý ho t đ ng: ạ ộ
- M máy:ở
+ Đóng c u dao CD;ầ
+ Mu n khoan chi ti t: Tay g t v v trí khoan chi ti t: Ti p đi m TG ố ế ạ ề ị ế ế ể 1-2,TG 3-2,TG 4 -2 đóng.Ti p đi m TG ế ể 5-2,TG 6-2 m ở⇒ 1K tác đ ng ộ⇒ Đ1 quay thu n ậ⇒ tr c khoan quayụ
thu n.Đ ng th i ti p đi mậ ồ ờ ế ể 1K 4 -3 đóng ,1K 5-7 m ở⇒ không cho 2K tác đ ng đ ng th i ộ ồ ờ
+ Mu n rút mũi khoan: Tay g t v v trí rút mũi khoan: Ti p đi m TG ố ạ ề ị ế ể 1-2,TG 6-2,TG 5 -2 đóng.Ti p đi m TG ế ể 3 -2,TG 4 -2 m ở⇒ 2K tác đ ng .Đ ng th i ti p đi mộ ồ ờ ế ể 2K 5 -6, 2K 5-7
m ở⇒ 1K thôi tác đ ng ộ⇒ Đ1 đ c c t kh i l i ượ ắ ỏ ướ ⇒ 2K tác đ ng ộ⇒ Đ1 quay ng c ượ ⇒ tr c khoan quay ng c. ụ ượ
- Mu n d ng máy: Tay g t v v trí gi a: Ti p đi m TG ố ừ ạ ề ị ữ ế ể 1-2, m . ở⇒ 1K ho c 2K thôi tác đ ng ặ ộ ⇒ Đ1 ng ng ho t đ ng.ừ ạ ộ
. Các nguyên nhân gây quá t i cho đ ng c truy n đ ng chính:ả ộ ơ ề ộ
Nguyên nhân v đi n:ề ệ
- Đi n áp l i gi m th p.ệ ướ ả ấ
- M t 1 trong 3 pha l i đi n cung c p cho đ ng c .ấ ướ ệ ấ ộ ơ
Nguyên nhân v c khí:ề ơ
- Do đ ng c : + Khô d u m . ộ ơ ầ ỡ
+ K t tr c đ ng cẹ ụ ộ ơ
+ Đ ng c b sát c tộ ơ ị ố
+ K t qu t làm mát phía sau đ ng cẹ ạ ộ ơ
-Do kh p truy n đ ng t đ ng c sang máy khoan: ớ ề ộ ừ ộ ơ
+ Thi u d u bôi tr n.ế ầ ơ
+ K t h th ng bánh răng. ẹ ệ ố
-Do máy khoan:
+ K t tr c khoan.ẹ ụ
+ Do v t li u c a phôi c ng, không đúng tiêu chu n k thu t.ậ ệ ủ ứ ẩ ỹ ậ
+ Do t s ti n dao v t quá đ nh m c.ỷ ố ế ượ ị ứ
Khi đ ng c truy n đ ng chính b quá t i thì dòng đi n vào đ ng c Độ ơ ề ộ ị ả ệ ộ ơ 1 tăng ⇒ r le nhi t RN tác đ ng ơ ệ ộ ⇒ ti p đi m th ng kín RN m ra ế ể ườ ở ⇒
1K ho c 2K thôi tác đ ng ặ ộ ⇒ Đ1 ng ng ho t đ ng. ừ ạ ộ
A
6,26
,82380.0,83.03.
2,8.103
.η
cos
U.3
Pđm
Iđm ===
ϕ
A
6,88610%.6,266,26
Iđm
10%
Iđm
I
qt10%
=
+
=+=
IcđRN = 6,9 A
Mã đ thi sề ố: DA ĐCN - LT 04
Câu 1:V s đ nguyên lý m ch ch nh l u c u m t pha, đ i x ng có đi u khi n dùng Thysistor. V d ng đi n áp vào và d ng đi n áp ra ng v i góc m α =45ẽ ơ ồ ạ ỉ ư ầ ộ ố ứ ề ể ẽ ạ ệ ạ ệ ứ ớ ở 0
v iớ
t i thu n tr . Trình bày nguyên lý ho t đ ng c a m ch?ả ầ ở ạ ộ ủ ạ
s đ nguyên lýơ ồ
D ng đi n áp vào và d ng đi n áp ra ng v i góc m α =45ạ ệ ạ ệ ứ ớ ở 0 v i t i thu n tr . ớ ả ầ ở
Nguyên lý ho t đ ng:ạ ộ
- Xét trong kho ng th i gian t 0 ả ờ ừ ÷ t 2 đi n áp ngu n uệ ồ 2 gi thi t Vả ế A> VB
trong kho ng th i gian t 0 ả ờ ừ ÷ t 1
Thysistor T1, T4 có UAK> 0,UGK = 0 ⇒ Thysistor T1, T4 khóa
Thysistor T2, T3 có UAK < 0,UGK = 0 ⇒ Thysistor T2, T3 khóa
⇒Đi n áp ra trên t i Uệ ả d = 0V
trong kho ng th i gian t tả ờ ừ 1 ÷ t 2 t i th i đi m ạ ờ ể t 1 c p xung đi u khi n vàoấ ề ể c c G c a Tự ủ 1, T4
Thysistor T1, T4 có UAK> 0,UGK > 0 sao cho IGK > 0 ⇒ Thysistor T1, T4 m có dòng đi n đi t ngu n qua Tở ệ ừ ồ 1 qua ph t i( Rụ ả d) qua T4 và tr v ngu n t i đi m B.ở ề ồ ạ ể
Thysistor T2, T3 có UAK < 0,UGK = 0 ⇒ Thysistor T2, T3 khóa
⇒Đi n áp ra trên t i Uệ ả d = u2
Xét trong kho ng th i gian t tả ờ ừ 2 ÷ t 4 đi n áp ngu n uệ ồ 2 đ i c c tính Vổ ự A < VB
4/70
i
1i
4
i
3
i
2
A
T
4
T
3
T
1
T
2
TR
d
U
2
U
1
U
d
B
t
α
=
45
0
t
t
t
t
V
u
2
U
G1
K1 U
d
UG1
K1
UG4
K4
UG2
K2
UG3
K3
α
=
45
0α
=
45
0
O
O
O
O
t
1
t
2
t
3
t
4
α
=
45
0

trong kho ng th i gian t tả ờ ừ 2 ÷ t 3 t i th i đi m tạ ờ ể 2
Thysistor T1, T4 có UAK < 0 ⇒ Thysistor T1, T4 khóa
Thysistor T2, T3 có UAK > 0,UGK = 0 ⇒ Thysistor T2, T3 khóa
⇒Đi n áp ra trên t i Uệ ả d = 0V
trong kho ng th i gian t tả ờ ừ 3 ÷ t 4 t i th i đi m ạ ờ ể t 3 c p xung đi u khi n vàoấ ề ể c c G c a Tự ủ 2, T3
Thysistor T2, T3 có UAK> 0,UGK > 0 sao cho IGK > 0 ⇒ Thysistor T2, T3 m có dòng đi n đi t ngu n qua Tở ệ ừ ồ 3 qua ph t i( Rụ ả d) qua T2 và tr v ngu n t i đi m A.ở ề ồ ạ ể
Thysistor T1, T4 có UAK < 0,UGK = 0 ⇒ Thysistor T1, T4 khóa
⇒ Đi n áp ra trên t i Uệ ả d = u2
Chu kỳ sau l p l iặ ạ
Câu 2: Cho s đ m ch đi n máy ti n T616 ơ ồ ạ ệ ệ (hình 4.1) .
a. Nguyên lý ho t đ ng:ạ ộ
-Chu n b cho máy ho t đ ng:ẩ ị ạ ộ Đóng c u dao CDầ
+ Đ a tay g t v 0: ti p đi m KC ư ạ ề ế ể ( 1-3) đóng r le đi n áp RU ki m tra đi n áp ngu n. N u đ tr s đi n áp cho phép rơ ệ ể ệ ồ ế ủ ị ố ệ ơ
R le đi n áp RU tác đ ng đóng ti p đi m RU ơ ệ ộ ế ể (1-3 ) đ t duy trì chu n b cho máy ho t đ ng.ể ự ẩ ị ạ ộ
- Mu n giá c p chi ti t quay thu n:ố ặ ế ậ
Tay g t đ v trí I: ti p đi m KC ạ ể ở ị ế ể ( 3- 13) ,KC ( 3- 5) đóng l i ạ⇒ 3K tác đ ng ộ⇒ đóng ti p đi m 3K bên m ch đ ng l c l i Đế ể ạ ộ ự ạ 2 ho tạ
đ ng, b m d u bôi tr n đ ng th i ti p đi m 3K ộ ơ ầ ơ ồ ờ ế ể ( 2- 4) đóng l i ạ⇒ 1K tác đ ng ,đóng ti p đi m 1K bên m ch đ ng l c l i Độ ế ể ạ ộ ự ạ 1 quay thu n ậ⇒ giá c p chi ti t quay thu n.ặ ế ậ
ti p đi m 1K ế ể ( 9- 11) m ra, không cho 2K làm vi c đ ng th i ở ệ ồ ờ
- Mu n giá c p chi ti t quay ng c: ố ặ ế ượ
Tay g t đ v trí II: ti p đi m KC ạ ể ở ị ế ể ( 3- 13) ,KC ( 3- 9) đóng l i ạ⇒ 3K tác đ ng ộ⇒ đóng ti p đi m 3K bên m ch đ ng l c l i Đế ể ạ ộ ự ạ 2 ho t đ ng, b m d u bôi tr n đ ng th i ti p đi mạ ộ ơ ầ ơ ồ ờ ế ể
3K ( 2- 4) đóng l i ạ⇒ 2K tác đ ng ,đóng ti p đi m 2K bên m ch đ ng l c l i Độ ế ể ạ ộ ự ạ 1 quay ng c ượ ⇒ giá c p chi ti t quay ng c.ặ ế ượ
- ti p đi m 2K ế ể ( 5- 7) m ra, không cho 1K làm vi c đ ng th i ở ệ ồ ờ
- Mu n d ng máy: ố ừ
Tay g t v 0 , ti p đi m KC ạ ề ế ể ( 1- 3 ,RU (1-3) m ra 1K ho c 2K ,3K thôi tác đ ng,các đ ng c ng ng ho t đ ngở ặ ộ ộ ơ ừ ạ ộ
- Mu n đ ng c b m n c làm vi c đóng c u dao 2CD sau khi đ ng c b m d u ho t đ ngố ộ ơ ơ ướ ệ ầ ộ ơ ơ ầ ạ ộ
T s đ thay th c a đ ng c KĐB 3 pha, ta có bi u th c mômen c a đ ng c :ừ ơ ồ ế ủ ộ ơ ể ứ ủ ộ ơ
( )
+
++π
=
X'
2
X1
2
s
R'
2
R1
2
f2.s
R'
2
pU3 '
1
M
Khi m máy đ ng c : ở ộ ơ
( ) ( )
[ ]
XXRR
f.2
R
pU3
M
'
21
2
'
21
2
'
2
'
1
mm
++
π
+
=
Đi n áp gi m ệ ả ⇒ Mmm gi m, mà MảC c a t i không đ i: ủ ả ổ
+ N u Mếmm > MC thì th i giam m máy đ ng c tăng, nh h ng x u đ n dây qu n đ ng c và nh h ng x u đ n l i đi n.ờ ở ộ ơ ả ưở ấ ế ấ ộ ơ ả ưở ấ ế ướ ệ
+ N u Mếmm < MC thì đ ng c không m máy đ c. Đ ng c làm vi c ch đ ng n m ch ộ ơ ở ượ ộ ơ ệ ở ế ộ ắ ạ ⇒ cháy đ ng c .ộ ơ
+ Khi đ ng c đang ho t đ ng: Đi n áp gi m ộ ơ ạ ộ ệ ả ⇒ Mđc gi m, mà MảC c a t i không đ i ủ ả ổ ⇒ đ ng c làm vi c ch đ quá t i ộ ơ ệ ở ế ộ ả ⇒ dây qu n b đ t nóng ấ ị ố ⇒ có th cháy đ ng c .ể ộ ơ
Ho t đ ng c a b o v th p đi n áp trong s đ :ạ ộ ủ ả ệ ấ ệ ơ ồ
+ Khi m máy đ ng c : Tay g t v trí 0, n u đi n áp l i gi m th p ở ộ ơ ạ ở ị ế ệ ướ ả ấ ⇒ r le đi n áp RU không tác đ ng ơ ệ ộ ⇒ n u đ a tay g t sang I ho c II: đ ng c không ho t đ ng.ế ư ạ ặ ộ ơ ạ ộ
Khi đ ng c đang ho t đ ng: Tay g t đang v trí I ho c II, n u đi n áp l i gi m th p ộ ơ ạ ộ ạ ở ị ặ ế ệ ướ ả ấ ⇒ r le RU thôi tác đ ng ơ ộ ⇒ các kh i đ ng t 1K ho c 2K và 3K thôi tác đ ngở ộ ừ ặ ộ
⇒ các đ ng c ng ng ho t đ ng.ộ ơ ừ ạ ộ
A
3
đm
đm
đm
9,47
,85380.0,85.03.
4,5.10
.η
cos
.U3
P
I
===
ϕ
Khi r le nhi t trên m ch đ ng l c c a đ ng c truy n đ ng chính ch nh đ nh giá tr 10 A thì đ ng c đ c phép quá t i:ơ ệ ạ ộ ự ủ ộ ơ ề ộ ỉ ị ở ị ộ ơ ượ ả
%6,5
100
47,9
47,9
10
100
I
II
đm
đmcd
=
−
=
−
Mã đ thi sề ố: DA ĐCN - LT 05
Câu 1: Trình bày c u t o, nguyên lý ho t đ ng c a đ ng c đi n không đ ng b 3 pha rôto l ng sóc.?ấ ạ ạ ộ ủ ộ ơ ệ ồ ộ ồ
a/ C u t o:ấ ạ
G m có ba ph n chính : Ph n tĩnh, ph n quay, các b ph n khác ồ ầ ầ ầ ộ ậ
- Ph n tĩnhầ (Stato) g m có các b ph n chính: lõi thép, dây qu n và v máy, n pồ ộ ậ ấ ỏ ắ
+ Lõi thép stato đ c làm t nhi u lá t hép k thu t đi n dày 0,5mm ượ ừ ề ỹ ậ ệ
d p đ nh hình, đ c ghép ch t v i nhau các lá thép đ c s n cách đi n ậ ị ượ ặ ớ ượ ơ ệ
m ng đ gi m dòng đi n xoáy, bên trong có các rãnh đ đ t dây qu n.ỏ ể ả ệ ể ặ ấ
+ Dây qu n stato đ c làm b ng dây đ ng ho c nhôm ( b c cách đi n bên ngoài ), g m có ba b dây qu n có c u t o gi ng nhau đ c đ t l ch nhau 120 đ đi n,ấ ượ ằ ồ ặ ọ ệ ở ồ ộ ấ ấ ạ ố ượ ặ ệ ộ ệ
các vòng dây cách đi n v i nhau và cách đi n v i lõi thép stato. Dây qu n ệ ớ ệ ớ ấ Stato có ba cu n dây pha, 6 đ u dây đ a ra h p c c ( G m có 3 đ u đ u là A, B, C và 3 đ uộ ầ ư ộ ự ồ ầ ầ ầ
cu i là X,Y,Z ).ố
- Ph n quayầ ( rôto) g m có lõi thép, dây qu n: ồ ấ
+ Lõi thép rôto cũng đ c t o nên b i các lá thép k thu t đi n m ng đ c d p đ nh hình ép ch t v i nhau và ép ch t v i tr c c a đ ng c , m t ngoài c a lá thép cóượ ạ ở ỹ ậ ệ ỏ ượ ậ ị ặ ớ ặ ớ ụ ủ ộ ơ ặ ủ
các rãnh đ đăt dây qu n rôto, hai m t lõi thép cũng đ c ph m t l p s n cách đi n m ng.ể ấ ặ ượ ủ ộ ớ ơ ệ ỏ
+ Dây qu n rôto l ng sóc là các thanh d n b ng nhôm ho c b ng đ ng. ấ ồ ẫ ằ ặ ằ ồ
Hai đ u các thanh d n đ c n i v i nhau b i 2 vòng ng n m ch ầ ẫ ượ ố ớ ở ắ ạ
- Các b ph n khác:ộ ậ
+ V : v c a đ ng c đúc b ng gang ho c h p kim nhôm có li n c chân và cánh to nhi t.ỏ ỏ ủ ộ ơ ằ ặ ợ ề ả ả ệ
+ N p có n p tr c và n p sau là n i đ đ t các bi và b o v các b ph n bên trong c a đ ng c . N p th ng đ c l m b ng v t li u cùng v i v .ắ ắ ướ ắ ơ ể ặ ổ ả ệ ộ ậ ở ủ ộ ơ ắ ườ ượ ằ ằ ậ ệ ớ ỏ
+ Qu t gió làm b ng tôn, h p kim nhôm, nh a.ạ ằ ợ ự
+ N p gió ( ca bô ) đ c d p b ng tôn phía sau là các l l y gió.ắ ượ ậ ằ ỗ ấ
+ Nhãn máy: Ghi các thông s k thu tố ỹ ậ
5/70

