
ĐỀ THI TRẮC NGHIỆM MÔN KỸ THUẬT MẠCH 1
STT
Mã
Nội dung câu hỏi
ĐA
đúng
Ghi
chú
M1
Hình vẽ sau mô tả cách mắc cơ bản nào của Transistor trong mạch
điện:
A. Bazơ chung
B. Emittơ chung
C. Colectơ chung
D. EC chung
XL
2
Hình vẽ sau mô tả cách mắc cơ bản nào của Transistor trong mạch
điện:
A. Bazơ chung
B. Emittơ chung
C. Colectơ chung
D. CC chung
XL
3
Hình vẽ sau mô tả cách mắc cơ bản nào của Transistor trong mạch
điện:
A. Bazơ chung
B. Emittơ chung

C. Colectơ chung
D. BC chung
XL
4
Trong 3 cách mắc BC, EC, CC thì cách mắc EC là cách mắc có thể
A. Khuếch đại được dòng điện
B. Khuếch đại được điện áp
C. Khuếch đại được công suất
D. Khuếch đại được dòng điện, điện, công suất
XL
5
Trong 3 cách mắc BC, EC, CC thì cách mắc BC là cách mắc có thể
A. Khuếch đại được dòng điện
B. Khuếch đại được điện áp
C. Khuếch đại được công suất
D. Khuếch đại được dòng điện, điện, công suất
XL
6
Trong 3 cách mắc BC, EC, CC thì cách mắc CC là cách mắc có thể
A. Khuếch đại được dòng điện
B. Khuếch đại được điện áp
C. Khuếch đại được công suất
D. Khuếch đại được dòng điện, điện, công suất
XL
7
Tầng khuếch đại là:
A. Tầng làm cho tín hiệu to lên
B. Tầng làm cho tần số tín hiệu tăng lên
C. Tầng làm cho biên độ tín hiệu nhỏ đi
D. Là 1 tầng thực hiện biến đổi năng lượng của 1 nguồn cơ bản dưới
sự khống chế của 1 nguồn tín hiệu nhằm tạo ra trên tải 1 năng lượng
biến thiên theo quy luật của tín hiệu với điều kiện: Pr >Pv
XL
8
Các đáp án nào sau đây nói lên đặc điểm của bộ khuếch đai:
A Biên độ của tín hiệu ra lớn gấp K lần biên độ của tín hiệu vào
nhưng tần số không đổi; Pv = 0, Pr = 0; Pv ≠ 0, Pr > Pv ; Tín hiệu có
thể là: u(t), i(t), P(t), E(t), B(t).
B. Biên độ của tín hiệu ra lớn gấp K lần biên độ của tín hiệu vào
nhưng tần số thay đổi; Pv = 0, Pr = 0; Pv ≠ 0, Pr > Pv ; Tín hiệu có
thể là: u(t), i(t), P(t), E(t), B(t).
C. Biên độ của tín hiệu ra lớn gấp K lần biên độ của tín hiệu vào

nhưng tần số không đổi; Pv = 0, Pr = 0; Pv ≠ 0, Pr > Pv ; Tín hiệu có
thể là: u(t), i(t), P(t), E(t).
D. Biên độ của tín hiệu ra lớn gấp K lần biên độ của tín hiệu vào
nhưng tần số không đổi; Pv = 0, Pr = 0; Pv ≠ 0, Pr > Pv ; Tín hiệu có
thể là: u(t), i(t).
XL
9
Nếu phân loại bộ khuếch đại dựa theo tần số của tín hiệu ta sẽ có:
A. Bộ KĐ tần số thấp, bộ KĐ cao tần
B. Bộ KĐ trung tần, bộ KĐ cao tần
C. Bộ KĐ cao tần , bộ KĐ siêu cao tần
D. Bộ KĐ tần số thấp, bộ KĐ cao tần, bộ KĐ trung tần, bộ KĐ siêu
cao tần
XL
10
Nếu phân loại bộ khuếch đại dựa theo tần số của tín hiệu ta sẽ có: A
A .Bộ KĐ âm tần
B. Bộ KĐ thị tần
C. Bộ KĐ lượng tử
D. Tất cả các đáp án trên
XL
11
Transistor lưỡng cực làm việc ở miền cắt khi ...
A. JE phân cực thuận và JC phân cực ngược.
B. JE phân cực thuận và JC phân cực thuận.
C. JE phân cực ngược và JC phân cực ngược.
D. JE phân cực ngược và JC phân cực thuận.
XL
12
Transistor làm việc ở miền khuếch đại khi...
A. JE phân cực thuận và JC phân cực ngược.
B. JE phân cực thuận và JC phân cực thuận.
C. JE phân cực ngược và JC phân cực ngược.
D. JE phân cực ngược và JC phân cực thuận.
XL
13
: Transistor làm việc ở miền bão hoà khi...
A. JE phân cực thuận và JC phân cực ngược.
B. JE phân cực thuận và JC phân cực thuận.
C. JE phân cực ngược và JC phân cực ngược.
D. JE phân cực ngược và JC phân cực thuận.
XL
14
Hệ số khuếch đại dòng của BJT khi mắc theo kiểu Emitter
chung được định nghĩa :
A.
B.
b
c
I
I
b
e
I
I
Ie
Ic

C.
XL
15
Khi phân tích mạch khuếch đại tín hiệu nhỏ sử dụng Transistor
thường dùng...
A. Phương pháp sơ đồ tương đương.
B. Phương pháp đồ thị.
C. a,b đúng.
D. Phương pháp tính trực tiếp.
XL
16
Khi cấp nguồn cho BJT để ổn định điểm làm việc tĩnh, cần ổn
định tham số nào sau đây:
A. Dòng Base IB.
B. Dòng Emitter IE.
C. Dòng Collector IC.
D. Cả 3 tham số trên.
XL
17
Sơ đồ tương đương của BJT cách mắc EC thể hiện ở hình nào
sau đây ( Hình 2.1):
A. Hình 2.1 a
B. Hình 2.1 b
C. Hình 2.1 c
D. a,b,c đều sai
XL
18
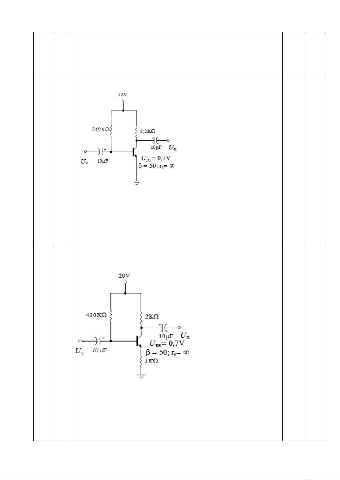
Cho sơ đồ mạch KĐ có hình hình vẽ sau:
Mạch khuếch đại hình trên cấp nguồn theo kiểu gì?

A. Cấp nguồn kiểu cố định
B. Hồi tiếp điện áp
C. Hồi tiếp dòng điện
D. Cả a,b,c đều sai
XL
19
Cho sơ đồ mạch KĐ có hình hình vẽ sau:
Mạch khuếch đại hình trên mắc theo kiểu gì?
A. Emiter chung(EC)
B. Bazơ chung (BC)
C. Collector chung (CC)
D. Cả a,b,c đều sai
XL
20
Cho sơ đồ mạch điện sau:
Mạch khuếch đại hình trên cấp nguồn theo kiểu gì?
A. Định thiên cố định
B. Hồi tiếp âm điện áp
C. Hồi tiếp âm dòng điện
D. Cả a,b,c đều sai

