
Bài giảng Kỹ thuật Xung Chương 5
Ths. Nguyeãn Troïng Haûi Trang 73
CHÖÔNG 5.
MAÏCH KEÏP
I. KHAÙI NIEÄM
Maïch keïp hay coøn goïi laø maïch ghim ñieän aùp, maïch dòch möùc DC cuûa tín
hieäu AC ñaït ñeán moät möùc xaùc ñònh, maø khoâng bò bieán daïng soùng. Maïch keïp
ñöôïc döïa treân cô sôû nhö moät maïch phuïc hoài thaønh phaàn ñieän aùp DC. Noù
duøng ñeå oån ñònh neàn hoaëc ñænh cuûa tín hieäu xung ôû moät möùc xaùc ñònh naøo ñoù
baèng hoaëc khaùc khoâng.
Nhö vaäy maïch seõ keïp tín hieäu ôû nhöõng möùc DC khaùc nhau
Daïng soùng ñieän aùp coù theå bò dòch moät möùc, do nguoàn ñieän aùp khoâng phuï
thuoäc ñöôïc coäng vaøo. Maïch keïp vaän haønh dòch möùc, nhöng nguoàn coäng vaøo
khoâng lôùn hôn daïng soùng ñoäc laäp. Löôïng dòch phuï thuoäc vaøo daïng soùng hieän
thôøi.
Maïch keïp caàn coù:
Tuï C ñoùng vai troø phaàn töû tích naêng löôïng
Diode D ñoùng vai troø khoùa
Ñieän trôû R
Nguoàn DC taïo möùc DC
Hai loaïi maïch keïp chính: Maïch keïp Diode vaø Transistor. Daïng naøy ghim
möùc bieân ñoä döông hoaëc möùc bieân ñoä aâm, vaø cho pheùp ngoõ ra môû roäng chæ
theo moät höôùng töø möùc chuaån. Maïch keïp khoùa (ñoàng boä) duy trì ngoõ ra taïi
moät soá möùc coá ñònh cho ñeán khi ñöôïc cung caáp xung ñoàng boä vaø luùc ñoù ngoõ
ra môùi ñöôïc cho pheùp lieân heä vôùi daïng soùng ngoõ vaøo.
Ñieàu kieän maïch keïp: Giaù trò R vaø C phaûi ñöôïc choïn ñeå haèng soá thôøi gian τ
= RC ñuû lôùn ñeå suït aùp qua tuï khoâng quaù lôùn
Trong phaàn lyù thuyeát naøy ta xem tuï naïp ñaày sau 3τn vaø tuï xaû heát sau 3τx
Nguyeân lyù laøm vieäc cuûa caùc maïch ghim ñieän aùp döïa treân vieäc öùng duïng hieän
töôïng thieân aùp, baèng caùch laøm cho caùc haèng soá thôøi gian phoùng vaø naïp cuûa
tuï trong maïch khaùc haún nhau.

Bài giảng Kỹ thuật Xung Chương 5
Ths. Nguyeãn Troïng Haûi Trang 74
II. MAÏCH KEÏP DUØNG DIODE LYÙ TÖÔÛNG
Loaïi maïch keïp ñôn giaûn söû duïng moät Diode keát hôïp vôùi maïch RC. Tuï C
ñoùng vai troø laø phaàn töû tích - phoùng naêng löôïng ñieän tröôøng, Diode D ñoùng
vai troø laø khoùa ñieän töû , coøn nguoàn DC taïo möùc chuaån.
Caùc giaù trò R vaø C phaûi choïn thích hôïp, ñeå haèng soá thôøi gian τ = RC ñuû lôùn
nhaèm laøm suït aùp qua tuï C khoâng quaù lôùn hoaëc tuï C khoâng ñöôïc xaû ñieän
nhanh.
Tuï naïp ñaày vaø phoùng ñieän heát trong thôøi gian 3τ ñeán 5τ, ôû ñaây caùc Diode
ñöôïc xem laø lyù töôûng.
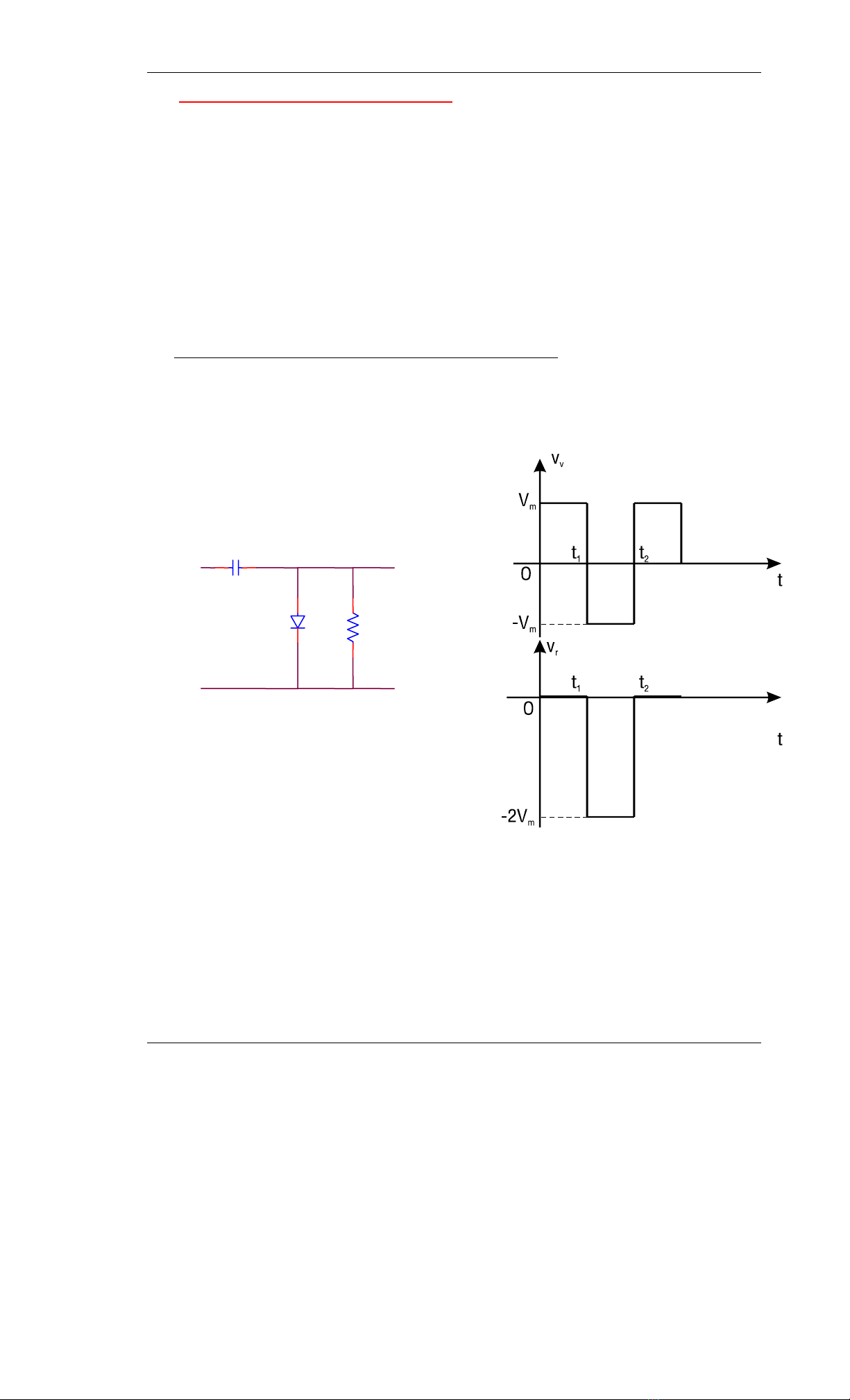
1. Maïch Ghim Ñænh Treân Cuûa Tín Hieäu ÔÛ Möùc Khoâng
Daïng maïch
Xeùt tín hieäu vaøo laø chuoãi xung coù bieân ñoä max laø ±Vm
Hình 5.1
Ñaây laø maïch keïp ñænh treân cuûa tín hieäu ôû möùc ñieän aùp laø 0v. Ñieän trôû R coù
giaù trò lôùn, vôùi nhieäm vuï laø nhaèm khaéc phuïc nhöôïc ñieåm: Khi bieân ñoä tín
hieäu vaøo giaûm thì maát khaû naêng ghim ñænh treân cuûa tín hieäu vaøo ôû möùc
khoâng.
Giaûi thích nguyeân lyù hoaït ñoäng
Vv
C
R
D
Vra

Bài giảng Kỹ thuật Xung Chương 5
Ths. Nguyeãn Troïng Haûi Trang 75
Thôøi ñieåm töø 0 ñeán t1, thôøi ñieåm toàn taïi xung döông ñaàu tieân, vv = Vm , Diode
D daãn, tuï C ñöôïc naïp ñieän qua Diode (khoâng qua R, vì ñieän trôû thuaän cuûa D
raát nhoû), cöïc aâm cuûa tuï taïi ñieåm A, tuï naïp vôùi haèng soá thôøi gian laø:
τ n = CRd = 0
⇒ VC = +Vm (tuï naïp ñaày töùc thôøi)
luùc naøy Vr = Vv - Vc = 0
Thôøi ñieåm töø t1 ñeán t2, thôøi ñieåm maø ngoõ vaøo toàn taïi xung aâm, VV = -Vm,
Diode bò phaân cöïc nghòch, D ngöng daãn, luùc naøy tuï C phoùng ñieän qua R, coù
daïng maïch töông ñöông nhö hình veõ.
Thôøi haèng phoùng ñieän laø τf = CR , thôøi gian naøy raát lôùn so vôùi khoaûng thôøi
gian töø t1 ñeán t2 , do vaäy tuï C chöa kòp xaû maø vaãn coøn tích laïi moät löôïng ñieän
aùp laø Vc = Vm.
Do vaäy, vr = vv - vc = -Vm -Vm = - 2Vm .
2. Maïch Ghim Ñænh Treân Cuûa Tín Hieäu ÔÛ Möùc Ñieän Aùp Baát Kyø
Daïng maïch
Hình 5.3
Vc = V
VraR R
V
VV Vra
Vdc
D
Vv Vra
R
C

Bài giảng Kỹ thuật Xung Chương 5
Ths. Nguyeãn Troïng Haûi Trang 76
Tín hieäu vaøo laø daïng xung coù taàn soá f = 1 Hz vaø bieân ñoä max laø ±Vm. Giaû söû
cho C = 0,1 µ F, VDC = 5v, R = 1000 k Ω , Vm = 10(v)
Ta coù f = 1KHz ⇒ T = )(1
1ms
f=
Baùn kyø coù thôøi gian laø )(5.0
2ms
T=
Giaûi thích nguyeân lyù hoaït ñoäng:
Thôøi ñieåm töø 0 ñeán t1, ngoõ vaøo toàn taïi xung döông Vv = Vm =10v >VDC,
Diode D daãn ñieän, tuï C ñöôïc naïp ñieän qua Diode D vôùi haèng soá thôøi gian
τ = rd.C ≈ 0
Tacoù VDC + Vγ + VC = VV
giaù trò ñieän aùp maø tuï naïp ñaày laø:
Vc = Vv - Vγ - VDC = 10 – 5 = 5(v)
Do ñoù Vra = VDC - Vγ = 5(v)
Thôøi ñieåm töø t1 ñeán t2 thì ngoõ vaøo toàn taïi xung aâm, Vv = -Vm = -10v, Diode D
ngöng daãn, tuï C phoùng ñieän qua R, vôùi thôøi haèng phoùng ñieän
τf = CR = 0,1.10-6 .106 = 0,1(s ) = 10 (ms).
Vaäy sau 5τ thì tuï phoùng heát, töùc sau 5.10 = 50 (ms), thôøi gian naøy lôùn gaáp 20
laàn thôøi gian töø t1 ñeán t2 (0,5ms), do vaäy vc vaãn giöõ möùc ñieän aùp laø 5v
Vr = Vv - Vc = -10 - 5 = -15v .
Neáu ñaûo cöïc tính cuûa nguoàn VDC thì ñænh treân ghim ôû möùc ñieän aùp laø -5(v).
3. Maïch Ghim Ñænh Döôùi Cuûa Tín Hieäu ÔÛ Möùc Khoâng
Daïng maïch
Hình 5.4a
DVra
C
RVv

Bài giảng Kỹ thuật Xung Chương 5
Ths. Nguyeãn Troïng Haûi Trang 77
Hình 5.4b
Maïch naøy coù chöùc naêng coá ñònh ñænh döôùi cuûa tín hieäu ôû möùc 0(v).
Giaûi thích nguyeân lyù hoaït ñoäng
Thôøi ñieåm töø 0 ñeán t1, toàn taïi xung döông, Vv = + Vm, Diode ngöng daãn, tuï C
ñöôïc naïp qua R vôùi haèng soá thôøi gian laø τn = RC, vì R raát lôùn neân τn raát lôùn,
do ñoùτn >> so vôùi khoaûng thôøi gian töø 0 ñeán t1. Do vaäy tuï C gaàn nhö khoâng
ñöôïc naïp vc = 0, do ñoù Vra = Vv = + Vm.
Thôøi ñieåm t1 ñeán t2, ngoõ vaøo toàn taïi xung aâm, Vv = -Vm , Diode daãn ñieän, tuï C
ñöôïc naïp qua Diode, thôøi haèng naïp laø τn = rd. C ≈ 0, vc = Vm (tuï naïp ñaày töùc
thôøi), luùc naøy Vra = Vv + Vc = -Vm +Vm = 0.
Thôøi ñieåm töø t2 ñeán t3, ngoõ vaøo toàn taïi xung döông tieáp theo Vv = +Vm, Diode
ngöng daãn, tuï C xaû qua R vôùi haèng soá thôøi gian laø τf = C.R. τf raát lôùn so vôùi
baùn kyø töø t2 ñeán t3, do vaäy tuï C vaãn giöõ nguyeân möùc ñieän aùp laø Vm . Maïch
töông ñöông cuûa tröôøng hôïp naøy nhö sau:
Hình 5.5
VVraR
Vc=Vm

