
TÓM TẮT BÀI GIẢNG
THỰC HÀNH KỸ THUẬT XUNG
(30 TIẾT)
Thiết bị, vật tư, dụng cụ sử dụng trong chương trình:
1. Thiết bị chính về thực tập KT xung cơ bản : PE-03 và các Module cho nhóm bài học
2. Test board, dây cắm 2 đầu có chốt, dây điện 1 lõi (dây điện thoại); mạch in, thuốc ngâm mạch
in, linh kiện các loại (phù hợp với chương trình
3. Kìm cắt, kìm mỏ nhọn, kẹp, dao cắt, máy khoan máy mài
4. VOM; dao động ký 2 tia; bộ nguồn một chiều; máy phát xung đa năng…
Lưu ý: vì thiếu các board thực tập, nên trong quá trình thí nghiệm, GV có thể cho HS làm thêm các
mạch bằng Borad test hoặc trên mạch in
Bài 1. Mở đầu
(6 tiết)
* Mục đích yêu cầu;
+ Giới thiệu về các dụng cụ, thiết bị, và hướng dẫn sử dụng chúng
+ Giới thiệu chương trình môn học
+ Yêu cầu HS sử dụng thành thạo dao động ký để đo biên độ, tần số xung
* Nội dung
Chuẩn bị: Các board thí nghiệm có sẵn, đồng hồ VOM, dao động ký, mỏ hàn, dây cắm…
I. Phần giới thiệu (2 tiết)
1. Nội quy xưởng thực hành
2. Giới thiệu về các dụng cụ, vật tư, thiết bị thực hành…
3. Hướng dẫn cách sử dụng các dụng cụ, thiết bị thực hành, dụng cụ đo (VOM, dao động
ký)
II. Các thông số về xung (4t)
1. Sử dụng khối thí nghiệm có sẵn (phần board chính thí nghiệm điện tử tương tự), dao
động ký tiến hành quan sát các dạng xung: sin, vuông , tam giác…
2. Đo biên độ và tần số các dạng xung trên- tiếp tục với các biên độ và tần số khác
3. Quan sát và tính toán sườn lên, sườn xuống của dạng xung vuông và tam giác. Qua đó
tính độ rộng xung, hệ số lấp đầy, hệ số công tác
4. Sử dụng các máy phát có sẵn trong xưởng, tiếp tực sử dụng dao động ký quan sát dạng
xung và tính biên độ, tần số một cách thành thạo
5. Sử dụng phương pháp tính nhẩm tần số nhanh để ứng dụng trong thực tế
III. Dùng Test board kiểm tra trạng thái ngắt dẫn của transistor và trạng thái bảo hòa
của Op-Amp
1. 2 trạng thái ngắt, dẫn của transistor
Dùng test board tạo mạch như hình 1.1;
a. Cấp nguồn cho mạch
+ Đưa nguồn 5V vào lối vào, dùng VOM đo điện áp lối ra OUT
+ Chỉnh VR1, quan sát kim đồng hồ
Giải thích kết quả
b. Giữ nguồn cấp cho mach. Đưa xung vuông đến lối vào
+ Dùng DĐK kênh 1 đ lối vào, kênh 2 đo lối ra. Chỉnh DD9K cho dễ quan sát
+ Chỉnh VR1 hoặc chỉnh biên độ xung lối vào, quan sát dạng xung lối ra. So
sánh dạng xung lối vào với lối ra, cho nhận xét và giải thích kết quả
2. 2 trạng thái bảo hòa của Op-amp

Dùng test board ráp mạch như hình 1.2
a. Cấp nguồn cho mạch
+ Nối mạch như hình 1.2
+ Dùng VOM đo điện áp lối ra
+ Đặt VR 2 tại 1 giá trị cố định.Chỉnh biến trở VR1. Quan sát kết quả trên VOM
+ So sánh điện áp tại 2 lối vào In- và In+ khi lối ra chuyển mức
b. Nối mạch như hình 1.2a
+ Đưa tín hiệu xung đến lối vào,
+ Dùng DĐK quan sát tín hiệu OUT
+ Chỉnh biến trở VR hoặc thay đổi biên độ lối ra. Quan sát dạng xung và giải
thích kết quả
IN OUT
1 0
0 1
50k
VR2
1 3
2
+5V
- VCC
+VCC
+5V
OUT
+
-
LM741
3
2
6
7
1
4
5
50k
VR1
13
2
-5V
-5V
VCC
Q1
10K
4K7
IN OUT
100k
VR1
1 3
2
100k
VR1
1 3
2
- VCC
+VCC
OUT
+
-
LM741
3
2
6
7
1
4
5
IN
Hình 1.1. Ki
ểm tra 2 trạng thái
ngắt dẫn của transistor
B
ảng trạng thái logic của mạch
Hình 1.2
Hình 1.2a.

Bài 2. Các phương pháp biến đổi xung 1
(6 tiết)
* Mục đích yêu cầu;
+ Giới thiệu về các phương pháp biến đổi xung: Mạch vi phân và mạch hạn chế xung
+ Quan sát dạng xung sau biến đổi với các thông số khác nhau
+ Yêu cầu HS sử dụng thành thạo dao động ký để quan sát và so sánh
* Nội dung
Chuẩn bị: Các board thí nghiệm có sẵn, đồng hồ VOM, dao động ký, mỏ hàn, dây cắm…
I. Mạch vi phân – rút gọn xung dùng RC
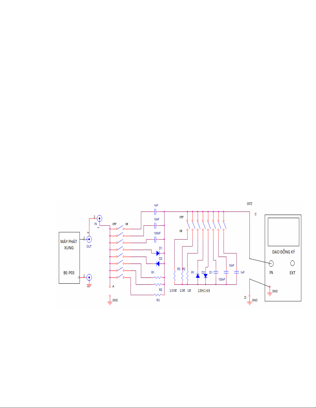
Tóm tắt; Sử dụng board thí nghiệm BE-P03 ELECTRONICS PULSE KIT và board BE-P031
Dùng dao động ký để quan sát dang xung và đo các thông số
Sử dụng các DS1 và DS2 theo bảng 1 dưới đây và dùng dao động ký đo mặt tăng xung rồi ghi
kết quả vào bảng 2
Theo kết quả đo được so sánh với RC của mỗi mạch.
1, Đặt chế độ cho máy phát tín hiệu chính BE - P03 ở tần số 1kHz ( công tắc khoảng RANGE
ở vị trí 1k và chỉnh bổ sung biến trở tinh chỉnh FINE).
2, Nối tín hiệu từ máy phát xung lối vào IN - A của mạch hình P1- 2a.
3, Đặt thang đo thế lối vào của bộ dao động ký ở 5V/cm. Đặt thời gian quét của dao động ký
ở 0,1ms/cm. Chỉnh cho tia nằm trên và nằm dưới của màn dao động ký. Sử dụng các nút
chỉnh vị trí của dao động ký theo chiều X,Y về vị trí dễ quan sát.
Nối kênh 1 của dao động ký với điểm vào IN - A, kênh 2 với điểm ra OUT- C.
Hình P1-2a. Sơ đồ thí nghiệm về mạch vi phân
4, Tất cả công tắc DSW1, DSW2 ở vị trí ngắt (OFF).
Để tạo các mạch vi phân, có thể gạt công tắc tương ứng với bảng 3.1.

Chú ý : công tắc ở vị trí nối ON được đánh dấu X, các công tắc không có trong bảng hoặc để
trống ở vị trí ngắt (OFF).
Vẽ lại dạng tín hiệu vào hình P1-2b cho từng mạch vi phân. Đo độ rộng xung, ghi kết quả vào bảng
3-2 dưới đây.
Bảng -3-2
Hằng số t gian
T=RC Gía trị đo Tx
Viphân C1-R4
Viphân C1-R5
Viphân C1-R6
Viphân C2R4
Viphân C2R5
Viphân C2R6
Viphân C3R4
Viphân C3R5
Viphân C3R6
5. Tính giá trị tích số RC cho mỗi mạch vi phân. Ghi kết quả vào bảng 3-2
6. theo kết quả thu được, tìm mối liên hệ giữa hằng số thời gian tính theo tích RC cho mỗi
mạch với giá trị Tx đo được. Giải thích vai rò các linh kiện trong đó
........................................................................................................................
........................................................................................................................
........................................................................................................................
........................................................................................................................
........................................................................................................................
........................................................................................................................
........................................................................................................................
........................................................................................................................
Tên mạch hình thành DSW1 DSW2
1 2 3 1 2 3 4 5
Viphân C1-R4 X X
Viphân C1-R5 X X
Viphân C1-R6 X X
Viphân C2R4 X X
Viphân C2R5 X X
Viphân C2R6 X X
Viphân C3R4 X X
Viphân C3R5 X X
Viphân C3R6 X X
Viphân C1-R4-D3 cắt phần tín hiệu âm X X X
Viphân C1-R4—D4cắt phần tín hiệu dương X X X

Out
C1XR4
Out
C1XR5
O
ut
C1XR6
Out
C2R4
Out
C2R5
IN
-
A
Out
C2R6
Out
C3R4
Out
C3R4
Out
C3R4
Hình P1
-
2b.
dạng tín hiệu
qua mạch vi
phân

